Материал: Источники питания РЭА

Внимание! Если размещение файла нарушает Ваши авторские права, то обязательно сообщите нам

вания выходного напряжения является изменение опорного напряжения, если ИС позволяет такое изменение осуществлять.

VD1…VD4

 

DA

 

 

U ~

 

 

 

Uвых

220B, 50Гц

 

ИС

 

C1

C2

C3

 

Rн

+

+

 

+

 

 

U ~ 220B, 50Гц

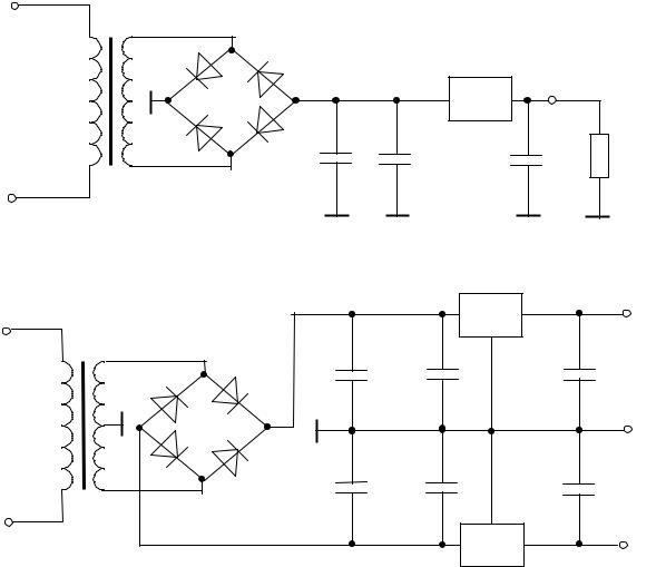
Рис. 2.56. Источник питания со стабилизатором отрицательного напряжения.

 

 

C3

 

ИС

 

C1

 

 

C5

+ U

VD1…VD4

 

 

 

DA1

вых

+

 

+

+

 

 

 

 

 

 

 

 

Общий

C2

+

C4

+

C6

+

 

 

 

 

 

 

 

DA2

Uвых

 

 

 

 

ИС

 

 

 

 

 

Рис.2.57. Двуполярный источник питания на стабилизаторах положительного и отрицательного напряжений.

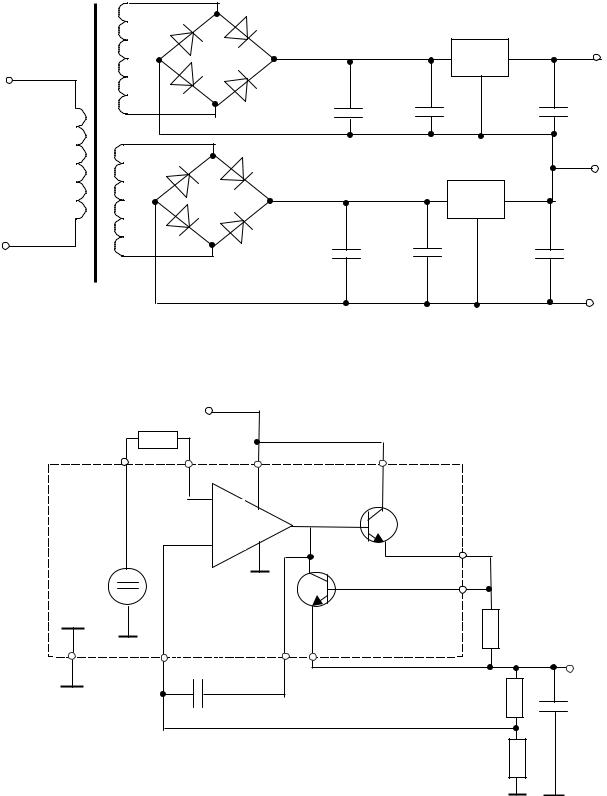
На рис.2.59 показана внутренняя структура ИС А723 (фирма Fairchild, 1967) и схема его включения.

Как видно из рис.2.59 у стабилизатора имеется вывод опорного напряжения, которое может быть уменьшено с помощью внешнего резистивного делителя (на схеме не показан) в требуемое число раз. Кроме этого имеется возможность изменения величины максимального выходного тока (резистор R2). Резисторы R3, R4 задают коэффициент усиления дифференциального усилителя для поданного на его неинвертирующий вход «внешнего» опорного напряжения. Конденсаторы С1 (емкостью около 100 пФ) и С2 (10 мкФ) необходимы для устойчивой работы ИС.

 

VD1…VD4

 

 

 

DA1

 

 

 

 

 

 

+ Uвых

 

 

 

 

 

ИС

 

 

 

 

 

 

 

C1

+

C3

+

C5

+

 

 

 

 

U ~

 

 

 

 

 

Общий

220B, 50Гц

VD5…VD8

 

 

 

DA2

 

 

 

 

 

 

 

 

 

ИС

 

 

C2

+

C4

+

C6

+

 

 

 

 

 

 

 

 

 

 

Uвых

Рис.2.58. Двуполярный источник питания на стабилизаторах

 

 

положительного напряжения.

 

 

 

R1

+ Uвх

 

 

 

 

 

 

DA

 

 

 

 

 

 

+

 

VT2

 

 

 

VT1

 

 

 

 

+

 

 

 

 

 

 

 

 

 

 

 

Uоп

µА723

 

 

 

 

 

 

 

 

 

R2

 

 

 

 

 

 

 

 

C1

 

 

 

 

+ Uвых

 

 

 

 

 

 

 

 

 

 

 

R3

+

 

 

 

 

 

 

 

 

 

 

 

 

C2

 

 

 

 

 

R4

 

Рис.2.59. ИС µ А723 и ее включение для стабилизации напряжения.

Регулирование Uвых в схеме (рис.2.59) возможно :

1) делением напряжения Uоп или подачей на неинвертирующий вход дифференциального усилителя внешнего опорного напряжения;

2)изменением отношения сопротивлений R3/ R4;

3)одновременным изменением как опорного напряжения на «+» входе усилителя, так и отношения сопротивлений R3/ R4.

Следует отметить, что в аналогичных схемах (рис 2.59) на глубину регули-

ровки Uвых может оказывать ограничение возможное минимальное значение опорного напряжения. Так (по заявлению фирмы разработчика) для

стабилизатора А723 минимальное значение Uоп, поданного на вход усилителя, равно 2 В. Это означает, что выходное напряжение не может быть меньше двух вольт.

При необходимости возможно изменение Uвых в схемах с трехвыводными стабилизаторами. Одним из способов коррекции (подрегулировки) выходного напряжения является включение стабилитрона (или нескольких стабилитронов) в цепь общего вывода ИС (рис 2.60).

Uвх

IN

DA

OUT

Uвых

U

 

 

DA

 

 

 

 

 

 

 

Uвых

 

 

 

 

 

IN

 

 

 

 

 

OUT

 

 

+

 

ИС

 

 

+

вх

 

ИС

 

 

+

 

 

 

+

 

 

 

 

 

 

 

 

 

 

 

 

 

 

 

 

 

 

 

 

 

 

 

 

 

 

 

 

 

 

 

 

 

 

 

 

 

 

 

 

 

 

 

 

 

 

 

 

 

 

 

а

COM

 

 

 

 

Uст DA

б

 

COM

 

 

 

 

 

 

Uст DA

 

 

 

 

 

 

 

 

 

 

 

 

 

 

VD

 

 

Uст VD

 

VD

 

 

Rб

 

 

 

 

 

 

 

 

 

 

 

 

 

 

Uст VD

 

 

 

 

 

 

 

 

 

 

 

 

 

 

 

 

 

 

 

 

 

 

 

 

 

 

 

 

 

 

 

 

 

 

 

 

 

 

 

 

 

 

 

 

 

 

 

 

 

 

 

 

 

 

 

 

 

 

 

 

 

 

 

 

 

 

 

 

 

 

 

 

 

 

 

 

 

 

 

 

 

 

 

 

 

 

 

 

 

 

 

 

 

 

 

 

 

 

 

 

 

 

 

 

 

 

 

 

 

 

 

 

 

 

 

 

 

 

 

 

 

 

 

 

 

 

 

 

 

 

 

 

 

Рис.2.60. Включение стабилитрона в цепь вывода СОМ стабилизатора а – с током стабилизации, равным току потерь ИС; б – с увеличенным током стабилизации.

Общим для обеих схем (рис.2.60) является то, что вывод СОМ ИС подключен к искусственной (виртуальной) земле, «сдвинутой» относительно действительной земли на величину напряжения стабилизации ста-

билитрона UстVD. Выходное напряжение при этом равно сумме напряжений UстVD+UстDA. Сам ИС даже «не имеет понятия» об истинном значе-

нии Uвых. Его задачей является обеспечение постоянного напряжения между выводами OUT и COM, чем ИС и «занимается».

В схеме (рис. 2.60, а) величина обратного тока, протекающего через стабилитрон VD, определяется током потребления ИС, который называют так же током потерь. Величина этого тока в общем случае единицы мА и может изменяться в зависимости от режима работы ИС. В схеме (рис. 2.60, б) через стабилитрон протекает дополнительный ток стабилизации, определяемый величиной сопротивления балластного резистора

UстDA/Rб. Благодаря этому повышается качество стабилизации напряже-

ния UстVD, а следовательно, и выходного напряжения.

В схеме (рис. 2.61) осуществляется ступенчатое изменение выходного напряжения. В качестве примера взято три стабилитрона, хотя их количество может быть и другим.

Uвх

 

IN

DA

OUT

 

 

Uвых

Uвх

 

DA

 

 

 

 

Uвых

 

 

 

 

 

 

 

IN

 

 

 

 

 

 

 

 

 

 

+

 

 

 

ИС

 

 

 

 

+

 

 

ИС

OUT

 

 

 

 

 

 

 

+

 

 

 

 

 

+

 

 

 

 

 

 

 

 

 

 

 

 

 

 

 

 

 

 

 

 

 

 

 

 

 

 

 

 

 

 

 

 

 

 

 

 

 

 

 

 

 

 

 

 

а

 

COM

 

 

 

 

 

 

SA1

б

COM

 

 

 

 

 

 

 

 

 

 

 

 

 

 

 

 

 

 

 

 

 

 

 

 

 

 

 

 

 

 

 

 

 

 

 

 

 

 

 

 

 

 

 

 

 

 

 

 

 

 

 

 

 

 

 

 

 

 

 

 

 

 

 

 

 

 

 

 

 

 

 

 

 

 

 

 

 

 

 

 

VD1

 

 

 

 

 

 

SA

 

 

 

 

 

 

 

 

 

 

 

 

 

 

 

 

 

 

 

 

 

 

 

 

 

 

 

 

 

 

 

 

 

 

 

SA2

 

 

 

 

 

 

 

 

 

 

 

 

 

 

 

 

 

 

 

 

 

 

 

 

 

 

 

 

 

 

 

 

 

 

 

 

 

 

 

 

 

 

 

 

 

 

 

 

 

 

 

 

 

 

 

 

 

 

 

 

 

 

 

 

 

VD2

 

 

 

 

 

 

 

 

 

 

 

 

 

 

 

 

 

 

 

 

 

 

 

 

 

 

 

 

 

 

 

 

 

 

 

 

 

 

 

 

 

 

 

 

 

 

 

 

 

 

 

 

 

 

 

 

 

 

 

 

 

 

SA3

 

 

 

 

 

 

 

 

 

 

 

 

 

 

 

 

 

 

 

 

 

 

 

 

 

 

 

 

 

 

 

 

 

 

 

 

 

 

 

 

 

 

 

 

 

 

 

 

 

 

 

 

 

 

 

 

 

 

 

 

 

 

 

 

 

 

 

 

VD3

 

 

 

 

 

 

 

 

VD1

VD2 VD3

 

 

 

 

 

 

 

 

 

 

 

 

 

 

 

 

 

 

 

 

 

 

 

 

 

 

 

 

 

 

 

 

 

 

 

 

 

 

 

 

 

 

 

 

 

 

 

 

 

 

 

 

 

 

 

 

 

 

 

 

 

 

 

 

 

 

 

 

 

 

 

 

 

 

 

Рис. 2.61. Ступенчатое изменение выходного напряжения

а- последовательное включение стабилитронов;

б- параллельное включение стабилитронов.

Вобщем случае выходное напряжение (рис. 2. 61, а) может иметь восемь значений (см. табл. 2.1). В частности, если все стабилитроны одинаковы,

то число возможных значений Uвых сокращается до четырех.

Таблица 2.1. Возможные значения напряжения Uвых в схеме (рис. 2.61, а)

Uвых

SA1

SA2

SA3

UстDA

замкнут

замкнут

замкнут

UстDA+ UстVD1

разомкнут

замкнут

замкнут

UстDA+ UстVD2

замкнут

разомкнут

замкнут

UстDA+ UстVD3

замкнут

замкнут

разомкнут

UстDA+ UстVD1+ UстVD2

разомкнут

разомкнут

замкнут

UстDA+ UстVD2+ UстVD3

замкнут

разомкнут

разомкнут

UстDA+ UстVD1+ UстVD3

разомкнут

замкнут

разомкнут

UстDA+ UстVD1+ UстVD2+ UстVD3

разомкнут

разомкнут

разомкнут

В схеме (рис. 2.61, б) «сдвиг» потенциала виртуальной земли относительно общей шины изменяется благодаря подключению стабилитронов с разными значениями напряжения стабилизации. Как и в схеме (рис. 2.61, а)

возможно получение Uвых=UстDA (крайнее правое положение переключателя SA). При реализации схемы (рис 2.61, б) необходимо иметь в виду, что при коммутации переключателя не должно быть промежутков времени, когда вывод СОМ ИС не соединен с минусовым проводом, так как не все ИС выдерживают такой режим.

На рис. 2.62 представлена схема источника питания с плавной регулиров-

кой выходного напряжения в интервале от UстDA до UстDA + UстVD. Элементы R1, VD, R2 образуют параметрический стабилизатор с регули-

руемым выходным напряжением. Uвых отличается от UстDA на величину этого напряжения.

 

 

DA

OUT

 

 

IN

ИС

 

 

 

 

 

COM

+

+Uвых

 

 

R1

 

 

 

C2

 

U ~

 

 

 

220B, 50Гц

 

 

 

 

 

+

VD

 

 

 

 

 

 

C1

 

R2

 

 

 

 

 

 

Рис.2.62. Источник питания на трехвыводном стабилизаторе с регулируемым выходным напряжением.

Другим способом регулирования Uвых является использование резистивного делителя напряжения (рис. 2.63).

Резисторы R1 и R2 образуют делитель выходного напряжения. К выходу этого делителя подключается вывод СОМ ИС. Выходное напряжение схемы:

 

Uвых UстDA + Iд R 2 ,

где Iд

ток, протекающий через делитель напряжения.

Расчет сопротивлений резисторов R1 и R2

целесообразно производить в

следующем порядке:

 

1)

задаться током, протекающим

через делитель напряжения

Iд(3 – 5)Iп, где Iп – ток потерь (ток потребления) ИС;

2)

определить сопротивление резистора R1Uст DA/Iд;