3)проверить, попадает ли значение R1 в диапазон, оговоренный в рекомендациях по использованию конкретного ИС (для отечественных ИС серии 142ЕН R1=100 – 300 Ом);
4)в случае, если сопротивление R1 выходит за рамки рекомендуемых
значений, задаться новым значением Iд;
|
|
|
5) |
рассчитать |
сопротивление |
резистора R2 по формуле: |
||||||||||||||
Uвх IN |
|
DA |
|
Uвых |
R2= (Uвых − Uст DA)/Iд; |
|||||||||||||||
|
|
|
|
|
|
OUT |
|
|
В расчетных соотношениях не учи- |
|||||||||||
|
ИС |
|
||||||||||||||||||
+ |
|
|
|
|
|
|
|
|
|
+ |
тывается Iп, точную величину которого |
|||||||||
|
|
|
|
|
|
|
|
|
|
|
|
|
|
|||||||
+ |
|
COM |
|
R1 |
|
|
+ |
|
|
|
определить сложно в силу разброса зна- |
|||||||||
|
|
|
|
|
|
|
|
|
|
|
||||||||||
|
|
|
|
|
|
|
|
|
|
|
|
|
|
|
|
|
|
|
чений данного параметра для ИС одного |
|
C1 |
|
|
|
|
|
|
|
|
|
|
|
C2 |
|
|
|
|||||
|
|
|
|
|
|
|
|
|
|
|
|
|
и того же типономинала, и зависимости |
|||||||
|
|
|
|
|
|
|
|
|
|
R2 |
|
|
|
|
|
Iп от режима работы стабилизатора. По- |
||||
|
|
|
|
|
|
|
|
|
|
|
|
|
|
|
||||||
|
|
|
|
|
|
|
|
|
|
|
|
|
|
|
|
|
|
|
этому для повышения точности расчетов |
|
|
|
|
|
|
|
|
|
|
|
|
|
|
|
|
|
|
|
|
Iд берется в несколько раз больше Iп. Од- |
|
|
|
|
|
|
|
|
|
|
|
|
|
|
|
|
|
|
|
|
||
|
|
|
|
|
|
|
|
|
|
|
|
|
|
|
|
|
|
|
нако даже при значительном преоблада- |
|
|
Рис. 2.63. Регулирование Uвых с |
|||||||||||||||||||
|
нии Iд над Iп для установки точного зна- |
|||||||||||||||||||
|
помощью делителя напряжения. |
|||||||||||||||||||
|
|
|
||||||||||||||||||
чения Uвых может понадобиться подрегулировка (например, подбор резистора R2), так как имеет место разброс
значений R1, R2 и UстDA (например, напряжение стабилизации отечественной микросхемы К142ЕН8Е равно 15± 0,60 В).
Рассмотрим конкретный пример. Пусть необходимо рассчитать сопротивление резисторов R1 и R2 схемы (рис. 2.63) для ИС 142ЕН5А при
Uвых=10 В (Iп≈ 10 мА, Uст DA=5 В). Задавшись Iд = 40 мА, получим:
R1=5 В/40 мА=125 Ом и R2=(10 В – 5 В)/40 мА=125 Ом. При этом допустимая рассеиваемая мощность обоих резисторов должна быть не менее 0,25 Вт.
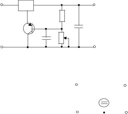
Более сложная схема регулирования Uвых показана на рис. 2.64.
На вход DA поступает нестабилизированное выпрямленное напряжение, а на вывод СОМ ИС подается сигнал с выхода схемы регулируемый переменным резистором R2 и усиленный по току транзистором VT.
Падение напряжения на резисторе R1: UR1=UстDA+UбэVT, а ток, протекающий через него: IR1=UR1/R1. Учитывая, что Uвых=UR1+UR2 получим:
|
|
Uвых = (UстDA + |
UбэVT ) |
R1 |
+ R 2 |
|
. |
|
|
|
|
R1 |
|
||||
|
|
|
|
|
|
|
||
Таким образом, минимальное выходное напряжение |
схемы равно |
|||||||
UстDA+UбэVT, |
а |
максимальное |
определяется |
|
сопротивлением |
|||
R2 (Uвых≤ Uвх−∆ U, где ∆ U – необходимый минимальный перепад напряжений вход-выход для данного ИС).
DA |
|
|
|
+Uвх IN |
OUT |
|
+U |
ИС |
|
|
вых |
|
|
|
|
COM |
|
R1 |
+ |
VT |
|
С2 |
|
С1+ |
|
|
|
|
R2 |
|
Рис.2.64. Регулирование Uвых с использованием транзистора.
Во всех схемах |
с трехвыводными |
|
|
IN |
|
DA |
OUT |
|||||||
стабилизаторами выходное напряжение |
|
|
|
ИС |
||||||||||
|
|
|
|
|
|
|
||||||||
+Uвх |
|
|
|
|
||||||||||
не могло быть ниже напряжения стабили- |
|
+Uвых |
||||||||||||
|
|
|
|
|
|
|||||||||
зации самого ИС. Если необходимо по- |
|
|
COM– |
|
|
|
|
|
|
|||||
|
|
|
|
|
|
|||||||||
лучить Uвых<Uст DA, то можно поменять |
|
|
Uоп |
+ |
|
|
|
|
|
|
|
|||
полярность напряжения в цепи вывода |
|
|
|
|
|
|
|
|
|
|
|
|||
|
|
|
|
|
|
|
|
|
|
|
|
|||
СОМ ИС (рис. 2.65). |
|
|
|
|
|
|
|
|
|
|
|
|
|
|
|
|
|
|
Рис. 2.65. Получение |
||||||||||
Для схемы (рис.2.65) Uвых = Uст DA − |
Uоп. |
|
|
|||||||||||
|
|
|
|
|
Uвых<UстDA в схеме |
|||||||||
Функциональное |
изменение |
вы- |
|
|
с трехвыводным ста- |
|||||||||
ходного напряжения. |
Если по опреде- |
|
|
билизатором. |
||||||||||
|
|
|
|
|
|
|
|
|
|
|
|
|||
ленному закону изменять потенциал вывода СОМ ИС относительно общего провода схемы, можно осуществлять функциональное управление вы-
ходным напряжением. |
В качестве примера рассмотрим схему |
(рис. 2.66). Выходное |
напряжение в момент включения схемы равно |
UстDA+Uкэ нас, где Uкэ нас – напряжение между коллектором и эмиттером транзистора VT в режиме насыщения. В момент включения схемы конденсатор С2 начинает заряжаться через резистор R3, падение напряжения на котором является прямым для эмиттерного перехода транзистора. Транзистор VT открывается и шунтирует резистор R2. Затем по мере заряда конденсатора С2 сопротивление перехода коллектор-эмиттер транзистора увеличивается, и выходное напряжение возрастает (рис. 2.67).
Максимальное выходное напряжение задается резисторами R1 и R2.
Время «установления» выходного напряжения tуст задается величинами сопротивления R3 и емкости С2. Стабилизатор (рис. 2.66) может использоваться для «щадящего» включения нагрузки с плавным выходом на рабочее напряжение.
DA
+Uвх |
|
|
IN |
|
|
|
|
OUT |
|
|
|
|
|
|
|
+U |
||||||
|
|
|
|
|
|
|
||||||||||||||||
. |
|
|
|
|
ИС |
|
|
|
|
|
|
|
|
|
|
|
|
|
вых |
|||
|
|
|
|
R1 |
|
|
|
|
|
|
|
|
|
|
|
|
|
|||||
|
|
|
|
|
|
|
|
|
|
|
|
|
|
|
|
|
|
|
|
|
||
|
|
|
|
COM |
|
|
|
|
|
|
|
|
|
|||||||||
+ |
|
|
|
|
|
|
|
|
|
|
|
|
+ |
|
|
|
||||||
|
|
|
|
|
|
|
|
|
|
|
|
|
|
|
||||||||
С1 |
|
|
|
|
|
|
|
|
|
|
|
|
|
|
|
|
|
|
|
|
||
|
|
|
|
|
|
|
|
|
|
|
|
|
|
|
|
|
С3 |
|
|
|
||
|
|
|
|
|
|
|
|
|
|
|
R3 |
|
||||||||||
|
|
|
|
|
|
|
|
|
|
|
|
|
|
|
|
|
|
|
||||
|
|
|
|
|
|
|
|
|
|
|
|
|
|
|
|
|
|
|
|
|
||
|
|
|
|
|
|
|
|
|
|
|
|
|
|
|
|
|
|
|
|
|
||
|
|
|
|
|
R2 |
|
|
VT |
|
|
|
|
|
|
|
|
|
|
|
|
||
|
|
|
|
|
|
|
|
|
|
|
|
|
|
|
|
|
||||||
|
|
С2 |
+ |
|
|
|
|
|
|
|
||||||||||||
|
|
|
|
|
|
|
|
|
|
|
|
|
|
|
|
|
|
|
|
|
|
|
|
|
|
|
|
|
|
|
|
|
|
|
|
|
|
|
|
|
|
|
|
|
|
|
|
|
|
|
|
|
|
|
|
|
|
|
|
|
|
|
|
|
|
|
|
|
Рис. 2.66. Функциональное изменение выходного напряжения.
Uвых 
Uвых макс









UстDA + Uкэнас















tуст
t
Рис. 2.67. Временная диаграмма изменения выходного напряжения схемы (рис. 2.66).
Повышение нагрузочной способности интегральных стабилизаторов. Максимальный выходной ток ИС ограничен (типовое значение 1 – 2 А). При необходимости получения больших выходных токов дополнительно к ИС подключают мощные проходные транзисторы (рис. 2.68).
Отечественной и зарубежной промышленностью выпускаются ИС с выходным током до 5 – 10 А. Однако они относительно дороги, и использование их затруднительно, так как максимальная рабочая температура для таких кристаллов меньше, чем для мощных транзисторов, а допустимая рассеиваемая мощность отличается от аналогичного параметра для транзисторов примерно на порядок.
Сопротивление резистора R выбирается таким, чтобы при некотором
значении выходного тока Iвкл, например 100 мА, падение напряжения на нем было достаточно для открывания транзистора VT. При токах нагрузки
менее Iвкл схема работает как обычно. Транзистор VT закрыт, и весь ток нагрузки протекает через стабилизатор. При токе нагрузки Iн более Iвкл
транзистор VT открывается, и через него начинает протекать ток, величина которого равна: Iк=Iн− Iвкл.
Трехвыводный стабилизатор поддерживает заданное значение Uвых, а необходимый ток нагрузки обеспечивается в основном транзистором. ИС при этом даже «не знает» истинного значения тока нагрузки.
VT
|
|
|
|
|
|
|
|
|
|
DA |
|
|
|
|
+Uвх |
|
R |
|
|
|
|
IN |
OUT |
+U |
|||||
|
|
|
|
|
||||||||||
|
|
|
|
|
||||||||||
|
|
|||||||||||||
|
|
|
|
|
|
|
|
|
|
ИС |
|
|
вых |
|
|
|
|
|
|
+ |
|
|
|
+ |
|
|
|||
|
|
|
|
|
|
|
|
|
|
|
|
|||
|
|
|
|
С1 |
|
|
COM |
|
С2 |
|
|
|||
|
|
|
|
|
|
|
|
|
||||||
|
|
|
|
|
|
|
|
|
|
|
||||
|
|
|
|
|
|
|
|
|
|
|
|
|
|
|
Рис. 2.68. Использование внешнего проходного транзистора для повышения нагрузочной способности ИС.
Схема (рис. 2.68) не содержит никаких цепей защиты транзистора от короткого замыкания в нагрузке. Короткое замыкание выхода схемы является самым тяжелым режимом работы для мощного транзистора, через который в этом случае протекает самый большой ток, а падение напряжения
на его переходе коллектор-эмиттер достигает величины Uвх. Для защиты проходного транзистора от короткого замыкания в нагрузке используют схему ограничения выходного тока (рис. 2.69).
+Uвх |
|
|
|
|
R1 |
|
|
|
|
|
|
|
|
|
|
|
||||||
|
|
|
|
|
|
|
|
|
|
|
|
|
|
|
|
|
|
|
|
|
|
|
|
|
|
|
|
|
|
|
|
|
|
|
|
VT2 |
|
|
|
|
|
||||
|
|
|
|
|
|
VT1 |
|
|
|
|
|
|
|
|
|
|||||||
|
|
|
|
|
|
|
|
|
|
|
|
|
|
|
||||||||
|
|
|
|
|
|
|
|
|
|
|
|
|
|
|
|
|
|
|
||||
|
|
|
|
|
|
|
|
|
|
|
|
|
|
DA |
|
|
|
|
|
|||
|
|
|
|
|
|
|
|
|
|
|
|
|
|
|
|
|
|
|
||||
|
|
|
|
|
|
|
R2 |
|
|
|
IN |
OUT |
|
|
+Uвых |
|||||||
|
|
|
|
|
|
|
|
|
|
|
|
|
|
|
||||||||
|
|
+ |
ИС |
|||||||||||||||||||
|
|
|
|
|
|
|
|
|
|
|
|
|||||||||||
|
|
|
|
|
|
|
|
|
|
|
|
|
+ |
|
|
|
||||||
|
|
|
|
|
|
|
|
|
|
|
|
|
|
|
|
|||||||
|
|
|
|
|
|
|
|
|
|
|
|
|
|
|
|
|
|
|
|
|||
|
|
|
|
С1 |
|
COM |
С2 |
|
||||||||||||||
|
|
|
|
|
|
|
|
|
|
|
||||||||||||
|
|
|
|
|
|
|
|
|
|
|
|
|
|
|
|
|||||||
|
|
|
|
|
|
|
|
|
|
|
|
|
|
|
|
|
|
|
|
|
|
|
|
|
|
|
|
|
|
|
|
|
|
|
|
|
|
|
|
|
|
|
|
|
|
Рис. 2.69. Ограничение выходного тока в схеме с проходным транзистором.
Если значение выходного тока не превышает заданного предельного значения, падение напряжения на резисторе R1 мало, транзистор VT1 закрыт и схема функционирует аналогично стабилизатору (рис. 2.68). При
увеличении тока нагрузки до заданного предельного значения транзистор |
|||||||||||
VT1 открывается падением напряжения на резисторе R1, его переход кол- |
|||||||||||
лектор-эмиттер шунтирует эмиттерный переход проходного транзистора, |
|||||||||||
VT2 закрывается, и величина его коллекторного тока уменьшается. |
|
||||||||||
Рассмотрим конкретный числовой пример. Пусть необходим стабили- |
|||||||||||
затор с Uвых = 5 В при токе до 5 А. Входное |
напряжение равно 15 В. Вы- |
||||||||||
берем |
проходной транзистор VT2 (рис. 2.69), способный при коротком за- |
||||||||||
мыкании выхода рассеивать мощность: |
|
|
|
|
|||||||
Pрас.кз = |
|
Uвх Iвых.макс. = 15В 5А = 75Вт . |
|
|
|
||||||
Следовательно, с учетом некоторого запаса необходим транзистор с |
|||||||||||
допустимой мощностью рассеяния 90 – 100 Вт. Этому условию удовлетво- |
|||||||||||
ряет биполярный транзистор проводимости p-n-p КТ818А |
|
(Pрас |
|||||||||
макс=100Вт, h21э=15 при Iк=5А, Iк макс=15А, Uбэ=0,9В при Iк=5А). Опреде- |
|||||||||||
лим необходимый базовый ток VT2 Iб2 при величине его коллекторного |
|||||||||||
тока Iк2, равной 5 А: Iб2=Iк2/h21э≈ 0,33 А. Ток выхода ИС Iвых выберем с |
|||||||||||
таким избытком, чтобы он перекрывал возможные отклонения параметров |
|||||||||||
элементов |
и |
|
напряжения |
Uбэ2. Пусть этот |
запас равен 20 |
% , |
тогда |
||||
Iвых=1,2 Iб2, а ток протекающий через резистор R2 равен 0,2 Iб2. Поэтому |
|||||||||||
R2=Uбэ2/(0,2 Iб2)=0,9 В/(0,2 0,33)=13,5 Ом. |
|
|
|
|
|||||||
В качестве VT1 можно взять биполярный транзистор средней |
|||||||||||
мощности |
проводимости |
p-n-p |
типа |
КТ816А |
(Iк=2А |
> |
Iб2, |
||||
Pрас.макс=20 Вт >Uвх Iб2 ≈ |
15 0,3 ≈ 4,5 Вт, Uбэ=0,7 В при |
Iк≈ 0,4 А). Следо- |
|||||||||
вательно, R1=Uбэ1/Iвых пор, где Iвых пор=5 А – максимальный допустимый |
|||||||||||
выходной ток. R1=0,7/5≈ 0,14 Ом. Таким образом, для схемы (рис. 2.67) с |
|||||||||||
требуемыми |
параметрами |
можно |
использовать следующие элементы: |
||||||||
R1≈ 0,15 Ом, R2≈ 15 Ом, VT1 – КТ816А, VT2 – КТ818А. |
|
|
|
||||||||
Диодная защита ИС. При наличии в выходной цепи ИС конденса- |
|||||||||||
тора емкостью не менее 5 – 10 мкФ и коротком замыкании на входе стаби- |
|||||||||||
лизатора, наблюдается кратковременный бросок тока большой силы. Про- |
|||||||||||
исходит это вследствие разряда выходного конденсатора через цепи ИС в |
|||||||||||
направлении от вывода OUT к выводу IN. Величина этого импульса тока |
|||||||||||
|
|
VD |
|
|
|
может достигать единиц и |
десятков |
||||
|
|
|
|
|
ампер, что приводит к повреждению |
||||||
|
|
|
DA |
|
|
||||||
|
IN |
+Uвых |
ИС. С целью защиты ИС от выхода из |
||||||||
+Uвх |
|
OUT |
строя в подобной ситуации, |
его шун- |
|||||||
|
|
|
|||||||||
+ |
|
|
ИС |
|
|
тируют диодом (рис. 2.70). |
|
|
|||
|
COM |
+ |
|
|
|
|
|||||
С1 |
|
С2 |
|
|
В случае короткого замыкания на |
||||||
|
|
|
|
|
|
|
входе выходной конденсатор С2 раз- |
||||
|
|
|
|
|
|
|
ряжается |
через |
шунтирующий |
||
Рис. 2.70. Диодная защита. |
|
|
диод VD. |
|
|
|
|
||||
|
|
|
|
|
|
|
|||||