Материал: Источники питания РЭА

Внимание! Если размещение файла нарушает Ваши авторские права, то обязательно сообщите нам

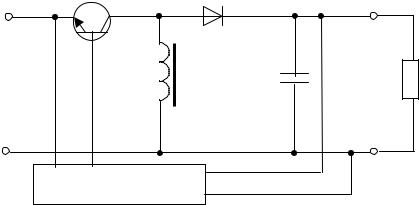
Инвертирующий стабилизатор. На рис.3.14. представлена схема стабилизатора, который изменяет полярность входного напряжения. При этом, как в схеме (рис.3.12.), выходное напряжение может превысить по величине напряжение на входе стабилизатора.

 

 

 

 

+

 

 

VT1

VD

 

 

 

 

 

 

 

+

 

 

 

 

L

 

 

Rн

 

 

С

U

н

 

 

 

 

 

+

Схема управления

Рис.3.14. Инвертирующий стабилизатор.

При открытом состоянии регулирующего транзистора дроссель накапливает электромагнитную энергию. Диод VD при этом закрыт, нагрузка вместе с конденсатором фильтра отключена от источника питания. Переключение регулирующего транзистора в закрытое состояние сопровождается открыванием диода VD и переходом энергии, накопленной в дросселе, в конденсатор фильтра С и нагрузку. Полярность выходного напряжения при этом оказывается противоположной полярности входного напряжения.

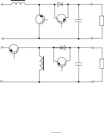
Защита импульсивных стабилизаторов от перенапряжения на выходе. При работе в режиме холостого хода (Rн=) или при малых нагрузках напряжение на выходе импульсного стабилизатора (рис.3.10) равно входному напряжению Uвх, тогда как для повышающего (рис.3.12) и инвертирующего (рис.3.14) стабилизаторов оно может значительно превысить нормативное значение.

Один из способов защиты стабилизаторов от перенапряжения на выходе показан на рис.3.15. Как видно из рис.3.15, параллельно диоду подключается дополнительный транзистор VT2, обеспечивающий протекание тока в направлении противоположном току этого диода. Дополнительный транзистор управляется в противофазе с регулирующим транзистором VT1 и дает возможность протекания тока в дросселе фильтра в противоположном направлении под действием колебательного процесса в фильтре.

Пульсации выходного напряжения. В стабилизаторе (рис.3.10)

пульсации выходного напряжения обратно пропорциональны произведению индуктивности дросселя фильтра и емкости его конденсатора. Эти пульсации могут быть уменьшены посредством увеличения как L так и С.

VD

+L

а

Uвх

VT1

 

 

+

 

 

 

 

Rн

 

 

 

VT2

 

С

 

 

 

 

 

 

 

 

 

 

 

 

 

VD

 

 

 

+

 

 

 

 

 

 

VT1

 

С

 

 

б Uвх

L

 

Rн

 

 

+

 

 

 

 

 

VT2

Рис.3.15. Импульсивные стабилизаторы с защитой от перенапряжения на выходе а - повышающий стабилизатор; б - инвертирующий стабилизатор.

Для стабилизатора (рис.3.12 и 3.14) пульсации выходного напряжения пропорциональны току нагрузки и не зависят от индуктивности фильтра и могут быть уменьшены только за счет увеличения емкости конденсатора фильтра:

Uп = ICн fγ ,

где Uп - напряжение пульсаций на выходе стабилизатора; f- частота преобразования.

Как правило, для достижения одинакового уровня пульсаций выходного напряжения в фильтре стабилизатора (рис.3.10) требуется конденсатор существенно меньшей емкости, чем в стабилизаторах (рис.3.12. и 3.14).

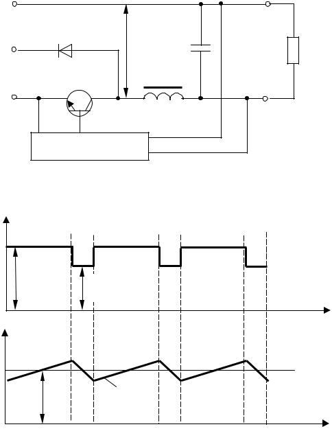
Стабилизатор с частичной модуляцией. Кроме рассмотренных выше импульсивных стабилизаторов находят применение стабилизаторы с частичной модуляцией (рис.3.16).

В стабилизаторе осуществляется режим частичной модуляции импульсов напряжения на входе сглаживающего фильтра Uф (рис.3.17).

+

 

 

+

 

 

U

VD

+

 

 

 

вх1

 

 

 

+

Uф

С

U

R

н

 

н

 

Uвх2

VT

 

 

 

 

 

 

 

 

 

 

L

 

 

 

 

Схема управления

 

 

 

 

Рис.3.16. Импульсный стабилизатор с частичной модуляцией

 

 

импульсов напряжения на входе сглаживающего фильтра.

 

 

Uф

Uвх1+Uвх2

Uвх1

 

t

Iн, IL

Iн

IL

 

t

Рис.3.17. Временные диаграммы работы схемы на рис.3.16.

При закрытом состоянии регулирующего транзистора напряжение Uф

равно Uвх1, а при его открывании увеличивается до Uвх1+Uвх2. Стабилизатор на рис.3.16 по сравнению со стабилизатором на рис.3.10 характеризуется значительно лучшим использованием сглаживающего фильтра. Для этого стабилизатора требуемые значения произведения LC определяется выражением:

LC

U

вх2

γ

(1

γ )

.

 

8 f 2Uп

 

 

 

 

 

3.3. Применение ИМС для импульсных источников питания.

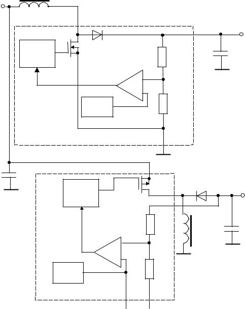
Отечественной и зарубежной промышленностью выпускается значительное число типономиналов ИМС, предназначенных для построения импульсных ИП. Как уже отмечалось ранее, применение ИМС значительно упрощает задачу построения источников питания РЭА. Так, например, понижающий импульсный стабилизатор (рис.3.10) может быть достаточно просто реализован на микросхеме МАХ638 фирмы Maxim (рис.3.18).

+12 В

220 мкГн

 

5

 

6

L

+5 В

Генератор

VD

 

1N914

 

65 кГц

 

 

 

 

1

 

 

+

100

С

мкФ

+

 

 

Uоп

 

 

+1,31 В

 

 

MAX638

4

 

 

 

Рис.3.18. Понижающий стабилизатор на ИМС МАХ638.

Микросхема МАХ638 поддерживает постоянный уровень выходного напряжения +5В (без внешнего делителя напряжения). При подключении внешнего резистивного делителя получается достаточно простой импульсный стабилизатор регулируемого положительного напряжения.

МАХ638 имеет встроенный генератор, работающий на постоянной частоте 65 кГц. Причем дифференциальный усилитель рассогласования либо подключает, либо отключает импульсы управления затвором МОПтранзистора в соответствии с выходным напряжением. КПД схемы примерно равен 85% и практически не зависит от входного напряжения.

Стабилизатор (рис.3.18) может быть использован, например, для преобразования напряжения автомобильной аккумуляторной батареи (от +10 до +15 В) в напряжении +5 В, для питания различных маломощных устройств (максимальный выходной ток 100 мА).

На рис.3.19 представлена схема двуполярного импульсного источника питания, собранного на повышающем (МАХ633) и инвертирующем (МАХ637) импульсных интегральных стабилизаторах. Такой источник питания может быть использован, например, для питания схем с операцион-

ными усилителями, большинство из которых питается двуполярным напряжением ± 15В.

+12 В

L1 500 мкГн

 

 

 

 

 

 

 

 

+15 В

 

Гене-

+

100

 

ратор

С2

 

 

 

мкФ

+

Uоп

MAX633

С1

10

 

 

 

 

 

мкФ

Гене-

VD 1N914

-15 В

 

 

ратор

 

 

 

 

 

 

L2

С4

100

 

 

50

+

мкФ

 

 

мкГн

 

 

+

Uоп

MAX637

С3

 

 

 

 

 

 

0,

1

 

 

 

 

 

 

 

мкФ

Рис.3.19. Двуполярный источник питания на импульсных интегральных стабилизаторах

Преобразователи напряжения с переключаемыми конденсато-

рами. Принцип действия преобразователя с переключаемыми конденсаторами поясняет рис.3.20, где представлена упрощенная схема ИМС ICL7662 фирмы Intersil с двумя внешними конденсаторами С1 и С2. ICL7662 имеет внутренний генератор и несколько ключей на МОП-транзисторах. Входная и выходная пары ключей управляются в противофазе.