Материал: Исследование вольтамперных характеристик диодов и транзисторов

Внимание! Если размещение файла нарушает Ваши авторские права, то обязательно сообщите нам

Основные параметры биполярных транзисторов можно измерять следующим способом. Обратный ток коллектора транзистора структуры p-n-p измеряется по определенной схеме, а структуры n-p-n по другой схеме. Обратное напряжение от источника приложено к коллекторному переходу транзистора, эмиттер которого остается свободным. Протекающий через переход обратный ток коллектора измеряется микроамперметром, защищенным от перегрузок ограничительным резистором. При комнатных температурах обратный ток не превышает нескольких микроампер у маломощных и десятков микроампер у мощных. Начальный ток коллектора измеряется так - между базой и эмиттером транзистора включается резистор, сопротивление которого варьируется в пределах от 500-1000 Ом для маломощных, и от 0 - 2 Ом для маломощных транзисторов. Измеряемый микроамперметром, который защищен от перегрузок ограничительным резистором, начальный ток коллектора маломощных транзисторов при комнатных температурах составляет единицы, а мощных - десятки микроампер.

Статическим коэффициентом передачи тока в схеме с общим эмиттером называется отношение постоянного тока коллектора к постоянному току базы при заданных постоянном обратном напряжении коллектор-эмиттер и токе эмиттера в схеме с общим эмиттером.

.6 Исследование вольтамперных характеристик биполярного транзистора

Структура транзистора n-p-n типа и схема включения его в электрическую цепь по схеме с общим эмиттером (ОЭ). При работе транзистора в активном режиме (режиме усиления) к эмиттерному p-n-переходу должно быть подключено прямое напряжение, а к коллекторному - обратное.

Рис. 25 (биполярный транзистор и схема его включения с ОЭ)

Схема с ОЭ является наиболее распространенной, поскольку обладает наилучшими свойствами усиления мощности электрического сигнала. При включении транзистора по схеме с ОЭ входной является цепь базы, а выходной - цепь коллектора (эмиттер является общим электродом для входной и выходной цепей).

Входной характеристикой транзистора в схеме с ОЭ является зависимость тока базы IБ от напряжения база-эмиттер UБЭ, а выходной - зависимость тока коллектора IК от напряжения коллектор-эмиттер UКЭ.

Семейство входных характеристик IБ (UБЭ) при UКЭ =const изображено на рис. 26, а. При UКЭ=0 входная ВАХ имеет вид прямой ветви ВАХ электронно-дырочного перехода, поскольку эмиттерный переход (ЭП) и коллекторный переход (КП) при этом смещены в прямом направлении и соединены параллельно друг другу ( и внутреннее сопротивление этой ЭДС равно нулю). При UКЭ>0 входная ВАХ смещена вправо вследствие дополнительного падения напряжения на ЭП от протекающего по транзистору коллекторного тока. Это падение напряжения существует даже при отсутствии тока базы и соответствует участку "о-а" на рис. 26, а. б.

Рис. 26 (семейства ВАХ транзистора в схеме с ОЭ: а - входных; б - выходных)

При уменьшении UБЭ до нуля (выводы базы и эмиттера соединены между собой), ток базы является обратным током КП и направлен противоположно указанному на рис. 26 (участок "о-б" на рис. 26, а). Однако этот отрицательный ток базы незначителен, и практически его бывает трудно зафиксировать.

Семейство выходных характеристик Iк (UКЭ) при IБ = const изображено на рис. 26, б. При IБ =0 выходная ВАХ имеет вид обратной ветви ВАХ электронно-дырочного перехода, увеличенной в (β+1) раз (где β - коэффициент передачи тока), поскольку КП при этом смещен в обратном направлении. При увеличении тока базы выходные ВАХ смещаются вверх на величину β1Б.

Характеристикой передачи тока транзистора в схеме с ОЭ является зависимость тока коллектора Iк от тока базы IБ при фиксированном напряжении коллектор-эмиттер UКЭ. Семейство характеристик передачи тока транзистора в схеме с ОЭ изображено на рис. 27.

Рис. 27 (семейство передаточных характеристик транзистора в схеме с ОЭ)

Передаточные характеристики тока показывают, что при изменении небольшого по абсолютной величине (микроамперы) тока базы практически пропорционально изменяется значительный ток коллектора (миллиамперы), то есть в транзисторе происходит процесс усиления электрического сигнала. Некоторая нелинейность характеристик передачи тока транзистора в схеме с ОЭ приводит к нелинейным искажениям усиленного сигнала. Следует отметить, что передаточные характеристики могут быть построены без специальных измерений. Для этого можно определить соответствующие параметры по семействам входных и выходных характеристик.

Коэффициент передачи тока на выходе для переменного тока определяется по формуле.

(1)

Коэффициент обратной связи по напряжению на входе для переменного тока определяется по формуле.

(2)

Соответствующие приращения токов и напряжений определяются по характеристикам транзистора при заданном режиме его работы.

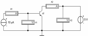
Далее представляется схема включения транзистора собранная при помощи программы EWB (рис. 28).

Амперметр А1 измеряет ток базы IБ, вольтметр V1 - напряжение база-эмиттер UБЭ, вольтметр V2 - напряжение UКЭ, а амперметр A2 - ток коллектора Iк транзистора.

Рис. 28 (схема биполярного транзистора, построенная в программе EWB)

В течение месяца подготовки к дипломной работе, я осваивал программу Protel 2.04. Она позволила нам спроектировать биполярный транзистор NPN - типа и вывести его семейство ВАХ.

Рис. 29 (модулирование биполярного транзистора NPN - типа в программе Protel 2.04)

Рис. 30 (полученное семейство ВАХ биполярного транзистора при помощи программы OrCAD)

Рис. 31 (модулирование биполярного транзистора PNP - типа в программе Protel 2.04, маломощной модели транзистора КТ361)

Рис. 32 (полученная ВАХ биполярного транзистора малой мощности КТ361 при помощи программы OrCAD)

.7 Исследование характеристик МДП транзистора

Современная микроэлектроника в основном базируется на приборах со структурой металл-диэлектрик-полупроводник (МДП), что связано с простотой планарной технологии, обеспечивающей в тоже время высокую степень интеграции микросхем при малых токах потребления.

Вольтамперная характеристика идеального МДП транзистора, полученная в приближении плавного канала при учете только дрейфовой составляющей тока и ряде других предположений может быть записана в виде:

 (1)

где Z - ширина канала,- длина канала,

μ - подвижность носителей заряда,- емкость подзатворного диэлектрика,- напряжение на затворе,- напряжение на стоке,- пороговое напряжение.

Физической основой работы МДП-транзистора является эффект поля, который состоит в изменении концентрации свободных носителей заряда в приповерхностной области полупроводника под действием внешнего электрического поля.

В структурах металл - диэлектрик - полупроводник внешнее поле обусловлено приложенным напряжением на металлический электрод (затвор) относительно полупроводниковой подложки. В зависимости от знака и величины приложенного напряжения различают три состояния при поверхностной области полупроводника.

1.      Обогащение основными носителями. Этому состоянию соответствует знак напряжения на металлическом электроде (затворе), притягивающий основные носители (для n -типа, VG > 0).

2.      Обеднение основными носителями. Этому состоянию соответствует небольшое по величине напряжение, отталкивающее основные носители (для n -типа, VG < 0).

.        Инверсия типа проводимости. Такому состоянию соответствует большое по величине напряжение на затворе, соответствующее значительным изгибам зон и вызывающее обогащение поверхности неосновными носителями заряда (для n -типа, VG << 0).

Когда на поверхности полупроводника сформировался инверсионный канал, величина концентрации неосновных носителей заряда (дырок) в инверсионных каналах равна концентрации основных носителей (электронов) в объеме полупроводника. При этом величина поверхностного потенциала ψs равна ψs = 2φo , где φo - расстояние от середины запрещенной зоны до уровня Ферми в квазинейтральном объеме. Изменяя величину напряжения на затворе, можно менять концентрацию дырок в инверсионном канале, и тем самым модулировать его проводимость. При этом дырки в канале отделены от свободных носителей в объеме полупроводника областью пространственного заряда.

Рассмотрим полевой транзистор со структурой МОП (металл - окисел-полупроводник), схема которого приведена на рис. 33.

Рис. 33 (транзистор МОП)

Основными элементами конструкции МДП-транзистора являются:

1.      две сильно легированные области противоположного с подложкой типа проводимости, сток и исток;

2.      диэлектрический слой, отделяющий металлический электрод, затвор, от полупроводниковой подложки и лежащий над активной областью транзистора, инверсионным каналом, соединяющим сток и исток.

Ток в канале МДП-транзистора, изготовленного на подложке n -типа, обусловлен свободными дырками, концентрация которых r . Электрическое поле Еy обусловлено напряжением между стоком и истоком Vd . Согласно закону Ома плотность тока канала.

(2)

где: q - заряд электрона,

μp - подвижность(x) - концентрация дырок в канале.

Проинтегрируем (2) по ширине z и глубине x канала. Тогда интеграл в левой части (3) дает полный ток канала Id , а для правой получим

(3)

Величина под интегралом есть полный заряд дырок Qp в канале на единицу площади. Тогда

(4)

Найдем величину заряда дырок Q p. Запишем уравнение электронейтральности для зарядов на единицу площади в виде

 (5)

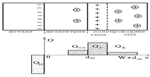
Согласно (4) заряд на металлическом электроде QM уравновешивается суммой зарядов на полупроводнике: свободных дырок Qp и ионизованных доноров QB и встроенных зарядов в окисле Q ox. На рис. 34 приведена схема расположения этих зарядов. Из определения емкости следует, что полный заряд на металлической обкладке QM конденсатора

 (6)

где Vox - падение напряжения на окисном слое, Cox - удельная емкость подзатворного диэлектрика.

Рис. 34 (схема расположения зарядов в активной области МДП - транзистора)  Q B - заряд ионизованных доноров; Q p - заряд свободных дырок; Q ox - заряд, встроенный в окисле; Q M - заряд на металлическом электроде.

Поскольку полное приложенное напряжение V G есть сумма падений напряжения в окисле V ox и в полупроводнике ψs, то

 (7)

где Δφms - разность работ выхода металл-полупроводник, ψs - величина поверхностного потенциала в равновесных условиях, то есть, при Vd = 0.

Из (4), (5) и (6) следует

 (8)

Поскольку в области сильной инверсии при значительном изменении VG величина ψs меняется слабо (условие плавного канала), будем в дальнейшем считать ее постоянной и равной потенциалу начала области сильной инверсии ψs = 2φ0. Введем пороговое напряжение VT = VG · V (y) как напряжение на затворе, соответствующее открытию канала в равновесных условиях Qp (Vd = 0) = 0. Из (8) следует, что

 (9)

Тогда с учетом (9)

 (10)

Подставляя (9) в (3) и проводя интегрирование вдоль канала, при изменении y от 0 до L, а V (y) - от 0 до Vc , получаем

 (11)

Уравнение (12) описывает вольтамперную характеристику полевого транзистора в области плавного канала. Как следует из (11), по мере роста Vd в канале может наступить такой момент, когда произойдет отсечка канала, то есть Qp = 0. Это соответствует условию

(12)

Напряжение на стоке Vd , необходимое для смыкания канала вблизи стока, называется напряжением отсечки, . На рис.35 показаны оба состояния: плавного и отсеченного канала.

а) б) Рис. 35 (схема работы транзистора: а - в области плавного канала, б - в области отсечки)

С ростом напряжения стока Vd точка канала, соответствующая отсечке, сдвигается от стока к истоку. В первом приближении, при этом на участке плавного канала от истока до точки отсечки падает одинаковое напряжение , не зависящее от напряжения исток-сток Vd. Поскольку эффективная длина канала L и ΔL=L-L' L, это обуславливает, в первом приближении, не зависящий от напряжения стока Vd ток стока Id. Подставив (11) в (12) вместо Vd , получаем для области отсечки:

(12)

На рисунке 36 приведены характеристики транзистора Id = f (Vd) при различных напряжениях на затворе (VG), и I d = f (VG) при различных Vd.

а) б)

Рис 36 (характеристики МДП - транзистора)

а) Зависимость тока стока Id от напряжения на стоке Vd при разных VG. Отмечены значения напряжения стока, равные напряжению отсечки ;

б) Зависимость тока стока Id от напряжения на затворе VG в области плавного канала. Пунктиром указано напряжение затвора, соответствующее экстраполированному к нулю значению тока стока.

При приложении напряжения канал-подложка Vbs , расширяющего область пространственного заряда, меняется величина области ионизованных доноров. Из теории p-n перехода следует, что величина заряда QB при смещении канал-подложка Vbs

 (14)

Поскольку величина QB входит в выражение для порогового напряжения VT , то изменение Vbs вызовет соответствующее изменение VT . При этом

 (15)

Зная толщину окисла dox и примерное значение NB (с точностью до порядка) для определения φ0:

 (16)