Материал: Исследование вольтамперных характеристик диодов и транзисторов

Внимание! Если размещение файла нарушает Ваши авторские права, то обязательно сообщите нам

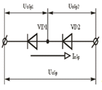
Параллельное соединение диодов применяют в том случае, когда нужно получить прямой ток, больший предельного тока одного диода.

Рис. 4 (ВАХ при параллельном соединении выпрямительных диодов)

Рис. 5 (параллельное соединение выпрямительных диодов)

Но если диоды одного типа просто соединить параллельно, то вследствие несовпадения прямых ветвей ВАХ они окажутся различно нагруженными и, в некоторых прямой ток будет больше предельного

Для выравнивания токов используют диоды с малым различием прямых ветвей ВАХ (производят их подбор) или последовательно с диодами включают уравнительные резисторы с сопротивлением в единицы Ом. Иногда включают дополнительные резисторы (рис. 5) с сопротивлением, в несколько раз большим, чем прямое сопротивление диодов, для того чтобы ток в каждом диоде определялся главным образом сопротивлением Rд, то есть Rд >> rпр вд. Величина Rд составляет сотни Ом.

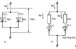
Последовательное соединение диодов применяют для увеличения суммарного допустимого обратного напряжения. При воздействии обратного напряжения через диоды, включенные последовательно, протекает одинаковый обратный ток I обр. однако ввиду различия обратных ветвей ВАХ общее напряжение будет распределяться по диодам неравномерно. К диоду, у которого обратная ветвь ВАХ идет выше, будет приложено большее напряжение. Оно может оказаться выше предельного, что повлечет пробой диодов.

Рис. 6 (изменение характеристик при последовательном соединении)

Рис. 7 (последовательное соединение выпрямительных диодов)

Для того чтобы обратное напряжение распределялось равномерно между диодами независимо от их обратных сопротивлений, применяют шунтирование диодов резисторами. Сопротивления Rш резисторов должны быть одинаковы и значительно меньше наименьшего из обратных сопротивлений диодов Rш << rобр вд, чтобы ток, протекающий через резистор Rш, был на порядок больше обратного тока диодов. Можно рассмотреть на рис.8.

Рис. 8 (шунтирование выпрямительных диодов резисторами.)

.3 Стабилитроны

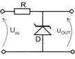
Стабилитрон это полупроводниковый диод, предназначенный для стабилизации напряжения. В отличие от обычных диодов, стабилитрон имеет достаточно низкое напряжение пробоя (при обратном включении) и что самое главное - может поддерживать это напряжение на постоянном уровне при значительном изменении силы обратного тока. Благодаря этому эффекту стабилитроны широко применяются в источниках питания.

Рис. 9. (обозначение стабилитрона на принципиальных схемах)

В стабилитронах, для создания p-n перехода, используются материалы с высокой концентрацией примесей. При относительно небольших обратных напряжениях в p-n переходе возникает сильное электрическое поле, вызывающее его электрический пробой. При этом электрический пробой является обратимым (если конечно не наступит тепловой пробой вследствие слишком большой силы тока).

В основе работы стабилитрона лежат два механизма: лавинный пробой p-n перехода и туннельный пробой p-n перехода. Туннельный пробой p-n перехода в англоязычной литературе называется Эффектом Зенера, поэтому стабилитрон имеет еще одно название как диод Зенера.

Несмотря на схожие результаты действия этих механизмов они различны, хотя и присутствуют в любом стабилитроне совместно, но преобладает только один из них. У стабилитронов до напряжения 5,6 вольт преобладает туннельный пробой с отрицательным температурным коэффициентом, выше 5,6 вольт доминирующим становится лавинный пробой с положительным температурным коэффициентом. При напряжении, равном 5,6 вольт, оба эффекта уравновешиваются, поэтому выбор такого напряжения является оптимальным решением для устройств с широким температурным диапазоном применения.

Рис. 10 (обозначение двуханодного стабилитрона на принципиальных схемах)

Существует большое количество разновидностей стабилитронов:

Стабилитроны отличаются по мощности. Существуют мощные стабилитроны и маломощные стабилитроны. Прецизионные стабилитроны - обладают повышенной стабильностью напряжения стабилизации, для них вводятся дополнительные нормы на временную нестабильность напряжения и температурный коэффициент напряжения (например: 2С191, КС211, КС520). Двусторонние - обеспечивают стабилизацию и ограничение двухполярных напряжений, для них дополнительно нормируется абсолютное значение несимметричности напряжения стабилизации (например: 2С170А, 2С182А).

Быстродействующие - имеют сниженное значение барьерной ёмкости и малую длительность переходного процесса (единицы нс), что позволяет стабилизировать и ограничивать кратковременные импульсы напряжения (например: 2С175Е, КС182Е, 2С211Е).

Рис. 11 (стабилитрон смодулированный в программе Protel, модель D2S147A)

Рис. 12 (ВАХ стабилитрона модели D2S147A, полученного с помощью программы OrCAD)

Рис. 13 (стабилитрон смодулированный в программе Protel, модель D2S211G)

Рис. 14 (ВАХ стабилитрона модели D2S211G, полученного с помощью программы OrCAD.)

Рис. 15 (ВАХ стабилитрона модели D2S211G, после изменения параметров)

Рис. 16 (ВАХ Стабилитрона модели D2S211G, после изменения параметров)

Рис. 17 (ВАХ стабилитрона модели D2S211G, после измененных параметров)

Рис. 18 (ВАХ стабилитрона модели D2S211G, после измененных параметров)

Рис. 19 (ВАХ стабилитрона модели D2S211G, после измененных параметров)

Рис. 20 (ВАХ стабилитрона модели D2S211G, с измененными параметрами)

Рис. 21 (типовая схема включения стабилитрона)

Характеристики стабилитронов:

Напряжение стабилизации - значение напряжения на стабилитроне при прохождении заданного тока стабилизации. Пробивное напряжение диода, а значит, напряжение стабилизации стабилитрона зависит от толщины p-n-перехода или от удельного сопротивления базы диода. Поэтому разные стабилитроны имеют различные напряжения стабилизации (от 3 до 400 В).

Температурный коэффициент напряжения стабилизации - величина, определяемая отношением относительного изменения температуры окружающей среды при постоянном токе стабилизации. Значения этого параметра у различных стабилитронов различны. Коэффициент может иметь как положительные, так и отрицательные значения для высоковольтных и низковольтных стабилитронов соответственно. Изменение знака соответствует напряжению стабилизации порядка 6В.

Дифференциальное сопротивление - величина, определяемая отношением приращения напряжения стабилизации к вызвавшему его малому приращению тока в заданном диапазоне частот.

Максимально допустимая рассеиваемая мощность - максимальная постоянная или средняя мощность, рассеиваемая на стабилитроне, при которой обеспечивается заданная надёжность.

.4 Светодиоды

Светодиод-это полупроводниковый прибор, преобразующий электрический ток непосредственно в световое излучение.

Рис. 22 (строение светодиода)

Так как светодиод является полупроводниковым прибором, то при включении в цепь необходимо соблюдать полярность. Светодиод имеет два вывода, один из которых катод ("минус"), а другой - анод ("плюс") (Рис.22).

Светодиод состоит из полупроводникового кристалла на подложке, корпуса с контактными выводами и оптической системы. Современные светодиоды мало похожи на первые корпусные светодиоды, применявшиеся для индикации. Конструкция мощного светодиода серии Luxeon, выпускаемой компанией Lumileds, схематически изображена на рис.23.

Рис. 23 (светодиод выпускаемый компанией Lumileds)

Принцип работы светодиода заключается в следующем: свечение возникает при рекомбинации электронов и дырок в области p-n-перехода. Значит, прежде всего, нужен p-n-переход, то есть контакт двух полупроводников с разными типами проводимости. Для этого приконтактные слои полупроводникового кристалла легируют разными примесями: по одну сторону акцепторными, по другую - донорными.

Чем больший ток проходит через светодиод, тем он светит ярче. Ведь чем больше ток, тем больше электронов и дырок поступают в зону рекомбинации в единицу времени. Но ток нельзя увеличивать до бесконечности. Из-за внутреннего сопротивления полупроводника и p-n-перехода диод перегреется и выйдет из строя.

Светодиод - низковольтный прибор. Обычный светодиод, применяемый для индикации, потребляет от 2 до 4В постоянного напряжения при токе до 50 мА. Светодиод, который используется для освещения, потребляет такое же напряжение, но ток выше - от нескольких сотен мА до 1А в проекте. В светодиодном модуле отдельные светодиоды могут быть включены последовательно, и суммарное напряжение оказывается более высоким (обычно 12 или 24 В).

При подключении светодиода необходимо соблюдать полярность, иначе прибор может выйти из строя. Напряжение пробоя указывается изготовителем и обычно составляет более 5В для одного светодиода. Яркость светодиода характеризуется световым потоком и осевой силой света, а также диаграммой направленности. Существующие светодиоды разных конструкций излучают в телесном угле от 4 до 140 градусов. Цвет, как обычно, определяется координатами цветности и цветовой температурой, а также длиной волны излучения.

Для сравнения эффективности светодиодов между собой и с другими источниками света используется светоотдача: величина светового потока на один ватт электрической мощности. Также интересной маркетинговой характеристикой оказывается цена одного люмена.

Реакция светодиода на повышение температуры такова: p-n-переход - это "кирпичик" полупроводниковой электронной техники, представляющий собой соединённые вместе два куска полупроводника с разными типами проводимости (один с избытком электронов - "n-тип", второй с избытком дырок - "p-тип"). Если к p-n переходу приложить "прямое смещение", то есть, подсоединить источник электрического тока плюсом к р-части, то через него потечёт ток. Современные технологии позволяют создавать интегральные схемы, содержащие огромное количество p-n переходов на одном кристалле; так, в процессоре Pentium-IV их количество измеряется десятками миллионов.

Нас интересует, что происходит после того, как через прямо смещённый p-n переход пошёл ток, а именно момент рекомбинации носителей электрического заряда - электронов и дырок, когда имеющие отрицательный заряд электроны "находят пристанище" в положительно заряженных ионах кристаллической решётки полупроводника. Оказывается, что такая рекомбинация может быть излучательной, при этом в момент встречи электрона и дырки выделяется энергия в виде излучения кванта света - фотона. В случае безизлучательной рекомбинации энергия расходуется на нагрев вещества. В природе существует как минимум 5 видов излучательной рекомбинации носителей зарядов, в том числе так называемая прямозонная рекомбинация. Впервые это явление в далёкие 20-е годы исследовал О.В. Лосев, наблюдавший свечение кристаллов карборунда (карбид кремния SiC). Для большинства полупроводниковых диодов это явление - просто "побочный эффект", не имеющий практического смысла. Для светодиодов же излучательная рекомбинация - физическая основа их работы.

Говоря о температуре светодиода, необходимо различать температуру на поверхности кристалла и в области p-n-перехода. От первой зависит срок службы, от второй - световой выход. В целом с повышением температуры p-n-перехода яркость светодиода падает, потому что уменьшается внутренний квантовый выход из-за влияния колебаний кристаллической решетки. Поэтому так важен хороший теплоотвод.

Падение яркости с повышением температуры не одинаково у светодиодов разных цветов. Оно больше у AlGalnP- и AlGaAs- светодиодов, то есть у красных и желтых, и меньше у InGaN, то есть у зеленых, синих и белых.

Ток через светодиод нужно стабилизировать.

Рис. 24 (ВАХ светодиодов разных цветов)

Как видно из рисунка 24, в рабочих режимах ток экспоненциально зависит от напряжения, и незначительные изменения напряжения приводят к большим изменениям тока. Поскольку световой выход прямо пропорционален току, то и яркость светодиода оказывается нестабильной. Поэтому ток необходимо стабилизировать. Кроме того, если ток превысит допустимый предел, то перегрев светодиода может привести к его ускоренному старению.

Светодиоды допускается "запитывать" в импульсном режиме, при этом импульсный ток, протекающий через прибор, может быть выше, чем значения постоянного тока (до 150 мА при длительности импульсов 100 мкс и частоте импульсов 1 кГц). Для управления яркостью светодиодов (и цветом, в случае смешения цветов) используется широтно-импульсная модуляция (ШИМ) - метод, очень распространённый в современной электронике. Это позволяет создавать контроллеры с возможностью плавного изменения яркости (диммеры) и цвета (колор-чейнджеры).

Конвертор (в англоязычной терминологии driver) для светодиода - то же, что балласт для лампы. Он стабилизирует ток, протекающий через светодиод.

Яркость светодиодов очень хорошо поддается регулированию, но не за счет снижения напряжения питания - этого-то как раз делать нельзя, - а так называемым методом широтно-импульсной модуляции (ШИМ), для чего необходим специальный управляющий блок (реально он может быть совмещен с блоком питания и конвертором, а также с контроллером управления цветом RGB-матрицы). Метод ШИМ заключается в том, что на светодиод подается не постоянный, а импульсно-модулированный ток, причем частота сигнала должна составлять сотни или тысячи герц, а ширина импульсов и пауз между ними может изменяться. Средняя яркость светодиода становится управляемой, в то же время светодиод не гаснет.

.5 Транзисторы. Описание транзисторов

Транзистор представляет собой полупроводниковый прибор, имеющий два р - n перехода и три внешних вывода: эмиттер, базу и коллектор. Полевые транзисторы имеют обозначения выводов: исток, затвор, сток, которые соответствуют выводам обычного биполярного транзистора: эмиттеру, базе и коллектору.

Транзисторы используют для усиления сигналов высокой, промежуточной и низкой частот, генерирования колебаний, а также в схемах преобразования и переключения сигналов.

Условное обозначение полупроводниковых приборов состоит из пяти элементов: первый - буква или цифра, обозначающая исходный материал прибора (Г или 1 - германий, К или 2 - кремний); для приборов, предназначенных для устройств широкого применения, используются буквы Г - для германиевых приборов, К - для кремниевых; второй - буква, обозначающая класс или группу приборов (Т - транзисторы, Д - выпрямительные и универсальные импульсные диоды, В - варикапы, Ц - выпрямительные столбы и блоки); для полевых транзисторов вместо буквы Т (транзистор) используется буква П (полевой); третий - цифра, указывающая назначение или электрические свойства прибора (группу мощностей); четвертый элемент - двухзначное число (от 01 до 99), указывающее на порядковый номер разработки (для стабилитронов - это двузначное число обозначает напряжение стабилизации); пятый - буква, указывающая разновидность типа из данной группы приборов (обычно применяются буквы А, Б, В, Г и далее по алфавиту).