
Рисунок 6 –Зависимость выпрямленного напряжения от тока нагрузки.
Для того чтобы перейти в инверторный режим необходимо выполнить 2 условия:
Сменить полярность ЭДС двигателя;
Угол регулирования обеспечить в диапазоне 900≤α≤1600, при этом величина
Ud×cos (α) < Е.
Тогда ток будет протекать через тиристоры в том же направлении, но за счет угла регулирования больше чем 900 будет протекать в отрицательные полупериоды питающего напряжения, т.е. в противофазе Uсети. Особенностью инверторного режима является не возможность работать с углами близким к 1800, т.к при этом нарушается з-н коммутации, т.е. открытие следующего тиристора должно обеспечивать закрытие предыдущего. Максимальный угол в режиме инвертирования не должен превышать 1600-1650, в течении которого работавший до переключения тиристор успел закрыться.
Е=-100 В - прерывистый режим


Е=-250 В – гранично-непрерывный


Е=-280 В - непрерывный режим.


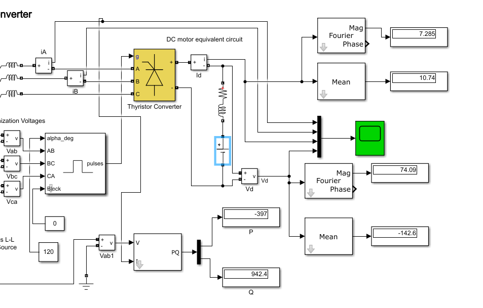
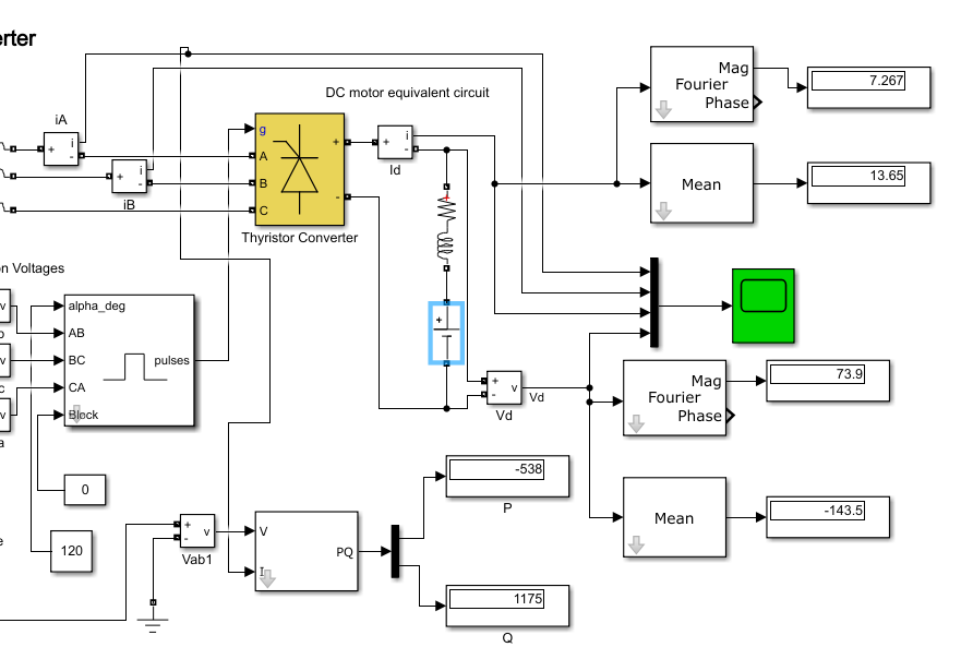
Рассчитать среднее напряжение, которое показывает дисплей при определенном значении тока в режиме Непрерывистого тока 2 режим инверторный Как получить? Как построить характеристику ? ( u берём с положительным знаком, а в I меняем берём с -) Объяснить режимы прерывистого и непрерывного тока и все графики ( почему U снижается и тп..)