Министерство образования и науки Российской Федерации
Федеральное государственное бюджетное образовательное учреждение высшего профессионального образования
Кубанский государственный технологический университет
Кафедра
компьютерных технологий и информационной безопасности
Отчет по лабораторной работе №5
Дисциплина: «Электротехника»
«Исследование
спектральных характеристик колебаний (сигналов)»
Выполнил
Цандо Виталий
Краснодар 2013
Цель работы:
. Изучить особенности и свойства спектрального анализа периодических сигналов в системе компьютерного моделирования.
. Закрепить и совершенствовать практические навыки анализа спектрального состава различных периодических сигналов.
. Привить навыки проведения научных исследований и использования измерительных приборов.
Учебные вопросы:
. Исследование спектрального состава периодической последовательности прямоугольных импульсов.
. Исследование спектрального состава периодической последовательности прямоугольных импульсов при прохождении через дифференцирующую RC-цепь.
. Исследование спектрального состава
периодической последовательности прямоугольных импульсов при прохождении через
интегрирующую RC-цепь.
.
Исследование спектрального состава периодической последовательности
прямоугольных импульсов
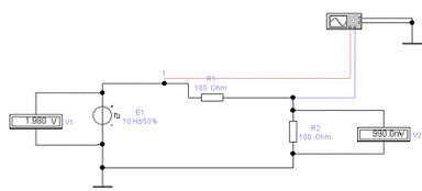
Составим электрическую схему делителя напряжения
и подключим к схеме измерительные приборы (функциональный генератор
однополярных прямоугольных импульсов, осциллограф и вольтметры), как показано
на рисунке 1.1.
Рис. 1.1. Схема для исследования спектрального состава последовательности прямоугольных импульсов
спектральный сигнал импульс компьютерный
Вольтметры V1 и V2 переведены в режим измерения постоянного тока (режим DC)для измерения постоянной составляющей входного и выходного сигналов.
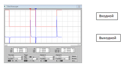
Фиксируем форму входного и выходного сигналов с экрана осциллографа, измерив при этом период входной и выходной импульсных последовательностей, так как это указано на рисунке 1.2.
Для проведения спектрального анализа
(Фурье-анализа) необходимо использовать опцию ANALYSIS.
При указанных в диалоговом окне опциях результаты моделирования (схема на
рисунке 1.1) представлены линейчатым спектром исследуемого сигнала (рис.
1.3а,1.3б) с указанием в его нижней части коэффициента нелинейных искажений в
процентах.
Рис. 1.2. Осциллограммы входного и выходного
сигналов
Рис. 1.3. Спектр исследуемого сигнала при q=2
(а - спектр входного сигнала; б - спектр выходного сигнала)
Установим коэффициент заполнения «DUTYCYCLE»
импульсной последовательности D=20%,
при этом скважность импульсной последовательности q=5,
(коэффициент заполнения - величина обратная скважности импульсной
последовательности) и фиксируем форму входного и выходного сигналов с экрана
осциллографа, так как это показано на рисунке 1.4.
Рис. 1.4. Осциллограммы входного и выходного
сигналов при q=5
При указанных в диалоговом окне опциях
результаты моделирования (схема на рисунке 1.1) представлены линейчатым
спектром исследуемого сигнала, так как показано на рисунках 1.5а, 1.5б.
Рис. 1.5. Спектр исследуемого сигнала при q=5 (а - спектр входного сигнала; б - спектр выходного сигнала)
Установим коэффициент заполнения «DUTYCYCLE»
импульсной последовательности D=10%,
при этом скважность импульсной последовательности q=10,
(коэффициент заполнения - величина обратная скважности импульсной
последовательности) и фиксируем форму входного и выходного сигналов с экрана
осциллографа, так как это показано на рисунке 1.6.
Рис. 1.6. Осциллограммы входного и выходного
сигналов при q=10
При указанных в диалоговом окне опциях
результаты моделирования (схема на рисунке 1.1) представлены линейчатым
спектром исследуемого сигнала, так как показано на рисунках 1.7а, 1.7б.

Рис. 1.7. Спектр исследуемого сигнала при q=10 (а - спектр входного сигнала; б - спектр выходного сигнала)
Результаты исследований занесены в таблице 1.
Таблица 1. Результаты исследований
Частота повторения импульсов F,Гц
Период импульсной после-ти Т, с
Длит-сть импульса, 10
0,1
0,05
1,97
1
2, 4, 6
20
0,983
10
0,1
0,02
0,773
4
5, 10, 15
50
0,383
10
0,1
0,01
0,377
8
10, 20, 30 0,188
Вывод: в результате проведенных
исследований было установлено, что длительность импульса зависит от скважности
и периода 2. Исследование спектрального состава
периодической последовательности прямоугольных импульсов при прохождении через
дифференцирующую RC
цепь
Составим электрическую схему дифференцирующей
RC цепи и подключим к
схеме измерительные приборы (функциональный генератор однополярных
прямоугольных импульсов, осциллограф и вольтметры) как показано на рисунке 2.1.
Рис. 2.1. Схема для проведения исследований
Фиксируем форму входного и выходного сигналов с
экрана осциллографа, измерив при этом период входной и выходной импульсных
последовательностей, так как это указано на рисунке 2.2.
Рис. 2.2. Осциллограммы входного и выходного
сигнала дифференцирующей RC
цепи
Для проведения спектрального анализа
(Фурье-анализа) необходимо использовать опцию ANALYSIS.
При указанных в диалоговом окне опциях результаты моделирования (схема на
рисунке 2.1.) будут представлены линейчатым спектром исследуемого сигнала
(рисунки 2.3а, 2.3б)
Рис. 2.3. Спектр исследуемого сигнала при q=10
(а - спектр входного сигнала; б - спектр выходного сигнала)
Установим коэффициент заполнения «DUTYCYCLE»
импульсной последовательности D=20%,
при этом скважность импульсной последовательности q=5,
(коэффициент заполнения - величина обратная скважности импульсной
последовательности) и фиксируем форму входного и выходного сигналов с экрана
осциллографа, так как это показано на рисунке 2.4.
Рис. 2.4. Осциллограммы входного и выходного
сигналов при q=5
При указанных в диалоговом окне опциях
результаты моделирования (схема на рисунок 2.1) представлены линейчатым
спектром исследуемого сигнала, так как показано на рисунках 2.5а, 2.5б.
Рис. 2.5. Спектр исследуемого сигнала при q=5
(а - спектр входного сигнала; б - спектр выходного сигнала)
Установим коэффициент заполнения «DUTYCYCLE»
импульсной последовательности D=50%,
при этом скважность импульсной последовательности q=2,
(коэффициент заполнения - величина обратная скважности импульсной
последовательности) и фиксируем форму входного и выходного сигналов с экрана
осциллографа, так как это показано на рисунке 2.6.
Рис. 2.6. Осциллограммы входного и выходного
сигналов при q=2
При указанных в диалоговом окне опциях
результаты моделирования (схема на рисунке 2.1) представлены линейчатым
спектром исследуемого сигнала, так как показано на рисунках 2.7а, 2.7б.
Рис. 2.7. Спектр исследуемого сигнала при q=2
(а - спектр входного сигнала; б - спектр выходного сигнала)
Результаты исследований занесены в таблице 2.
Таблица 2. Результаты исследований
Частота повторения импульсов F,Гц
Период импульсной после-тиТ, с
Длит-сть импульса на входе цепи, На выходе цепи
Кол. спектр. сост. В лепестке
Ширина спектра по первому «нулю»
Кол. спектр. сост. В лепестке
Ширина спектра по первому «нулю»
10
0,1
0,01
10-3
9
100
9
100
10
0,1
0,02
10-3
4
50
4
50
10
0,1
0,05
10-3
1
20
1
20
Вывод: в результате исследования спектрального
состава периодической последовательности прямоугольных импульсов при
прохождении через дифференцирующую RC
цепь было выяснено, что при уменьшении скважности уменьшается количество
спектральных составляющих в лепестках и ширина спектра. Также в спектре
выходного сигнала отсутствует постоянная составляющая.
. Исследование спектрального состава
периодической последовательности прямоугольных импульсов при прохождении через
интегрирующую RC цепь
Составим электрическую схему интегрирующейRC
цепи и подключим к схеме измерительные приборы (функциональный генератор
однополярных прямоугольных импульсов, осциллограф и вольтметры) как показано на
рисунке 3.1.
Рис. 3.1. Схема для проведения исследований
Фиксируем форму входного и выходного сигналов с
экрана осциллографа, измерив при этом параметры входной и выходной импульсной
последовательностей, так как это указано на рисунке 3.2.
При указанных в диалоговом окне опциях
результаты моделирования (схема на рисунке 3.1) представлены линейчатым
спектром исследуемого сигнала, так как показано на рисунках 3.4а, 3.4б.
Рис. 3.2. Осциллограммы входного и выходного
сигнала интегрирующейRC
цепи
Рис. 3.3. Спектр исследуемого сигнала при q=2
(а - спектр входного сигнала; б - спектр выходного сигнала)
Установим коэффициент заполнения «DUTYCYCLE»
импульсной последовательности D=20%,
при этом скважность импульсной последовательности q=5,
(коэффициент заполнения - величина обратная скважности импульсной
последовательности) и фиксируем форму входного и выходного сигналов с экрана
осциллографа, так как это показано на рисунке 3.4. Рис. 3.4. Осциллограммы входного и выходного
сигнала интегрирующей RC
цепи
При указанных в диалоговом окне опциях
результаты моделирования (схема на рисунке 3.1) представлены линейчатым
спектром исследуемого сигнала, так как показано на рисунках 3.5а, 3.5б.
Рис. 3.5. Спектр исследуемого сигнала при q=5
(а - спектр входного сигнала; б - спектр выходного сигнала)
Установим коэффициент заполнения «DUTYCYCLE»
импульсной последовательности D=10%,
при этом скважность импульсной последовательности q=10,
(коэффициент заполнения - величина обратная скважности импульсной
последовательности) и фиксируем форму входного и выходного сигналов с экрана
осциллографа, так как это показано на рисунке 3.6.
Рис. 3.6. Осциллограммы входного и выходного
сигнала интегрирующей RC
цепи
При указанных в диалоговом окне опциях
результаты моделирования (схема на рисунке 3.1) представлены линейчатым
спектром исследуемого сигнала, так как показано на рисунках 3.7а, 3.7б.
Рис. 3.7. Спектр исследуемого сигнала при q=10
(а - спектр входного сигнала; б - спектр выходного сигнала)
Проведем такие же опыты для периодической
последовательности треугольных импульсов.
Фиксируем форму входного и выходного сигналов с
экрана осциллографа, измерив при этом параметры входной и выходной импульсной
последовательностей, так как это указано на рисунке 3.8.
Рис. 3.8. Осциллограммы входного и выходного
сигнала интегрирующей RC
цепи
При указанных в диалоговом окне опциях
результаты моделирования (схема на рисунке 3.1) представлены линейчатым
спектром исследуемого сигнала, так как показано на рисунках 3.9, 3.9.
Рис. 3.9. Спектр исследуемого сигнала при q=2
(а - спектр входного сигнала; б - спектр выходного сигнала)
Установим коэффициент заполнения «DUTYCYCLE»
импульсной последовательности D=20%,
при этом скважность импульсной последовательности q=5,
(коэффициент заполнения - величина обратная скважности импульсной
последовательности) и фиксируем форму входного и выходного сигналов с экрана
осциллографа, так как это показано на рисунке 3.10.
Рис. 3.10. Осциллограммы входного и выходного
сигнала интегрирующей RC
цепи
При указанных в диалоговом окне опциях
результаты моделирования (схема на рисунке 3.1) представлены линейчатым
спектром исследуемого сигнала, так как показано на рисунках 3.11а, 3.11б.
Рис. 3.11. Спектр исследуемого сигнала при q=5
(а - спектр входного сигнала; б - спектр выходного сигнала)
Установим коэффициент заполнения «DUTYCYCLE»
импульсной последовательности D=10%,
при этом скважность импульсной последовательности q=10,
(коэффициент заполнения - величина обратная скважности импульсной
последовательности) и фиксируем форму входного и выходного сигналов с экрана
осциллографа, так как это показано на рисунке 3.12.
Рис. 3.12. Осциллограммы входного и выходного
сигнала интегрирующей RC
цепи
При указанных в диалоговом окне опциях
результаты моделирования (схема на рисунке 3.1) представлены линейчатым
спектром исследуемого сигнала, так как показано на рисунках 3.13, 3.13.
Рис. 3.13. Спектр исследуемого сигнала при q=10
(а - спектр входного сигнала; б - спектр выходного сигнала)
Результаты исследований занесены в таблице 3.
Таблица 3. Результаты исследований
Частота повторения импульсов F,Гц
Период импульсной после-ти Т, с
Коэффициент заполнения в %
Длит. входных импульсов Прямоугольная форма входных импульсов
10
0,1
50
0,05
1
2, 4, 6
2, 3, 4…
10
0,1
20
0,02
4
5, 10, 15
5, 6, 7…
10
0,1
10
0,01
9
10, 20, 30
8, 9, 10…
Треугольная форма входных импульсов
10
0,1
50
0,05
1
2, 4, 5, 6…
2, 3, 4…
10
0,1
20
0,02
4 4, 5, 6…
10
0,1
10
0,01
9
8, 9, 10…
4, 5, 6…
Вывод: при прохождении через интегрирующую RC
цепь периодической последовательности прямоугольных и треугольных импульсов,
существенно менялся спектр на выходе цепи. В нем отсутствовали высокочастотные
гармоники. Таким образом, интегрирующая цепь является фильтром низких частот.
Общий вывод по лабораторной работе: в данной
лабораторной работе исследовался спектральный состав последовательности
прямоугольных импульсов при прохождении через различные цепи.
В первой части работы сигнал
проходил через цепь делителя напряжения. В результате проведенных исследований
было установлено, что при увеличении скважности уменьшается уровень постоянной
составляющей. Ширина спектра (ширина лепестка) прямо пропорциональна частоте
источника сигнала и скважности, т.е. Во второй части работы сигнал
пропускался через дифференцирующую RC цепь. Было
выяснено, что при уменьшении скважности уменьшается количество спектральных
составляющих в лепестках и ширина спектра, а также в спектре выходного сигнала
отсутствует постоянная составляющая.
В третьей части работы сигнал
проходил через интегрирующую RC цепь. Было выяснено, что
после прохождения сигнала через данную цепь, в его спектре отсутствовали
высокочастотные гармоники, а, следовательно, интегрирующая RC цепь
является фильтром низких частот. Также были проведены исследования для
последовательности треугольных импульсов.
![]()
,сУровень
пост. состав., U0вх, В (точ.1)Кол-во спектрал. составл. между «нулями»Гармоники,
отсутствующие в спектреШирина спектра 2![]()
,
ГцУровень пост. состав., U0вых, В (точ.2)
![]()
= T/q, т.е. чем
больше скважность, тем меньше длительность импульса. При увеличении скважности
уменьшается уровень постоянной составляющей. Также было выяснено, что
количество спектральных составляющих равно q-1;
отсутствующие гармоники имеют номера, кратные скважности (при q=2: 2,4,6);
эффективная ширина спектра (ширина лепестка) прямо пропорциональна частоте
источника сигнала и скважности, т.е.![]()
= F*q; заметим,
что на выходе цепи уровень постоянной составляющей сигнала меньше, чем при
входе.



![]()
,сПостоянная
времени цепи, ф,сНа входе цепи






![]()
,сКол-во
спектр. состав. между «нулями»Гармоники отсутст-е в спектре входного
сигналаГармоники отсутст-е в спектре выходного сигнала
![]()
= F*q, на выходе
цепи уровень постоянной составляющей сигнала меньше, чем при входе.