Государственное бюджетное образовательное учреждение высшего профессионального образования
«Сибирский государственный медицинский университет» Министерства здравоохранения и социального развития
Российской Федерации
Кафедра
Медицинской и биологической кибернетики
Лабораторная работа №5
Исследование
схем включения операционного усилителя. Измерение КОСС
Выполнила:
студентка 4 курса МБФ
группы 4101:
Аксенкина Ю.А.
Проверил: Щаденко С.В.
Томск 2015
Цель работы - компенсация напряжения сдвига операционных усилителей, исследование работы инвертирующего, неинвертирующего и дифференциального включения операционного усилителя, измерение коэффициента ослабления синфазной составляющей.
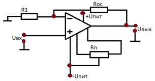
Операционный усилитель - дифференциальный
усилитель постоянного тока, приближенному по своим характеристикам к идеальному
усилителю.
Рис.1
- выводы подключения напряжения питания;
- частотная коррекция;
- выход - вывод, с которого снимается усиленное напряжение;
- инвертирующий вход. Если неинвертирующий вход заземлен и сигнал подан на инвертирующий вход, то сигнал на выходе окажется сдвинутым по фазе на 180° относительно сигнала на входе.
- балансировка. Эти выводы используются для компенсации напряжения смещения, появляющегося на выходе операционного усилителя из-за неидеальности транзисторов входного каскада.
Рис. 2. Повторитель напряжения
операционный усилитель напряжение
Рис. 3. Неинвертирующий усилитель
Рис. 4. Инвертирующий усилитель
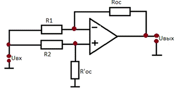
Рис. 5. Дифференциальный усилитель
Измерение коэффициента ослабления синфазной
составляющей (КОСС)
Важнейшим свойством операционного усилителя
является его способность подавлять синфазные сигналы (т.е. сигналы, имеющие
равную амплитуду и фазу на обоих входах усилителя). Методика измерения КОСС
сводится к подключению на оба входа некоторого напряжения и измерению
вызванного им выходного напряжения. При этом используется схема с
дифференциальным сбалансированным входом.
Ход работы
. Собрали неинвертирующий усилитель по
схеме. Подали на неинвертирующий вход синусоидальный сигнал с
=0,25В
и f=1кГц.
![]()
![]()
Схема 1
![]()
200 кОм
Схема 2
Собрали инвертирующий усилитель по схеме.
Вычислили, а затем измерили реальный коэффициент усиления по напряжению
схемы
с
=0,25В
и f=1кГц.
Схема 3
Вывод: Схемы инвертирующего и неинвертирующего усилителя отличаются тем, куда подается входящий сигнал, что и отображено в названиях. На осциллограмме, в случае, неинвертирующего усилителя наблюдается усиление сигнала, а на инвертирующем происходит и усиление, и сдвиг на 180°, т.е. выходящий сигнал усилился и поменял полярность на противоположную от входящего сигнала.
Собрали схему дифференциального усилителя.
Подали синусоидальный сигнал с
=0,25В и f=1кГц.

Схема 5
Схема 6
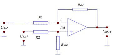
Измерение КОСС. Собрали схему, подали на вход
сигнал с
=
2 В
КОСС теор ≥ 70 дБ
Схема
7
![]()
Вывод: Определили КОСС = 84,79Дб, что больше в сравнении со справочными материалами: КОСС ≥ 70 Дб.