.1 Элементная база
Для изготовления серийных фоторезисторов используются различные типы материалов: сернистый кадмий (CdS), селенистый кадмий (CdSe), сернистый свинец (PbS) и селенид свинца (PbSe). В инфракрасной области могут быть использованы фоторезисторы на основе PbS, PbSe, PbTe, InSb, в области видимого света и ближнего ультрафиолета - CdS. Фоторезисторы чувствительные к инфракрасному излучению длинноволнового диапазона изготавливают на основе соединения кадмий-ртуть-теллур и антимонида индия (InSb).
Фоторезисторы, изготовленные из кадмиевых соединений (CdS или CdSe), имеют чувствительность в видимой области спектра от 0,3 до 1,1 мкм. Приборы на основе соединений свинца (PbS, PbSe) обладают чувствительностью к инфракрасному излучению в диапазоне от 0,5 до 4,6 мкм. Фоторезисторам присущи собственные шумы. Они зависят от напряжения, освещенности, температуры и конструкции фоторезистора. Фоторезисторы с электродами, выполненными из индия и золота, имеют наименьший уровень шума.
Для изготовления полупроводниковых диодов
используются такие материалы, как: германий, кремний, арсенид галлий, арсенид
галлий индий и других полупроводниковых материалов.
Рис. 2. Спектральная чувствительность GaAs

Данные графики, характеризущие спектральную
зависимость материала показывают, что арсенид галлия обладает более широкой
полосой спектральной чувствителности (350-1000 nm),
чем сернистый кадмий(450-650nm),
т.е. GaAs является
неселективным полупроводниковым материалом
2.2 Сферы применения
Основными областями применения полупроводниковых фотопреобразователей являются: системы фотоэлектрической автоматики и телемеханики, измерительные приборы, экспонометрические приборы, а так же тепловизионная аппаратура промышленного, медицинского и оборонного назначения, в устройствах телеуправления, контроля и регулирования, в автоматах для разбраковки, при сортировке и счете готовой продукции, для контроля качества и готовности различных деталей. Широко используются в полиграфической промышленности при обнаружении обрывов бумажной ленты, контроле за количеством листов, подаваемых в печатную машину. В измерительной технике применяются для измерения высоких температур, для регулировки температуры в различных технологических процессах. Контроль уровня жидкости и сыпучих тел, защита персонала от входа в опасные зоны, контроля за запыленностью и задымленностью самых различных объектов, автоматические выключатели уличного освещения.
оптический преобразователь
электромагнитный высокоомный
3. Экспериментальное исследование оптических
характеристик преобразователя свет-частота с металлическими контактами
различной формы
.1 Конструкция однокристального преобразователя
свет-частота и методика проведения экспериментального исследования
Функциональный однокристальный преобразователь свет-частота представляет собой планарно-эпитаксиальную мезаструктуру на основе высокоомного n-GaAs с двумя омическими контактами, схожую по конструкции с фоторезистором но отличающуюся меньшими размерами (рис. 1). Длина засвечиваемой области (расстояние между омическими контактами) лежит в диапазоне 50-200 мкм. Согласно результатам экспериментальных исследований, представленным в работах [28], ограничение в сторону больших значений длины связано с возрастанием порогового напряжения возникновения токовых колебаний, в сторону меньших значений длины - с уменьшением фоточувствительности.
Использование планарно-эпитаксиальных мезаструктур в качестве конструктивного решения позволяет получить комбинированное действие двух физических явлений: рекомбинационной неустойчивости тока и внутреннего фотоэффекта. Исследования [29] показали, что в таких структурах возможно наблюдение осцилляций тока, параметры которых в существенной степени определяются величиной постоянного приложенного напряжения, интенсивностью и локализацией засветки электромагнитным излучением из диапазона длин волн, соответствующих собственному поглощению арсенида галлия, и рядом других факторов.
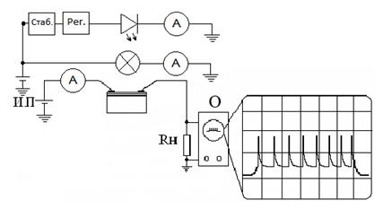
Схема включения функционального преобразователя
свет-частота, представленная на рис. 4, состоит из источника питания Uпит,
напряжением 20-40 В и нагрузочного резистора Rн,
выполняющего функцию датчика тока. Сигнал, представляющий собой колебания
напряжения, частота которых зависит от освещенности Ev,снимается
с вывода f(Ev).
Рис. 4. Структура и схема включения
функционального преобразователя свет-частота
Образец размещался на измерительном столике
микроскопа. С помощью микроскопа на контактных площадках выбранной структуры
располагались прижимные вольфрамовые зонды. Напряжение от источника питания
(ИП) Б5-49 с помощью вольфрамовых зондов подводилось к контактным площадкам
исследуемых структур. Значение тока регистрировалось с помощью амперметра (А)
РВ7-22А. Сигнал снимался с сопротивления нагрузки (100 Ом), включенного
последовательно с исследуемой структурой, и отображался на экране осциллографа
(O). В качестве
источника немонохроматического света использовалась лампа накаливания
микроскопа, яркость свечения которой регулировалась источником напряжения Б5-42
в режиме стабилизации по току. В качестве источника монохроматического
излучения использовался лазерный диод (с длиной волны 650 нм), яркость свечения
которого задавалась с помощью схемы токового регулятора на основе полевого
транзистора, питание которой осуществлялось от стабилизированного источника
напряжения (рис. 5). При осуществлении засветки лазерным излучением, лазерный
пучок собирался коллиматорной линзой таким образом, чтобы полностью
засвечивалась активная область исследуемой структуры. Градуировка освещенности
от лампы накаливания осуществлялась с помощью люксметра, а мощности лазерного
излучения - с помощью градуированного фотодиода.
Рис. 5. Схема установни для проведения
экспериментального исследования оптических характеристик
.2 Результаты экспериментального исследования
оптических характеристик преобразователя свет-частота
На рис. 6, а приведена характерная форма колебаний тока на нагрузочном сопротивлении Rн (100 Ом), включенном последовательно с фотопреобразователем. Как видно из рис. 6а, уровень выходного сигнала достаточен для согласованной работы с цифровым считывающим устройством. Из рис. 6б видно, что воздействие засветки оптическим излучением с длиной волны, соответствующей собственному поглощению GaAs, приводит к росту частоты токовых колебаний. При этом, характер данной зависимости близок к линейной, что представляется очень важным с точки зрения принципов создания прибора.
Согласно приведенной на рис. 6б осциллограмме,
имеют место переходные процессы при изменении уровня освещенности, что может
быть связанно с процессом рассасывания носителей заряда, сгенерированных под
действием оптического излучения и приводящих к росту постоянной составляющей
тока через структуру. Такие переходные процессы негативно сказываются на
быстродействии преобразователя, однако в аналоговых детекторах они также
наблюдаются.
а
б
Рис. 6. Параметры наблюдаемых колебаний тока: а
- ВАХ и форма токовых колебаний на нагрузочном сопротивлении, б - осциллограмма
переходных процессов при засветке лазером (650 нм) в импульсном режиме
Рис. 7. Зависимость частоты колебания сигнала от
освещенности мезаструктуры с различной формой контактных площадок
На рис. 7 приведена характерная зависимость
частоты колебания сигнала от освещенности мезаструктуры с различной формой контактных
площадок, можно выделить мезаструктуры с встречно заостренными и плоско
заостренными формами контактных площадок, на который колебания сигнала
регистрировались практически на каждом образце. Можно сказать, что форма
контактных площадок не влияет на зависимость частоты токовых колебаний от
освещенности.
Рис. 8. Зависимость частоты колебания сигнала и постоянной составляющей тока через структуру от освещенности
На рис. 8 приведены сравнительные характеристики постоянной составляющей тока через структуру в допороговом режиме I1, в режиме генерации I2 и частоты токовых колебаний f от освещенности Ev. Из данных характеристик видно что форма зависимости частоты повторяет форму зависимости тока.
В ходе проведения экспериментального
исследования зависимости частоты токовых колебаний от освещенности было
установленно, что на части образцов при превышении некоего порога интенсивности
(мощьности) излучения происходит срыв генераци. При уменьшении же данного
порога освещенности, при неизменной величине приложенного к структуре
напряжения, генерация токовых колебаний возобновляется. Так же установленно,
что величина порогового значения интенсивности (мощьности) падающего излучения,
соответствующая срыву генерации, зависит от приложенного к структуре
постоянного напряжения (рис. 9).
Рис. 9. Зависимость частоты колебаний от
мощности лазерного излучения с длиной волны 650 нм при различном напряжении на
структуре
Исходя из зависимости, приведенной на рис. 9, можно сказать, что чем выше напряжение, подаваемое на планарную мезаструктуру, тем при больших значениях освещенности происходит срыв генерации.
.3 Анализ и интерпретация результатов
экспериментального исследования
Наблюдаемые особенности возникающих колебаний
тока можно объяснить следующим образом. При увеличении внешнего напряжения
область пространственного заряда (ОПЗ) обратносмещенного перехода анодного
контакта Ме-n+-n
-подложка распространяется вглубь высокоомного GaAs
(рис. 10). Известно, что в сильных электрических полях происходит увеличение
сечения захвата электронов примесными акцепторными отталкивающими центрами,
одним из которых может служить медь в пластинах GaAs
марки САГ-2БК [39].
Рис. 10. Схематическое изображение структуры,
поясняющее процесс формирования динамической неоднородности
В той части ОПЗ, где напряженность электрического поля оказывается достаточной для того, чтобы существенным был захват электронов на глубокие отрицательно заряженные ловушки, возможно формирование динамической неоднородности электрического поля. В части ОПЗ, характеризующейся очень сильными полями, должно происходить разрушение сформированной и движущейся в сторону анода динамической неоднородности вследствие активизации процессов выброса захваченных электронов с глубоких уровней в зону проводимости. Таким образом, в ОПЗ обратносмещенного перехода анодного контакта Ме-n+-n-подложка существует область, в которой возможно периодическое формирование, движение и исчезновение динамической неоднородности электрического поля (ОДН на рис. 10). Эта область располагается в непосредственной близости от перехода n - GaAs - подложка анодного контакта.
Существование этой области является необходимым, но не достаточным для возникновения динамической неоднородности, так как в ОПЗ перехода n - GaAs - подложка мала концентрация свободных электронов, способных быть захваченными на глубокие примесные уровни.
Вблизи правой границы стравленного участка в подложке локализована область, в которою прямосмещенным переходом n - GaAs - подложка катодного контакта Ме-n+-n-подложка инжектируются электроны (область инжекции на рис. 10).
Количество электронов, способных достичь ОДН, существенно зависит от величины напряжения, приложенного к структуре. При малых напряжениях (меньших порогового напряжения возникновения генерации) большая часть инжектированных в подложку электронов не достигает ОПЗ обратносмещенного перехода n - GaAs - подложка анодного контакта Ме-n+-n-подложка, а активно захватывается незаполненными центрами в высокоомной подложке. Кроме того, в этом случае в ОПЗ перехода n - GaAs - подложка анодного контакта Ме-n+-n-подложка ОДН отсутствует.
При увеличении напряжения ОПЗ обратно смещенного перехода n - GaAs - подложка анодного контакта расширяется, в ней происходит увеличение напряженности электрического поля. При достижении порогового напряжения возникновения генерации в ОПЗ этого перехода формируется ОДН. Вследствие расширения ОПЗ указанного перехода уменьшается эффективное расстояние между ее правой границей и областью инжекции. Это создает благоприятные условия для экстракции областью пространственного заряда обратно смещенного перехода n - GaAs - подложка инжектированных в подложку электронов, которые, попадая в ОДН, формируют динамическую неоднородность электрического поля. Экстрагированные электроны, достигающие правой границы ОДН, интенсивно захватываются на центры NT-, в результате чего концентрация свободных электронов вблизи правой границы этой области уменьшается. Это приводит к ещё большему росту напряженности поля и, как следствие, к дальнейшему уменьшению концентрации свободных электронов. В то же время рядом с такой областью, ближе к аноду, формируется область с объемным положительным зарядом, так как приток электронов к ней со стороны катода из области с пониженной концентрацией электронов меньше, чем отток в сторону анода. Поскольку в стационарном состоянии приток электронов со стороны катода соответствует их оттоку к аноду, динамическая неоднородность электрического поля смещается в сторону анода. При достижении левой границы ОДН динамическая неоднородность разрушается, что сопровождается возникновением колебания тока в цепи структуры. Дальнейшее увеличение напряжения, приложенного к структуре, приводит к еще большему расширению ОПЗ, а следовательно, и ОДН, в результате чего увеличивается время ее прохождения динамической неоднородностью, что приводит к уменьшению частоты колебаний тока. Поскольку в данном случае правая граница ОДН приближается к области инжекции, уменьшение частоты колебаний тока сопровождается увеличением их амплитуды.
Однородная засветка структуры приводит к
увеличению проводимости высокоомной подложки, что уменьшает ширину ОПЗ и сужает
ОДН, в результате чего время прохождения динамической неоднородностью ОДН
уменьшается. Это приводит к увеличению частоты осцилляций тока. Поскольку
правая граница ОДН в данном случае удаляется от области инжекции, вместе с
увеличением частоты происходит уменьшение амплитуды генерируемых колебаний.
4. Функциональные свойства
Кроме основной функции прямого преобразования светового сигнала в цифровой, с помощью предлагаемого фотопреобразователя можно получать более широкие функциональные возможности. Например, тот факт, что колебания тока возникают при фиксированном пороговом напряжении, позволяет использовать такой преобразователь в качестве логического ключа, поскольку на зависимости частоты колебаний от приложенного напряжения присутствуют два устойчивых положения, соответствующих логической единице (колебания тока присутствуют) и логическому нулю (колебания отсутствуют). Кроме того, в ходе экспериментальных исследований наблюдалось следующее явление: при превышении некоторого порога интенсивности падающего оптического излучения области видимого и части ИК диапазона происходит срыв генерации. На рис. 3 приведена характерная для данного случая зависимость частоты колебаний от освещенности. Как видно, на данной зависимости имеется два устойчивых положения, соответствующих логической единице (колебания присутствуют) и логическому нулю (колебания отсутствуют), переключение между которыми осуществляется засветкой конечной интенсивности (точки А и B). При этом положения значения освещенности, соответствующие точкам А и В зависят от приложенного напряжения. Все это позволяет использовать такой преобразователь в качестве оптически-переключаемого логического элемента «НЕ» (инвертора).