Материал: Исследование операционного усилителя

Внимание! Если размещение файла нарушает Ваши авторские права, то обязательно сообщите нам

Исследование операционного усилителя















Лабораторная работа № 4

Тема: Исследование операционного усилителя.

Цель работы: экспериментально исследовать работу интегрального усилителя в различных режимах.

Приборы и оборудование: исследуемый операционный усилитель К14ОУД8, двухполярный источник питания постоянного тока, электроннолучевой осциллограф, набор резисторов и конденсаторов, генератор ГЗ-112, осциллограф С1-68.

Теоретические сведения

Операционный усилитель (ОУ) - усилитель постоянного тока с дифференциальным входом и, как правило, единственным выходом, имеющий высокий коэффициент усиления. ОУ почти всегда используются в схемах с глубокой отрицательной обратной связью, которая, благодаря высокому коэффициенту усиления ОУ, полностью определяет коэффициент передачи полученной схемы. В настоящее время ОУ получили широкое применение, как в виде отдельных чипов, так и в виде функциональных блоков в составе более сложных интегральных схем. Такая популярность обусловлена тем, что ОУ является универсальным блоком с характеристиками, близкими к идеальным, на основе которого можно построить множество различных электронных узлов.

Ход работы

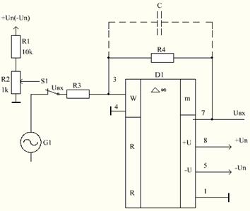
Cоберём схему в режиме не инвертирующего усилителя.

Подключим питание. С помощью регулятора резистора R2 установим Uвх=0, на ножке 4 на выходе получим тоже Uвых=0. Проведём усиление.

Uвх=64 мВ

Uвых=5,5 В

Ku= 55/0.64=85.94


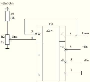
Проверим следующую схему. Подключим усилитель в режиме повторителя.


Измерим входящее и выходящее напряжение.

Uвх= +2,24 В (4 ножка)

Uвых= +2,23 В (7 ножка)

Поставим на входе напряжение Uвх=3,25 В.

На выходе получаем Uвых=3,24 В.

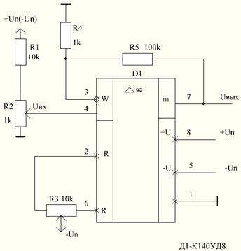
Проверим следующую схему - режим инвертирующего усилителя.

Сначала включим его как усилитель на постоянном напряжении.

Uвх= +1,15 В

Uвых= -9,01 В.

Ku=9.01/1.15=7.83


Подключим его как усилитель переменного тока. Для этого генератор ГЗ-112.

Смотреть выходной сигнал будем с помощью осциллографа С1-68. Сигнал будет с частотой 1 кГц.

Снимем частотную характеристику усилителя.

Будем увеличивать частоту.

f, кГц

1

10

40

100

150

200

300

Uвых, В

10

10

9

8

7,5

7


Теперь будем уменьшать частоту.

f, кГц

1

0,5

0,1

0,01

Uвых, В

10

10

10

10



Из графика видим, что частота пропускания усилителя - 0-100 кГц

интегральный усилитель повторитель напряжение

Вывод



Контрольные вопросы

) Какая схема усилителя - инвертирующая или не инвертирующая обладает входным сопротивлением?

Не инвертирующая схема усилителя ОУ обладает высоким полным входным сопротивлением.

)Как добиться большого усиления на высокой частоте?

На высоких частотах образуется фазовый сдвиг между выходным и входным напряжениями, дополнительный к заданному изменению фазы на 180°. Суммарный сдвиг фаз может достигнуть в усилителе с обратной связью 360°, обратная связь станет положительной, и при достаточно большом коэффициенте усиления ОУ может самовозбудиться. В связи с этим в ОУ предусматривают цепи коррекции частотной характеристики. Эти цепи создают ООС, которая уменьшает коэффициент усиления на высоких частотах. В большинстве ОУ предусмотрена внешняя коррекция при помощи внешних навесных элементов - резисторов и конденсаторов. В некоторых ОУ коррекция выполнена внутри интегральной микросхемы. Во всех случаях при расширении полосы пропускания ОУ уменьшают его коэффициент усиления и, наоборот, при необходимости увеличить усиление сужают полосу.