Материал: Исследование мультиплексоров

Внимание! Если размещение файла нарушает Ваши авторские права, то обязательно сообщите нам

ЛАБОРАТОРНАЯ РАБОТА

Исследование типовых схем мультиплексоров

Цель работы: ознакомление с устройством и функционированием типовых мультиплексоров, приобретение навыков управления цифровыми устройствами.

Введение

Мультиплексором называется комбинационное логическое устройство, предназначенное для управляемой передачи данных от одного из нескольких источников информации в один выходной сигнал.

Мультиплексор содержит две группы входов: информационные I0, I1, I2, I3 и управляющие S0, S1, (рис. 1). К управляющим входам относят адресные входы (S0, S1) и входы разрешения работы (). Адресные входы определяют, с какого информационного входа сигнал поступит на выход Q.

I 0

MS

Q

I 1

 

 

I 2

 

 

I 3

 

 

S 0

 

Q

S1

 

 

 

E

 

 

Рис. 1. Условное обозначение мультиплексора

Количество информационных входов определяет разрядность мультиплексора и равно 2n, где n – число адресных входов. Адреса информационных входов кодируются двоичными числами в порядке возрастания. Так, например, для приведенного мультиплексора адрес первого информационного входа I0 будет задан при S1=0 и S0=0, адрес второго

информационного входа I1

будет задан при S1=0 и S0=1, третьего – при S1=1 и

S0=0, четвертого – при S1=1 и S0=1. Работа мультиплексора разрешена, т.е.

входной

сигнал

будет

 

передан

 

 

 

на

выход,

при

 

 

 

 

 

 

 

 

 

 

 

 

 

 

 

 

 

 

 

=0.

 

 

 

 

 

 

 

 

 

 

 

 

 

 

 

 

 

 

 

 

 

 

 

 

 

 

 

 

 

 

 

 

 

Таблица 1.

 

 

 

Таблица функционирования мультиплексора

 

 

 

 

 

 

 

 

 

 

 

 

 

 

 

 

 

 

 

 

 

 

 

 

 

 

 

 

 

 

S1

S0

 

 

 

 

 

 

 

 

 

 

 

 

 

0

 

0

0

I0

 

 

 

 

 

 

 

 

 

 

 

 

 

 

 

 

 

 

 

 

 

 

 

 

 

0

 

0

1

I1

 

 

 

 

 

 

 

 

 

 

 

 

 

 

 

 

 

 

 

 

 

 

 

 

 

0

 

1

0

I2

 

 

 

 

 

 

 

 

 

 

 

 

 

 

 

 

 

 

 

 

 

 

 

 

 

0

 

1

1

I3

 

 

 

 

 

 

 

 

 

 

 

 

 

 

 

 

 

 

 

 

 

 

 

 

 

1

 

X

X

0

 

1

 

 

 

 

Порядок выполнения работы

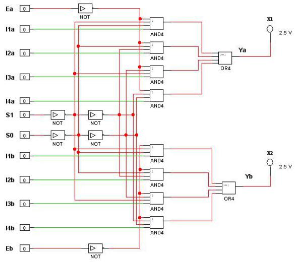
1. Собрать в Multisim логическую схему двойного мультиплексора К531КП2 (рис. 2).

Рис. 2. Логическая схема двойного мультиплексора К531КП2

2.Изучить работу собранной схемы. Составить таблицу функционирования, привести условное обозначение мультиплексора.

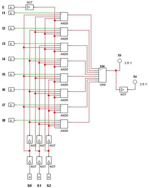
3.Собрать в Multisim логическую схему двойного мультиплексора К155КП7 (рис. 3).

Рис. 3. Логическая схема мультиплексора К155КП7

4. Изучить работу собранной схемы. Составить таблицу функционирования, привести условное обозначение мультиплексора.

Контрольные вопросы

1.Что такое мультиплексор?

2.Какие типы входов у мультиплексоров встречаются?

3.Что понимают под разрядностью мультиплексора?

4.Объяснить работу мультиплексора К531КП2.

5.Объяснить работу мультиплексора К155КП7.

6. Каким образом следует соединить два мультиплексора К155КП7, чтобы получить один 16-разрядный мультиплексор?

7. Как получить из К531КП2 один 8-разрядный мультиплексор?