Задание
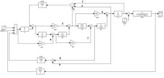
Задана структурная схема САУ (Рисунок 1),
состоящая из типовых звеньев (усилительного, интегрирующего, апериодического,
интегродифференцирующего и колебательного), охваченных внутренней и внешней
обратными связями в соответствии с вариантом задания.
Рисунок 1 - Структурная схема САУ по каналам
связи 1-9-5
Исходные данные представлены в Таблице 1.
Таблица 1. Исходные данные
Структура
Исключены
звенья
1-9-5
А2,
И1
1,8
0,2
0,12
0,3
0,4
0,2
0,9
Требуется:
. Составить структурную схему в соответствии с
вариантом задания.
. Определить передаточные функции:
.1. Разомкнутой системы.
.2. Замкнутой системы по управляющему
воздействию.
.3. Замкнутой системы по возмущающему
воздействию.
. Рассчитать и построить статические
характеристики по управлению и возмущению.
. Используя Matlab
и Simulink получить графики
переходных процессов не скорректированной системы и графики качественного
показателя переходного процесса.
. Рассчитать параметры регулятора (П, ПИ, ПИД),
обеспечивающего заданные показатели качества системы.
. Используя Matlab
и Simulink получить графики
переходных процессов скорректированной системы и качественные показатели
переходного процесса.
. Примечания (для всех):
7.1. .2. .3. .4. .5. .6. статический возмущение управление
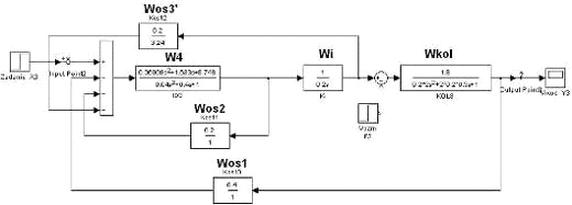
1. Составление структурной схемы
Структурная схема в соответствии с вариантом
задания представлена на Рисунке 2:
Рисунок 2 - Структурная схема САУ в соответствии
с вариантом №4
Переходной процесс для структурной схемы,
представленной на Рисунке 3, имеет вид:
Рисунок 3 - Переходный процесс структурной схемы
САУ в соответствии с вариантом №4
АФЧХ разомкнутой системы имеет вид:
Рисунок 4 - АФЧХ разомкнутой САУ в соответствии
с вариантом №4
Из представленной на Рисунке 4 АФЧХ можно
сделать вывод, что система неустойчива, т.к. годограф Найквиста замкнутой
системы при изменении частоты охватывает точку с координатами (-1, j=0).
ЛАЧХ разомкнутой системы имеет вид:
Рисунок 5 - ЛАЧХ разомкнутой САУ в соответствии
с вариантом №4
Из представленной на Рисунке 5 ЛАЧХ можно
сделать вывод, что система неустойчива, т.к. частота автоколебаний меньше
частоты среза.
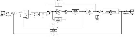
2. Определение передаточных функций
.1 Разомкнутая система
Структурная схема в соответствии с вариантом
задания представлена на Рисунке 6.
Рисунок 6 - Структурная схема САУ в соответствии
с вариантом №4 Рисунок 7 - Структурная схема САУ с
преобразованиями звеньев Преобразуем схему путем переноса
сумматора в начало, также преобразуем обратную связь Рисунок 8 - Структурная схема САУ с
перенесенным сумматором
Преобразуем последовательные
соединения звеньев Рисунок 9 - Структурная схема САУ с
преобразованиями звеньев Преобразуем замкнутый контур с
динамическим звеном Рисунок 10 - Структурная схема САУ с
преобразованиями звеньев Преобразуем последовательное
соединение звеньев Рисунок 11 - Структурная схема САУ с
преобразованиями звеньев Преобразуем замкнутый контур с
динамическим звеном Рисунок 12 - Структурная схема САУ с
преобразованиями звеньев Преобразуем последовательное
соединение звеньев Рисунок 13 - Структурная схема САУ с
преобразованиями звеньев В результате преобразований
структурной схемы САУ для разомкнутой системы было получено звено Переходный процесс представлен на
Рисунке 14. Данный график совпадает с Рисунком 3, что свидетельствует о
правильности произведенных алгебраических преобразований.
Рисунок 14 - Переходный процесс САУ
после преобразований
.2 Замкнутая система по управляющему
воздействию
Рисунок 15 - САУ по управляющему
воздействию
Преобразуем замкнутый контур с
динамическим звеном Для Получим выражение передаточной
функции для разомкнутой системы:
Составим полином Получим выражение передаточной
функции для замкнутой системы по управлению:
Переходный процесс для замкнутой системы по
управлению представлен на Рисунке 16.
Рисунок 16 - Переходный процесс замкнутой по
управлению САУ
Из представленного на Рисунке 16 процесса можно
сделать вывод, что система неустойчива.
.3 Замкнутая система по возмущающему воздействию
Исходная схема для преобразований представлена
на Рисунке 17.
Рисунок 17 - САУ с возмущающим
воздействием Преобразуем схему, представленную на
Рисунке 17 для дальнейших алгебраических преобразований. Перенесем возмущение Рисунок 18 - САУ с перенесенным
сумматором и возмущением Получим Получим выражение передаточной
функции для замкнутой системы по возмущению:
Переходный процесс для замкнутой
системы по возмущению представлен на Рисунке 19.
Рисунок 19 - Переходный процесс
замкнутой по возмущению САУ
Из представленного на Рисунке 19
процесса можно сделать вывод, что система неустойчива.
2.4 Вывод системы в режим
автоколебаний
Изменяя коэффициент системы, выводим
систему в режим автоколебаний и определяем критический коэффициент. Схема
представлена на Рисунке 20.
Рисунок 20 - Схема САУ с критическим
коэффициентом
Переходный процесс для критической
системы в режиме автоколебаний представлен на Рисунке 21.
Рисунок 21 - Схема САУ в режиме
автоколебаний
Определим период автоколебаний
исходя из графика, представленного на Рисунке 22.
Рисунок 22 - Определение периода
автоколебаний
Опытным путем определим 3. Получение графиков переходного
процесса и годографа Найквиста в Matlab
.1 Составим программу расчета в Matlab
%Расчет САУ
%Ввод данных=1.8;
T=0.2;=0.12;=0.3;=0.4;=0.2;
Kos3=0.06173;=0.9;
%Моделирование звеньев
%Усилительные звенья
%Усилитель_1=K;d1=1;Wu1=tf(n1,d1)
%Усилитель_2=K;d2=1;Wu2=tf(n2,d2)
%Параллельная связь=Kp;d3=1;Wpar=tf(n3,d3)
%Обратные
связи=Kos1;d4=1;Wos1=tf(n4,d4)
n5=Kos2;d5=1;Wos2=tf(n5,d5)=Kos3;d6=1;Wos3=tf(n6,d6)
%Интегрирующее звено=1;d7=[T
0];Wi=tf(n7,d7)
%Апериодическое звено=K;d8=[T
1];Wa=tf(n8,d8)
%Интегро-дифференцирующее звено=[tau
1];d9=[T 1];Wid=tf(n9,d9)
%Колебательное звено=K;d10=[T^2
2*T*ksi 1];Wkol=tf(n10,d10)
%Структурные преобразования
%Последовательное соединение Wu1 и
Wu2=Wu1*Wu2
%Параллельное соединение Wpar и
Wa=Wa+Wpar
%Последовательное соединение W2 и
Wid=W2*Wid
%Последовательное соединение W1 и
W3=W1*W3
%Пребразуем замкнутый контур ООС
Wos2=feedback(W4,Wos2)
%Последовательное соединение W5 и
Wi=W5*Wi
%Пребразуем замкнутый контур ООС
Wos3=feedback(W6,Wos3) %Последовательно соединение Wraz_1 и
Wos1_upr=Wraz_1*Wos1
%Преобразуем замкнутый контур ООС
Wraz_upr
Wzam_upr=feedback(Wraz_upr,1)
%Переходный процесс по
управлению=[0:0.01:10];[y,t]=step(Wzam_upr,t);plot(t,y);grid
%Передаточная функция по
возмущению=1/W7
%Передаточная функция замкнутой
системы по возмущению
Wzam_voz=Wzam_upr*Wx*10_voz=minreal(Wzam_voz)
%Переходный процесс по возмущению
=[0:0.01:10];[y,t]=step(Wzam_voz,t);plot(t,y);grid
%Годограф Найквиста(Wraz_upr)
%Характеристика Боде(Wraz_upr)
.2 График переходного процесса
замкнутой по управлению системы
График переходного процесса
замкнутой по управлению системы представлен на Рисунке 23.
Рисунок 23 - Переходный процесс
замкнутой по управлению САУ
3.3 График переходного процесса
замкнутой по возмущению системы
График переходного процесса
замкнутой по возмущению системы представлен на Рисунке 24.
Рисунок 24 - Переходный процесс
замкнутой по возмущению САУ
.4 АФЧХ (годограф Найквиста)
разомкнутой системы
АФЧХ (годограф Найквиста)
разомкнутой системы представлен на Рисунке 25.
Рисунок 25 - АФЧХ разомкнутой САУ
Из представленной АФЧХ (Рисунке 25)
можно сделать вывод, что система неустойчива, т.к. годограф Найквиста замкнутой
системы при изменении частоты охватывает точку с координатами (-1, j=0).
.5 ЛАЧХ (характеристика Боде)
разомкнутой системы
ЛАЧХ (характеристика Боде)
разомкнутой системы представлена на Рисунке 26.
Рисунок 26 - ЛАЧХ разомкнутой САУ
Из представленной ЛАЧХ (Рисунок 26)
можно сделать вывод, что система неустойчива, т.к. щak=4,78 рад/с
меньше щsreza=7,07 рад/с
(щak<щsreza).
.6 Расчет системы в режиме
автоколебаний
Построение переходного режима, ЛАЧХ
и АФЧХ.
Программа расчета в Matlab:
%Расчет режима автоколебаний
Kkr=0.26361_kr=Kkr*Wraz_upr
%Переходный процесс в замкнутой
критической системе
Wzam_kr=feedback(Wraz_kr,1)=[0:0.01:50];[y,t]=step(Wzam_kr,t);plot(t,y);grid(Wraz_kr)(Wraz_kr)
Переходный процесс критической
системы представлен на Рисунке 27.
Рисунок 27 - Переходный процесс системы
в режиме автоколебаний
АФЧХ критической системы представлен на Рисунке
28.
Годограф Найквиста в режиме автоколебаний
проходит через точку с координатами (-1;j=0).
Рисунок 28 - Годограф Найквиста системы в режиме
автоколебаний
ЛАЧХ критической системы представлен на Рисунке
29.
Рисунок 29 - Характеристика Боде системы в
режиме автоколебаний
Определим фактический период автоколебаний
исходя их ЛАЧХ представленной на Рисунке 29.
щak=4,78
рад/с,
.7 Полная программа расчета в Matlab и все
полученные результаты представлены в Приложении А.
4. Расчет параметров регуляторов (П,
ПИ, ПИД), обеспечивающих заданные показатели качества системы
.1 Расчет и настройку регуляторов
Расчет и настройку регуляторов
проведем на основании формул приведенных в таблице 2.
Таблице 2 - Формулы для расчета и
настройки регуляторов
Тип
регулятора
Коэффициенты
C0
C1
C2
П
ПИ
ПИД
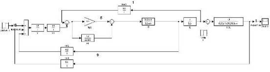
.2 Настройка П-регулятора
Схема САУ с П-регулятором представлена на
Рисунке 30.
Рисунок 30 - П-регулятор в схеме САУ
Рисунок 31 - Переходный процесс по управляющему
воздействию с П-регулятором а) Показатель колебательности: б) Быстродействие: в) Перерегулирование по управлению:
На основании вышеперечисленного
можно сделать вывод, что П-регулятор подходит для исходной САУ.
Получим переходный процесс по
возмущающему воздействию с П-регулятором (Рисунок 32).
Проведем качественный анализ процесса
представленного на Рисунке 32:
Рисунок 32 - Переходный процесс по возмущающему
воздействию с П-регулятором
Перерегулирование по возмущению: На основании вышеперечисленного
можно сделать вывод, что П-регулятор полностью подходит для исходной САУ.
Рисунок 33 - АФЧХ скорректированной системы в Simulink
Рисунок 34 - ЛАЧХ скорректированной системы Simulink
.3 Используя Matlab
получим графики переходных процессов скорректированной системы и качественные
показатели переходного процесса
Рисунок 35 - Переходный процесс
скорректированной системы в Matlab
по управлению
Рисунок 36 - Переходный процесс
скорректированной системы в Matlab
по возмущению
Рисунок 37 - АФЧХ скорректированной
системы в Matlab
Система с П-регулятором устойчива
т.к. годограф Найквиста не охватывает точку с координатами (-1, j=0).
Рисунок 38 - ЛАЧХ скорректированной системы Matlab
Исходя из Рисунка 38 можно сделать вывод, что щsreza=0,103
рад/с меньше щak=4,78
рад/с. Это также говорит об устойчивости скорректированной САУ.
5. Расчет и построение статических характеристик
по управлению и возмущению
.1 Статическая характеристика САУ по
управляющему воздействию
Рисунок 39 - Статическая
характеристика САУ по управляющему воздействию
.2 Статическая характеристика САУ по
возмущающему воздействию
%Переходный процесс c П-регулятором
по возмущению
=-1/(W7*Kreg*Kkr)_P_voz=Wzam_P*Wvoz*10
Wzam_P_voz=minreal(Wzam_P_voz)
function:
s^3 - 2494
s^2 - 1.085e004 s - 9001
-------------------------------------------------------
s^5 + 16.86 s^4 + 126.8 s^3 + 586.4 s^2 + 1872 s + 2403
В числителе есть свободный член,
т.е. регулируемая величина в установившемся режиме не принимает точно требуемое
значение независимо от величины возмущающего фактора. Следовательно,
характеристика имеет наклон.
Рисунок 40 - Статическая
характеристика САУ по возмущающему воздействию
Заключение
В курсовой работе произвел исследование и расчет
автоматизированной системы управления. Мною были рассчитаны и построены
статические характеристики САУ по управляющему и возмущающему воздействиям.
Вследствие алгебраических преобразований определил, что замкнутая и разомкнутая
САУ неустойчивы. Для обеспечения необходимых показателей качества и придания
САУ устойчивого (работоспособного) состояния был применен пропорциональный
(П-закон) закон управления. Установлено, что при использовании П-регулятора,
САУ переходит в устойчивое состояние и обеспечивает заданные показатели
качества переходных процессов.
Список используемой литературы
1. Бесекерский В.А., Попов Е.В.
Теория систем автоматического управления. Учебное издание - СПб: «Профессия»,
2003г.
. Ерофеев А.А. Теория автоматизированного
управления. Учебник для вузов - СПб: Политехника, 2002г.
. Юрьевич Е.И. Теория
автоматического управления.- М: Энергия, 1969г.
. Конспект лекций по предмету АСУ
АЭС.
Приложение А
Полный расчет САУ в MatLab:
%Расчет САУ
%Ввод данных=1.8;
T=0.2;=0.12;=0.3;=0.4;=0.2;
Kos3=0.06173;=0.9;
%Моделирование звеньев
%Усилительные звенья
%Усилитель_1=K;d1=1;Wu1=tf(n1,d1)
%Усилитель_2=K;d2=1;Wu2=tf(n2,d2)
%Параллельная связь=Kp;d3=1;Wpar=tf(n3,d3)
%Обратные связи=Kos1;d4=1;Wos1=tf(n4,d4) %Интегрирующее звено=1;d7=[T 0];Wi=tf(n7,d7)
%Апериодическое звено=K;d8=[T 1];Wa=tf(n8,d8)
%Интегро-дифференцирующее звено=[tau 1];d9=[T
1];Wid=tf(n9,d9)
%Колебательное звено=K;d10=[T^2 2*T*ksi
1];Wkol=tf(n10,d10)
%Структурные преобразования
%Последовательное соединение Wu1 и Wu2=Wu1*Wu2
%Параллельное соединение Wpar и Wa=Wa+Wpar
%Последовательное соединение W2 и Wid=W2*Wid
%Последовательное соединение W1 и W3=W1*W3
%Пребразуем замкнутый контур ООС Wos2=feedback(W4,Wos2)
%Последовательное соединение W5 и Wi=W5*Wi
%Пребразуем замкнутый контур ООС
Wos3=feedback(W6,Wos3)
%Последовательное соединение W7 и Wkol_1=W7*Wkol
%Последовательно соединение Wraz_1 и
Wos1_upr=Wraz_1*Wos1
%Преобразуем замкнутый контур ООС Wraz_upr
Wzam_upr=feedback(Wraz_upr,1)
%Переходный процесс по
управлению=[0:0.01:10];[y,t]=step(Wzam_upr,t);plot(t,y);grid
%Передаточная функция по возмущению=1/W7
%Передаточная функция замкнутой системы по
возмущению
Wzam_voz=Wzam_upr*Wx*10_voz=minreal(Wzam_voz)
%Переходный процесс по возмущению
=[0:0.01:10];[y,t]=step(Wzam_voz,t);plot(t,y);grid
%Годограф Найквиста(Wraz_upr)
%Характеристика Боде(Wraz_upr)
%Расчет режима
автоколебаний=0.26361_kr=Kkr*Wraz_upr
%Переходный процесс в замкнутой критической системе
Wzam_kr=feedback(Wraz_kr,1)=[0:0.01:50];[y,t]=step(Wzam_kr,t);plot(t,y);grid(Wraz_kr)(Wraz_kr)
%Выбор регуляторов
%П-регулятор по управлению
Kreg=0.3_P=Kreg*Wraz_kr
%Найквист
П-регулятора(Wraz_P)
%Боде
П-регулятора(Wraz_P)
%Переходный процесс c П-регулятором по
управлению
Wzam_P=feedback(Wraz_P,1)_P=minreal(Wzam_P)=[0:0.01:8];[y,t]=step(Wzam_P,t);plot(t,y);grid
%Переходный процесс c П-регулятором по
возмущению=-1/(W7*Kreg*Kkr)_P_voz=Wzam_P*Wvoz*10
minreal(Wzam_P_voz)=[0:0.01:10];[y,t]=step(Wzam_P_voz,t);plot(t,y);gridfunction:
1.8function: 1.8function: 0.9function: 0.4function: 0.2function:
0.06173function: 1/0.2 sfunction: 1.8/(0.2 s + 1)function:
(0.12 s + 1)/(0.2
s + 1)function:
1.8/ (0.04
s^2 + 0.12 s + 1)function:
3.24function:
(0.18 s + 2.7)/(0.2
s + 1)function:
(0.0216 s^2 + 0.504 s + 2.7)/(0.04
s^2 + 0.4 s + 1)
Transfer function:
(0.06998 s^2 + 1.633 s + 8.748)/(0.04
s^2 + 0.4 s + 1)
Transfer function:
(0.06998 s^2 + 1.633 s + 8.748)/(0.054
s^2 + 0.7266 s + 2.75)
Transfer function:
(0.06998 s^2 + 1.633 s + 8.748)/(0.0108
s^3 + 0.1453 s^2 + 0.5499 s)
Transfer function:
(0.06998 s^2 + 1.633 s + 8.748)/
(0.0108 s^3 + 0.1496 s^2 + 0.6507 s + 0.54)function:
(0.126 s^2 + 2.939 s + 15.75)/(0.000432
s^5 + 0.007281 s^4 + 0.05478 s^3 + 0.2493 s^2 + 0.7155 s + 0.54)
Transfer function:
(0.05039 s^2 + 1.176 s + 6.299)/
(0.000432 s^5 + 0.007281 s^4 + 0.05478 s^3 +
0.2493 s^2 + 0.733 s + 0.684)
Transfer function:
(0.05039 s^2 + 1.176 s + 6.299)/(0.000432
s^5 + 0.007281 s^4 + 0.05478 s^3 + 0.2993 s^2 + 1.909 s + 6.983)
Transfer function:
(0.0108 s^3 + 0.1496 s^2 + 0.6507 s + 0.54)/(0.06998
s^2 + 1.633 s + 8.748)function:
(0.005442 s^5 + 0.2024 s^4 + 2.767 s^3 + 17.35
s^2 + 47.34 s + 34.01)/(3.023e-005
s^7 + 0.001215 s^6 + 0.0195 s^5 + 0.1741 s^4 + 1.101 s^3 + 6.189 s^2 + 27.71 s
+ 59.82)
Transfer function:
(180 s^3 + 2494 s^2 + 1.085e004 s + 9001)/(s^5
+ 16.86 s^4 + 126.8 s^3 + 693.8 s^2 + 4378 s + 1.583e004)
Kkr =0.2636function: (0.01328
s^2 + 0.3099 s + 1.66)/(0.000432
s^5 + 0.007281 s^4 + 0.05478 s^3 + 0.2493 s^2 + 0.7155 s + 0.54)
Transfer function:
(0.01328 s^2 + 0.3099 s + 1.66)/(0.000432
s^5 + 0.007281 s^4 + 0.05478 s^3 + 0.2626 s^2 + 1.025 s + 2.2)
Kreg =
0.3
Transfer function:
(0.003985 s^2 + 0.09298 s + 0.4981)/(0.000432
s^5 + 0.007281 s^4 + 0.05478 s^3 + 0.2493 s^2 + 0.7155 s + 0.54)function:
(0.003985 s^2 + 0.09298 s + 0.4981)/(0.000432
s^5 + 0.007281 s^4 + 0.05478 s^3 + 0.2533 s^2 + 0.8085 s + 1.038)
Transfer function:
(9.225 s^2 + 215.2 s + 1153)/(s^5
+ 16.86 s^4 + 126.8 s^3 + 586.4 s^2 + 1872 s + 2403)
Transfer function:
(0.0108 s^3 - 0.1496 s^2 - 0.6507 s - 0.54)/
(0.005535 s^2 + 0.1291 s + 0.6918)
Transfer function:
(0.9962 s^5 - 37.05 s^4 - 506.6 s^3 - 3176 s^2 -
8666 s - 6227)/ (0.005535
s^7 + 0.2224 s^6 + 3.571 s^5 + 31.28 s^4 + 173.8 s^3 + 660.7 s^2 + 1605 s +
1663)
Transfer function:
(-180 s^3 - 2494 s^2 - 1.085e004 s - 9001)/
(s^5 + 16.86 s^4 + 126.8 s^3 + 586.4 s^2 + 1872 s
+ 2403)
![]()
![]()
![]()
![]()
![]()
![]()
;
;
(перерегулирование при управлении);
(перерегулирование при возмущении);
(быстродействие системы);
- коэффициент усиления звена,
- постоянная времени звена,
- дифференцирующая постоянная
времени,
- коэффициент демпфирования
колебательного звена,
,
- коэффициенты обратных связей,
- коэффициент усиления параллельного
звена,
- критический коэффициент, система
в автоколебаниях,
- усилитель (
),
- интегратор звено (
),
- апериодическое звено (
),
- интегро-дифференцирующее звено (
),
- колебательное звено (
),
обратная связь (
),
- параллельная связь (
).
,
.
и
(Рисунок
8).
,
,
.
и
,
и
, получим
звенья
и
соответственно
(Рисунок 9).
,
.
и
, охваченный
ООС
, получаем
звено
(Рисунок
10).
,
и
и
, получим
звено
(Рисунок
11).
и
, охваченный
ООС
, получаем
звено
(Рисунок
12).
и
и
, получим
звено
(Рисунок
13).
и
.
,
,
,
,
,
,
.
.
.
, охваченный
ООС
, получаем
звено
.
.
составим полином
и определим
параметры разомкнутой цепи:
и определим
параметры разомкнутой цепи:
где

с
сумматором в начало схемы (Рисунок 18).
для
представленной на Рисунке 18 схемы.
где
,
.
:
.
--
![]()
-
![]()

-
выполняется (трубка допуска 5%).
,
-
выполняется.
- выполняется.
- выполняется.
.
.
.
.
- возмущение.