Материал: Исследование характеристик диодов и тиристоров

Внимание! Если размещение файла нарушает Ваши авторские права, то обязательно сообщите нам

При синусоидальном управлении угол управления a непрерывно меняется так, чтобы гладкая составляющая выходного напряжения изменялась по синусоидальному закону (рисунок 1.8 в).

Рисунок 1.8. Схема трёхфазно-однофазного НПЧ (а), диаграммы напряжения и тока нагрузки при прямоугольном управлении (б) и диаграммы напряжения на нагрузке при синусоидальном управлении (в)

Схема трехфазно-трехфазного НПЧ, выполненного на основе трехфазных мостовых схем приведена на рисунке 1.9. Эта схема требует разделения фаз нагрузки.


Рисунок 1.9. Схема трёхфазно-трёхфазного НПЧ

Преобразователи постоянного напряжения

Классификация преобразователей постоянного напряжения

Преобразователи постоянного напряжения (ППН) предназначены для преобразования постоянного напряжения одного уровня в постоянное напряжение другого уровня с высоким КПД. Иногда их называют конверторами. Они служат для питания нагрузки постоянным напряжением Uн, отличающимся по величине от напряжения источника питания Ud.

По построению ППН делятся:

а) на двухзвенные ППН, состоящие из автономного инвертора (АИ), преобразующего постоянное напряжение в переменное, и выпрямителя. Трансформатор, стоящий между выпрямителем и АИ, позволяет получить на выходе напряжения как меньшие, так и большие входного.

б) на непосредственные ППН, выполненные на основе прерывателей.

Понижающий ППН

На рисунке 1.10 а показана схема непосредственного ППН, понижающего на напряжение, а на рисунке 1.10 б - диаграммы напряжений на нагрузке ин и на коллекторе ик и токов: потребляемого от источника питания id, коллектора iк, диода iД и нагрузки iН. Построения выполнены при допущении, что транзистор и диод идеальны, емкость конденсатора Сф = ∞, а ток в цепи нагрузки непрерывен. Диод VD служит для пропускания тока, проходящего при выключении транзистора VT за счет энергии, запасенной в индуктивности нагрузки. Конденсатор Сф уменьшает потери в источнике питания, делая потребление энергии от него более постоянным. Если транзистор VT включается в момент t1, напряжение источника питания прикладывается к нагрузке (к нагрузке прикладывается импульс напряжения), а когда он выключается в момент t2, ток нагрузки протекает за счет энергии, запасенной в индуктивности Lн, и замыкается через диод VD. В момент t3 процессы повторяются.

Для регулирования напряжения на выходе ППН изменяют длительность включенного состояния транзистора. Регулирование напряжения, при котором частота подачи импульсов на нагрузку постоянна, но изменяется их длительность, называется широтно-импульсной модуляцией (ШИМ). ППН, в которых применяется такой способ регулирования, называют широтно-импульсными преобразователями (ШИП).

Рис. рисунок 1.10 Схема понижающего ППН (а) и диаграммы напряжений и токов, иллюстрирующие его работу (б)

Таким образом, при ШИМ частота и период следования импульсов постоянны. Возможны и другие способы регулирования, при которых регулирование средне го значения напряжения на выходе производится изменением частоты следования импульсов постоянной длительности (частотно-импульсная модуляция) или одновременным изменением частоты и длительности импульсов (частотно-широтно-импульсная модуляция). Наиболее часто применяется ШИМ. Поэтому далее рассматривается только ШИМ.

Все соотношения ниже рассматриваются для непрерывного тока в нагрузке, когда за время прохождения тока через диод он не спадает до нуля (рисунок 1.10 б). Ширина области прерывистых токов обычно весьма мала, и даже токи холостого хода двигателя обычно не попадают в эту область, поэтому при проектировании электропривода она, как правило, не учитывается.

Чем больше длительность включенного состояния транзистора, тем больше среднее значение напряжения на нагрузке Uн

H =гUd, (1.2)

где г - относительная длительность включенного состояния транзистора. Так как г не может быть больше 1, то этот ППН называется понижающим. В понижающем ППН у соответствует относительной длительности импульсов напряжения, прикладываемых к нагрузке, то есть

г = , (1.3)

где tн - длительность импульсов напряжения прикладываемых к нагрузке или длительность включенного состояния транзистора; T - период следования импульсов.

Регулировочная характеристика ППН - это зависимость напряжения на нагрузке от относительной длительности включенного состояния транзисторов или в понижающем ППН от относительной длительности импульсов напряжения, прикладываемых к нагрузке. Следовательно, уравнение (1.2) является уравнением регулировочной характеристики понижающего ППН. Тогда уравнение регулировочной характеристики понижающего ППН в относительных единицах (при принятии за базовое напряжения Ud).

= г. (1.4)

Если вентили идеальны, то КПД ППН равен единице. При этом мощность, потребляемая от источника питания, равна мощности, выделяемой в нагрузке

Uн Iн = Ud Id, (1.5)

где Id - ток, потребляемый от источника питания; Iн - ток нагрузки.

Из выражений (1.4), (1.5) может быть определен ток нагрузки:

Iн = Id ·  = . (1.6)

В соответствии с формулой (1.4) диапазон регулирования выходного напряжения понижающего ППН теоретически начинается от нуля (при tH = 0, у = 0) и достигает Ud (при tH = Т, г = 1), т.е. эта схема понижает напряжение и, в соответствии с формулой (1.6), увеличивает ток. Схема работает как «трансформатор постоянного тока».

Введем понятие коэффициента преобразования напряжения Ки:

Ки = . (1.7)

Тогда уравнение регулировочной характеристики:

Ки = г. (1.8)

На рисунке 1.11 показаны регулировочные характеристики различных ППН в зависимости от относительной длительности включенного состояния транзисторов.

Рисунок 1.11 Регулировочные характеристики понижающего, повышающего и инвертирующего ППН

Внешняя характеристика ПП - это зависимость среднего значения напряжения на нагрузке от тока нагрузки при постоянной относительной длительности включенного состояния транзисторов.

Внешняя характеристика понижающих ППН весьма жесткая. Они имеют достаточно высокий КПД.

Повышающий ППН

На рисунке 1.12 а показана схема непосредственного ППН, повышающего напряжение, а на рисунке 1.12 б - диаграммы напряжений на нагрузке ин и на коллекторе ик и токов: потребляемого от источника питания id, коллектора iк, диода iД и нагрузки /н.

Рассмотрим работу схемы. В момент t1 включается транзистор VT, ток через дроссель L нарастает. В момент t2 выключается транзистор и за счет энергии, запасенной в индуктивности, под действием суммы напряжения источника питания Ud и ЭДС самоиндукции через вентиль VD заряжается конденсатор Сн, а ток, потребляемый от источника питания, спадает.

В момент t3 процессы повторяются. В этой схеме, в отличие от предыдущей, можно только поднять напряжение.

Таким образом, в течение времени tи ток id идет через транзистор, и запасается энергия в индуктивности. Затем, в течение интервала времени T - tи ток id идет через диод на зарядку конденсатора и на нагрузку. Постоянная составляющая тока id не проходит через конденсатор, поэтому среднее значение тока, протекающего через нагрузку,

Iн=Id· . (1.9)

Или

Iн=Id (1 - г). (1.10)

Здесь г - относительное время включенного состояния транзистора.

Рисунок 1.12. Схема повышающего ППН (а) и диаграммы напряжений и токов иллюстрирующие его работу (б)

С учетом справедливости равенства мощностей на входе и выходе (1.5)

Uн=  Ud (1.11)

Тогда уравнение регулировочной характеристики в относительных единицах:

Ки =  =  (1.12)

Из формулы (1.12) следует возможность бесконечного увеличения напряжения на нагрузке. Однако, из-за роста потерь в дросселе (он не может быть выполнен без потерь) при увеличении g получить очень большое напряжение невозможно. Целесообразно увеличение напряжения максимум в 3…4 раза. Регулировочная характеристика показана на рисунке 1.11.

Внешняя характеристика этого ППН очень мягкая.

Нужно также отметить, что у этой схемы хуже КПД. Он резко падает с ростом коэффициента преобразования напряжения Ки.

Инвертирующий ППН

На рисунке 1.13 а показана схема непосредственного ППН, инвертирующего напряжение (т.е. меняющего не только величину, но и знак напряжения на выходе), а на рисунке 1.13 б - диаграммы напряжений на нагрузке ин и на коллекторе ик и токов: потребляемого от источника питания id, коллектора /к, диода iД и нагрузки iH.

Рассмотрим работу схемы. В момент t1 включается транзистор VT, ток через индуктивность L нарастает. В момент t2 выключается транзистор, и за счет энергии, запасенной в индуктивности, проходит ток по цепи L, C, VD. Следовательно, на участке t2 - t3 происходит заряд емкости С, и ток спадает. В момент t3 процессы повторяются. На участке t3-t4 одновременно с запасанием энергии в дросселе происходит разряд конденсатора на сопротивление нагрузки.

Уравнение регулировочной характеристики:

Ки =  =  (1.13)

Здесь г - так же относительное время включенного состояния транзистора.

Из формулы (1.13) следует возможность бесконечного увеличения напряжения на нагрузке. Однако, из-за роста потерь в реакторе (он не является идеальной индуктивностью) при увеличении g получить большое напряжение невозможно. Целесообразно увеличение напряжения максимум в 2 - 3 раза. Регулировочная характеристика показана на рисунке 1.11.

Эта схема имеет мягкую внешнюю характеристику. Нужно также отметить, что у этой схемы низкий КПД. Он резко падает с ростом коэффициента преобразования напряжения Ки.

Рисунок 1.13. Схема инвертирующего ППН (а) и диаграммы напряжений и токов, иллюстрирующие его работу (б)

Преобразователи переменного напряжения

Преобразователи переменного напряжения (регуляторы переменного напряжения) предназначены для изменения величины переменного напряжения.

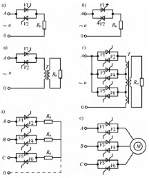
На рисунке 1.14 а приведена схема однофазного преобразователя переменного напряжения, а на рисунке 14.2 а диаграмма напряжения на нагрузке. Изменение действующего значения напряжения на нагрузке осуществляется изменением угла управления б. Такое регулирование называется фазовым или импульсной модуляцией на основной частоте (ИМ-ОЧ). При этом даже при активной нагрузке ухудшается cosц и коэффициент мощности. При таком регулировании даже печь сопротивления, имеющая практически чисто активное сопротивление, представляет для сети как бы индуктивную нагрузку. Тем не менее, такая схема применяется для регулирования активных и активно-индуктивных нагрузок - печей сопротивления, ламп накаливания, а также однофазных двигателей переменного тока, например, в электроинструменте.

В схеме рисунке 1.14 б применены запираемые тиристоры, что позволяет получить на нагрузке напряжение в соответствии с рисунке 1.15 б или рисунке 1.15 в. При этом cosц может быть меньше или равен 1, но угол сдвига ц получается опережающим (фазовое регулирование с опережающим углом сдвига) или равным нулю. При таком регулировании печь сопротивления представляет для сети как бы емкостную нагрузку. В связи со сложностью быстрого прерывания тока в цепи, в которой имеется хотя бы небольшая индуктивность, схема усложняется за счет применения дополнительных элементов и поэтому не получила распространения.

В описанных способах изменение действующего значения напряжения на нагрузке осуществляется за счет изменения формы напряжения, что нежелательно для ряда потребителей.

Импульсная модуляция на высокой частоте (ИМ-ВЧ) (рисунок 1.15 г.) позволяет при небольшом фильтре получать синусоидальную гладкую составляющую тока, потребляемого из сети, и напряжения на нагрузке при cosц = 1. Однако, в связи со сложностью прерывания тока в индуктивной цепи схема усложняется и поэтому также не получила распространения. Импульсная модуляция на низкой частоте (ИМ-НЧ) иллюстрируется рисунком 1.15 д. Эта модуляция реализуется в схеме рисунок 1.14 а. Уменьшение мощности, выделяемой в активной нагрузке, производится включением и выключением тиристоров в моменты перехода тока и напряжения через нуль. При питании активной нагрузки и ИМ-НЧ сохраняется cosц = 1. Однако, за счет возникающих гармоник с частотами ниже частоты напряжения сети, коэффициент мощности ухудшается. В литературе доказано, что коэффициент мощности одиночного регулятора не зависит от способа импульсной модуляции, а определяется глубиной регулирования. Импульсная модуляция на низкой частоте применима для инерционных объектов (например, печей сопротивления).

Рисунок 1.14. Преобразователи переменного напряжения: однофазные на не полностью (а) и полностью управляемых (б) тиристорах; однофазные на первичной стороне трансформатора (в) и трансформатора с отпайками (г); трехфазные для регулирования напряжения на активной нагрузке (д) и двигателе (е)

Диапазон номинальных значений напряжений и токов электрических нагрузок чрезвычайно широк. Для согласования с напряжением сети применяются трансформаторы. При малых или очень больших напряжениях на грузки для регулирования целесообразно включать тиристорные ключи на первичной стороне трансформатора, однако при этом возникает ряд проблем, связанных с насыщением трансформатора. Эти проблемы обостряются при ИМ-НЧ, когда включения трансформатора происходят очень часто.

Рисунок 1.15. Диаграммы напряжений на нагрузке ППН при различных способах управления (модуляции): ИМ-ОЧ (фазовое регулирование) с отстающим (б > 0), опережающим (в > 0) и равным нулю (б = в) углом сдвига ц (а, б, в); ИМ-ВЧ (г); ИМ-НЧ (д); ИМ-НЧ на первичной стороне трансформатора (е); многозонные ИМ-ОЧ (ж), ИМ-ВЧ (з) и ИМ-НЧ (и)