Материал: Исследование характера упрочнения металла по индикаторной диаграмме растяжения

Внимание! Если размещение файла нарушает Ваши авторские права, то обязательно сообщите нам

Исследование характера упрочнения металла по индикаторной диаграмме растяжения

МИНИСТЕРСТВО ОБРАЗОВАНИЯ И НАУКИ РОССИЙСКОЙ

ФЕДЕРАЦИИ

Федеральное государственное бюджетное образовательное учреждение

высшего профессионального образования

“Магнитогорский государственный технический университет им.Г.И.Носовa”

Кафедра технологии, сертификации и сервиса автомобилей







КУРСОВАЯ РАБОТА

По дисциплине “Обработка металлов давлением”

На тему “Исследование характера упрочнения металла по индикаторной диаграмме растяжения”


Исполнитель: студент группы ТСБ12-1 Усманова А.К.

Руководитель: кандидат технических наук Зотов С.В

Работа допущена к защите ___ _______20__г. ______________

Работа защищена ____ _______20__г. с оценкой ____________



Магнитогорск 2013

ЗАДАНИЕ

Вариант 11

Для того, чтобы по индикаторной диаграмме растяжения рассчитать характеристики упрочнения и пластичности металла образца, а также построить кривые упрочнения, в таблице представлены необходимые данные для расчета всех характеристик.

Таблица 1 - Исходные данные для расчета

Р, кгс

Dl, мм

e, б/р

q

sусл, кгс/мм2

σК МПа

h

si = sS

e

dШ, мм

dК, мм

РТ

Рmax



sШ кгс/ мм2

К, Па

εШ



2500

4000

3500

16

22

0,32

1,18

0,24

0,54

31,9

51

7,2

0,9

7,2

7,5

0,28

0,8

8,71

677


d0=10 мм; F0=78,54 мм2; l0=50 мм

Рисунок 1- Индикаторная диаграмма растяжения. Вариант 11

ВВЕДЕНИЕ

Для расчета технологических процессов обработки металлов давлением и оборудования для их осуществления необходимо знать пластичность металла и сопротивление его пластической деформации.

Пластичность - свойство металла получать остаточную (пластическую) деформации без разрушения. Благодаря именно этому свойству металлы могут подвергаться обработке давлением.

При обработке металлов давлением (при пластической деформации) изменяются не только форма и размеры деформируемого тела, но меняются также и механические свойства металла, в первую очередь - его пластичность и сопротивление пластической деформации. При холодной обработке давлением обычно пластичность уменьшается, а сопротивление пластической деформации увеличивается. Большинство механических свойств металла определяют в результате испытания образцов на растяжение (ГОСТ 1497-84).

Определение механических свойств металлов производится для выбора материалов и расчета изготавливаемых из них конструкций, а также для оценки их работоспособности в различных условиях эксплуатации. Определение механических свойств необходимо при разработке новых сплавов и новых технологических процессов и для оценки качества, однородности и стандартности металлических материалов при их производстве.

Ниже рассмотрены механические характеристики материалов, определяемые при следующих видах деформации: растяжении, сжатии, изгибе, кручении, внедрении в тело твердого наконечника (твердость) и ударном изгибе надрезанных образцов, а также отклонения от идеальной упругости и явления анизотропии механических свойств реальных металлически

ГОСТ 1497-84 определяет термины и обозначения, форму и размеры образцов для испытаний, проведение испытаний и подсчет результатов.

С помощью статических испытаний на растяжение по ГОСТ 1497-84 определяются следующие характеристики механических свойств металла:

. предел пропорциональности;

. модуль упругости;

. физический предел текучести;

. условный предел текучести;

. временное сопротивление;

. относительное равномерное удлинение;

. относительное удлинение после разрыва;

. относительное сужение поперечного сечения после разрыва.

Предел пропорциональности и модуль упругости являются характеристиками упругих свойств металла. Физический предел текучести и временное сопротивление характеризуют сопротивление металла пластической деформации. Относительное равномерное удлинение, относительное удлинение после разрыва и относительное сужение поперечного сечения образца после разрыва характеризуют пластичность металла.

1. АНАЛИЗ ОСНОВНЫХ ТЕОРЕТИЧЕСКИХ СВЕДЕНИЙ ПО ИССЛЕДОВАНИЮ ХАКАКТЕРА УПРОЧНЕНИЯ МЕТАЛЛА ИНДИКАТОРНОЙ ДИАГРАММЕ РАСТЯЖЕНИЯ

.1 Методы механических испытаний

Механические свойства характеризуют способность материала сопротивляться деформации и разрушению под действием приложенных нагрузок.

По характеру изменения во времени действующей нагрузки механические испытания могут быть статическими (на растяжение, сжатие, изгиб, кручение), динамическими (на ударный изгиб) и циклическими (на усталость).

По воздействию температуры на процесс их делят на испытания при комнатной температуре, низкотемпературные и высокотемпературные (на длительную прочность, ползучесть).

Статические испытания проводятся при воздействии на образец с определенной скоростью постоянно действующей нагрузки. Скорость деформации составляет от 10-4 до 10-1 с-1. Статические испытания на растяжение относятся к наиболее распространенным. Свойства, определяемые при этих испытаниях, приведены в многочисленных стандартах по техническим условиям на материалы. К статическим относятся испытания на растяжение, сжатие, изгиб, кручение.

Динамические испытания характеризуются приложением к образцу ударной нагрузки и значительной скоростью деформации. Длительность испытания не превышает сотен долей секунды. Скорость деформации составляет около 102 с-1. Динамические испытания чаще всего проводят по схеме ударного изгиба образцов с надрезом.

Циклические испытания характеризуются многократными изменениями нагрузки по величине и по направлению. Примером испытаний являются испытания на усталость, они длительны и по их результату определяют число циклов до разрушения при разных значениях напряжения. В конечном итоге находят предельные напряжения, который образец выдерживает без разрушения в течение определенного числа циклов нагружения.

.2 Испытания на твердость

Простейшим механическим свойством является твердость. Методы определения твердости в зависимости от скорости приложения нагрузки делятся на статические и динамические, а по способу ее приложения - на методы вдавливания и царапания. Методы определения твердости по Бринеллю, Роквеллу, Виккерсу относятся к статическим методам испытания.

Твердость - это способность материала сопротивляться вдавливанию в него более твердого тела (индентора) под действием внешних сил.

При испытании на твердость в поверхность материалов вдавливают пирамиду, конус или шарик (индентор), в связи с чем различают методы испытаний, соответственно, по Виккерсу, Роквеллу и Бринеллю. Кроме того, существуют менее распространенные методы испытания твердости: метод упругого отскока (по Шору), метод сравнительной твердости (Польди) и некоторые другие.

При испытании материалов на твердость не изготавливают стандартных специальных образцов, однако к размерам и поверхности образцов и изделий предъявляются определенные требования.

Твердость по Виккерсу (ГОСТ 2999-75) устанавливают путем вдавливания в металл индентора - алмазной пирамиды с углом при вершине 136° под действием постоянной нагрузки Р: 1; 2; 2,5; 3; 5; 10; 20; 30; 50 или 100 кгс и выдержки под нагрузкой в течение 10-15 с. Для определения твердости черных металлов и сплавов используют нагрузки от 5 до 100 кгс, медных сплавов - от 2,5 до 50 кгс, алюминиевых сплавов - от 1 до 100 кгс. После снятия нагрузки с помощью микроскопа прибора находят длину диагонали отпечатка, а твердость  рассчитывают по формуле

 [1]

где Р - нагрузка, кгс; d- диагональ отпечатка, мм.

Имеется таблица зависимости твердости от величины нагрузки и длины диагонали. Поэтому на практике вычислений не производят, а пользуются готовой расчетной таблицей. Твердость по Виккерсу  измеряется в кгс/мм2, Н/мм2 или МПа. Значение твердости по Виккерсу может изменяться от  2060 до  5 при нагрузке 1 кгс.

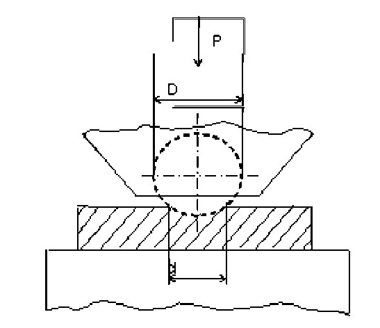
По методу Бриннелля вдавливают в образец или изделие стальной закаленный шарик диаметром 10, 5 или 2,5 мм под действием нагрузок 3000, 1000, 750, 500, 250, 62,5 кгс и др. (ГОСТ 9012-59, рисунок 1.1). Полученный круглый отпечаток на образце измеряют под лупой и по таблицам находят величину твердости по Бринеллю, значение которой не превышает 450 НВ. Твердость по Бринеллю почти совпадает со значениями твердости по Виккерсу.

Твердость HB - это также величина напряжений сопротивления вдавливанию:

 [2]

где P- нагрузка, кгс;площадь отпечатка, мм2;глубина сегмента отпечатка;диаметр шарика, мм;диаметр отпечатка, мм.

Твердость по Бринеллю НВ (по умолчанию) имеет размерность кгс/мм2, например, твердость алюминиевого сплава равна 70 НВ. При нагрузке, определяемой в ньютонах, твердость по Бринеллю измеряется в МПа. Например, твердость отожженной стали равна 207 НВ при нагрузке 3000 кгс, диаметре шарика 10 мм, диаметре отпечатка 4,2 мм или, учитывая коэффициент перевода: 1 Н = 9,8 кгс,

НВ = 2 028 МПа.

Рисунок 1.1- Схема определения твердости по Бринеллю

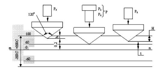
По методу Роквелла (ГОСТ 9013-59) вдавливают алмазный конус с углом при вершине 120° (шкалы А и С) или стальной шарик диаметром 1,5875 мм (шкала В).

При этом определяют твердость, соответственно, HRA, HRC и HRB. В настоящее время измерение твердости по методу Роквелла является наиболее распространенным методом, потому что при использовании твердомеров Роквелла не требуется измерять отпечаток, число твердости считывается со шкалы прибора сразу после снятия основной нагрузки.

Метод заключается во вдавливании в испытуемый образец индентора под действием двух последовательно прикладываемых нагрузок - предварительной Р0 и основной Р1 которая добавляется к предварительной, так что общая нагрузка Р = Р0 + Р1 После выдержки в течение нескольких секунд основную нагрузку снимают и измеряют остаточную глубину проникновения индентора, который при этом продолжает находиться под действием предварительной нагрузки. Перемещение основной стрелки индикатора на одно деление шкалы соответствует перемещению индентора на 0,002 мм, которое принимается за единицу твердости.

На рисунке 1.2 представлена схема измерения твердости по методу Роквелла алмазным или твердосплавным конусом. При испытаниях измеряют глубину восстановленного отпечатка. Шкалы А и С между собой совпадают, поскольку испытания проводят одним и тем же индентором - алмазным конусом, но при разных нагрузках: 60 и 150 кгс соответственно. Твердость в этом случае определяется как

 [3]

По шкале В (нагрузка 100 кгс, шарик)

 [4]

На практике значения твердости по Роквеллу не рассчитываются по формулам, а считываются с соответствующей (черной или красной) шкалы прибора. Шкалы HRC и HRA используются для высокой твердости, HRB -для низкой. Число твердости по Роквеллу измеряют в условных единицах, оно является мерой глубины вдавливания индентора под определенной нагрузкой.

Рисунок 1.2 - Схема определения твердости по Роквеллу (индентор - конус)

Испытание на растяжение материалов проводят в соответствии с ГОСТ 1497-84 «Методы испытаний на растяжение». Стандарт устанавливает методы статических испытаний на растяжение черных и цветных металлов для определения при температуре 20 °С пределов пропорциональности, упругости, текучести, временного сопротивления разрыву, относительного удлинения и относительного сужения, модуля упругости.

Для испытаний применяют плоские и цилиндрические образцы, вырезанные из детали или специально изготовленные. Размеры образцов регламентированы указанным стандартом, они подчиняются геометрическому подобию и могут быть короткими и длинными. Для цилиндрического образца берется соотношение начальной рабочей длины l0 и исходного диаметра d0 : l0= 5d0- короткий образец, l0= 10d0 - длинный образец. Для плоского образца берется соотношение рабочей длины l0 и площади поперечного сечения F0:= 5,65√F0 - короткий образец, l0= 11,3√F0 - длинный образец. Цилиндрические образцы изготавливаются диаметром 3 мм и более. Образцы состоят из рабочей части длиной l0 и головок, форма и размер которых соответствуют захватам машины (рисунок 1,3).

Рисунок 1.3 Цилиндрические и плоские образцы до (а) и после (б) испытания на растяжение

Растяжение образца проводят на специальных машинах, позволяющих фиксировать величину прилагаемой нагрузки и изменение длины образца при растяжении. Эти же машины дают возможность записывать изменение длины образца при увеличении нагрузки (рисунок 1,4) , т.е. первичную диаграмму испытания на растяжение в координатах: нагрузка Р, Н, кН; и абсолютное удлинение образца А, мм.

Рисунок 1.4 - Первичная диаграмма растяжения

Измеряя величину нагрузки в характерных точках диаграммы испытаний на растяжение (рисунок 1,4), определяют следующие параметры механических свойств материалов:

σ пц- предел пропорциональности, точка р;

σ 0,05 - предел упругости, точка е;

σ т - предел текучести физический, точка s;

σ 0,2- предел текучести условный;

σ в - временное сопротивление разрыву, или предел прочности, точка b.

Значения 0,05 и 0,2 в записи предела упругости и текучести соответствуют величине остаточной деформации ∆l в процентах от l0 при растяжении образца. Напряжения при испытании на растяжение вычисляют путем деления нагрузки Р, соответствующей характерной точке на диаграмме, на площадь первоначального поперечного сечения F0рабочей части испытуемого образца: