Лабораторная работа Э–20 Исследование распределения магнитного поля, образованного прямым и круговым токами
Отчёт о работе
Работу выполнил: |
|
фамилия |
Кшинин |
имя |
Иван |
отчество |
Бахтиёрович |
группа |
1Б92 |
Краткое теоретическое содержание работы
|
Векторная величина, являющаяся силовой характеристикой магнитного поля, его действия на заряженные частицы в данной точке пространства
|
|
Векторная величина, являющаяся силовой характеристикой магнитного поля, его действия на заряженные частицы в данной точке пространства |
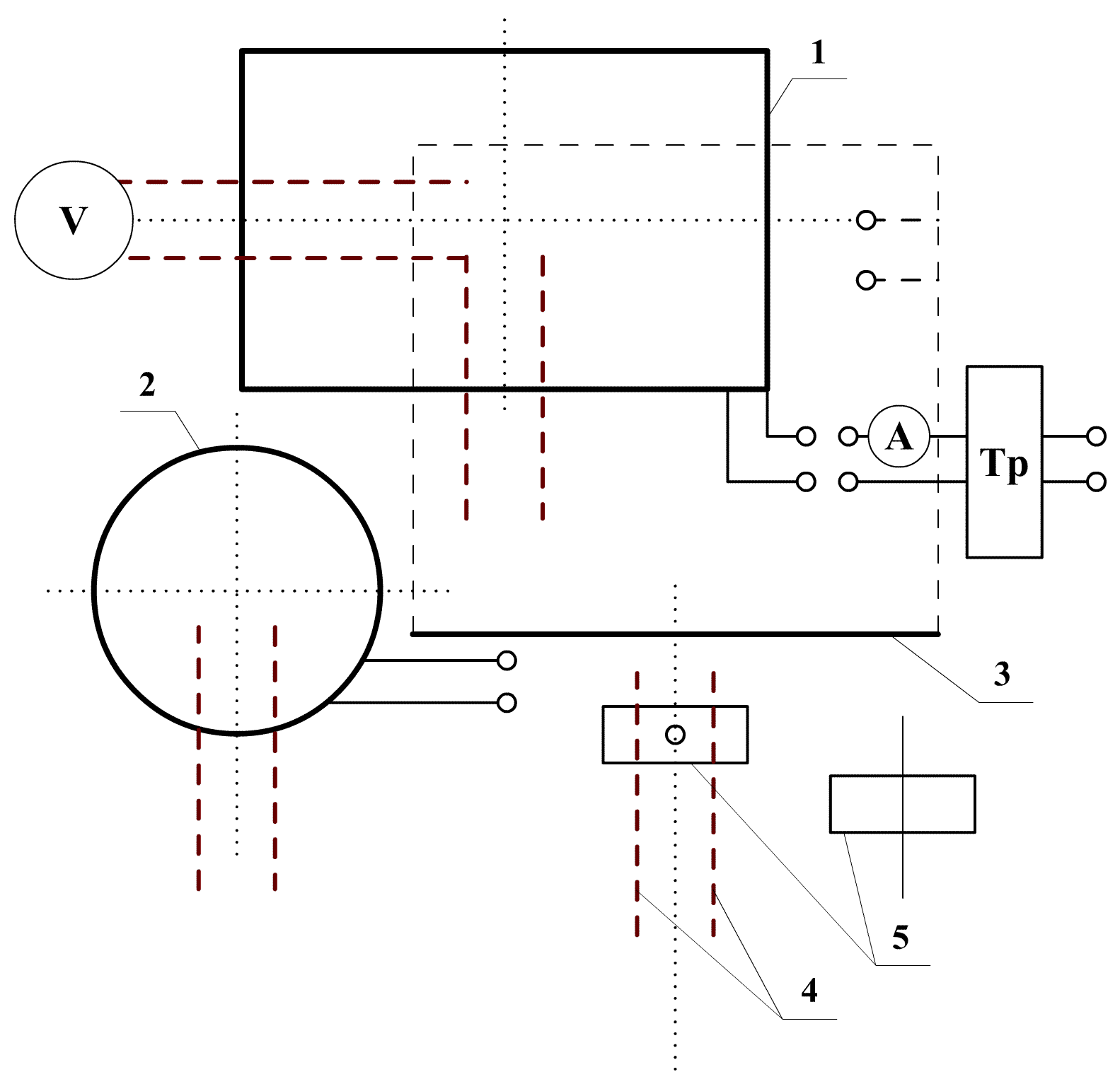
Схема установки
Обозначения: |
|
1 — |
Медная проволока прямоугольного контура |
2 — |
Медная проволока кругового контура |
3 — |
Медная проволока прямолинейного контура |
4 — |
Гнезда, клеммная колодка. |
5 — |
Вилка штепсельная |
А — |
Амперметр |
V — |
Вольтметр |
Тр — |
Трансформатор |
Расчётные формулы
1. При измерениях: |
|
B = |
|
где |
|
ε — |
ЭДС индукции |
N — |
Количество витков |
S — |
Площадь витка катушек |
ω — |
Циклическая частота переменного тока |
2. Для вычисления значений индукции магнитного поля в прямоугольном контуре и от отрезка прямого тока применяется формула: |
||
B = |
|
|
где |
||
μ0 — |
Магнитная постоянная |
|
I — |
Ток, текущий по проводнику |
|
φ1 — |
Предел измерения угла, проводника конечной длинны |
|
φ2 — |
Предел измерения угла, проводника конечной длинны |
|
a — |
RРасстояние от проводника до точки определения индукции магнитного поля |
|
3. Для вычисления значений индукции магнитного поля в центре кругового контура применяется формула: |
||
B = |
|
|
где |
||
μ0 — |
Магнитная постоянная |
|
I — |
Сила тока |
|
R — |
Радиус |
|
Результаты измерений
1. Для прямоугольного контура
Таблица 1
I (A) |
87.5
где
|
r1 (см) |
1 |
2 |
3 |
4 |
5 |
6 |
7 |
8 |
9 |
10 |
11 |
ε (В) |
10.7 |
20.7 |
53.3 |
108.1 |
67.3 |
56.8 |
51.7 |
49.1 |
47.8 |
47.1 |
46.9 |
B (Тл) |
0.001721 |
0.00333 |
0.008573 |
0.017 |
0.011 |
0.009136 |
0.008316 |
0.007898 |
0.007689 |
0.007576 |
0.007544 |
Таблица 2
r2 (см) |
1 |
2 |
3 |
4 |
5 |
6 |
ε (В) |
17 |
29.08 |
67.1 |
112.7 |
65.2 |
52.9 |
B (Тл) |
0.002734 |
0.004678 |
0.011 |
0.018 |
0.01 |
0.008509 |
2. Для кругового контура
Таблица 3
I (A) |
79.2 |
r (см) |
1 |
2 |
3 |
4 |
5 |
6 |
7 |
8 |
9 |
ε (В) |
5.7 |
9.8 |
19.8 |
50.5 |
104.1 |
66.5 |
54.3 |
49.3 |
48.8 |
B (Тл) |
0.000916 |
0.001576 |
0.003185 |
0.008123 |
0.017 |
0.011 |
0.008734 |
0.00793 |
0.00785 |
3. Для отрезка прямого тока
Таблица 4
I (A) |
56 |
r (см) |
1 |
2 |
3 |
4 |
5 |
6 |
ε (В) |
4.3 |
6.3 |
9.3 |
13.8 |
22.8 |
48.1 |
B (Тл) |
0.000691 |
0.001013 |
0.001496 |
0.00222 |
0.003667 |
0.007737 |
Обработка результатов
1. Графические зависимости
B = f(r1) (по данным таблицы 1)
|
B = f(r2) (по данным таблицы 2)
|
B = f(r) (по данным таблицы 3)
|
B = f(r) (по данным таблицы 4)
|
2. Сравните экспериментальные данные с расчётными:
Прямоугольный контур |
|
Экспериментальное значение B в центре контура |
Расчётное значение B в центре контура |
|
|