Материал: идз 1 электроника

Внимание! Если размещение файла нарушает Ваши авторские права, то обязательно сообщите нам

МИНИСТЕРСТВО ОБРАЗОВАНИЯ И НАУКИ РОССИЙСКОЙ ФЕДЕРАЦИИ

Федеральноегосударственноеавтономноеобразовательноеучреждение высшего образования

«НАЦИОНАЛЬНЫЙ ИССЛЕДОВАТЕЛЬСКИЙТОМСКИЙ ПОЛИТЕХНИЧЕСКИЙ УНИВЕРСИТЕТ»

Энергетический институт Кафедра электропривода и электрооборудования

Индивидуальное задание №1

По дисциплине: электроника

Полупроводниковые диоды и их применение в выпрямительных устройствах

Вариант №39

Студент

Группа

 

ФИО

 

Подпись

Дата

5А8Б

 

Овчинникова Дарья Андреевна

 

01.11.2020

 

 

 

 

 

 

Преподаватель

 

 

 

 

 

Должность

 

ФИО

Ученая степень,

Подпись

Дата

 

 

 

звание

 

 

Доцент

 

Тимошкин Вадим

К.Т.Н.

 

 

 

Владимирович

 

 

 

 

 

 

 

Томск 2020 г.

Исходные данные

Дано:

-Номинальное выпрямленное напряжение на нагрузке Ud=50 В; -ток нагрузки Id=10 А;

-дополнительный коэффициент пульсаций выходного напряжения на нагрузке kп=0,07;

-частота питающей сети f=50 Гц; -количество фаз n=1;

-номинальное напряжение, подаваемое на первичную обмотку трансформатора, U1=220 В.

Расчет выпрямительного устройства

1. Анализ исходных данных и выбор принципиальной схемы выпрямителя:

Определим мощность и сопротивление нагрузки:

= ∙ = 50 ∙ 10 = 500 Вт;

50= = 10 = 5 Ом.

Однополупериодные выпрямители применяются в основном с емкостным фильтром при токах нагрузки до десятков миллиампер. Преимуществом таких выпрямителей являются простота и возможность работать без трансформатора. Их недостатки: низкая частота пульсаций, высокое обратное напряжение на диодах, плохое использование трансформатора, подмагничивание сердечника трансформатора постоянным током.

Двухполупериодные выпрямители со средней точкой применяются при напряжениях нагрузки до нескольких десятков вольт и выходной мощности до 50 Вт. На выходе выпрямителя устанавливают Г- или П-образные LC и RC фильтры. Преимущества этих выпрямителей: повышенная частота пульсаций, малое число вентилей, возможность применения общего радиатора без изоляции вентилей, малое падение напряжения на вентилях. Недостатки: большая требуемая габаритная мощность трансформатора, повышенное обратное напряжение на вентильных диодах.

Мостовая схема выпрямления применяется наиболее часто. Ее применяют с емкостным, Г- или П-образными LC и RC фильтрами. Достоинством мостовых выпрямителей являются: повышенная частота пульсаций, небольшое обратное напряжение на диодах, эффективное использование трансформатора. Недостатками являются: повышенное падение напряжения на вентилях, невозможность установки однотипных вентилей на одном радиаторе без изолирующих прокладок.

После проведенного анализа однофазных схем выпрямителей выбираем мостовую схему выпрямления.

2. Расчет параметров сглаживающего фильтра:

2

;

Так как ток нагрузки составляет единицы, применяем Г-образный LC- фильтр.

Одним из основных условий является обеспечение явно выраженной индуктивной реакции фильтра на выпрямитель, необходимой для большей стабильности внешней характеристики выпрямителя. При индуктивной реакции фильтра меньше действующие значения токов в вентилях и обмотках трансформатора. Для обеспечения индуктивной реакции необходимо, чтобы:

 

2

 

2 ∙ 50

 

=

 

= 5,31 мГн,

( 2 − 1)

(4 − 1) ∙ 2 ∙ 314 ∙ 10

 

 

 

 

 

где круговая частота напряжения сети- = 2 = 2 ∙ 3,14 ∙ 50 = 314 (радс ), m-пульсность выпрямителя, m=2.

Величину емкости найдем из выражения:

 

=

1 +

=

1 + 9,43

= 0,00498 Ф,

 

 

 

2

−3

2

 

( )

 

5,31 ∙ 10

(2 ∙ 314)

 

где q-коэффициент сглаживания, который находится по формуле:

= псх = 0,66 = 9,43п 0,07

Проводим проверку условий эффективности работы фильтра:

1

=

1= 2 ∙ 314 ∙ 0,005 = 0,318 Ом 5 Ом.

= ;= 2 ∙ 314 ∙ 5,31 ∙ 10−3 = 3,34 Ом.

Условия эффективности считаются выполненными, если параметры отличаются в более, чем 5 раз, т.е. выше условия выполняются.

3. Расчет параметров вентильного узла и выбор типов выпрямительных диодов:

Характер нагрузки выпрямителя может быть активным (R), активноиндуктивным (RL) или активно-ёмкостным (RC). Выпрямитель с выходным ёмкостным или резистивно-ёмкостным фильтром считается нагруженным на активно-емкостную нагрузку, а выпрямитель с фильтром, начинающимся на индуктивность – на активно-индуктивную нагрузку.

В нашем случае нагрузка активно-емкостная.

Для того, чтобы выбрать тип полупроводниковых диодов выпрямителя, необходимо рассчитать с учетом характера нагрузки основные характеристики выпрямителя.

Предварительно выбираем диод КД2997Б Основные технические характеристики диода КД2997Б:

3

Uoбp max - Максимальное постоянное обратное напряжение: 100 В;

Inp max - Максимальный прямой ток: 30 А;

fд - Рабочая частота диода: 100 кГц;

Unp - Постоянное прямое напряжение: не более 1 В при Inp 30 А;

Ioбp - Постоянный обратный ток: не более 25 мА при Uoбp 100 В;

tвoc обр - Время обратного восстановления: не более 0,2 мкс

ПР 1ПР = ПР = 30 = 0,03 Ом

ТР = 0,06 ∙ = 0,06 ∙ 5 = 0,3 Ом

Ф = 0,2 ∙ = 0,2 ∙ 5 = 1 Ом

Расчет параметров для активно-емкостной нагрузки:

= 2 ∙ ПР + ТР + Ф = 2 ∙ 0,03 + 0,3 + 1 = 1,36

Вспомогательный коэффициент A для двухполупериодных выпрямителей:

 

∙ ∙

 

∙ 1,36 ∙

10

 

=

 

=

 

 

= 0,43

2 ∙

2 ∙ 50

 

 

 

 

 

 

 

 

 

 

 

Находим остальные вспомогательные коэффициенты из графиков:

= 1,9= 1,19= 4,9= 630

Находим значение максимального обратного напряжения Uобр.max, прикладываемого к силовым диодам при работе выпрямителя выбранного типа:

обр. = ∙ √2 ∙ = 95,5 В

Среднее Iпр.ср, действующее Iпр.Д и максимальное Iпр.max значения прямого тока диодов равны:

 

 

=

 

1

 

 

 

= 0,5 ∙ 10 = 5 А;

 

 

2

 

 

пр.ср

 

 

 

 

 

1,95

 

 

 

=

 

 

 

=

∙ 10 = 9,75 А;

2

 

 

 

2

пр.Д

 

 

 

 

 

 

 

 

 

 

 

=

 

 

=

4,8

∙ 10 = 24 А.

 

2

 

пр.

 

 

 

 

2

 

Частота на выходе выпрямителя fп:

п = 2 ∙ вх = 2 ∙ 50 = 100 Гц.

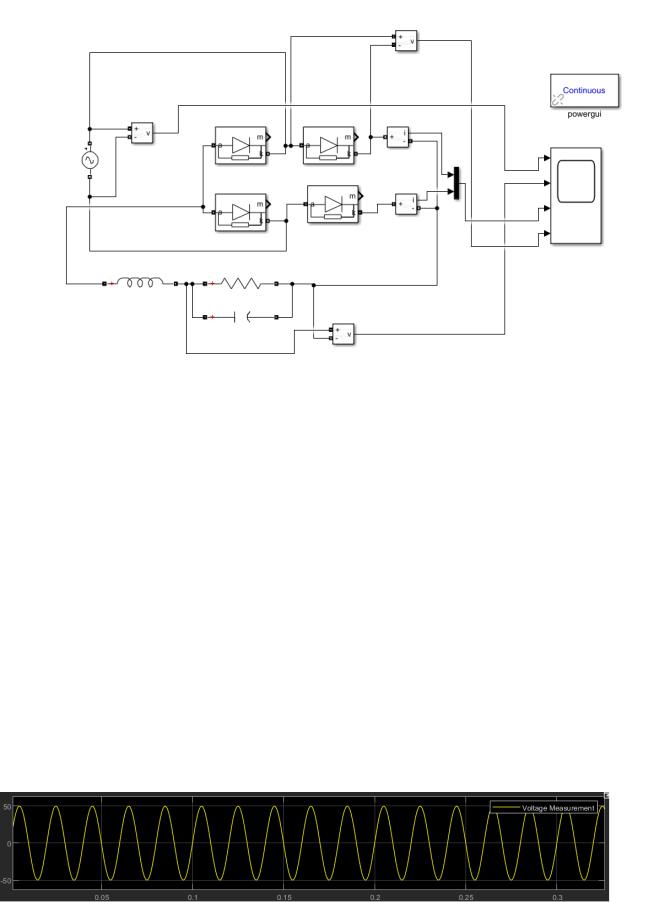
В программе MATLAB строим мостовую схему с LC фильтром, вводим найденные параметры диода.

4

Риc.№1.- Однофазная мостовая схема с LC фильтром

4. Расчет параметров трансформатора:

Находим действующее значение напряжения Uи тока Iвторичной обмотки трансформатора:

 

 

= 2 ∙ ∙

= 2 ∙ 1,19 ∙ 50 = 119 В;

 

 

 

 

 

 

 

 

 

 

 

 

 

 

 

 

 

 

 

=

√2

=

1,9 ∙ √2

∙ 10 = 13,4 А.

 

 

 

 

 

 

 

 

 

 

 

2

 

 

2

 

 

 

Минимальная требуемая мощность вторичной обмотки трансформатора

равна:

 

 

 

 

 

 

 

 

 

 

 

 

 

 

 

 

 

 

 

 

=

 

 

=

1,19

1,9

∙ 500 = 799,4 Вт.

 

 

 

 

 

 

 

2

 

 

√2

 

 

 

 

√2

5. Построение временных диаграмм выпрямителя:

Проверку соответствия применяемых компонентов режима их работы в выпрямителе проведем, смоделировав полученное выпрямительное устройство с использованием прикладной программы MATLAB (Simulink).

Рис.№2. - Напряжение на вторичной обмотке трансформатора

5