Материал: hcf4017b

Внимание! Если размещение файла нарушает Ваши авторские права, то обязательно сообщите нам

HCF4017B

DECADE COUNTER WITH 10 DECODED OUTPUTS

MEDIUM SPEED OPERATION : 10 MHz (Typ.) at VDD = 10V

FULLY STATIC OPERATION

STANDARDIZED SYMMETRICAL OUTPUT CHARACTERISTICS

QUIESCENT CURRENT SPECIFIED UP TO 20V

5V, 10V AND 15V PARAMETRIC RATINGS

INPUT LEAKAGE CURRENT

II = 100nA (MAX) AT VDD = 18V TA = 25°C

100% TESTED FOR QUIESCENT CURRENT

MEETS ALL REQUIREMENTS OF JEDEC JESD13B " STANDARD SPECIFICATIONS FOR DESCRIPTION OF B SERIES CMOS DEVICES"

DESCRIPTION

The HCF4017B is a monolithic integrated circuit fabricated in Metal Oxide Semiconductor technology available in DIP and SOP packages.

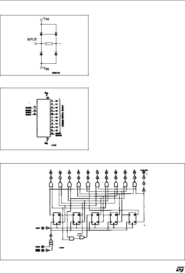
The HCF4017B is 5-stage Johnson counter having 10 decoded outputs. Inputs include a CLOCK, a RESET, and a CLOCK INHIBIT signal. Schmitt trigger action in the clock input circuit provides pulse shaping that allows unlimited clock input pulse rise and fall times. This counter is advanced one count at the positive clock signal transition if the CLOCK INHIBIT signal is low. Counter advanced via the clock line is inhibited

 

DIP

SOP

 

 

ORDER CODES

 

PACKAGE

TUBE

T & R

 

 

 

DIP

HCF4017BEY

 

 

 

 

SOP

HCF4017BM1

HCF4017M013TR

 

 

 

when the CLOCK INHIBIT signal is high. A high RESET signal clears the counter to its zero count. Use of the Johnson decade-counter configuration permits high speed operation, 2-input decimal decode gating and spike-free decoded outputs. Anti-lock gating is provided, thus assuring proper counting sequence. The decoded outputs are normally low and go high only at their respective decoded time slot. Each decoded output remains high for one full clock cycle. A CARRY - OUT signal completes one cycle every 10 clock input cycles and is used to ripple-clock the succeeding device in a multi-device counting chain.

PIN CONNECTION

September 2001

1/11

HCF4017B

INPUT EQUIVALENT CIRCUIT

FUNCTIONAL DIAGRAM

LOGIC DIAGRAM

PIN DESCRIPTION

PIN No

SYMBOL

NAME AND FUNCTION

 

 

 

3, 2, 4, 7, 10,

0 to 9

Decoded Decimal Output

1, 5, 6, 9, 11

 

 

 

 

 

14

CLOCK

Clock Input

 

 

 

13

CLOCK

Clock Inhibit Input

INHIBIT

 

 

 

 

 

15

RESET

Reset Input

 

 

 

12

CARRY OUT

Carry Output

 

 

 

8

VSS

Negative Supply Voltage

16

VDD

Positive Supply Voltage

TRUTH TABLE

CLOCK

CLOCK

RESET

DECODED

INHIBIT

OUTPUT

 

 

 

 

 

 

 

 

 

 

 

 

 

 

 

 

X

 

X

H

Q0

 

L

 

X

L

Qn

 

X

 

H

L

Qn

 

 

 

 

 

L

L

Qn+1

 

 

 

 

 

 

 

 

 

 

 

 

 

 

 

 

 

 

 

L

L

Qn

 

 

 

 

 

 

 

 

 

 

 

 

 

 

 

H

 

 

 

 

L

Qn

 

 

 

 

 

 

 

 

 

 

 

 

 

 

 

 

H

 

 

 

 

L

Qn+1

 

 

 

 

 

 

 

 

 

 

 

 

 

 

 

X : Don’t Care

Qn : No Change

This logic diagram has not be used to estimate propagation delays

2/11

HCF4017B

TIMING CHART

ABSOLUTE MAXIMUM RATINGS

Symbol

Parameter

Value

Unit

 

 

 

 

VDD

Supply Voltage

-0.5 to +22

V

VI

DC Input Voltage

-0.5 to VDD + 0.5

V

II

DC Input Current

± 10

mA

PD

Power Dissipation per Package

200

mW

 

Power Dissipation per Output Transistor

100

mW

 

 

 

 

Top

Operating Temperature

-55 to +125

°C

Tstg

Storage Temperature

-65 to +150

°C

Absolute Maximum Ratings are those values beyond which damage to the device may occur. Functional operation under these conditions is not implied.

All voltage values are referred to VSS pin voltage.

RECOMMENDED OPERATING CONDITIONS

Symbol

Parameter

Value

Unit

 

 

 

 

VDD

Supply Voltage

3 to 20

V

VI

Input Voltage

0 to VDD

V

Top

Operating Temperature

-55 to 125

°C

3/11

HCF4017B

DC SPECIFICATIONS

 

 

 

Test Condition

 

 

 

 

 

Value

 

 

 

 

 

 

 

 

 

 

 

 

 

 

 

 

 

 

Symbol

Parameter

VI

VO

|IO|

VDD

TA = 25°C

 

-40 to 85°C

-55 to 125°C

Unit

 

 

(V)

(V)

(μA)

(V)

Min.

Typ.

Max.

Min.

Max.

Min.

Max.

 

 

 

 

 

 

 

 

 

 

 

 

 

 

 

 

 

 

 

 

 

 

 

IL

Quiescent Current

0/5

 

 

5

 

0.04

 

5

 

150

 

150

 

 

 

0/10

 

 

10

 

0.04

 

10

 

300

 

300

μA

 

 

 

 

 

 

 

 

 

 

 

 

 

 

 

 

0/15

 

 

15

 

0.04

 

20

 

600

 

600

 

 

 

 

 

 

 

 

 

 

 

 

 

 

 

 

 

 

 

 

 

 

 

 

 

 

0/20

 

 

20

 

0.08

 

100

 

3000

 

3000

 

 

 

 

 

 

 

 

 

 

 

 

 

 

 

 

VOH

High Level Output

0/5

 

<1

5

4.95

 

 

 

4.95

 

4.95

 

 

 

Voltage

0/10

 

<1

10

9.95

 

 

 

9.95

 

9.95

 

V

 

 

 

 

 

 

 

 

 

 

 

 

 

 

 

 

 

 

 

 

 

 

 

 

 

0/15

 

<1

15

14.95

 

 

 

14.95

 

14.95

 

 

VOL

Low Level Output

5/0

 

<1

5

 

0.05

 

 

 

0.05

 

0.05

 

 

Voltage

10/0

 

<1

10

 

0.05

 

 

 

0.05

 

0.05

V

 

 

 

 

 

 

 

 

 

 

 

 

 

 

 

 

 

 

 

 

 

 

 

 

 

15/0

 

<1

15

 

0.05

 

 

 

0.05

 

0.05

 

 

 

 

 

 

 

 

 

 

 

 

 

 

 

 

VIH

High Level Input

 

0.5/4.5

<1

5

3.5

 

 

 

3.5

 

3.5

 

 

 

Voltage

 

1/9

<1

10

7

 

 

 

7

 

7

 

V

 

 

 

 

 

 

 

 

 

 

 

 

 

 

 

 

 

 

1.5/13.5

<1

15

11

 

 

 

11

 

11

 

 

 

 

 

 

 

 

 

 

 

 

 

 

 

 

 

VIL

Low Level Input

 

4.5/0.5

<1

5

 

 

 

1.5

 

1.5

 

1.5

 

 

Voltage

 

9/1

<1

10

 

 

 

3

 

3

 

3

V

 

 

 

 

 

 

 

 

 

 

 

 

 

 

 

 

 

 

13.5/1.5

<1

15

 

 

 

4

 

4

 

4

 

 

 

 

 

 

 

 

 

 

 

 

 

 

 

 

IOH

Output Drive

0/5

2.5

<1

5

-1.36

-3.2

 

 

-1.1

 

-1.1

 

 

 

Current

0/5

4.6

<1

5

-0.44

-1

 

 

-0.36

 

-0.36

 

mA

 

 

 

 

 

 

 

 

 

 

 

 

 

 

 

 

 

 

 

 

 

 

0/10

9.5

<1

10

-1.1

-2.6

 

 

-0.9

 

-0.9

 

 

 

 

 

 

 

 

 

 

0/15

13.5

<1

15

-3.0

-6.8

 

 

-2.4

 

-2.4

 

 

 

 

 

 

 

 

 

 

 

 

 

 

 

 

 

IOL

Output Sink

0/5

0.4

<1

5

0.44

1

 

 

0.36

 

0.36

 

 

 

Current

0/10

0.5

<1

10

1.1

2.6

 

 

0.9

 

0.9

 

mA

 

 

 

 

 

 

 

 

 

 

 

 

 

 

 

 

 

0/15

1.5

<1

15

3.0

6.8

 

 

2.4

 

2.4

 

 

 

 

 

 

 

 

 

 

 

 

 

 

 

 

 

II

Input Leakage

0/18

Any Input

18

 

±10-5

 

±0.1

 

±1

 

±1

μA

 

Current

 

 

 

 

 

 

 

 

 

 

 

 

 

CI

Input Capacitance

 

Any Input

 

 

5

 

7.5

 

 

 

 

pF

The Noise Margin for both "1" and "0" level is: 1V min. with VDD=5V, 2V min. with VDD=10V, 2.5V min. with VDD=15V

4/11

HCF4017B

DYNAMIC ELECTRICAL CHARACTERISTICS (Tamb = 25°C, C L = 50pF, RL = 200KΩ, tr = tf = 20 ns)

Symbol

Parameter

 

Test Condition

 

Value (*)

 

Unit

 

 

 

 

 

 

 

 

VDD (V)

 

Min.

 

Typ.

 

Max.

 

 

 

 

 

 

 

 

 

 

 

 

 

 

 

 

 

CLOCKED OPERATION

 

 

 

 

 

 

 

 

 

 

 

 

 

 

 

 

 

 

tPLH tPHL

Propagation Delay Time

5

 

 

 

325

 

650

 

 

(decode out)

10

 

 

 

135

 

270

ns

 

 

 

 

 

 

 

 

 

 

 

 

15

 

 

 

85

 

170

 

 

Propagation Delay Time

5

 

 

 

300

 

600

 

 

(carry out)

 

 

 

 

 

 

 

 

 

10

 

 

 

125

 

250

ns

 

 

 

 

 

 

 

 

15

 

 

 

80

 

160

 

 

 

 

 

 

 

 

 

 

 

tTHL tTLH

Transition Time (carry out

5

 

 

 

100

 

200

 

 

or decoded out lines)

10

 

 

 

50

 

100

ns

 

 

 

 

 

 

 

 

 

 

 

 

15

 

 

 

40

 

80

 

 

 

 

 

 

 

 

 

 

 

fCL

Maximum Clock Input

5

 

2.5

 

5

 

5

 

(1)

 

 

 

 

 

 

 

 

 

 

Frequency

 

 

 

 

 

 

 

 

 

10

 

5

 

10

 

 

MHz

 

 

 

 

 

 

 

 

 

 

 

 

15

 

5.5

 

11

 

 

 

 

 

 

 

 

 

 

 

 

 

tW

Minimum Clock Pulse

5

 

 

 

100

 

200

 

 

Width

10

 

 

 

45

 

90

ns

 

 

 

 

 

 

 

 

 

 

 

 

15

 

 

 

30

 

60

 

tr , tf

Clock Input Rise or Fall

5

 

 

 

 

 

 

 

Time

10

 

 

unlimited

 

μs

 

 

 

 

 

 

15

 

 

 

 

 

 

 

 

 

 

 

 

 

 

 

 

tsetup

Data Setup Time Minimum

5

 

 

 

115

 

230

 

 

Clock Inhibit

10

 

 

 

50

 

100

ns

 

 

 

 

 

 

 

 

 

 

 

 

15

 

 

 

35

 

75

 

 

 

 

 

 

 

 

 

 

 

RESET OPERATION

 

 

 

 

 

 

 

 

 

 

 

 

 

 

 

 

 

 

tPLH, tPHL

Propagation Delay Time

5

 

 

 

265

 

530

 

 

(carry out or decoded out

10

 

 

 

115

 

230

ns

 

lines)

 

 

 

 

 

 

 

 

 

15

 

 

 

85

 

170

 

 

 

 

 

 

 

 

 

 

 

 

 

 

 

 

 

 

tW

Minimum Reset Pulse

5

 

 

 

130

 

260

 

 

Width

10

 

 

 

55

 

110

ns

 

 

 

 

 

 

 

 

15

 

 

 

30

 

60

 

 

 

 

 

 

 

 

 

 

 

tREM

Minimum Reset Removal

5

 

 

 

200

 

400

 

 

Time

10

 

 

 

140

 

280

ns

 

 

 

 

 

 

 

 

 

 

 

 

 

 

 

 

 

 

15

 

 

 

75

 

150

 

 

 

 

 

 

 

 

 

 

 

(*) Typical temperature coefficient for all VDD value is 0.3 %/°C.

 

 

 

 

 

 

(1) Measured with respect to carry out line.

 

 

 

 

 

 

 

 

5/11