Изменение величины напряженности
электрического поляЕ представлено на рисунке 6. Напряженность электрического
поля Е максимальна на границе р-и n-областей, где происходит скачкообразное
изменение знака объемного заряда.
Рисунок 6 - Зависимость
напряженности электрического поля Е от координаты x.
В этом сечении полупроводника крутизна кривой φ(x) максимальна.Напряженность электрического поля представляет собою градиент потенциала, т. е. характеризуется скоростью изменения потенциала с изменением координаты. Поэтому максимальной крутизне кривой φ(x), точке ее перегиба, будет соответствовать максимальное значение напряженности электрического поля Е. При удалении от р- и n-областей напряженности поля убывает. Там, где объемный заряд равен нулю, электрическое поле отсутствует.
Таким образом, область, обеднённая свободными носителями заряда со своим собственным электрическим полем называется р-n переходом. Область перехода является наиболее высокоомной частью диодной структуры. n-переход характеризуется двумя основными параметрами:
) Высотой потенциального барьера.
Она равна контактной разности потенциалов![]()
. Это разность потенциалов в переходе,
обусловленная градиентом концентрации носителей заряда. Контактная разность
потенциалов представляет энергию, которой должен обладать свободный заряд,
чтобы преодолеть потенциальный барьер:
гдеk = 1,38•10-23 Дж/К- постоянная Больцмана;е- заряд электрона;
Т- абсолютная температура ;ррирn-
концентрации дырок в р-иn-областях соответственно ;nриnn- концентрации
электронов в р-иn-областях соответственно,![]()
- температурный потенциал. При
температуре
Т = 270С![]()
0.025 В.Для германиевого перехода
контактная разность потенциалов![]()
0,6В, а для кремниевого перехода![]()
![]()
0,8В.
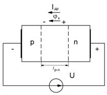
) Ширинаp-n-перехода
lp-n(рисунки
3) - это приграничная область, обеднённая носителями заряда, которая
располагается между p- иn-областях:
n = lp +ln
, где

(2)
гдеε- относительная диэлектрическая проницаемость материала полупроводника;ε0 - диэлектрическая постоянная вакуума; NAи ND-концентрация акцепторов и доноров. Из формулы (2) видно, что ширинаp-n-перехода зависит от концентраций акцепторов и доноров.
Толщина электронно-дырочных
переходов имеет порядок (0,1-10) мкм. Чем толще p-n-переход,тем больший ток
может протекать без его повреждения, тем на большую допустимую мощность
рассчитан диод.
. Типы р-n-переходов в диодах
Несимметричным называют такой
p-n-переход, в котором концентрации акцепторов и доноров существенно
различаются (
Na>
Nдили
Na<
Nд),
аобласти,
обедненные свободными зарядами, неравны по размерам (lp<lnили lp>ln)
.Переход
располагается в большей степени в области полупроводника с меньшей
концентрацией примеси.
Переходы, в которых имеется
скачкообразное изменение концентрации на границе слоев, называются ступенчатыми.По
соотношению концентраций основных носителей (электронов nn и дырок pp) или по
соотношению концентраций ионов акцепторов
Na и доноров
Nд
в р и п слоях
кристалла переходы делятся на симметричные и несимметричные. Если pp = nn или
Na =
Nд
, то lp =ln
и p-n-переход называется симметричным. (На рисунках 1 и 2 приведены
концентрации
Na и
Nд
, ppи nn для
ступенчатого симметричного перехода). Если
Na>
Nд (
Na<
Nд)
то lp<ln (lp>ln)
и
p-n-переход называется несимметричным.Симметричные переходы, где концентрации
основных носителей в обоих слоях почти одинаковы, трудно реализовать
практически.Поэтому они не являются типичными. Большее распространение получили
несимметричные переходы, в которых выполняются неравенства
pp > nn(
Nа >
Nд )или
nn > pp (
Nд >
Nа ), и
концентрации различаются в несколько раз.
5.p-n-переход при внешнем напряжении,
приложенном к нему
В равновесном состоянии (без внешнего напряжения) через р-n-переход движутся два встречных потока зарядов, протекают два тока. Это:
дрейфовый ток неосновных носителей заряда- Iдр;
диффузионный ток, который связан с движением основных носителей заряда- Iдиф.
Так как внешнее напряжение отсутствует,и тока во внешней цепи нет, то дрейфовый ток и диффузионный ток взаимно уравновешиваются.Поэтому результирующий ток, равный алгебраической сумме токов, равен нулю
др + Iдиф = 0 (3)
Это соотношение называется условием динамического равновесия процессов диффузии и дрейфа в изолированном (равновесном)p-n-переходе.
Внешнее напряжение нарушает динамическое
равновесие токов вn-переходе и он переходит в неравновесное состояние. В
зависимости от полярности напряжения приложенного к областям в p-n-переходе
возможно два режима работы стабилитрона.
. Прямое смещение p-n-перехода
Если положительный полюс источника постоянного напряжения подсоединен кр-области, а отрицательный - к n-области,то p-n-переход смещён в прямом направлении (рисунок 7)
При прямом смещении, контактная разность потенциалов φк и напряжение источника U направлены встречно.Результирующее напряжение на p-n-переходе убывает до величиныφк - U . Это приводит к тому, что:
) напряженность электрического поля на p-n-переходе убывает и возобновляется процесс диффузии основных носителей заряда.Ток диффузии, ток основных носителей заряда, становится много больше дрейфового тока. Таким образом, через p-n-переход протекает прямой ток равный
р-n-Iп-р=Iдиф-Iдр ≈ Iдиф (4)
) ширина p-n перехода уменьшается. Согласно теории lp-n ≈ (φк - U )1/2.
) сопротивление p-n перехода при прямом смещении мало и не превышает нескольких десятков Ом.
При протекании прямого тока основные носители
заряда переходят из одной области в другую (дырки из р-области переходят в
n-область, а электроны из n-области - в р-область), где становятся неосновными.
Диффузионный процесс проникновения основных носителей заряда в область, где они
становятся неосновными, называется инжекцией, а прямой ток - диффузионным током
или током инжекции. Для компенсации неосновных носителей заряда,
накапливающихся в p и n-областях, во внешней цепи возникает электронный ток от
источника напряжения, т.е. принцип электронейтральности сохраняется.
|
|
|
При увеличении напряжения источника Uток через
p-n-переход резко возрастает по экспоненциальному закону Iпр =I0exp(U/φT)
и
может достигать больших величин, т.к. связан с основными носителями,
концентрация которых велика.
. Обратное смещение p-n-перехода
Если кр-области p-n-перехода приложен минус, а к n-области плюс внешнего источника напряжения (рисунок 8), то p-n-переход обратно смещен.
Напряжение внешнего источника увеличивает высоту
потенциального барьера до величиныφк
+ U . Напряженность электрического поля возрастает; ширина p-n-перехода
увеличивается, т.к. lp-n ≈ ( φк
+ U )1/2 . Процесс диффузии полностью прекращается и черезp-n-переход протекает
только дрейфовый ток, ток неосновных носителей заряда. Такой ток p-n-перехода
называют обратным, а поскольку он связан с неосновными носителями заряда,
которые возникают за счет термогенерации, то его называют тепловым током и
обозначают I0 , т.е.
In-p=Iобр=Iдиф+Iдр
≈Iдр=
I0.
Этот ток мал по величине, т.к. связан с неосновными носителями заряда, концентрация которых мала. При обратном смещении концентрация неосновных носителей заряда на границе перехода несколько снижается по сравнению с равновесной. Это приводит к диффузии неосновных носителей заряда из глубиныp- иn-областей к границе p-n-перехода. Достигнув ее, неосновные носители попадают в сильное электрическое поле и переносятся через p-n переход, где становятся основными носителями заряда. Диффузия неосновных носителей заряда к границе p-n-перехода и дрейф через него в область, где они становятся основными носителями заряда, называется экстракцией. Экстракция и создает обратный токp-n-перехода- это ток неосновных носителей заряда.
Величина обратного тока сильно
зависит: от температуры окружающей среды, материала полупроводника и площади
p-n перехода.Тепловой ток кремниевого перехода много меньше теплового тока
перехода на основе германия![]()
(на 3-4 порядка),что связано с
различием контактной разности потенциалов материалов.
С увеличением площади перехода возрастает его объем, а следовательно, возрастает число неосновных носителей, появляющихся в результате термогенерации. Тепловой ток при этом растет.
Сопротивление p-n перехода при обратном напряжении велико и может достигать десятков, сотен кОм и даже МОм.Таким образом, p-n-переход обладает односторонней проводимостью: он пропускает ток только в одном направлении.
Итак, главное свойство p-n-перехода
-его односторонняя проводимость.
. Полупроводниковые диоды. Их
вольтамперные характеристики
Полупроводниковый диод представляет собой полупроводниковый кристалл с двумя слоями проводимости (р-n-переход), заключенный в корпус и два вывода для присоединения его к электрической цепи.Схематическое устройство плоскостного диода показано на рисунке 9а. Один из способов изготовления таких диодов следующий. На поверхности полупроводникой пластины с электронной проводимостью площадью 2-4 мм2 и толщиною в несколько десятых долей миллиметра расплавляют маленький кусочек индия (акцептор). Атомы индия диффундируют в пластинку, образуя область с дырочной проводимостью. Между двумя областями полупроводника с различным типом проводимости возникает p-n-переход. Одна из областей р-n-структуры, называемая эмиттером, имеет большую концентрацию основных носителей заряда, чем другая область, называемая базой.
Схемное обозначение полупроводникового диода показано на рисунке 9б. В основе символа положена стрелка, указывающая направление прямого тока через диод.
Для диодов очень важной
характеристикой является зависимость тока, протекающего через диод, от величины
постоянного напряжения, приложенного к клеммам диода. Эта характеристика
называется статической вольтамперной характеристикой (ВАХ) полупроводникового
диода. ВАХ разных диодов представлены на рисунке 10.
|
|
|
Рисунок 9 -Структура полупроводникового диода,
полученного методом сплавления (а) и схемное обозначение полупроводникового
диода (б)
Рисунок 10 - Вольтамперные характеристики для германиевого (Ge) и кремниевого(Si)диодов. Пунктиром показана теоретически рассчитанная характеристика p-n перехода
Теоретическая ВАХ электронно-дырочного перехода,
определяется соотношением
I = I0 (exp (U/mφT) - 1)
(5)
где Iо - обратный ток насыщения (ток
экстракции, обусловленный неосновными носителями заряда; значение его очень
мало); U - напряжение на p-n-переходе;![]()
- температурный потенциал
(k=1.38·10-23 Дж/К- постоянная Больцмана,Т - температура, е - заряд электрона);
m - поправочный коэффициент: m = 1для германиевых р-n-переходов и m = 2 для кремниевых
p-n-переходов при малом токе).
Кремниевые диоды имеют существенно меньшее значение обратного тока по сравнению с германиевыми, вследствие более низкой концентрации неосновных носителей заряда. Обратная ветвь ВАХ у кремниевых диодов на рисунке 10 практически сливается с осью абсцисс. Прямая ветвь ВАХ кремниевых диодов расположена значительно правее, чем у германиевых.
При изменении температуры германиевого диодас протекающим постоянным током, напряжения на нем изменяется приблизительно на 2,5 мВ/°С:
/dT= -2,5 мВ/°С. (6)
Для диодов в интегральном исполнении dU/dT составляет от -1,5 мВ/°С в нормальном режиме.
Максимально допустимое увеличение обратного тока диода определяет максимально допустимую температуру диода, которая составляет 80 - 100 °С для германиевых диодов и 150 - 200 °С для кремниевых.
Минимально допустимая температура диода лежит в пределах -(60 - 70)°С.
Дифференциальным сопротивлением диода называют отношение приращения напряжения на диоде к вызванному им приращению тока:
ДИФ = dU/dI (7)
Статическим сопротивлением диода
называют отношение напряжения, приложенного к зажимам диода, к величине тока,
протекающего через диод при этом напряжении: Rст = U/I. Часто в качестве U и I
принимают номинальные значения напряжения и силы тока.
. Типы пробоев p-n-перехода.
Вольтамперная характеристика стабилитрона