Материал: Физические основы электроники

Внимание! Если размещение файла нарушает Ваши авторские права, то обязательно сообщите нам

 

 

e2

e2a

e2b

 

T

VD1

б

 

2

3

 

 

 

 

 

 

i1

e2a

 

 

ud

 

 

 

 

Rd

id

 

 

U d

u1

 

в

 

 

 

ud

 

ia1

ia2

 

 

e2b

 

id

 

VD2

 

Id

 

 

 

 

г

 

 

 

 

 

 

 

 

 

 

а

 

 

 

 

 

 

 

 

i1

 

 

 

 

 

 

 

 

 

 

 

 

 

 

д

 

 

 

 

 

 

 

 

 

 

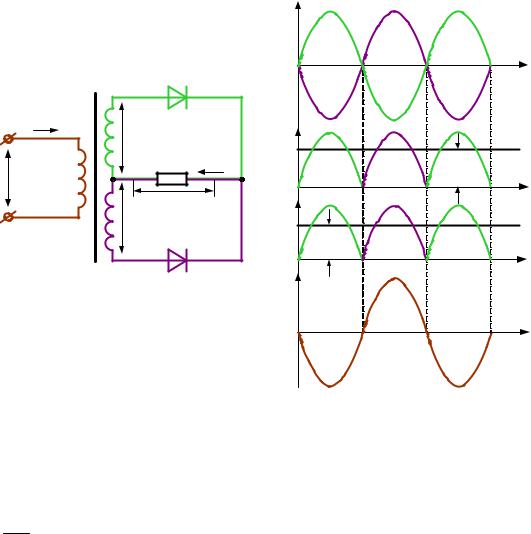
Рис. 2.24. Однофазный двухполупериодный выпрямитель со средней точкой

Поскольку мгновенное значение первичного тока

1

ia2

ia1 ,

i1

 

kтр

то очевидно, что он представляет собой синусоиду, и, следовательно,

I1 kф Id , где kф 1,11 – коэффициент формы для синусоиды.

kтр

Мощности трансформатора:

P2 2E2I2 1,74Pd ;

(2.22)

P1 E1I1 1,23Pd ;

(2.23)

P

 

P1 P2

1,48P .

(2.24)

 

расч

2

d

 

 

 

 

2.10.3. Однофазная мостовая схема

Схема представляет собой мост из вентилей VD1 VD4 (рис. 2.25, а), в одну диагональ которого включена нагрузка, а в другую – переменное напряжение e2 . В положительном полупериоде открыты вентили

VD1 VD3 , в отрицательном – VD2 VD4. Ток в нагрузке протекает в одном и том же направлении в течение обоих полупериодов, поэтому

76

эта схема так же, как и предыдущая, относится к двухполупериодным схемам выпрямления.

Силовой трансформатор здесь не является принципиально необходимым и нужен только для создания требуемой величины напряжения e2 на входе выпрямителя, соответствующего заданной величине

выпрямленного напряжения U d , а также для обеспечения гальваниче-

ской развязки между питающей сетью и нагрузкой выпрямителя.

На рис. 2.25, б, в, г, д представлены временные диаграммы для однофазной мостовой схемы выпрямителя.

i1

T

VD4

VD1

u

VD3 VD2

e2

1

 

Rd id

ud

а

e2

 

 

 

б

 

2

3

 

 

 

 

 

 

ud

 

в

Ud

 

 

ia1 ia3

ia2 ia4 ia1 ia3

id

 

Id

 

г

 

 

Рис. 2.25. Однофазный мостовой выпрямитель

Для этой схемы выпрямителя при условии допущений п. 2.10.1 справедливы следующие соотношения:

Ud

1

π

2E2 sin θdθ

2

2E

0,9E2;

(2.25)

π

 

 

 

2

 

0

 

 

 

 

 

 

 

 

 

 

 

 

 

 

 

 

 

 

 

 

 

 

 

 

 

 

Id Ud ;

 

 

 

(2.26)

 

 

 

 

Rd

 

 

 

 

 

 

 

 

 

i

 

 

 

2E2

;

 

(2.27)

 

 

 

 

 

 

 

 

 

 

 

пр. max

 

 

 

Rd

 

 

 

 

 

 

 

 

 

 

 

 

 

 

 

 

 

 

i

 

Id

;

 

 

 

(2.28)

 

 

 

 

 

 

 

 

 

 

пр.ср

 

 

 

2

 

 

 

 

 

 

 

 

 

Uобр. max

 

2E2;

 

(2.29)

77

 

kп 0,66;

(2.30)

i

 

2E2

sinθ;

(2.31)

 

 

2

Rd

 

 

 

 

 

 

 

i

 

 

1

i ;

(2.32)

 

kтр

 

1

 

2

 

P1 E1I1

1, 23Pd ;

(2.33)

P2 E2I2

1, 23Pd ;

(2.34)

P

P1 P2

1,23P .

(2.35)

расч

 

2

 

d

 

 

 

 

 

 

Аналогичным образом строятся более сложные схемы многофазных выпрямителей.

2.10.4. Параметрический стабилизатор напряжения

Как уже отмечалось выше, применение стабилитронов связано с особенностью обратной ветви их вольт-амперной характеристики изменяться в большом диапазоне обратных токов при незначительном изменении напряжения на участке пробоя. Это свойство стабилитронов широко используется в устройствах, называемых стабилизаторами напряжения.

Таким простейшим устройством является параметрический стабилизатор постоянного напряжения (рис. 2.26).

Rб

 

I

 

 

 

VD

 

Uвх

 

Uн

Iст

Iн Rн

 

 

 

 

Рис. 2.26. Параметрический стабилизатор напряжения

При увеличении входного напряжения U вх от нуля пропорционально возрастает напряжение на нагрузке U вых . Когда входное напряжение

достигнет напряжения пробоя стабилитрона, он открывается и в его цепи появляется ток Iст . Дальнейшее увеличение входного напряжения при-

ведет лишь к увеличению тока стабилитрона, а напряжение на нем, а следовательно и напряжение на нагрузке U вых будут теперь оставаться

78

почти неизменными, а разница между входным напряжением и выход-

ным будет падать на балластном сопротивлении Rб .

На рис. 2.27 представлены: вольт-амперная характеристика стаби-

литрона (VD ), вольт-амперная характеристика сопротивления нагрузки

( Rн ), их результирующая вольт-амперная характеристика ( Rн VD ),

вольт-амперная характеристика балластного сопротивления ( Rб ) и,

наконец, суммарная вольт-амперная характеристика всего устройства.

Поскольку максимальное значение тока стабилитрона ограничено его

допустимым нагревом на уровне Iст. max , то максимальное значение вход-

ного напряжения ограничено величиной U вх. max . Минимальное значение

входного напряжения, очевидно, ограничено напряжением пробоя стаби-

литрона Uпроб. Тогда за номинальное значение входного напряжения

Uвх. н следует принять середину участка между U вх. max и Uвых. min .

U

 

Rб VD Rн

U Uвх max

 

 

вх. max

 

 

Uвх

 

 

U U

 

 

вх.вхномном

 

Rб

 

 

U вх. min

 

Rн

 

 

Uвх min

 

 

Uвых

 

VD

U вых. max

 

Uвых max

 

VD Rн

U вых. min

 

Uвых min

 

 

II

I I

I I

ст. min

стст. ном

стст. max I

 

Рис. 2.27. Стабилизация напряжения

По

вольт-амперной характеристике находим соответственно

U вых. max

и Uвых. min , а середина между ними соответствует Uвых. н .

Очевидно, что при отклонении входного напряжения на Uвх , выходное напряжение изменится на значительно меньшую величину Uвых ,

79

т. е. имеет место стабилизация напряжения. Качество стабилизатора напряжения оценивается коэффициентом стабилизации kст :

kст

Uвх :

Uвых Uвых. н

Uвх

λ

Uвх

.

(2.36)

 

 

 

Uвх. н

Uвых. н

Uвх. н

Uвых

Uвых

 

Можно показать, что kст λ Rб , т. е. коэффициент стабилизации па-

Rн

раметрического стабилизатора в основном определяется соотношением сопротивления балластного резистора Rб и сопротивления нагрузки Rн .

Контрольные вопросы и задания

1.Что называется полупроводниковым диодом?

2.Какая область полупроводникового диода называется эмиттером?

3.Какая область полупроводникового диода называется базой?

4.Напишите уравнение вольт-амперной характеристики полупроводникового диода.

5.Как влияет повышение температуры на прямую ветвь вольтамперной характеристики полупроводникового диода?

6.Перечислите и объясните отличия в свойствах и параметрах кремниевых и германиевых выпрямительных диодов.

7.Какие процессы происходят в базе диода в импульсном режиме работы?

8.Что такое стабилитрон?

9.Что такое туннельный диод?

10.Что такое обращенный диод?

11.Почему в варикапах используется только барьерная емкость и не используется диффузионная емкость?

12.Что такое выпрямитель?

13.Поясните принцип действия однофазного однополупериодного выпрямителя.

14.Поясните принцип действия однофазного двухполупериодного выпрямителя со средней точкой.

15.Поясните принцип действия однофазного мостового выпрямителя.

16.Что такое стабилизатор напряжения?

80