Материал: Естакада конвеєра

Внимание! Если размещение файла нарушает Ваши авторские права, то обязательно сообщите нам

Естакада конвеєра














Естакада конвеєра


Вступ

технічний конвеєр зварювання естакада

Конструкції складної форми, як правило, одержують у результаті об'єднання окремих елементів (деталей, складальних вузлів) за допомогою рознімних або нероз'ємних з'єднань.

Зварювання - процес одержання нероз'ємних з'єднань за допомогою встановлення міжатомних зв'язків між зварюються частинами, що, при їх місцевому або загальному нагріванні, або пластичному деформуванні, або спільній дії того й іншого.

Нероз'ємні з'єднання, виконані за допомогою зварювання, називають звареними з'єднаннями. За допомогою зварювання з'єднують переважно деталі з металів. Однак зварені з'єднання застосовують і для деталей з неметалів - пластмаси й кераміки або їхніх сполучень, для такого типу зварювання потрібно відмінне від зварювання металів зварювальне обладнання.

Основою зварювального виробництва залишається зварювання плавленням. Будуть покращуватися техніка і технологія цього процесу.

Не залишає свого значення ремонтне зварювання. Потрібно покращувати та засоби підготовки вибору до ремонту, виготовляти спеціальне зварювальне обладнання, нові матеріали, забезпечити отримання з’єднань високої якості у складних умовах, використовувати технології ремонту без підігріву виробу.

У всьому світі широко ведуться досліди, направлені на покращення зварювання алюмінієвих сплавів підвищеної міцності та інших характеристик з’єднань.

Зварювання буде і далі інтенсивно розвиватись,оскільки воно є ключовим в сучасному будівництві та машинобудуванні.


1. Вихідні дані

.1 Призначення, опис, технічна характеристика, категорія та умови роботи каркасу двері

Основою дверного полотна служить каркас. Каркас виготовляється з гнутого профілю.

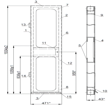
Міцність каркасу забезпечують ребра жорсткості. Каркас двері працює в умовах абразивного зносу при динамічних навантаженнях. Каркас дверей складається з наступних деталей (див. рисунок 1.1):

двох стійок (поз.1.поз.2);

двох поперечин (поз.3.1,3.2.);

двох:перемичок (поз 4);

двох планок (поз5);

обв’язки (поз-6);

двох прорізів віконних (поз-7.8);

двох ребер (поз 9.10);

планки (поз-11);

обшивки (поз-12);

чотирьох петель(поз 13-14);

козирка (поз 15).

Габаритні розміри каркасу двері:

довжина - 1934 мм;

ширена двері - 48 мм;

товщина двері - 43 мм.


Рисунок 1.1 - Каркас дверi

.2 Матеріали, які застосовуються для виготовлення каркасу двері

Каркас дверей виготовляється з готових деталей, які виготовлені зі сталі марки Ст3пс ДСТУ 2651-94 - маловуглецева сталь звичайної якості, ступінь розкислення - напівспокійна. Хімічний склад та механічні властивості наведені у таблиці 1.1, 1.2 відповідно

Таблиця 1.1 Хімічний склад сталі Ст3пс згідно ДСТУ 2651-94,%

C

Si

Mn

Ni

S

P

Cr

N

Cu

As

0.14 - 0.22

0.05 - 0.15

0.4 - 0.65

до 0.3

до 0.05

до 0.04

до 0.3

до 0.008

до 0.3

до 0.08


Таблиця 2.2 Механічні властивості сталі Ст3пс згідно ДСТУ 2651-94

Тимчасовий опір розриву, МПа не менше

Межа текучості, МПа не більше

Відносне видовження,% не менше

245

480

24




Для оцінки здатності сталі до зварювання визначаємо еквівалент вуглецю, який розраховується зо формулою

Секв.= С + 1/9·(Мn + Cn) +1/ 18 · Ni +1/ 13 · Mo

Секв.=0,18+1/9·(0,4+0)+1/18·0,25+1/ 13·0=0,237

Сталь Ст3пс відноситься до 1 групи здатності до зварювання. Зварюється без обмежень, будь-яким способом без застосування особливих засобів, підігріву,ТО.

.3 Технічні умови на виготовлення каркасу дверей

Усі деталі каркасу двері виготовляти зі сталі Ст3пс згідно з ДСТУ2651-94.

Усі зварні шви виконувати напівавтоматичним зварюванням у середовищі суміші гази Аr+СО2 (75%+25%). Зварні шви №3, 4, 5, 7 виконувати згідно з ГОСТ 14771-76, зварні шви № 1, 2, 6 - нестандартні.

Складання каркасу двері для виконувати за допомогою збирально-зварювального пристосування. При складанні каркасу двері не допускати змін його форми, які не передбачені технологічним процесом, при транспортуванні та кантуванні не допускати залишкових деформацій.

Прихватки розміщувати в місцях розташування зварних швів. Розміри перерізу прихваток повинні бути мінімально необхідними для забезпечення розплавлення їх при виконанні швів проектного перерізу. Довжина прихватки 10 - 15мм, відстань між прихватками не менше 100мм, не більше 200мм.

Перед складанням кромки, що зварюють, а також поверхню металу зачистити до металевого блиску. Зачищення виконувати шліф машиною. Захищати місця під зварювання і околошовной зону шириною 20 мм з двох сторін від іржі, окалини, масла, бруду та ін. забруднень.

Зварювання на напівавтоматичних машинах повинні виконувати зварювальники,які пройшли навчання та отримали відповідне посвідчення. Зварювання вести атестованому зварникові відповідно до правил атестації зварників згідно ДНАОП 0.00-1.16-96 з тавруванням зварних швів.

Для зварювання використовувати дріт марки СВ-08Г2СО ГОСТ 2246-70. Кожна партія дроту повинна мати сертифікат з зазначенням заводу виготовлювача, її марки, діаметру, номера, плавки та хімічного складу. До кожної касети з дротом повинна бути прикріплена бірка з зазначенням заводу виготовлювача, номера її плавки марки і діаметру дроту згідно з ГОСТ 2246-70.

При відсутності сертифікату або бірки, а також у випадку сумнівів у якості дроту необхідно перевірити його хімічний склад.

Поверхня дроту повинна бути чистою, без окалини, іржі, мастила та бруду. При необхідності поверхню очистити від бруду, іржі.

Для захисту процесу зварювання використовувати суміш газів Ar + CO2 (80%+20%).

Перед зварюванням перевірити якість газу в кожному балоні. Для цього наплавити на пластину валик довжиною 100-150мм і по зовнішньому вигляду поверхні наплавленого валика визначити надійність газового захисту. При наявності пор у металі шва газ, який знаходився у даному балоні бракується.

Шви зварних з’єднань після зварювання очистити від бризок і напливів.

По зовнішньому вигляду шви зварних з’єднань повинні задовольняти наступним вимогам:

мати гладку або рівномірно лускату поверхню (без напливів, пропалів, звужень) і не мати різкого переходу до основного металу;

тріщини усіх видів і розмірів у швах зварних з’єднань не допускається;

наплавлений метал повинен бути щільним по всій довжині шва, не мати тріщин та інших неприпустимих дефектів;

усі кратери повинні бути заварені;

кутові шви повинні виконуватись з плавним переходом до основного металу.

.3.10 Після зварювання виконати зовнішній огляд обсязі 100%.

2. Технологічна частина

.1 Вибір форми, методу та способу складання. Складання та опис схеми складання та зварювання, її опис

Складання - процес послідовного з’єднання та скріплення деталей між собою для утворення вузла, підвузла або об’єкта.

Форма складання каркасу двері - бригадна.

Метод складання каркасу двері стаціонарний, складання виконується на одному робочому місці, на яке подаються усі деталі та складальні елементи.

Спосіб складання каркасу двері - за допомогою універсальних пристосувань з елементами розмічування.

Каркас двері складається у наступній послiдовностi (див. рисунок 2.1):

Перед складаням зачистити усі кромки, що зварюються на відстані 20 мм від краю

1. Приєднати до двлх стійок 1 та 2 два поперечника 3

2. Зафіксувати зіюрані деталі та перевірити якість складання

3. Проставити прихватки механізованим зварюванням в СО22

4. Подати та встановити на пристосування вузел 1. Подати та встановити до вузла згідно креслення об'язування 6, обшивку 12, дві перемички 4 та планку 11.

5. Проставити прихватки механізованим зварюванням в СО22

6. Приєднати до вузла 1 та півузла 1 дві планки 5, дві прорізи віконних 7, 8, два ребра 9, 10 та козирек 13


Рисунок 2.1 - Схема складання каркасу двері

.2 Опис пристосувань для складання та зварювання

Для складання та зварювання каркасу двері курсовим проектом рекомендується використовувати складально розбірне пристосування

СРПЗ. Плита представляє собою найбільш точну і надійну базу для розміщення на ній установчих та затискних пристроїв. Плити забезпечують збирання виробів високої якості.

Зварювальні плити виготовляють з чавуну з пазами у двох взаємно перпендикулярних напрямках для установки упорів, фіксаторів, притискачів. Верхня робоча поверхня плити підвергається механічній обробці.

Плити звичайно встановлюють на полу, робочу площину старанно вирівнюють за рівнем, простір між ребрами заливають бетоном.

Сутність системи СРПЗ полягає у тому, що на заводі є універ-сальний набір нормалізованих деталей СРПЗ з яких при необхідності збирають пристосування для збирання зварних вузлів. Після закінчення випуску даного виробу пристосування розбирають.

Комплект СРПЗ складається з декілька груп деталей та зварювальних одиниць. Основою служать базові деталі: - плити, балки, кільця.

На базові деталі при необхідності додатково встановлюють опорно-корпусні деталі, які складають корпус пристосування: підкладки, опори, кутники, проставки та ін..

На базових і опорно-корпусних деталях закріплюють фіксуючі - упори, призми, фіксатори, центри і притискні-притискачі, прихвати, струбцини, розпірки, стяжки і т. ін..

Останні дві групи безпосередньо забезпечують установку і закріплення збиральних деталей.

Плита для складання та зварювання каркасу двері укомплектована наступними переносними установчими пристосуваннями: з’ємними упорами, гвинтовими притискачами та притискачами з постійними магнітами.

Гвинтові притискачі - універсальні, надійні в експлуатації, прості по конструкції, притискне зусилля збільшують в 100 - 150 раз.

Гвинтовий притискач складається (дивись рисунок 2.3) з гвинта, рукоятки, гайки, корпуса, п’яти.

Електромагнітні притискачі використовуються для удержання листів у вертикальному положенні при збиранні та зварюванні кутових і таврових з’єднань, товщина листів 5-35мм., зусилля притискання до 5кН (дивись рисунок 2.4).

Рисунок 2 2 - Плита СРПЗ


Рисунок 2.3 - Гвинтовий притискач

Рисунок 2.4 - Притискач з постійними магнітами

2.3 Нормування складальних операцій

Нормування складання виконується за відповідними нормативними документами "Єдині норми i розцінки на будівельні, монтажні та ремонтно-будівельні роботи" Сбірник Е40 "Виготовлення будівельних конструкцій та деталей"

Складання каркасу двері передбачає наступний склад робіт:

Подача деталей на пристосування.

Установка деталей в послідовності згідно з кресленням, фіксація.

Розмічування місця установки деталей, нанесення рисок.

Збирання пристосування, установка переносних стійок, упорів та притискачів.

Збирання каркасу двері на пристосуванні з використанням переносних стійок, упорів та притискачів.

Проставлення прихваток

Кантування каркасу двері у процесі збирання.

Норма часу на складання каркасу двері вагою - 53.77 кг, кількість деталей - 22 шт. - 4,2 люд×.год

.4 Вибір та обґрунтування вибору способу зварювання. Особливості зварювання каркасу двері

Каркасу двері виготовляється в заводських умовах, тип виробництва - серійний, виготовляється з маловуглецевої сталі Ст3сп, здатність до зварювання якої - добра. Зварні шви доступні при виконанні, короткі і середньої довжини, прямолінійні.

Враховуючи всі фактори курсовим проектом рекомендується при виготовленні каркасу двері використовувати напівавтоматичне зварювання у середовищі суміші газів Ar+СО2 (75%+25%), цей спосіб зварювання має наступні переваги.

Зварювання у суміші захисних загазів сприяє зменшенню розбризкування і зниженню рівня приварювальності бризок до виробу, підвищується стабільність горіння дуги, покращується формування швів, зменшується висота підсилення і бугристості шва. Шви мають більш плавний перехід від наплавленого металу до основного металу, в порівнянні зі швами, які виконані без використання вуглекислого газу. При введенні у склад аргону вуглекислого газу, окислювальний склад захисної атмосфери значно збільшується, надмірне окислення металу на стадії краплі та на стадії ванни дає ефект у вигляді товстої шлакової плівки на поверхні крапель. В результаті чого приварювання крапель до поверхні основного металу практично не спостерігається, а якщо таке і трапляється то їх легше відділити ніж при зварюванні у чистому аргоні без додавання вуглекислого газу.

Кисень також зв'язує водень і зменшує поверхневе натяжіння зварювальної ванни. При збільшенні часу перебування ванни в рідкому стані виникає більш повне усунення неметалевих включень і краща дегазація металу ванни.

Напівавтоматичне зварювання плавким електродом у суміші газів Ar+СО2 (75%+25%) може виконуватися у будь якому просторовому

положенні. При зварюванні забезпечується якісний захист зварювальної ванни від проникнення кисню та азоту з повітря, можливе зварювання коротких швів малої товщини у важкодоступних місцях. Відсутність шлакових включень дозволяє отримати зварні шви більш стійкі до кристалізаційних тріщин.

.5 Вибір зварювальних матеріалів

Дріт зварювальний марки Св-08Г2СО, призначена для зварювання (наплавлення), з обмідненого поверхнею.

При зварюванні в середовищі суміші газів Ar+CO2 (80%+20%), суміш газів витісняє від зони плавлення оточуюче повітря і захищає розплавлений метал від азотування

У цьому випадку метал виходить добре розкислений при достатньому вмісті кремнію і марганцю з високою твердістю і пластичними властивостями. Дріт повинен бути прийнятим технічним контролем підприємства-виготовлювача. Виробник повинен гарантувати відповідність поставляється дроту вимогам ГОСТ 2246-70.

У таблиці 2.1 наведено хімічний склад дроту Св-08Г2СО.


Таблиця 2.1 - Хімічний склад дроту Св-08Г2СО,%

Марка дроту

Вуглець

Кремній

Марганець

Хром

Нікель

Сірка

Фосфор

Св-08Г2СО

0,05-0,11

0,7 - 0,93

1,8 - 2,1

<0,2

<0,25

0,025

0,03


Поверхня дроту обміднена, що дозволяє добре захищати його поверхню від впливу зовнішнього середовища, а також створює хороший контакт з струмопровідним мундштуком, що забезпечує стабільне горіння зварювальної дуги.

Обираємо марку суміші захисного газу - MIX-1 за ТУ6-05761850-012-2000

Дана суміш є найбільш універсальною і популярною сумішшю. Застосовуються в основному для зварювання вуглецевих і низьколегованих сталей.

.6 Розрахунок та вибір режимів зварювання

До параметрів режиму механізованого зварювання в суміші газів відноситься:

·   діаметр електродного дроту, de, мм;

·   зварювальний струм, Ізв, А;

·   напруга на дузі, Uд, В;

·   швидкість зварювання, Vзв, м/год; оту, Vпод, м/год;

·   питомі витрати газу, qг, л/хв;

·   виліт електродного дроту, ℓе, мм.

Діаметр електродного дроту: катети 3,5,7

Зварювальний струм розраховуються за формулою

 

Напруга на дузі: розраховуються за формулою

                         (2.2)

Швидкість зварювання: розраховуються за формулою


де бн - коефіцієнт наплавки, бн=16,5 г/А∙год;

 - площа наплавленого металу, мм2;

 - щільність сталі, =7,8 г/см3.

Розраховуємо площу поперечного перерізу зварних швів №1 - нестандартний, катет зварних швів  5 мм


де     k = 5 мм              - величина катету шва;= 1,5 мм             - висота посилення.

          - ширина шва (посилення), мм

Розраховуємо площу поперечного перерізу зварних швів №2 - нестандартний, №6- нестандартний; катет зварних швів  7 мм

k = 7 мм              - величина катету шва;= 1,5 мм             - висота посилення.

- ширина шва (посилення), мм

Розраховуємо площу поперечного перерізу зварних швів №3 - Н1;

№5 - Т1; №4 - У4; №7 - Т1-∆3 50/100 катет зварних швів  3мм

k = 3 мм              - величина катету шва;= 1,5 мм             - висота посилення.

          - ширина шва (посилення), мм

Швидкість подачі електродного дроту: розраховуються за формулою


Питомі витрати газу: розраховуються за формулою


Таблиця 2.6 - Параметри режиму напівавтоматичного зварювання у середовищі суміші газів Ar + СО2 (80%+20%)

Тип з’єднання

Катет зварного шва, мм

Положення шва у просторі

Діаметр зварювль-ного дроту, мм

Силаа зварюваль-ного струму, А

Напруга на дузі, В

Швидкість зварювання, м/год

Швидкість пода- чі дроту, м/год

Виліт електроду, мм

Питоми витрати су-міші зах.газів, л/хв.

У4 Н1 Т1

3

Нижнє

1,4

316

24

72

435

16-20

16-18

Нестандартні

5

Нижнє




33




нестандартні

7

Нижнє




19





2.7 Вибір роду струму та полярності джерел живлення зварювальної дуги і зварювального обладнання

Напівавтоматичне зварювання у суміші газів Ar + СО2 виконувати на постійному струмі зворотної полярності. Це обумовлюється тим, що при прямій полярності процес зварювання характеризується великою кількістю розбризкування, навіть при зварюванні на дуже малих струмах. Це призводить до зменшення провару, хоча коефіцієнт плавлення електродного дроту при зварюванні на зворотній полярності в 1,5-1,8 разів менше ніж при зварюванні на прямій полярності. Ширина шва значно менша, а висота підсилення більша ніж при зварюванні на зворотній полярності. Крім того, зварювання на прямій полярності виражається окисленням елементів і збільшенням пор.

Для виконання Напівавтоматичне при виготовленні каркасу двері використовувати напівавтомат зварювальний чоперний ПДГО - 506/3 «МОБИ» з джерелом живлення ВДГ-506/3 У3.

Напівавтомат зварювальний чоперний ПДГО - 506/3 «МОБИ» з ВДГ-506/3 У3, призначений як для механізованого зварювання в середовищі захисних газів (MIG - MAG), так і для ручного дугового зварювання (ММА) відповідальних з'єднань в машинобудуванні, енергетиці, металургії, як в стаціонарних, так і монтажних умовах і відрізняється високими технологічними властивостями при невеликих вагогабаритних показниках, що дозволяє виконувати зварювальні роботи в стіснених умовах.

ПДГО - 506/3 «МОБИ» комплектується пальником фірми «BINZEL» RB 61 GD/RG.

Зварювальний пальник для механізованого зварювання у середовищі захисних газів RB61GD/RG.

Таблиця 2.4 - Технічні характеристики ПДГО - 506/3 «МОБИ» з ВДГ-506/3 У3

Наймування параметра

Значення

Напруга і частота живлячої мережі, В/Гц

3×380/50

Напруга холостого ходу, В

72

Номинальний зварювальний струм, А, менше при тривалості навантаження: ПН=60% ПН=100%

 500 390

Межі регулювання зварювального струму, А

40 - 500

Межі регулювання робочої напруги, В

14 - 36

Максимальна вживаємо потужність, кВт

17

Максимальний первинний струм, А

32

Діаметр електродного дроту, мм: суцільний дріт алюмінієвий дріт ММА

 0,8 - 1,6 1,0 - 1,6 2 - 6

Клас ізоляції

F

Габаритні розміри, мм, не більше: випрямляча механізму подачі

 1240×470×980 550×260×420

Маса, кг, не більше: випрямляча механізму подачі

 140 20


Таблиця 2.5 - Технічні характеристики пальника RB61GD/RG

Номінальний зварювальний струм, А

500

Охолодження

Без примусове

Діаметр дроту, мм

1,2 - 2,2

Стандартна довжина пальника, м

3;4;5

3,120


Редуктори використовують для зниження високого тиску газу, що виходить із балону до робочого і автоматичного підтримання заданого тиску. При газоелектричному зварюванні використовують в основному кисневі редуктори РК оберненої дії, а також спеціальні дюзові редуктори типу ДЗР - 1 - 59.

Ротаметр використовується для виміру витрат газу. При зварюванні в захисних газах ротаметри поплавкового типу (РС-3; РС-5), ротаметри дросельного, каліброваного і редукторного типу без блокування і з блокуванням зварювального струму по воді і газу.

Спрей для зварювання «SVETS-SPRAY» попереджує прилипання продуктів зварювання та рідкого металу до мундштуку. Засновується на жирокислотному екстракті. Не містить розчинників та силікону. Не шкідливий для оточуючого середовища.

.8 Нормування зварювальних операцій

На час механізованого зварювання у середовищі захисних газів Ar+CО2 впливає наступний склад робіт:

вмикання та вимикання напівавтомата;

підготовка до роботи балонів з газом, підключення (відключення), продувка шлангів;

встановлення зварювального струму і налаштування напівавтомата на заданий режим;

встановлення бухти дроту на вертушку напівавтомата;

заправка дроту у шланговий електродоутримувач при підготовці напівавтомата до роботи і під час роботи;

зачистка кромок перед зварюванням від іржі та бруду шліф-машинкою;

зварювання швів;

очистка від бризок і напливів проміжних і останнього шару шва;

огляд і вимірювання шва.

Норма штучного часу на дугове зварювання розраховується за формулою:


де основний час на зварювання, хв;

Допоміжний час на зварювання за таблицями.

-допоміжний час, який залежить від довжини зварного шва = 7.3 люд*хв;

 - довжина зварного шва, м;

 - допоміжний час, який пов'язаний з виробом, який зварюється,  = 11.5 люд*хв;

- коефіцієнт, який враховує витрати часу на обслуговування робочого місця, відпочинок та природні потреби

Основний час на зварювання розраховується за формулою:

де-площа поперечного перерізу наплавленого металу, мм²;

г - питома вага наплавленого металу, г = 7,8 г/см³;

 - коефіцієнт наплавлення, г/А·год,

- сила зварювального струму.

Загальна норма часу на зварювання каркасу двері дорівнює:


.9 Розрахунок зварювальних матеріалів та електроенергії на зварювання

До основних зварювальних матеріалів ціх способів зварювання відносяться: зварювальний дріт, захисний газ

Витрати зварювального дроту розраховуються за формулою:



де Кр =1.05, коефіцієнт, що враховує витрати зварювального дроту на вигар та розбризкуванн);

 - витрати зварювального дроту, г;

 - вага наплавленого металу, г;

Вага наплавленого металу розраховуються за формулою:


де  - площа поперечного перерізу наплавленого металу, см²;- довжина шва, см;

г - питома вага наплавленого металу, г = 7,8 г/см³.


Витрати захисного газу:

Витрати захисного газу на виріб розраховуються за формулою


де Qг - витрати захисного газу на виріб, л;г = 17 - питомі витрати захисного газу, л/хв;- час горіння дуги, хв.;

4729,4л

Витрати електроенергії при дуговому зварюванні розраховуються за формулою:


де Uд =18 - напруга на дузі, В;

Ьн=16,5 - коефіцієнт наплавлення, г/А. год;

з=0,82 - К.К.Д. джерела живлення;

Ки = 0,6 - коефіцієнт, що враховує час горіння дуги;н - вага наплавленого металу, кг;


2.10 Способи зменшення зварювальних напруг та деформацій

Вибір правильного теплового режиму зварювання. Щоб зменшити найбільші залишкові напруги й уникнути деформації при зварюванні незакріплених деталей, потрібно підвищувати тепловий режим. Це збільшить об'єм металу, що розігрівається, і зменшить швидкість остивання. При зварюванні більших товщин і сталей, що гартуються, доцільний попередній підігрів.

Шви варити на прохід або від середини до країв. Забороняється виконувати шов від країв до його середини


2.11 Способи зменшення зварювальних напруг та деформацій

Міри по зменшенню деформацій від зварювання передбачаються на усіх етапах проектування і виготовлення елемента підйомника бункерної естакади. Зварювання проводиться концентрованою дугою, а це збільшує проплав металу та зменшу зону термічного впливу.

Засоби по зменшенню напруг і деформацій при виготовленні каркасу двері:

–       В процесі зварювання величину перерізу зварного шва не збільшувати;

–       не допускати перетину зварних швів;

–       не розташовувати зварні шви там де діють максимальні напруги від зовнішніх навантажень;

–       при складанні деталей слід уникати прихваток, які створюють жорстке закріплення деталей та сприяють виникненню значних залишкових напруг. Прихватки проставляти в діаметрально протилежному напрямку. Використовувати складальні пристосування, які допускають деякі переміщення деталей при усадці металу;

–       зварну конструкцію слід виготовляти так, щоб замикаючі шви які створюють жорсткий контур, зварювались в останню чергу;

–       шви середньої довжини та довгі шви зварювати від середини конструкції до її країв.

2.12 Способи, об’єм та організація контролю якості складальних та зварювальних операцій. Обладнання та технологія контролю

До основних контролюємих розмірів складених під зварювання деталей відносяться: зазор між деталями та його відсутність. Цей контроль виконувати візуальним оглядом.

Зварювальні шви перевіряти на якість зовнішнім оглядом 100% та ультразвуковим контролем 70%. Зовнішнім оглядом за допомогою лупи виявляють дефекти швів у вигляді тріщин, підрізів, пор, прожогів, напливів, непроварів в нижній частині шва. Багато з цих дефектів, як правило, недопустимі та підлягають виправленням. При огляді також виявляють дефекти форми швів розміщення лусок та загальний характер розміщення металу в зусиллі шва.

Зовнішній огляд поверхні шва характерний для кожного способу зварювання, а також для просторового положення, у якому виконується зварювання. Рівномірність лусок характеризує роботу зварювальника, це вміння підтримувати постійну довжину дуги, рівномірну швидкість зварювання. Нерівномірність лусок, різна ширина та висота шва вказує на коливання потужності дуги, часте обривання та нестійкість горіння дуги в процесі зварювання. В такому шві вірогідні непровари, пори та інші дефекти. Зварювальні шви часто порівнюють по зовнішньому виду зі спеціальними еталонами.

Геометричні параметри швів вимірюють за допомогою шаблонів, або вимірювальних інструментів.

Зовнішній огляд дозволяє виявляти та передбачати дефекти зварювального шва. Тільки після проведення зовнішнього огляду та виправлення недопустимих дефектів, зварювальні з’єднання підвергають контролю іншим фізичним методом, для виявлення внутрішніх дефектів використовувати метод ультразвукового контролю.

Висновок

Пожежна безпека забезпечується системою захисту від пожеж. Безпечність людей повинна бути забезпечена при пожежі у місці виробничого, гуртового та побутового призначення. На всіх об'єктах повинні бути інструкції на випадок пожеж, план евакуації людей та устаткування. Небезпечними факторами при пожежі для людей виявляються: відкрите полум'я, іскри, підвищена температура повітря, предметів, токсичні продукти згорання, дим, понижена концентрація кисню, вибух.

В комплексі заходів, що використовуються в системах протипожежного захисту, важливе значення має вибір найбільш раціональних способів та засобів гасіння різних горючих речовин та матеріалів.

Горіння припиняється:

- при охолодженні горючої речовини до температури нижчої ніж температура займання;

-        при зниженні концентрації кисню в повітрі в зоні горіння;

         при припиненні надходження пари, газів горючої речовини в зону горіння.

Припинення горіння досягається за допомогою вогнегасних засобів:

- води (у вигляді струмення або у розпиленому вигляді);

-        інертних газів (вуглекислота і ін.);

         хімічних засобів (у вигляді піни або рідини);

         порошкоподібних сухих сумішей (суміші піску з флюсом);

         пожежних покривал з брезенту та азбесту.

Промислові приміщення мають зовнішнє і внутрішнє протипожежне водопостачання. Необхідний тиск води створюється стаціонарними пожежними насосами, котрі забезпечують подавання компактних струменів на висоту не менш 10 м або рухомими пожежними автонасосами і мотопомпами, що забирають воду із гідрантів.

Гідранти розташовуються на території підприємств на відстанні не більше 100 м по периметру будівель, вздовж доріг і не ближче 5 м від стін.

Внутрішнє протипожежне водопостачання забезпечується пожежними кранами, які встановлюються на висоті 1,35 м від підлоги всередині приміщень біля виходів, у коридорах, на сходових клітках, кожний пожежний кран споряджається прогумованим рукавом та пожежним стволом.


Література

1.  Сырьевая и топливная база черной металлургии Л.И. Леонтьев, Ю.С. Юсфин, Т.Я. Малышева, Н.С. Шумаков, А.Я. Травянов, О.Г. Гараева Учебное пособие для вузов. Москва, ИКЦ «Академкнига», 2007 г., 304 с.

2.      Производство окатышей Ш. Маерчак Пер. со словацкого. Москва, «Металлургия», 1982 г., 232 с.

.        Обжиг железорудных окатышей Юсфин Ю.С., Базилевич Т.Н. Москва, "Металлургия",1973 г., 272 с.

.        Теплотехнические методы анализа агломерационного процесса /В.И.Клейн, Г.М. Майзель, Ю.Г. Ярошенко, А.А. Авдеенко. Под редакцией Ю.Г. Ярошенко. Екатеринбург: ГОУ ВПО УГТУ-УПИ, 2004. 224 с.

.        Металлургия черных металлов. Линчевскнй Б.В., Соболевский А.Л., Кальменев А.А.: Учебник для техникумов- 2-е изд., перераб. и доп. М.: Металлургия, 2010, 360 с.

.        Долинский В.А. Основы проектирования цехов: Учеб. пособие. - Новокузнецк: СибГИУ, 2008.-III.с.

.        Свинолобов Н.П., Бровкин В.Л. Печи черной металлургии: Учебное пособие для вузов. - Днепропетровск: Пороги, 2004. - 154 с.

.        Основы проектирования металлургических заводов: Справочное издание/В.А. Авдеев, В.М. Друян, Б.И. Кудрин. - М: Интермет Инжиниринг, 2009. - 464 с: ил. ISBN 5-89594-071-4