Материал: Еще курсач

Внимание! Если размещение файла нарушает Ваши авторские права, то обязательно сообщите нам

ФЕДЕРАЛЬНОЕ АГЕНТСТВО ЖЕЛЕЗНОДОРОЖНОГО ТРАНСПОРТА

Федеральное государственное бюджетное образовательное учреждение высшего образования

«Петербургский государственный университет путей сообщения

Императора Александра I»

(ФГБОУ ВО ПГУПС)

Факультет «Автоматизация и интеллектуальные технологии»

Кафедра «Радиотехника»

КУРСОВОЙ ПРОЕКТ

по дисциплине

«Электроника»

ТЕМА РАБОТЫ

«Проектирование аналого-цифрового преобразователя»

Обучающийся

__26.05.2005___

Подпись, дата

Мамаев_А.Н.__

И.О. Фамилия

Сдан на проверку

__26.05.2005__

Подпись, дата

доц. Яковлев П.Б.

Уч. звание, И.О. Фамилия

Исправить замечания: _____________________

_________________________________________

________________

Подпись, дата

_ доц. Яковлев П.Б.

Уч. звание, И.О. Фамилия

Защита: ________________

Оценка

________________

Подпись, дата

доц. Яковлев П.Б.

Уч. звание, И.О. Фамилия

Санкт-Петербург

2005

ФЕДЕРАЛЬНОЕ АГЕНТСТВО ЖЕЛЕЗНОДОРОЖНОГО ТРАНСПОРТА

Федеральное государственное бюджетное образовательное учреждение высшего образования

«Петербургский государственный университет путей сообщения

Императора Александра I»

(ФГБОУ ВО ПГУПС)

Факультет «Автоматизация и интеллектуальные технологии»

Кафедра «Радиотехника»

Задание на курсовую работу

по дисциплине

«Электроника»

Тема: «Проектирование аналого-цифрового преобразователя»

Исходные данные:

Выдаются преподавателем или определяются самостоятельно на основании расчета вариантов по методике, приведенной в методическом указании для курсового проектирования.

Содержание:

Введение

1. Разработать принципиальную схему АЦП, описать его работу, а также выбранных микросхем и уст­ройств, обеспечивающих его работу.

Построить временные диаграммы работы АЦП.

2. Выбрать и рассчитать параметры тактового генератора для АЦП.

Создать модель генератора в программе Multisim, привести в отчете схему и осциллограммы.

3. В соответствии с табл. 3 выбрать базовые микросхемы, начертить их принципиальные схемы, описать работу и привести справочные данные, необходимые для расчета преобразователя уровней.

4. Выбрать схему преобразователя уровней (ПУ) и опи­сать его работу.

5. Выбрать и обосновать тип биполярных транзисторов для схемы ПУ, привести необходимые справочные данные выбранного тран­зистора.

6. Рассчитать схему ПУ и подобрать резисторы по типовым номинальным значениям.

7. Рассчитать мощность, потребляемую ПУ от источника питания.

8. Создать модель ПУ в программе Multisim, привести в отчете схему, осциллограммы и передаточную характеристику.

Заключение.

Список литературы.

Список графического материала:

  1. Структурная схема АЦП.

  2. Принципиальная схема АЦП.

  3. Временные диаграммы работы АЦП.

  4. Схема генератора тактовых импульсов.

  5. Схема модели преобразователя уровней и осциллограммы её работы.

Задание выдал руководитель:

__10.05.2005__

Подпись, дата

_ доц. Яковлев П.Б.

Уч. звание, И.О. Фамилия

Задание принял к исполнению:

Группа __АТ-502_

__26.05.2005__

Подпись, дата

___Мамаев А.Н._

И.О. Фамилия

Оценочный лист

п/п

Материалы необходимые для оценки знаний, умений

и навыков

Показатель

оценивания

Критерии

оценивания

Шкала оценивания

Полученные баллы.

1

Пояснительная записка к курсовой работе

Соответствие исходных данных выданному заданию

Соответствует

5

Не соответствует

0

Обоснованность принятых технических, технологических и организационных решений, подтверждённая соответствующими расчетами

Все принятые решения обоснованы

10

Принятые решения обоснованы частично

10

Принятые решения не обоснованы

0

Использование современных методов проектирования

Использованы

5

Не использованы

0

Использование современного программного обеспечения

Использовано

5

Не использовано

0

Итого максимальное количество баллов за п.1

35

2

Графические материалы

Соответствие разработанных чертежей пояснительной записке

Соответствует

10

Не соответствует

0

Соответствие разработанных чертежей требованиям ГОСТ

Соответствует

15

Не соответствует

0

Использование современных средств для автоматизации проектирования

Использовано

10

Не использовано

0

Итого максимальное количество баллов за п.2

35

ИТОГО максимальное количество баллов

70

Защита курсовой работы

  • получены полные ответы на вопросы – 23-30 баллов;

  • получены достаточно полные ответы на вопросы – 17-22 баллов;

  • получены неполные ответы на вопросы или часть вопросов – 10-16 баллов;

  • не получены ответы на вопросы или вопросы не раскрыты – 0 баллов.

30

Итоговая оценка

«Отлично» - 86-100 баллов

«Хорошо» - 75-85 баллов

«Удовлетворительно» - 60-74 баллов

«Неудовлетворительно» - менее 59 баллов (вкл.)

Заключение: рецензируемая курсовая работа соответствует требованиям основной образовательной программы (23.05.05) Дисциплины «Электроника» специальности «Системы обеспечения движения поездов».

Итоговая оценка –

Руководитель _________________

(подпись)

«____» ____________ 2005 г.

Задание на курсовую работу

Рассчитать и выполнить схему электрическую принципиальную аналого-цифрового преобразователя (АЦП) в соответствии с следующими техническими данными – шифр 153.

 

+

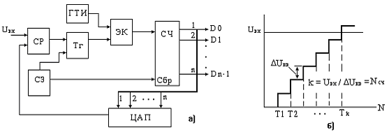
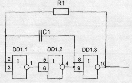
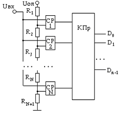
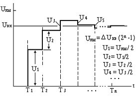
Введение В настоящее время, быстрого развития компьютерной техники, сотовой телефонии, линий связи и передачи информации, существует острая связь в понимании и практическом применении способов кодирования и декодирования информации. Аналого-цифровой преобразователь ( АЦП) осуществляет преобразование аналогового сигнала (непрерывный спектр), в сигнал с дискретной формой значений. Цифро-аналоговый преобразователь (ЦАП) производит обратное преобразование цифрового (дискретного) сигнала в аналоговый. Например, путём преобразования в цифровую форму с помощью АЦП, расположенного у источника информации, таких реально существующих переменных, как, температура, скорость и звук, и последующего восстановления тех же самых сигналов с помощью ЦАП, расположенном на оконечном устройстве. Преимущества цифровых методов обработки информации могут быть реализованы лишь в том случае, когда АЦП и ЦАП не вносят в эту обработку ограничений по точности и быстродействию эти ограничения удаётся свести к минимуму при использовании интегральных АЦП и ЦАП. Интеграция схем преобразователей не только существенно улучшила экономические и надёжностные показатели АЦП и ЦАП, уменьшила их габариты с одновременным совершенствованием конструктивного исполнения, но и повысила быстродействие и метрологические характеристики за счёт уменьшения паразитных связей (внутренних емкостей), использования взаимной компенсации и идентичности отдельных элементов интегральных схем. В зависимости от метода преобразования и способа его реализации разработано много АЦП различных типов (АЦП параллельного преобразования, АЦП двойного интегрирования и др.). В данной работе рассматривается построение и принципы работы АЦП последовательного счёта. 1. Аналого-цифровые преобразователи   Аналого-цифровые преобразователи (АЦП) предназначены для преобразования аналоговых (непрерывных) сигналов в цифровую форму. Преобразование аналогового сигнала происходит в определенные моменты времени, которые называются точками отсчета. Количество отсчетов за единицу времени определяет частоту дискретизации (преобразования), которая, в свою очередь, определяется быстродействием и условиями использования АЦП. Интервал времени между отсчетами Тотс и частота дискретизации fпр связаны соотношением: Тотс = 1/fпр. В измерительной технике для преобразования медленно меняющихся процессов частота преобразования может быть установлена небольшой - единицы Герц и менее. В устройствах, где требуется преобразовывать сигналы в масштабе реального времени, частота преобразования выбирается из условия достижения максимальной точности восстановления цифрового сигнала в аналоговую форму. Например, преобразование речевого сигнала в дискретную форму. При этом частота дискретизации определяется как fпр = 2Fмах, где Fмах - максимальная частота речевого сигнала. Для обеспечения преобразования без искажений требуется выполнение условия: t пр < Тотс, где tпр - время преобразования АЦП одного отсчета. Основные параметры АЦП Точность преобразования и качество работы АЦП характеризуют следующие параметры: относительная разрешающая способность, абсолютная разрешающая способность, абсолютная погрешность преобразования, нелинейность преобразования, дифференциальная нелинейность, скорость преобразования (время одного преобразования) и максимальная частота преобразования. По принципу дискретизации и структуре построения АЦП делятся на две группы: 1-группа АЦП с применением ЦАП и 2-группа АЦП без ЦАП. К первой группе относятся: - АЦП последовательного счета (развёртывающего типа); - АЦП последовательного приближения (поразрядного уравновешивания); - следящий АЦП. К второй группе относятся: - АЦП прямого преобразования; - АЦП двойного интегрирования; - АЦП с применением генератора, управляемого напряжением (ГУН). Каждый тип АЦП имеет свои достоинства и недостатки. На практике встречаются все выше перечисленные типы АЦП. Сравнительные характеристики АЦП. Наибольшим быстродействием обладают АЦП прямого преобразования. Время преобразования tпр достигает 10 -20 нсек. Они используются для преобразования сигналов сверхбыстро протекающих процессов и сигналов телевизионного изображения (цифровое телевидение). Они отличаются высокой стоимостью и большой потребляемой мощностью. Функциональная схема АЦП прямого преобразования приведена на рис.1. Она содержит 2n компараторов, делитель опорного напряжения и преобразователь позиционного кода в параллельный двоичный код. Промышленностью выпускаются 4, 6, 8 - разрядные АЦП прямого преобразования. Время преобразования этих АЦП определяется исключительно только временем распространения сигнала в компараторах tздкр и преобразователе кодов tздпр, т.е. tпр = tздкр + tздпр.          Рис. 1. Функциональная схема АЦП прямого (параллельного) преобразования.   По своему быстродействию на втором месте находятся АЦП последовательного приближения (рис. 2). Время преобразования n- разрядного АЦП определяется как tпр = nТ + 3Т, где Т - период следования тактовых импульсов, соответствующий времени выборки одного кванта. Дополнительные 3 такта используются для старта( запуска) и формирования сигналов признака завершения процесса преобразования (сигнала “конец преобразования”). Рис. 2. Функциональная схема АЦП последовательного приближения. Принцип работы АЦП последовательного приближения иллюстрируется на рис.3. После запуска, на выходе АЦП устатанавливается число, соответствующее половине напряжения полной шкалы Uпш / 2. Это напряжение сравнивается с входным напряжением Uвх и, в зависимости от результата сравнения, компаратор вырабатывает два сигнала: U1 , когда Uвых ЦАП > Uвх и U2 при Uвых ЦАП < Uвх . Если Uвых ЦАП меньше, чем Uвх ЛСУ вырабатывает команду, при которой к содержимому регистра последовательного приближения РПП прибавляется число, соответствующее половине напряжения, установленного в предыдущем такте. Если же Uвых ЦАП > Uвх , то из содержимого РПП это число вычитается (см. рис. 3). Это происходит до тех пор, пока напряжение приращения не станет равным DUкв , т.е. Un = DUкв =Uпш/2n..   Рис.3 Выходное напряжение ЦАП, соответствующее десятичному значению двоичного кода АЦП. Наибольшим времением преобразования (среди АЦП с использованием ЦАП) обладает АЦП последовательного счета tпр = 2n Т. Они проще в изготовлении и имеют наименьшую стоимость. Погрешность преобразования таких АЦП определяется, в основном, погрешностью ЦАП и может быть доведена до значений прецизионных преобразователей. АЦП последовательного счета переводит аналоговый сигнал в цифровой последовательно, начиная с младшего значащего разряда до цифрового кода на выходе, соответствующего уровню входного аналогового напряжения АЦП. Структурная схема такого АЦП приведена на рис. 4, а.   Рис.4. Структурная схема и временная диаграмма АЦП последовательного счета. С генератора тактовых импульсов через электронный ключ ЭК, который открывается в момент выборки входного аналогового сигнала схемой запуска (СЗ), последовательность импульсов поступает на n- разрядный двоичный счетчик (СЧ). Выход счетчика является выходом АЦП и одновременно управляет схемой ЦАП, вырабатывающей ступенчато нарастающее напряжение (см. рис. 5, б). В момент, когда выходное напряжение ЦАП станет равным входному, компаратор (СР) вырабатывает сигнал, опрокидывающий триггер (ТГ). При этом, сигнал с выхода триггера закроет электронный ключ и остановит счетчик. Содержание счетчика Nсч после его остановки будет соответствовать числу, определяемому входным аналоговым сигналом   Nсч = Uвх/ DUкв.   Наибольшее число в счетчике соответствует входному напряжению, равному Uпш. При этом Nсч = 2n. АЦП двойного интегрирования (интегрирующий АЦП). Способ двойного интегрирования позволяет хорошо подавлять сетевые помехи. На рис. 5 приведена функциональная схема АЦП двойного интегрирования. Работа его заключается в следующем. Счетчик запускается от генератора тактовых импульсов в момент поступления на интегратор входного сигнала Uвх , из которого за время интегрирования делается выборка. За время выборки напряжение на выходе интегратора Uвых и увеличивается. В момент tи прямое интегрирование заканчивается, входной сигнал от интегратора отключается и к его суммирующей точке подключается эталонный резистор. От времени tи до моментов t1 . . . t3 продолжается разряд конденсатора интегратора с постоянной скоростью.   Рис. 5. Функциональная схема и временные диаграммы АЦП двойного интегрирования: ЭК-электронный ключ; ПС – пороговая схема; ДЧ – делитель частоты; Г – генератор, СЛУ – счетно-логическое устройство; ИНТ – интегратор; КНУ – компаратор нулевого уровня. Интервалы времени от tи до нулевых отметок (t1 . . . t3) пропорциональны уровню входного сигнала. Существенным преимуществом преобразователя является простота компенсации наводок сети промышленного питания. АЦП двойного интегрирования относится к наиболее медленно работающим преобразователям. Однако, высокая точность, низкий уровень шумов и низкая стоимость делают их незаменимыми для применения в щитовых приборах, мультиметрах, цифровых термометрах и т.п. Этому способствует также то, что результаты преобразования в интегрирующих АЦП часто представляются в десятичном коде или же в удобном виде для представления цифр десятичной системы счисления. АЦП с применением ГУН, получивших название преобразователей напряжение - частота, обладают средним временем преобразования и используются, преимущественно, в измерительных системах, например, в системах измерения скорости и торможения автомобилей, измерения ухода частоты несущей в системах связи, высокоточных накопителях информации, помехоустойчивых системах передачи данных, фильтрах и др. 2. Генератор тактовых импульсов В качестве ГТИ используем схему мультивибратора на логических элементах (ЛЭ) серии ТТЛ. Элементы «ИЛИ-НЕ» имеют стабильные входные и выходные токи, что позволит не применять дополнительных схемных решений для строгой фиксации временных интервалов. Смена состояния мультивибратора происходит при сравнении напряжения на входе DD1.1 с уровнем Unop. Пусть в момент времени tq DD1.1 включился, a DD1.2 выключился. Положительный перепад напряжения передаётся через конденсатор С1 на вход DD1.1. Так как при этом напряжение на выходе DD1.3 равно нулю, начинается зарядка ёмкости по цепи: выход DD1.2 - С1 - R1 - выход DD1.3. По мере зарядки уменьшается ток через резистор и напряжение на нём. При достижении им уровня Unop мультивибратор переключается в другое состояние, в котором происходит перезаряд ёмкости С1. Расчёт тактового генератора для АЦП. Дано: Частота – 1МГц Скважность – 4 Длительность фронтов – 10-2 мкс Амплитуда – 6В Решение T=1 / F= q=T / tи = tп = Tи - tи = где T- период F - частота tи – время импульса tп – время паузы По заданным данным: Согласуемые элементы серии ТТЛ КМДП К155  K176 Нагрузочная способность ПУ – 3 Частота переключения – 10 МГц Температурный диапозон - -10 - +45 Выбираю Микросхему К155ЛИ1   рис. а рис. б УГО (условно - графическое отображение) ИМС (К155ЛИ1),дано на рис. а На рис б.приведена принципиальная схема двухвходового логического элемента “И”. Параметры ИМС (К155ЛИ1) (0) Uвых = 0,4 (1) Uвых = 2,4 (0) Iвх = -1,6 (1) Iвх = 0,04 Kраз (нагрузочная способность) = 10 Преобразователь уровней Для того, чтобы использовать выше рассмотренный генератор тактовых импульсов необходимо согласовать его выходной сигнал по амплитуде и крутизне фронтов с входами микросхем АЦП, поскольку они выполнены в основном по технологии КМОП, для обеспечения более точного преобразования аналоговых сигналов. Поэтому между генератором и АЦП необходимо включить преобразователь уровней типа ТТЛ - КМОП. Для построения схемы ПУ используем универсальные транзисторы типа КТ3102Г: (Таблица 1 ) Таблица 1 Расчёт преобразователя уровней. Значения резисторов RK и Rб определим из условий двухсторонних ограничений: Из условия, что напряжение на выходе ПУ не должно быть меньше напряжения U1 кмоп, для наихудшего соотношения параметров определяем первое ограничение сверху на величину RK: Е - минимальное напряжение питания при заданном допуске; I1 кмоп и Iкбо, - максимальные значения входного тока КМОП-элемента и обратного тока коллектора транзистора VT1, которые достигаются при максимальной температуре Тмакс заданного температурного диапазона работы ПУ. Для нахождения I1 кмоп и Iкбо используем упрощенное выражение, описывающее зависимость обратного тока р-n перехода Iо от температуры окружающей среды Т: Т* - приращение температуры, при которой обратный ток Iо (То) удваивается (Т*~ (6 или 7)°С для кремния); Iо (То) - ток Iо при некоторой исходной температуре Т0, который приводится в справочнике. I вх КМОП (Т макс) ~ 1,5мкА * 2 (45 C– 20 C / 6 C) = I кбо (Т макс) ~ 0,05мкА * 2 (45 C– 20 C / 6 C) = Rk < (6,05 – 6) / ((2*(48,3мкА)+(16,1мкА)) = Второе ограничение сверху на величину RK определяется требованиями обеспечения заданного быстродействия ПУ: Rк < 1 / (2,3 * f * Cн) где Сн = nCвх +См n - нагрузочная способность ПУ; Свх - входная ёмкость КМОП - элемента; См - ёмкость монтажа; f - частота переключения ПУ. Rк < Из условия ограничения тока коллектора насыщенного транзистора VT1 максимально допустимым током IK макс для наихудшего соотношения параметров определим ограничение снизу на величину RK: где Е - максимальное напряжение питания при заданном допуске. Uкэн ~ Iк макс * Rкэн = 0 В Rк > С точки зрения уменьшения мощности, потребляемой ПУ, необходимо выбрать величину RK наибольшей, удовлетворяющей двустороннему ограничению и в соответствии со стандартным рядом номиналов резистора. Принимаем RK = Мощность рассеиваемая на резисторе RK при насыщении транзистора VT: P Rк > (E - Uкэн)’ / Rк = Мощность резистора принимаем минимальной величиной - 0,125 Вт Из условия, что ток базы Iб транзистора VT не должен превышать ток I1 вых КМОП, получаем первое ограничение снизу на величину R6: Rб > еоб- напряжение на р - п переходе Б - Э насыщенного транзистора (для кремниевых транзисторов еоб ~ 0,6В) Rб < Из условия, что ток Iб не должен превышать максимально допустимый ток базы Iб макс выбранного транзистора VT, получим второе ограничение снизу на величину Rб. Rб > Для определения ограничения сверху на величину R6 потребуем, чтобы обеспечивалась для выбранного транзистора VT степень насыщения S. Тогда Rб < Величину Rб выбираем наибольшей, удовлетворяющей двустороннему ограничению, и в соответствии со стандартным рядом номиналов резистора. Принимаем Rб = кОм. Расчёт мощности, потребляемой ПУ от источника питания. Если Uвх = Uo ттл, то транзистор VT находится в режиме отсечки и через резистор Rк протекает ток 2I1 кмоп + Iкбо, который будет максимальным при наибольшей температуре. Поэтому мощность, которую ПУ потребляет от источника питания Е в состоянии лог.1 на выходе, равна: P = E* (n* Iвх кмоп + Iкбо) = Если Uвх = U1 ттл, то VT насыщен и мощность, потребляемая ПУ в состоянии лог. О на выходе равна: P = E*Iкн = E*((E – Uкэн) / Rк) + n*Iвх кмоп) = Интегральный аналог ПУ рис.6 Микросхема К176ПУ3 содержит шесть независимых преобразователей уровня без инверсии сигнала. На вывод 1 подаётся напряжение +5В, а на вывод 16 - +9В. Условное обозначение и цоколёвка ИС приведены на рис.6. ИС предназначена для преобразования сигналов от КМДП ИС в сигналы ТТЛ ИС. Литература:

  1. М.И.Богданович, И.Н.Грель, В.А. Прохоренко. Цифровые интегральные микросхемы. Справочник. - Минск. “Белорусь” 1991г.

  2. Шило В.Л. Популярные цифровые микросхемы. - М.: "Радио и связь", 1987.

  3. В помощь радио – любителю. Выпуск 109, 111.- г.1991