Материал: элтехлаба5_ИССЛЕДОВАНИЕТРАНСФОРМАТОРА

Внимание! Если размещение файла нарушает Ваши авторские права, то обязательно сообщите нам

Министерство науки и высшего образования Российской Федерации

Калужский филиал федерального государственного бюджетного образовательного учреждения высшего образования

«Московский государственный технический университет имени Н.Э. Баумана (национальный исследовательский университет)»

(КФ МГТУ им. Н.Э. Баумана)

ФАКУЛЬТЕТ _ИУК . Информатика и управление______________

КАФЕДРА ИУК3 «САУ и электротехника » __________

ЛАБОРАТОРНАЯ РАБОТА 5

«ИССЛЕДОВАНИЕТРАНСФОРМАТОРА»

ДИСЦИПЛИНА: «Электротехника»

вариант №19

Выполнил: студент гр. ИУК1-31Б

_________________ ( Прудников А.Ф. )

(Подпись) (Ф.И.О.)

Проверил:

_________________ ( Царьква Н.В. )

(Подпись) (Ф.И.О.)

Дата сдачи (защиты):

Результаты сдачи (защиты):

- Балльная оценка:

- Оценка:

Калуга , 2020

Цель работы: изучение устройства и принципа действия трансформатора, экспериментальное исследование режимов его работы.

В

Гц

А

Ом

1200

50

1,50

335

Опыт холостого хода

Рисунок 1 - опыт холостого хода трансформатора

  • Ток холостого тока А (показания амперметра в первичной обмотке), что составляет: от номинального тока;

  • ( окно графопостроителя Боде);

  • Напряжение во вторичной обмотке В (показания вольтметра во вторичной обмотке).

Используя полученные данные, можно определить:

  • Коэффициент трансформации трансформатора:

  • Т.е. трансформатор является понижающим;

  • Мощностью потерь энергии в режиме холостого хода

    • Вт.

Опыт короткого замыкания

Рисунок 2- опыт короткого замыкания

Из показаний вольтметра, включенного в первичную обмотку, определяем В, что составляет .

Мощность потерь обмотки трансформатора Вт

Режим нагрузки

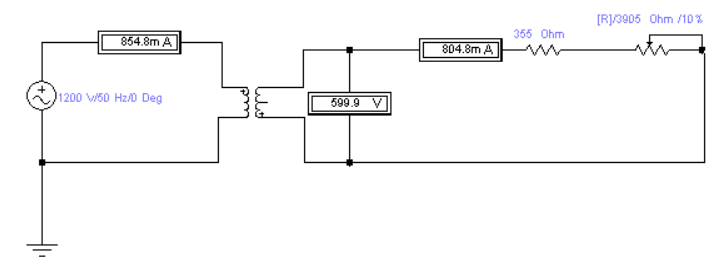
Rysunek 1 - Режим активной нагрузки трансформатора

Результаты измерений (таблица 1)

Ом

355

710

1065

1420

1775

2130

2485

2840

3195

3550

3905

А

1

1

0,99

0,96

0,94

0,92

0,9

0,88

0,87

0,86

0,85

А

1,5

1,4

1,3

1,2

1,1

1

0,99

0,93

0,88

0,84

0,8

В

600

600

600

600

600

600

600

600

600

600

600

Значение коэффициента нагрузки и КПД трансформатора(таблица 2)

β

η,%

Вывод: изучил устройство и принцип действия трансформатора, экспериментально исследовал режимы его работы.