Материал: Электрооборудование горнопроходческих машин и схемы их управления

Внимание! Если размещение файла нарушает Ваши авторские права, то обязательно сообщите нам

При электропневматическом дистанционном управлении сжатый воздух в тормозные цилиндры поступает через золотники, управляемые электромагнитным. Электромагниты рабочего У1 и холостого У2 ходов включаются с помощью магнитных контактов КМ1 и КМ2. Электродвигатель лебедки М1 включается контактом К посредством нажатия на кнопку SA1, а включается кнопкой пускателя SB1 или выносного пульта SB2. Машинист, находящийся в забое, управляет лебедкой нажатием на кнопки SA3 и SA2 пульта. При нажатии кнопку SA2 включаются контактор КМ1 и электромагнит У1 золотника, что обеспечивает включение тормозного устройства рабочего барабана и, благодаря использованию планетарного механизма, происходит поступательное перемещение скрепера при его рабочем ходе. При отпускании кнопки SA2 контактор КМ1 отключается и обесточивает электромагнит золотника. Аналогично нажатием кнопки ‚ SA3 включается в работу барабан холостого хода. Взаимоблокировка при движении вперед-назад осуществляется н.з. блок - контактами КМ1 и КМ2.

Скреперная установка с применением электрогидротолкателей управляется по подобной схеме, только вместо электромагнитов и золотников применяются микроэлектродвигатели в сочетании с электротолкателями.

.1 Типы и характеристики скреперных установок

Показатели

Тип лебедки


10ЛС-2С

17ЛС-2С 13ЛС-2П

ЗОЛС-2С ЗОЛС-2П

55ЛС-2С 55ЛС-2П

75ЛС-2С 75ЛС-2П

100ЛС

Тяговое усилие, кН

10

16

28

45

63

80

Скорость движения каната, м\с Рабочего холостого

 1, 08 1, 48

 1, 1 1, 52

 1, 2 1, 65

 1, 32 1, 8

 1, 32 1, 82

 1, 32 1, 82

Диаметр каната, мм

11, 5

14

15

16, 5

20

21, 5

Вместимость барабана, м

45

60

95

145

195

155

Мощность двигателя, кВт

10

17

30

55

100

Масса лебедок, кг 2С 2П

 470 -

 760 860

 1200 1345

 2215 2445

 3550 3850

 3650 3955


3.2 Скреперная лебедка 10ЛС-2С

Скреперные лебедки 10ЛС-2С двух- и трехбарабанные с одноосным или параллельным расположением двигателя предназначены для доставки отдельной от массива горной массы при подземной разработке полезных ископаемых. Лебедки используются также на открытых разработках и являются средством механизации складирования сыпучих и кусковых материалов. Возвратно-поступательное движение скрепера осуществляется при включении и выключении рабочего и холостого барабана ручным тормозом планетарных редукторов. Для включения рабочего барабана необходимо при работающем двигателе затянуть соответствующий тормоз, при этом происходит наматывание каната на рабочий барабан, что вызывает перемещение груженого скрепера. Одновременно с холостого барабана канат сматывается. Скрепер перемещается посредством переменного включения тормоза планетарных редукторов рабочего и холостого барабанов в нужном направлении.

Общие конструктивные и эксплуатационные особенности скреперных лебедок

Простота конструкции и управления, надежность в работе, компактность, большие тяговые усилия.

Все лебедки имеют типовую конструкцию, состоят из отдельных транспортабельных узлов и отличаются одна от другой габаритными размерами, массой, компоновкой и мощностью электродвигателей.

Основные узлы (редуктор привода, блоки холостого и рабочего барабанов, электродвигатель в сборе) в собранном виде крепятся к основанию (раме), что упрощает устройство настила или фундамента, облегчает и ускоряет монтаж.

Каждый блок барабана имеет ленточный тормоз, оснащенный тормозными колодками из фрикционного износостойкого прессматериала.

Базовой моделью каждого типоразмера является скреперная лебедка 2С. двухбарабанная лебедка типа 2П собирается из основных узлов и деталей базовой лебедки, отличается конфигурацией корпуса и компоновкой узлов.

Конструкция трехбарабанной лебедки типа ЗС позволяет собирать её из узлов и деталей базовой лебедки с дополнительным (третьим) корпусом блока с педалью управления рабочим барабаном. Управление лебедки ручное. Электрооборудование лебедок, предназначенных для шахт опасных по газу и пыли, исполняется во взрывобезопасном исполнении и РВ. Скреперные лебедки канатом и скрепером не комплектуются.

4. Транспортные установки

Транспортные установки с электроприводом на геологоразведочных работах при проходке выработок это малые электровозы, а при канатной откатке - маневровые лебедки. Наиболее распространены аккумуляторные электровозы 2АРП-4‚5. АРП-2М (аккумуляторный, рудничный повышенной надежности, масса до 4, 5 т).

Электрическое оборудование электровозов состоит из тяговых двигателей, аппаратуры управления и защиты силовых цепей, пусковых сопротивлений, аккумуляторных батарей и осветительной амплетуды. На электровозах 2АРП-4, 5 установлены два электродвигателя постоянного тока с последовательным возбуждением типа ЭДР-7 мощностью 6 кВт каждый. Корпус тяговых двигателей этого типа делается во взрывобезопасном исполнении.

Пуск, регулирование скорости и выключение электродвигателей осуществляются контроллером ГР-9М-3. Все электрооборудование имеет взрывобезопасное исполнение, в батарейный ящик - исполнение повышенной надежности. В батарейном ящике смонтирована аккумуляторная батарея 66ТЖН-300. Принципиальная электрическая схема аккумуляторного электровоза предусматривает три режима работы: пуск и еду при последовательном соединении тяговых двигателей, езду при параллельном соединении тяговых двигателей и выбег.

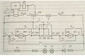
При установке реверсивного барабана в положение «Вперед» и рукоятки главного барабана в положение 1 будут замкнуты реверсивным барабаном контакты 8, 9, 10, 11, а главным барабаном - кулачковый контактор 2. При этом ток от «+» аккумуляторной батареи G пойдет по цепи: автоматический выключатель Q1, контактор 2, контакт 8 реверсивного барабана, обмотка якоря первого двигателя М1, контакт 9, обмотка возбуждения К1-КК1 первого двигателя, пусковые сопротивления R1-R4 обмотка возбуждения К2 - КК2 второго двигателя, контакт 10, обмотка якоря второю двигателя М2, контакт 11, автоматический выключатель Q2, « - » батареи G. Двигатели и три ступени сопротивления включаются последовательно.

В положении 2 рукоятки главного барабана включается контактор 4 и шунтируются сопротивления R1-R2; в положении 3 контактором 5 шунтируются сопротивления R2 - R3; в положении 4 выводится сопротивление R1-R4 и в силовой цепи будут включены лишь тяговые двигатели, соединенные последовательно.

Электрическая схема аккумуляторного электровоза

Переводом рукояти главного барабана через переходные позиции Х1, Х2‚ Х3(на рис. не показаны) переключают двигатель с последовательного на параллельное соединение. В положении 5 замыкаются контакторы главного барабана 1, 3 и 6, в результате чего двигатели будут соединены параллельно между собой и последовательно с пусковым сопротивлениями. На позиции 6 замыкается контактор 5 и пусковые сопротивления R1-R2, R3-R4 включаются параллельно между собой. На позиции 7 замыкаются контакторы 4 и 7 главного барабана, пусковые сопротивления полностью выводятся и двигатели отзываются включенными параллельно на полное напряжение аккумуляторной батареи. Позиция 7 - вторая ходовая позиция, при которой возможна длительная езда электровоза. От токов короткого замыкания и перегрузок силовая цепь защищена автоматами Q. Для освещения на электровозе установлены две фары Н, защищенные плавками предохранителя FU.

Электрические схемы всех аккумуляторных электровозов выполнены аналогично. Для отечественных рудничных электровозов в настоящее время применяются только щелочные железоникелевые аккумуляторные батареи.

4.1 Аккумуляторный электровоз АРП4, 5Т

Аккумуляторный электровоз АРП4, 5Т (аналог 4, 5АРП) предназначен для транспортировки составов по подземным выработкам шахт и рудников с уклоном до 0, 005 и радиусом закругления рельсовых путей не менее 8 м, в которых действующими правилами безопасности разрешена эксплуатация аккумуляторных электровозов.

Используется Электродвигатель электровоза ДТРН-13АС.


4.2 Электродвигатель электровоза ДТРН-13АС

Наименование параметров

ДТРН-13АС

ДТРН-23, 5АС


Режим работы по ГОСТ 183

Режим работы по ГОСТ 183


S2-60 мин (часовой)

S1 (продолжительный)

S2-60 мин (часовой)

S1 (продолжительный)

Номинальная мощность, кВт

13\10, 5

5, 2\4, 2

23, 5

9, 4

Номинальное напряжение, В

130/110

130/110

185

185

Номинальный ток, А

122

50\47

152

61

Номинальная частота вращения, об/мин

615/505

1000/900

900

1410

Максимальная частота вращения, об/мин

1845

2500

Направление вращения

реверсивное

реверсивное

Исполнение

Рудничное взрывозащищенное

Рудничное взрывозащищенное

I

I

Степень защиты по ГОСТ 14254

IР54*

IР54*

Способ охлаждения по ГОСТ 20495

IС0040

IС0040

Электромагнитное возбуждение

последовательное

последовательное

Масса, кг

380

500

Заключение

Для работы на горных предприятиях современного технического уровня, а также подземных объектах различного назначения требуются высококвалифицированные специалисты, владеющие обширными знаниями в области электрооборудования и электроснабжения горных машин, технологии и организации горного дела. Универсальность профессии заключается в широком диапазоне деятельности: конструктор разработчик горных машин и комплексов, а также электрооборудования и электроснабжения горных машин, технолог по их эксплуатации. Глубоко изучив электрооборудование горнопроходческих машин и схемы их управления мы сможем пройти через аварии горных машин.

Литература

Горное оборудование для проведения горно-разведочных выработок (Якутск 2005) Институт горного дела Севера им. Н. В. Черского

Проведение горных выработок (Учебно-методическое пособие к курсовому проекту Якутск 2013) Геологоразведочный факультет Кафедра технологии и техники разведки МПИ://electroandi.ru/elektricheskie-mashiny/asinkhronnyj-dvigatel-printsip-raboty-i-ustrojstvo.html://td-zed.ru/Dvigatel/2-vrp-132-160.html://www.esbk.ru/products_info/ed/104_ed_rudn/104_ed_rudn.html