Материал: Электрооборудование горнопроходческих машин и схемы их управления

Внимание! Если размещение файла нарушает Ваши авторские права, то обязательно сообщите нам

Электрооборудование горнопроходческих машин и схемы их управления

Министерство образования и науки Российской Федерации

ФГАОУ ВО Северо-Восточный федеральный университет имени М. К. Аммосова

Геологоразведочный факультет

Кафедра технологии и техники разведки МПИ


Реферат

По дисциплине ‹‹Электрооборудование и электроснабжение››

‹‹Электрооборудование горнопроходческих машин и схемы их управления››

Содержание

Введение

. Ручные электросверла

.1 Техническая характеристика ручного сверла СЭР-19М

.2 Асинхронный двигатель

. Погрузочные машины

.1 Типы и характеристики погрузочных электрических машин

2.2 Погрузочные машины серии 1ПНБ2

.2 Электродвигатель машины серии 1ПНБ2

3. Скреперные установки

.1 Типы и характеристики скреперных установок

.2 Скреперная лебедка 10ЛС-2С

.Транспортные установки

4.1 Аккумуляторный электровоз АРП4, 5Т

.2 Электродвигатель электровоза ДТРН-13АС

Заключение

Литература

Введение

Электрооборудование машин, предназначенных для проходки горных выработок (погрузочные машины, электросверла, скреперные установки), имеет рудничное исполнение и взрывобезопасные цепи управления за счет применения в них пониженного напряжения. Особенность дистанционного управления передвижными забойными машинами заключается в том, что магнитный пускатель, с помощью которого управляется машина, обычно размещается на значительном расстоянии и соединяется с электродвигателем и пультом управления, установленными на машине, по средствам гибкого многожильного кабеля.

В данной работе мы рассмотрим электросверла, погрузочные машины и скреперные установки в более подробном информации. И какие электродвигатели установлены для этих установок.

1. Ручные электросверла

Ручные электросверла имеют привод от электродвигателя с короткозамкнутым ротором мощностью не менее 1-2 кВт и напряжением 127 В. Для подвода электроэнергии к ручному сверлу необходимо: трансформировать напряжение с 380 до 127 В, а для питания цепей управления - до 18-36 В. Кроме того, надо предусмотреть защиту от токов короткого замыкания и утечек. Все эти функции совмещаются в одном аппарате, который получил наименования пускового (АП) или комплексного (АК) агрегата. В настоящее время промышленность выпускает пусковой агрегат АП-35М на два сверла и комплексный агрегат АК-1М для питания одного сверла.


Электрическая схема агрегата АК-1М (рис. IV. 18) состоит из трех цепей: силовой (автоматический выключатель Q, контактор К, трансформатор TI (380/127); управления (трансформатор Т2, промежуточное реле постоянного тока КА1, кнопка SA "Пуск" в корпусе сверла, диод V), защиты от утечки (не показана). Нажатием кнопки, вмонтированный в корпус сверла, которая может быть удалена от агрегата на расстояние до 200м, обеспечивается протекание тока в цепи управления. Включается катушка КА1, замыкая свои контакты в цепи пускателя. Катушка контактора К замыкает контакты в силовой цепи, включая электросверло, управляемое по толчковой схеме.

Электрические схемы агрегата АК-1М и АП-35М обеспечивают защиту от токов которого замыкание, утечек, перегрузок, потерь управляемости (за счет выпрямителей, встроенных в корпус), нулевую защиту.

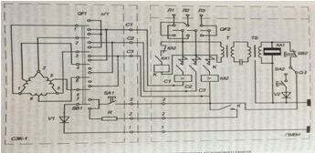
Двигателями колонковых сверл управляют с помощью магнитных пускателей. Колонковые сверла могут работать при напряжении до 660 В. На рис. IV.19 схема дистанционного управления двухскоростным электродвигателем колонкового сверла СЭК-1. Для управления используется трехжильная искробезопасная схема, в которой заземляющая жила служит в качестве третьего провода цепи управления.

При включении рукояти контроллера QF1 и нажатии кнопки SA1«Пуск». расположенной на корпусе сверла, создается цепь: вторичная обмотка стабилизатора TS, кнопка SB2 «Стоп», переключатель Q3, зажимы 3-3, кнопки SA1 «Пуск» и SB1 «Стоп» сверла, диод VI, зажимы 1-1. вторичная обмотка TS. Во втором полупериоде ток проходит через катушку KA1‚ которая замыкает цепь контактора К. Последний включает своими контактами электродвигатель и замыкает блок-контакт K. Шунтирующий кнопку «Пуск». Отключается сверло реверсивным контроллером QF2 или при срабатывании защиты.

Бурильная машина вращательного действия

Тип машины

Вид энергии

Подача машины на забой

Область применения

Ручные сверла

электрическая

ручная

Бурение горизонтальных Слабонаклонных и направленных вниз шпуров в породах ниже средней крепости

1.1 Техническая характеристика ручного сверла СЭР-19М


Ручное электросверло СЭР-19М состоит:

литого алюминиевого корпуса (4) с двумя рукоятками, с изолирующим полихлориниловым покрытием;

асинхронного электродвигателя, встроенного в корпус и состоящего из статора (6) и ротора (5) с подшипниками;

передней крышки (2) с двухступенчатым редуктором;

промежуточного щита (8), обеспечивающего взрывобезопасность корпуса;

шпинделя (1), в который вставляется хвостовик бура;

вентилятор (8);

затыльной крышки (7) с изолирующим полихлорвиниловым покрытием;

устройства для ввода гибкого кабеля, которое состоит из фланца (11), колодки из негорючей пластмассы (12), в которой расположены проходные болты для присоединения жил гибкого кабеля и соединительных концов от обмотки статора и пускового устройства, патрубка (13), заглушки (14), которая закреплена гайкой (15). На гибком кабеле крепится хомут (16), присоединяемый отрезком цепи к фланцу (11) корпуса сверла, что предотвращает выдергивание кабеля из вводного устройства, а также его чрезмерные перегибы.

пусковое устройство (9) (однополюсный выключатель дистанционного управления без фиксации) смонтировано в отдельной камере корпуса сверла и закрыто крышкой (10).

Для лучшего охлаждения электродвигателя корпус его имеет ребристую поверхность, которая обдувается вентилятором, смонтированным наружи корпуса на валу ротора. Затыльная (7) закреплена на корпус так, что вместе с ребрами образуют каналы для прохода воздуха от вентилятора вдоль нагретой поверхности корпуса.

Двухступенчатый цилиндрический редуктор электросверла имеет смешанные шестеренками и позволяет получить путем их замены две частоты вращения шпинделя:

по породе средней крепости 700 об-1;

по максимальной крепости пород 340 об-1.

Показатели

Тип горных сверл


СЭР-19М

Род применяемой энергии

электрическая

Диаметр шпура, мм

36 - 45

Длина шпура, м

3

Коэффициент крепости пород

<4

1.2

Частота вращения шпинделя, об-1

340/700

Давления сжатого воздуха, МПа

-

Напряжение питающей сети, В

127

Способ удаления буровой мелочи

сухой

Масса, кг

18


1.2 Асинхронный двигатель

сверло электрический скреперный лебедка

В электробуре СЭР-19М используется трехфазный асинхронный двигатель.

Трехфазный асинхронный электродвигатель - это асинхронный электродвигатель <#"897766.files/image003.gif">

Статор состоит из корпуса и сердечника с обмоткой. Сердечник статора собирается из тонколистовой технической стали толщиной обычно 0, 5 мм, покрытой изоляционным лаком. Шихтованная конструкция сердечника способствует значительному снижению вихревых токов, возникающих в процессе перемагничивания сердечника вращающимся магнитным полем. Обмотки статора располагаются в пазах сердечника.

Корпус и сердечник статора Конструкция шихтованного сердечника

Ротор состоит из сердечника с короткозамкнутой обмоткой и вала. Сердечник ротора тоже имеет шихтованную конструкцию. При этом листы ротора не покрыты лаком, так как ток имеет небольшую частоту и оксидной пленки достаточно для ограничения вихревых токов.

2. Погрузочные машины

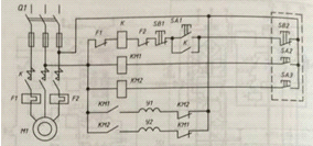
Погрузочные машины, применяемые при проходке горно-разведочных выработок, обычно имеют пневматический привод. Но могут использоваться и машины с электрическим приводом. В качестве примера рассмотрим электрическую схему управления машиной 1 ПНБ-2.

Электроснабжение погрузочной машины осуществляется с помощью гибкого кабеля от магнитного пускателя, размещаемого на некотором расстоянии в распределительном пункте. Напряжение включается и отключается дистанционно кнопками SA и SB с магнитной станции, установленной на погрузочной машине. При этом через промежуточное реле КА1 включается (отключается) контактор К. На машине установлены два двигателя - М1 и М2. Реверсивное управление ими осуществляется с помощью двух магнитных пускателей ПА-313; вмонтированных в магнитную станцию.

Цепи управления магнитными пускателями получают питание напряжением 36 В через трансформатор Т1. Чтобы включить двигатель, например М1, нужно нажать на кнопку SA1.1. При этом катушка К1.1 получает питание через трансформатор Т1, замыкает свои силовые контакты и включает двигатель. Реверсирование двигателя производится нажатием кнопки SA1.2. Пуск и реверсирование двигателя М2 производится аналогично.

От трансформатора Т1 получают питание фары местного освещения. Привод погрузочной машины имеет. тепловую (F1 и F2), максимальную (КА2, КА3) и нулевую (блок - контактами катушек К1.1.и К2.1)защиту. При необходимости экстренного отключения пользуются аварийным выключателем Q2, заметный контакт которого при отключение разорвет цепь реле КА1 и отключит магнитный пускатель.

Схема управления электродвигателем колонкового сверла.

.1 Типы и характеристики погрузочных электрических машин

показатели

Непрерывного действия


ПНБ-1

1ПНБ-2

2ПНБ-2

3ПНБ-2

ПНБ-3

Производительность, М3/мин.

1, 25

2

2

2, 5

4

Вместимость, М3

-

-

-

-

-

Габариты, мм Ширина длина

1100 6500

1600 7100

1800 8000

1800 -

2000 8500

Максимальная высота разгрузки, мм

1350

1800

1800

2800

2400

Масса, г

4, 7

6

10, 5

18

22

Мощность двигателя, кВт

21

31

65

100

88

гусеничная

Вид энергии

Электрическая


1 - нагребающая часть; 2 - ходовая часть; 3 - электрооборудование; 4 - пульт управления; 5 - гидросистема; 6 - перегружатель

2.2 Погрузочные машины серии 1ПНБ2

Погрузочные машины серии 1ПНБ2 предназначены для механизации процесса погрузки горной массы насыпной плотностью до 1, 4 т/м³, с коэффициентом крепости 6 по шкале проф. М.М. Протодъяконова, размерами кусков в наибольшем измерении не более 400 мм в вагонетки, на конвейер и другие транспортные средства при проходке горизонтальных и наклонных (до ±10°) выработок. Используются в угольной, сланцевой и горнорудной промышленности.

Погрузочная машина 1ПНБ2У комплектуется предохранительной лебедкой 1ЛП и предназначена для погрузки горной массы, разрыхленной буровзрывным или иным способом, при проходке горизонтальных и наклонных до 18° выработок, площадью поперечного сечения в свету не менее 8, 4 м².

Буропогрузочная машина 1ПНБ2Б отличается наличием навесного бурильного оборудования, системой орошения. Она предназначена для бурения шпуров и погрузки взорванной горной массы при буровзрывном способе ведения горных работ в горизонтальных и наклонных (до 10°) выработок.

Благодаря наличию двух скоростей передвижения такие погрузочные машины имеют возможность получать большое напорное усилие на погружаемую массу при рабочем ходе (погрузке) и быстро перемещаться при маневрировании. Машины могут применяться в шахтах, опасных по газу и пыли. Применение машин в забоях шахт, опасных по внезапным выбросам угля, породы и газа, запрещается.

Электрическая схема управления погрузочной машиной 1ПНБ-2.

.3 Электродвигатель машины серии 1ПНБ-2

В данной машине используется электродвигатель ВРП-160.

Двигатели асинхронные короткозамкнутые взрывозащищенные рудничные предназначены для привода забойных машин и других механизмов (например, погрузочных машин непрерывного действия, насосов, вентиляторов, грохотов, элеваторов, дробилок, ленточных конвейеров и т.д.) в угольной и прочих отраслях промышленности.


Маркировка взрывозащиты: РВ 3В (Ехdl)

Климатическое исполнение: У2, 5

Степень защиты от внешних воздействий: IP54

Напряжение: 660/380В 1140/660В

3. Скреперные установки

Скреперные установки применятся для уборки породы при проходке геологоразведочных канав и выработок малого поперечного сечении (2, 7 - 4 м2), в которых применение погрузочных машин невозможно. Режим работы скреперных установок - длительный с переменной нагрузкой, поэтому к электродвигателю лебедки предъявляются требования высокой электрической прочности и перегрузочной способности. Скреперные лебедки в качестве привода имеют короткозамкнутый асинхронной электродвигатель серии ВАО мощностью 10-55 кВт.

Схема дистанционного управления скреперной лебедкой.

Для защиты электродвигателя скреперной лебедки и управления им применяются нереверсивные магнитные пускатели. Электроэнергия к двигателю подводится при помощи гибкого кабеля. В настоящее время осуществляется дистанционное управление скреперными лебедками, которое сводится к дистанционному воздействию на рукоятки тормозов. дистанционное управление тормозами может быть осуществлено с помощью электромагнитов, электрогидротолкателей и электропневматических вентилей.