Материал: Электронное реле времени

Внимание! Если размещение файла нарушает Ваши авторские права, то обязательно сообщите нам

Электронное реле времени

Введение

Электронные реле времени были разработаны для применения взамен реле времени с электромагнитным и механическим замедлением. Первые электронные реле времени выпускались на базе транзисторных схем. Затем в электронных реле стали использоваться интегральные микросхемы, а в последующем произошел переход к микроконтроллерам.

Электронные реле времени используются в системах контакторного управления, где требуются малое время возврата, хорошая точность воспроизведения, большое число коммутаций и высокий срок службы оборудования. Время может выбираться в пределах от 0,05 с до нескольких месяцев и лет и легко корректироваться.


1.Общие сведения об электронных реле времени

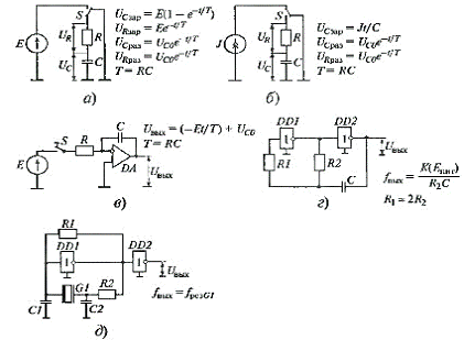
В общем случае любое электронное реле времени представляет собой устройство, управляемое входным (питающим) напряжением и переключающее свои выходные контакты с той или иной временной задержкой. Времязадающий узел большинства электронных реле времени выполняется на базе RC-цепей (рис. 1,a). Изменение напряжения на конденсаторе RC-цепи, подключенной к источнику постоянного напряжения, описывается экспоненциальной функцией времени. Это позволяет, контролируя напряжение на конденсаторе, формировать заданные интервалы времени, например от момента подключения RC-цепи к источнику до момента достижения напряжения на конденсаторе заданного уровня. По экспоненциальной функции происходит и разряд предварительно заряженного конденсатора параллельной RC-цепи. Такие цепи используются в реле времени, которые должны переключать свои контакты после исчезновения питающего напряжения.

Рис. 1. Варианты времязадающих цепей, используемых в электронных реле времени

В некоторых реле времени используется заряд конденсатора RC-цепи стабильным током (рис. 1, б и в). В этом случае напряжение на конденсаторе изменяется линейно во времени, что позволяет получить несколько большую точность в формировании выдержек времени. Роль источника стабильного тока в таких реле выполняет электронная схема. Однако реле времени с источником стабильного тока сложнее в реализации и поэтому не получили широкого распространения.

Время заряда (разряда) RC-цепи в реальных схемах не превышает нескольких секунд. Обусловлено это несколькими обстоятельствами. Во-первых, сопротивление времязадающего резистора в RC-цепи приходится ограничивать (в пределах нескольких мегаом), чтобы на заряде конденсатора не сказывались токи утечки по изоляционному материалу печатной платы и входные токи схемы, контролирующей напряжение на конденсаторе.

Во-вторых, в RC-цепи необходимо использовать конденсаторы с минимальной адсорбцией заряда. В противном случае свойство конденсатора восстанавливать напряжение на обкладках после его кратковременного разряда будет приводить к разбросу времени готовности реле к повторному срабатыванию. К сожалению, выпускаемые конденсаторы с минимальной адсорбцией заряда имеют относительно небольшую емкость (порядка нескольких микрофарад).

Реле с небольшими выдержками времени удается выполнить на основе одного такта заряда (разряда) RC-цепи. При необходимости обеспечить большие выдержки времени реле выполняются на основе схем с многократным зарядом-разрядом RC-цепи. В таких многотактных реле времени RC-цепь включается в автоколебательную схему, что обеспечивает периодический заряд-разряд ее конденсатора. Например, автоколебательная схема на основе RC-цепи может быть выполнена на логических элементах, как это показано на рис. 1, г.

Заряд и разряд конденсатора С осуществляются через резистор R2 за счет разных уровней напряжения на входе и выходе инвертирующего логического элемента DD2. Переключает состояния логического элемента DD2 такой же логический элемент DD1, но используемый как пороговый орган напряжения (реализуется то обстоятельство, что логические элементы ИМС переключаются в состояние логического нуля и, наоборот, при разных уровнях входного напряжения).

Таким образом, при поданном питании на выходе DD2 формируется последовательность импульсов с достаточно стабильным периодом. Выполняя подсчет выходных импульсов с момента запуска автоколебательной схемы, можно получать электронное реле с большим диапазоном выдержек времени при относительно малых значениях постоянной времени времязадающей цепи. Наиболее высокую точность обеспечивают электронные реле времени с автоколебательными схемами на основе кварцевых резонаторов (см. рис. 1,д).

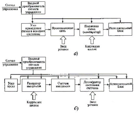
Использование в электронных реле времени низковольтных и слаботочных электронных компонентов влечет за собой необходимость применения в них узлов сопряжения с внешними входными и выходными цепями. Структурные схемы однотактного и многотактного реле времени показаны на рис. 2, а и б соответственно. Обе схемы включают одинаковые блоки: входной преобразователь, узел установления времязадающей схемы в исходное состояние и исполнительный (выходной) орган.

Рис. 2. Структурные схемы реле времени.

Назначение входного преобразователя - формирование низкого напряжения нормированного уровня для питания времязадающей схемы, а также для создания опорных потенциалов, необходимых для работы пороговых органов.

Узел установления времязадающей схемы в исходное состояние необходим для приведения всех элементов реле, участвующих в формировании выдержки времени, в строго определенный исходный режим. Приведение реле в исходное состояние может осуществляться либо в момент завершения предыдущего цикла работы реле, либо в момент включения реле под напряжение.

В однотактных реле времени выдержки регулируются либо изменением постоянной времени времязадающей цепи, либо изменением порога срабатывания компаратора (порогового органа), который сравнивает напряжение на конденсаторе времязадающей цепи с уставкой и воздействует на выходной (исполнительный) орган.

В многотактных реле времени выдержка, как правило, обеспечивается подсчетом импульсов тактового генератора в счетчике импульсов и корректируется (для компенсации разброса параметров элементов) изменением постоянной времени RС-цепи тактового генератора. При подаче питающего напряжения тактовый генератор запускается и на вход счетчика начинают поступать импульсы.

Распознавание достижения требуемого состояния счетчика обеспечивается схемой дешифрации его состояния на основе механических переключателей, задающих уставку. В момент накопления в счетчике определенного числа импульсов, совпадающего с уставкой дешифратора, формируется сигнал управления для выходного исполнительного блока.

В последние годы электронные реле времени стали выполняться на основе микроконтроллеров. Микроконтроллеру для его работы требуются тактовые импульсы достаточно стабильной частоты. Как правило, эти импульсы формируются встроенным генератором на базе кварцевых резонаторов (рис. 1, д). При поступлении сигнала на запуск реле времени микроконтроллер начинает счет тактовых импульсов. В отличие от электронных реле времени на основе RС-цепи, выдержки времени кварцевых реле времени практически не зависят от температуры окружающей среды и напряжения питания реле.

Существенным достоинством реле времени c использованием микроконтроллеров является возможность их программирования прямо в собранном устройстве. Электронные реле времени с использовании микроконтроллеров с отлаженным программным обеспечением в наладке не нуждаются и начинают работать сразу после подачи питания.

Наиболее распространенные отечественные электронные реле времени: РВ-01, РВ-03, РП-18, ВЛ-54, ВЛ-56, РВК-100, РП21-М-003.

Реле времени электронное двухканальное РЭВ-201М

Рис. 3. Внешний вид реле, габаритные размеры:

, 6 - двухцветные светодиоды первого и второго каналов - горят зеленым, когда присутствует напряжение на каналах, горят красным, когда реле нагрузки включены;

, 3 - уставки срабатывания первого канала;

, 8 - уставки срабатывания второго канала;

, 9 - переключатели диапазонов регулирования, первого и второго каналов (D1, D2);

- переключатель алгоритма работы реле (A);

, 13 - входные контакты ~220В первого и второго каналов;

, 12 - входные контакты +24В первого и второго каналов;

, 15 - выходные контакты реле первого и второго каналов.

2.Назначение реле времени РЭВ-201М

Реле предназначено для коммутации электрических цепей переменного тока 220В 50 Гц и постоянного тока 24-100 В с регулируемой выдержкой времени.

Реле содержит два канала. Каждый канал может работать по четырем алгоритмам работы, задаваемым пользователем:

реле с задержкой на включение;

реле импульсное;

реле периодическое (циклическое);

реле управления.

Выдержка времени каждого канала начинает отсчитываться от момента подачи питания на канал. Реле позволяет обеспечить два режима работы каналов:

Режим 1. Независимая работа каналов. На каждый канал подается разновременно независимое питание. Выдержка времени отсчитывается от момента подачи питания на каждый канал (режим двух реле);

Режим 2. Параллельная работа каналов. На каждый канал одновременно подается одно и то же питание. Отсчет времени по обоим каналам начинается одновременно. Время срабатывания соответствует выставленным с помощью регулировок задержкам для каждого канала (режим одного реле с двумя выходами и разными выдержками).

реле технический время

Таб. 1. Основные технические характеристики реле времени РЭВ-201

Напряжение питания переменное (контакты L, N), В

160 - 300

Номинальное напряжение питания постоянное (контакты +24, N),

В 24 ±10%

Частота питающей сети, Гц

50 - 60

Время готовности при подаче напряжения питания, с

не более 0,2

Точность удержания временной уставки, %

не менее 1,5

Точность выставления уставки (точность шкалы), %

не менее 3

Число алгоритмов работы

4

Диапазон регулирования, с

0 - 36000

Регулировка выдержки времени

плавная

Количество делений шкал потенциометров

10

Число и вид контактов на каждый канал (перекидные)

1

Климатическое исполнение

Степень защиты:- реле - клеммника

ІР40 ІР20

Коммутационный ресурс выходных контактов при cosj=1: - под нагрузкой 7А, раз, не менее - под нагрузкой 1А, раз, не менее

 100 000 1 млн.

Потребляемая мощность (под нагрузкой), ВА

не более 1,0

Масса, кг

не более 0,150

Габаритные размеры, мм

35 × 92 × 58

Диапазон рабочих температур, °С

от -20 до +55

Температура хранения, °С

от -45 до +70

Характеристика выходных контактов

Cos j

Макс. ток при U~250В

Макс. мощн.

Макс. напр.~

Макс. ток при Uпост=28В

 

1,0

7 А

1250 ВА

250 В

3 А

 

Монтаж на стандартную DIN-рейку

35мм

Положение в пространстве

произвольное


3.Алгоритм работы реле времени

Включенному состоянию реле нагрузки соответствует замкнутое состояние контактов 1-2 (1-го канала), 4-5 (2-го канала) и разомкнутое состояние контактов 2-3 (1-го канала), 5-6 (2-го канала). Отключенному состоянию реле нагрузки соответствует разомкнутое состояние контактов 1-2 (1-го канала), 4-5 (2-го канала) и замкнутое состояние контактов 2-3 (1-го канала), 5-6 (2-го канала). Задержка после включения в сеть. Из графика (рис. 4) видно, что при подаче напряжения питания на РЭВ-201М и установленной нулевой задержке, реле нагрузки включится не сразу, а пройдет время не более 250 мс после которого реле нагрузки сможет включиться. Это обусловлено плавным нарастанием напряжения источника питания РЭВ-201М.

Рисунок 4. Время готовности РЭВ-201М при подаче напряжения питания:

- кривая напряжения при питании 300В АС;

- кривая напряжения при питании 220В АС;

- кривая напряжения при питании 160В АС.

Рисунок 5. Задержка на включение.

Отсчет времени по каждому каналу начинается с момента подачи питания на контакты «L1-N», (канал 1); «L2-N», (канал 2). Задержка выставляется ручками потенциометров. Каждый канал имеет две регулировки: Т1 и Т2. Задержка срабатывания канала определяется суммой задержек, выставленных двумя потенциометрами. При появлении питания на канале загорается зеленый светодиод этого канала, начинается отсчет времени. По окончании времени выдержки включается реле нагрузки, светодиод меняет цвет на красный.

Рисунок 6. Импульсный режим.

Отсчет времени по каждому каналу начинается с момента подачи питания на контакты «L1- N», (канал 1); «L2-N», (канал 2). При появлении питания на канале загорается зеленый светодиод и начинается отсчет времени. Выдержка на включение выставляется ручками потенциометров 3, 8 (рис. 3) в диапазоне Т2 для 1-го и 2-го каналов соответственно - время паузы. После окончания выдержки на включение реле нагрузки включается на время, выставленное потенциометрами 2, 7 (рис.3) в диапазоне Т1, светодиод канала меняет цвет на красный. После окончания периода включения, реле нагрузки отключается и реле переходит в режим ожидания, светодиод канала меняет цвет на зеленый. Цикл работы реле повторяется при повторном снятии и подаче напряжения питания.

Рисунок 7. Периодичный режим.

Каждый канал работает автономно (независимо). Отсчет времени по каждому каналу начинается с момента подачи питания на контакты «L1-N» (канал 1); «L2-N» (канал 2). При подаче питания на реле (канал) начинается отсчет выдержки времени, выставленной верхним потенциометром Т1, загорается зеленый светодиод канала. Реле нагрузки отключено. После окончания этой выдержки реле нагрузки включается и начинается отсчет выдержки времени, установленной нижним потенциометром Т2, светодиод канала меняет цвет на красный. После окончания указанной выдержки реле нагрузки отключается, светодиод канала меняет цвет на зеленый и начинается отсчет выдержки времени по верхнему потенциометру Т1 и т.д. Перезапуск реле происходит после снятия и вторичной подачи напряжения питания.

Рисунок 8. Режим управления.

Для корректной работы, реле должно быть включено в соответствии с режимом работы 2 - параллельная работа каналов. После подачи напряжения питания на реле происходит:

включение реле нагрузки 1-го канала, загорается красный светодиод первого канала и зеленый светодиод второго канала - предварительная подача сигнала с фиксированной выдержкой (10с);

по окончании выдержки реле нагрузки 1-го канала отключается на фиксированное время паузы (30с), светодиод канала меняет цвет на зеленый;

по окончании паузы реле нагрузки 1-го канала включается, светодиод канала меняет цвет на красный - повторная подача сигнала с фиксированной выдержкой (30с);

по окончании повторной выдержки реле нагрузки 1-го канала отключается, светодиод канала меняет цвет на зеленый и включается реле нагрузки 2-го канала, при этом зеленый светодиод второго канала меняет цвет на красный и реле переходит в режим ожидания.

Перезапуск реле происходит после снятия и вторичной подачи напряжения питания.

Примечания:

в данном режиме не работают регуляторы временных уставок (Т1, Т2) и переключатели диапазонов регулирования (D1, D2), время уставок фиксированное. Алгоритм работы «пуск - пауза - пуск» и временные фиксированные задержки могут быть изменены по желанию заказчика.

в реле выполнена программная блокировка, не позволяющая включить реле нагрузки каналу 2, пока остается включенным реле нагрузки 1-го канала.

4.Использование реле, тех обслуживание, хранение

Подать на реле напряжение питания. При этом загорается соответствующий данному каналу зеленый светодиод и начинается отсчет временных интервалов в соответствии с выбранным алгоритмом работы (см. п.2.1.2.1). Когда реле нагрузки включено (замкнутое состояние контактов 1-2 (1-го канала), 4-5 (2-го канала)) зеленый светодиод меняет цвет на красный.

При проведении технического обслуживания реле питание должно быть отключено. Рекомендуемая периодичность технического обслуживания - каждые шесть месяцев. Техническое обслуживание состоит из визуального осмотра, в ходе которого проверяется надежность подсоединения проводов к клеммам реле, отсутствие сколов и трещин на его корпусе.

Срок службы реле 10 лет. По истечении срока службы обратиться к изготовителю.

Предприятие-изготовитель гарантирует безотказную работу реле в течение тридцати шести

месяцев со дня продажи, при условии:

правильного подключения;

целостности пломбы ОТК изготовителя;

целостности корпуса, отсутствии следов вскрытия, трещин, сколов, прочее.

Заключение

Электронные реле наиболее распространенный тип реле времени. Такие реле легко обеспечивают выдержки от долей секунды до месяцев и даже лет. Поскольку в таких устройствах может использоваться кварцевая стабилизация частоты и синхронизация времени по эталонным внешним часам через радиоканал или интернет, то они обеспечивают непревзойденную точность.

Кроме того, такие реле времени уже являются микроконтроллерами, так как имеют различные входы и выходы для осуществления обратной связи, развитое программирование для задания необходимого алгоритма работы. Электронные реле времени - это наиболее современные устройства.

За счет достижений в микроэлектронике, они имеют малые габариты, энергопотребление и высокую автономность за счет энергонезависимой памяти и внутренних батарейных источников питания. Если вы не ограничены в средствах и выбираете реле времени для новых проектов, следует остановить свой выбор на электронных реле времени.

Список использованной литературы

.        Чернобровов Н. В., Семенов В. А. Релейная защита энергетических систем. Энергоатомиздат, 1998. Стр. 241-243.