Билет Утверждаю
№10 Зав. кафедрой
Факультет МЭС Курс Дисциплина - Электроника
Электронно-дырочный переход в прямом и обратном включении. https://electroandi.ru/elektronika/elektronno-dyrochnyj-perekhod.html
Параметры электронных ключей. Указать в каких режимах работают БТ и МДП, если принимают импульсный сигнал. https://studopedia.ru/13_131602_tema--elektronnie-klyuchi.html
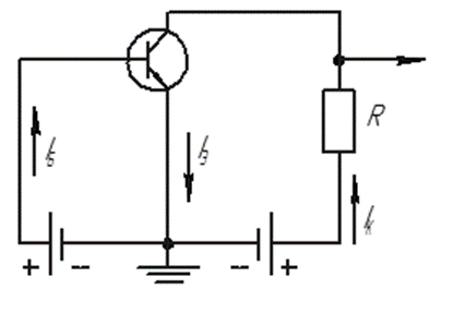
Изобразить структуру данной схемы для ИС:

Билет Утверждаю
№11 Зав. кафедрой
Факультет МЭС Курс Дисциплина - Электроника
Электронно-дырочный переход в равновесном состоянии. Контактная разность потенциалов. Ширина перехода. https://sites.google.com/site/sluzebnyjdom/elektronika-1/elektronika/elektronno-dyrocnyj-perehod-v-ravnovesnom-sostoanii
Передаточная характеристика электронных ключей. Параметры, которые можно определить по данной характеристике.

Изобразить структуру полупроводниковой ИС, содержащей цепь данной схемы:


Билет Утверждаю
№12 Зав. кафедрой
Факультет МЭС Курс Дисциплина - Электроника
Полевой транзистор с управляющим p-n переходом. Принципы действия. Статические характеристики. https://ru.wikipedia.org/wiki/Полевой_транзистор#Транзисторы_с_управляющим_p-n-переходом
Основные базовые физико-химические
процессы получения ИС по планарной
технологии.

Определить к каким схемам включения БТ относятся данные статические характеристики:
1
– с общ эмиттером
2
– с общ базой

Билет Утверждаю
№13 Зав. кафедрой
Факультет МЭС Курс Дисциплина - Электроника
Эффект Эрли. Его влияние на
конструкцию БТ и статические
характеристики.

Электрическая модель
МДП-транзистора. Параметры
модели.
https://infopedia.su/8x99c0.html
Изобразить структуру полупроводниковой ИС:



Билет Утверждаю
№14 Зав. кафедрой
Факультет МЭС Курс Дисциплина - Электроника
Зонная диаграмма полупроводников из Si, Ge. ВАХ-ти для этих полупроводников. Пояснить влияние ширины запрещенной зоны на ВАХ. https://studopedia.ru/5_119017_energeticheskie-zonnie-diagrammi-poluprovodnikov.html
Полевые транзисторы. Условное обозначение. Назначение областей. Основные параметры, применение. http://electrik.info/main/praktika/1388-polevye-tranzistory.html
Определить по структуре, какой элемент РЭА изображен. Изобразить его условное обозначение в электрических схемах:

Билет Утверждаю
№15 Зав. кафедрой
Факультет МЭС Курс Дисциплина - Электроника
Математическая
модель диода. Реальная и идеальная ВАХ.
Уравнение
Шокли.
https://pue8.ru/silovaya-elektronika/828-matematicheskie-modeli-diodov-i-ikh-ispolzovanie-dlya-analiza-elektronnykh-skhem.html
http://hightolow.ru/diode2.php

Комплементарный ключ на МДП-транзисторах. Схемы, структура, особенности работы. https://lektsii.org/7-23181.html
Определить какая
статическая характеристика БТ изображена.
Указать схему включения, участки режимов
работы
Выходная
ВАХ транзистора это зависимость тока
коллектора (IК) от напряжения
коллектор-эмиттер (UКЭ).


Билет Утверждаю
№16 Зав. кафедрой
Факультет МЭС Курс Дисциплина - Электроника
Схема включения БТ с ОЭ. Статические
характеристики. Основные параметры
схемы.
Схема включения
с общим эмиттером (ОЭ) характеризуется
наибольшим усилением тока и напряжения,
соответственно и мощности. При данном
подключении происходит смещение
выходного переменного напряжения на
180 электрических градусов относительно
входного. Основной недостаток – это
низкая частотная характеристика, то
есть малое значение граничной частоты,
что не дает возможность использовать
при высокочастотном входном сигнале.

Пять базовых физико-химических процессов получения транзисторной структуры БТ.


Билет Утверждаю
№17 Зав. кафедрой
Факультет МЭС Курс Дисциплина - Электроника
Пояснить физический процесс контакта металл-полупроводник. https://studopedia.su/10_116396_tema-kontakt-metall--poluprovodnik.html
Цифровые ИС, назначение, основные параметры, элементная база. Условное обозначение. https://studref.com/432859/tehnika/klassifikatsiya_tsifrovyh_integralnyh_mikroshem_tsims https://studopedia.ru/3_113802_osnovnie-harakteristiki-i-parametri-tsifrovih-is.html https://studfile.net/preview/5760138/page:4/
Изобразить структуру полупроводниковой ИС данной электрической схемы:

