Материал: Дизельная силовая установка

Внимание! Если размещение файла нарушает Ваши авторские права, то обязательно сообщите нам

Жидкое топливо сгорает в топке, снабженной одной или несколькими форсунками. Воздух, необходимый для сгорания топлива, поступает в топку через воздухонаправляющие устройства.

Теплота в виде высокотемпературного излучения факела воспринимается экранным пучком труб и первыми 3÷4 прореженными рядами конвективного парообразующего пучка (лучистый теплообмен). Горячие газы, образовавшиеся при сгорании топлива, направляются в газоход котла, омывая по ходу движения поверхности теплообмена: ряды труб конвективного парообразующего пучка, пароперегревателя, водяного экономайзера, и пройдя через трубы воздухоподогревателя выбрасываются в атмосферу. При омывании поверхностей нагрева газы передают свою теплоту: на нагрев и испарение воды в конвективном испарительном пучке труб; на перегрев пара в пароперегревателе; на подогрев воды в экономайзере; на подогрев воздуха в воздухоподогревателе (конвективный теплообмен). В процессе теплообмена температура газов снижается от 1800÷2000 оС в топке до 190 ÷ 500 оС на выходе из котла.

За счет излучающей способности факела и омывания горячими газами в трубах экрана и конвективного парообразующего пучка происходит частичное испарение воды. Образовавшаяся в них пароводяная смесь поднимается в паровой коллектор. Пар собирается в верхней части парового коллектора и по перепускной трубе направляется в верхний коллектор пароперегревателя. Из верхнего коллектора по трубам пароперегревателя пар направляется в нижний коллектор. При движении пара по трубам пароперегревателя повышается его температура (происходит перегрев пара). Перегретый пар из котла отбирается на потребители через главный стопорный клапан, расположенный на нижнем коллекторе пароперегревателя. Насыщенный пар на потребители отбирается непосредственно из парового коллектора через вспомогательный стопорный клапан котла. Масса испарившейся воды восполняется поступлением свежей воды из питательного трубопровода. Предварительно, перед поступлением в паровой коллектор, питательная вода подогревается в экономайзере. В паровом коллекторе «холодная» питательная вода смешивается с котловой водой парового коллектора, и по опускным трубам, располагающимся в необогреваемой зоне за экранным пучком, опускается в водяной коллектор котла.

Трубы (экранный и конвективный испарительные пучки), по которым вода и пароводяная смесь поднимается из водяного коллектора в паровой, называются подъемными; трубы, по которым вода опускается вниз из парового коллектора в водяной, называются опускными.

Любой паровой котел может работать надежно и экономично, если выполняются следующие условия:

уровень воды в паровом коллекторе находится в заданных пределах;

подача воздуха в топку соответствует подаче топлива с необходимым коэффициентом избытка воздуха ( = 1,05÷1,15);

температура топлива, подаваемого в котел, обеспечивает качественное его распыливание в топочных устройствах;

параметры работы котла соответствуют заданной нагрузке.

Выполнение этих условий осуществляется с помощью систем, обслуживающих работу котла, и соответствующих регуляторов:

регулятора питания (регулирование уровня воды в котле);

регулятора давления пара (регулирование горения);

регулятора расхода (давления) воздуха;

регулятора температуры топлива;

других локальных регуляторов.

К системам, обслуживающим работу котла, относятся:

питательная система;

топливная система;

система подачи воздуха и удаления газов;

система автоматического регулирования и защиты котла;

система теплотехнического контроля;

Давление пара, вырабатываемого котлом, находится в прямой зависимости от расхода топлива, подаваемого для сжигания в топку. Чем больше расход топлива, тем более высокое давление пара можно поддерживать в котле при неизменной его паропроизводительности. И наоборот, при постоянном давлении пара за счет изменения расхода топлива можно изменять паропроизводительность котла.

Таким образом, регулирование давления пара сводится к регулированию подачи топлива в топку котла. Принцип построения систем регулирования давления пара в паровых котлах основан на сравнении заданного значения давления пара с фактическим, и изменения количества подаваемого топлива в топку котла в соответствии с расхождением этих значений.

2.2     Выбор и обоснование параметров и схем управления (САС, САБиЗ, САР)


Система топлива.

Пусть котельная установка работает на тяжёлом высоковязком топливе (ВВТ). На каждом судне существуют огромные танки - цистерны запаса топлива. Как правило, это мазут. Он очень вязкий. Чтобы обеспечить забор ВВТ из ЦЗТ его необходимо подогревать. Для этого в танках выполняются паровые змеевики для подогрева топлива вспомогательным паром. Температура топлива регулируется в канале 21. Кроме танков есть расходные цистерны. Их не допускается полностью опоражнивать. Поэтому на расходной цистерне ставится датчики уровня - верхнего и нижнего. По нижнему уровню включается топливоперекачивающий насос (канал 20L), по верхнему выключается (Канал 20Н). Так же необходимо подавать в расходную цистерну топливо определённой температуры. На ветке от ЦЗТ и РЦ ставится РТТ. Из РЦ топливо поступает на форсунки котла. Для обеспечения бесперебойной работы котловой установки требуется чтоб топливо имело определённую температуру, давление и вязкость. На ветке от РЦ до дизеля ставим вискозиметр. Изменение вязкости производится подогревом топлива в паровых подогревателях. (Канал 19). Если топливо густеет, то по каналу 18 происходит остановка котла). Регулировка давления топлива производится перепуском части топлива в смесительную цистерну, величина давления, как и вязкость с температурой контролируются на местных пультах управления и задаются (регулируются с центрального). (канал 17)

Система дутья.

Воздух подогревается уходящими горячими газами. Регулировку температуры воздуха можно осуществить несколькими способами. Остановимся на перепуске части воздуха мимо подогревателя. (Канал 2). Будем контролировать также давление воздуха по каналу 1.

Система подачи воды.

Основная система для работы котла. Поддерживаем постоянное давление перед регулятором уровня воды по каналу 13. Контролируем и регулируем расход воды и уровень ПВ в ПК котла по каналу 3. При низком уровне воды в барабане по каналу 4 происходит остановка котла. Температуру питательной воды регулируется по каналу 14. Качество воды наблюдается по каналу 10, расход по каналу 11. При выходе из строя питательного насоса работа котла прекращается по каналу 12. Система отвода пара. Два главных параметра - давление и температура пара. Давление пара регулируется изменением подачи топлива к форсункам. Также остановка котла производится при погасании пламени по каналу 9.

Обозн

Измеряемая величина

Функции, выполняемые прибором


Основное назначение первой буквы

Дополнительное назначение, уточняющее назначение первой буквы

Отображение информации

Формирование выходного сигнала

Дополнительное назначение

С

Регулирование, управление

F

Расход

Соотношение, доля, дробь

Н

Ручное воздействие

Верхний предел измеряемой величины

L

Уровень

Нижний предел измеряемой величины

Р

Давление, вакуум

Q

Величина, характеризующая качество, состав, концентрацию.

Интегрирование, суммирование по времени

R

Регистрация

S

Скорость, частота

Включение, Отключение, переключение, сигнализация

Т

Температура

U

Несколько разнородных измеряемых величин


3        Разработка системы дистанционного управления системой охлаждения


3.1     Разработка принципиальной схемы судовой системы. Описание действия


Рисунок 3.1 - Принципиальная схема системы охлаждения

На рисунке 3.1 представлена упрощённая схема системы охлаждения. Она состоит из напорной магистрали и приёмной и двух холодильных машин, которые системой клапанов могут переключаться как на свою группу потребителей, так и на все сразу.

Так, при запущеной ХМ1 и открытых клапанах К8, К9, К10 и закрытых К6, К7 охлаждение подаётся на левую (по схеме) часть потребителей. ХМ2 охлаждает свою группу (правую) потребителей. При выходе из строя какой-либо ХМ, потребители могут быть переключены на рабочую ХМ клапанами К6, К7.

Клапанами К1, К2 можно подать охлаждающую воду в другие отсеки.

3.2     Выбор и обоснование элементов системы управления (логических, силовых, сигнализирующих)


Логические элементы - устройства, предназначенные для обработки информации в цифровой форме (последовательности сигналов высокого - «1» и низкого - «0» уровней в двоичной логике, Физически логические элементы могут быть выполнены механическими, электромеханическими (на электромагнитных реле), электронными (на диодах и транзисторах), пневматическими, гидравлическими, оптическими и др.

Основными логическими операциями двоичной алгебры являются: отрицание (инверсия), логическое умножение (конъюнкция), логическое сложение (дизъюнкция).

Инвертор Инвертор осуществляет дополнение логического состояния, то есть логическая 1 на входе вызывает логический 0 на выходе и наоборот.

Рисунок 3.2 - УГО элемента НЕ

Элемент И На выходе элемента И логическая 1 появляется, если только все входы одновременно находится в состоянии логической 1. Все остальные комбинации входов приводят к образованию на выходе логического 0.

Рисунок 3.3 - УГО элемента И

Элемент ИЛИ На выходе элемента ИЛИ появляется логическая 1, если хотя бы один из входов находится в соответствии логической 1.

Рисунок 3.4 - УГО элемента ИЛИ

Элемент запрет Элемент запрет не пропускает на выход сигнал, при наличии сигнала на другом выходе

Рисунок 3.5 - УГО элемента запрет

Линия задержки Линия задержки обеспечивает «задержку» сигнала, то есть появление сигнала на выходе с некоторым запаздыванием по отношению к входному.

Рисунок 3.6 - УГО линия задержки.

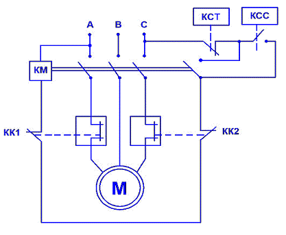
Магнитный пускатель Управление электродвигателей насосов, вентиляторов, компрессоров и других механизмов судовых систем производится магнитными пускателями. Они обеспечивают местное и дистанционное, от централизованной системы, управление электродвигателями переменного трехфазного тока. Дистанционное управление пускателем выполняется двумя промежуточными реле S1 и S2, обмотки которых питаются постоянным током напряжением 24 В. Длительность включения питания обмотки реле должна быть не менее 2 и не более 30 с. Контакты реле S1 замыкают цепь катушки контактора. Питание катушки (КМ) производится выпрямленным током с помощью мостовой диодной схемы. При подаче питания на катушку, сердечник втягивается и замыкает четыре контакта. Дополнительный контакт обеспечивает включения катушки.

Тепловая защита ЭД от перегрузки выполняется двумя тепловыми реле. Срабатывание тепловых реле приводи к размыканию контактов и отключению двигателя от сети.

Рисунок 3.7 - Магнитный пускатель

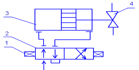
1-электромагнит, 2-золотник, 3-сервомотор, 4-клапан

Рисунок 3.8 - Двухпозиционный пружинный золотник

3.3     Составление комплексной системы дистанционного управления. Описание действия системы.


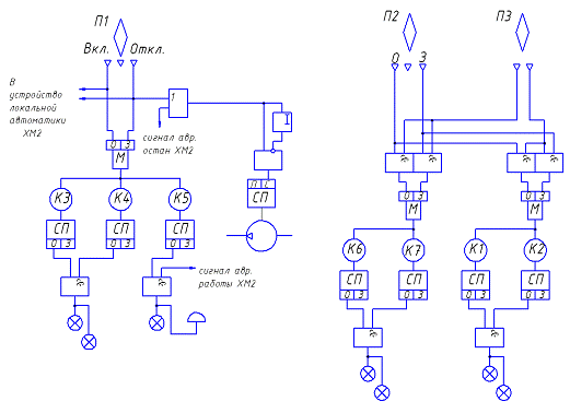
На рисунке 3.9 показана система дистанционного управления холодильной машиной 2

Управление разобщительными клапанами на напорной и сливной магистралях выполнено по адресно-избирательному принципу. Переключателем ПЗ выбираются нужные для данной технологической схемы клапаны, а команда на открытие или закрытие посылается переключателем П2. На пульт управления - выведена обобщенная световая сигнализация от функционально взаимосвязанных при выполнении технологических операций клапанов магистралей пресной воды. Клапаны имеют также местную сигнализацию на щитах, располагаемых в отсеках. Световая сигнализация об аварийной работе установки сопровождается звуковым сигналом.

Рисунок 3.9 - СДАУ системы охлаждения

Заключение

В ходе алгоритмического расчета САР определена передаточная функции системы, произведена оценка устойчивости САР по критериям Гурвица, Рауса, Михайлова, Найквиста и теореме Ляпунова.

Построена кривая переходного процесса в VisSim и частотным методом программе MathCAD. С использованием средств моделирования САР на ПЭВМ были определены передаточные функции САР. В ходе настройки САР время регулирования составило 40 секунды, перерегулирование 60%, погрешность ~0.5%.

Составлена функциональная и принципиальная схема системы регулирования. Разработаны механизмы управления ТНВД, составлена функциональная схема САР частоты вращения дизеля, разработана принципиальная схема САР частоты вращения дизельного двигателя.

Разработана принципиальная схема и функциональная схема автоматизации КТУ, выбрали и обосновали параметров и схемы управления.

Разработана принципиальная схема системы охлаждения. Выбраны и обоснованы элементы системы управления (логические, силовые, сигнализирующие). Составлена комплексная система дистанционного управления.

Список используемой литературы

1. Нелепин Р.А. Автоматическое управление СЭУ.-Л.:Судостроение,1986

. Печененко В.И. Автоматика регулирования и управления ССУ. -М.: Транспорт, 1973

. Сыромятников В.Ф. Основы автоматики и комплексная автоматизация СЭУ.-М.:Транспорт,1983

. Справочник по корабельной автоматике/ Баленко Ю.К. и др.-М.:Воениздат,1974.

. Федорко П.П. Автоматизация судовых систем. Л.: Судостроение, 1977. 170с.

. Зброжек В.В. Автоматика судовых систем. Л.:Судостроение, 1970. 147с.