Введение
Дизельная силовая установка состоит из одного или нескольких основных двигателей, а также из обслуживающих их механизмов. В зависимости от способа осуществления рабочего цикла двигатели внутреннего сгорания разделяют на четырехтактные и двухтактные. Дополнительное увеличение мощности достигается с помощью наддува. Существует другой принцип разделения двигателей внутреннего сгорания (ДВС) - по частоте вращения. Малооборотные дизели с частотой вращения 100-150 оборотов в минуту непосредственно приводят в движение судовой движитель. Среднеоборотными называют ДВС с частотой вращения 300-600 оборотов в минуту. Они приводят в движение судовой движитель через редуктор.
Кроме главного двигателя предусмотрены еще вспомогательные, которые приводят во вращение генераторы. Для обслуживания главного и вспомогательных двигателей используются вспомогательные механизмы и системы, а также система трубопроводов и клапанов. Топливная система предназначена для подачи топлива из цистерн к двигателю. При этом для уменьшения вязкости топливо подогревается и очищается в сепараторах и фильтрах от различных примесей. Система смазки служит для прокачивания смазочного масла через двигатель с целью уменьшения трения между трущимися поверхностями, а также для отвода части полученного от двигателя тепла и очистки масла. Система охлаждения предусмотрена для отвода от двигателя тепла, которое проникает в основном через стенки цилиндра и возникает во время сжигания топлива, а также для охлаждения циркулирующего смазочного масла. Эта система состоит из насосов для пресной и морской воды, охладителей воды и масла.
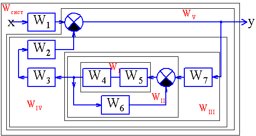
Рассмотрим систему регулирования частоты вращения судового дизеля.
Рисунок
1.1 - Структурная схема САР скорости вращения вала судового дизеля
На рисунке 1.2 для упрощения записаны передаточные функции звеньев в виде
W, которые соответствуют W=W(p) и имеют следующие буквенные выражения
,
,
,
,
,
,
;
Рисунок
1.2 - Последовательные укрупнения
;
;
;
;
;
Искать передаточную функцию будем в программе MathCAD.- программное средство, среда для выполнения на компьютере разнообразных математических и технических расчетов, снабженная простым в освоении и в работе графическим интерфейсом, которая предоставляет пользователю инструменты для работы с формулами, числами, графиками и текстами.
В среде Mathcad доступны более сотни операторов и логических функций, предназначенных для численного и символьного решения математических задач различной сложности.
GIVEN
;
;
;
;
;
;
Найдём числовой вид ПФ в MathCAD:
К1=1 Т1=3
К2=5 Т2=12
К3=0,5 Т3=5
К4=10 Т4=1
К5=0,33 Т5=8
Т6=13
;
;
;
;
;
;
;
;

Числитель:
Знаменатель:
;
Понятие устойчивости относится к ситуации, когда входные сигналы системы равны нулю, внешние воздействия отсутствуют. При этом правильно построенная система должна находиться в состоянии равновесия или приближаться к этому состоянию. В неустойчивых системах даже при нулевых входных сигналах возникают собственные колебания и, как следствие, - недопустимо большие ошибки.
Оценим устойчивость САР ППУ по критериям: Гурвица, Рауса, Михайлова
Найквиста и теореме Ляпунова.
Алгебраический критерий устойчивости Гурвица формируется следующим
образом: система с характеристическим уравнением
аnpn +
an-1pn-1…. a1p + a0 = 0
будет устойчивой, если определить Гурвица и все его диагональные миноры
положительны:
Dn>0; Dn-1 >0; … D2 >0; D1 = an-1 >0
При составлении определителя Гурвица по диагонали располагают коэффициенты, начиная с an-1 до а0:
Затем определитель заполняют по столбцам: выше диагональных коэффициентов записывают коэффициенты с убывающими индексами, а ниже - с возрастающими. При достижении нулевого или n-го индекса далее ставятся нули.
Каждый диагональный минор Dn-1 определителя Гурвица получают из предыдущего минора вычёркиванием нижней строки и правого столбца. Последний диагональный минор Гурвица D1 = an-1.
Таким образом, исходными данными являются коэффициенты характеристического уравнения - полинома знаменателя передаточной функции заданной системы.
Определители
Все
определители больше нуля. Система устойчива.
Для устойчивости линейной стационарной системы необходимо и достаточно,
чтобы коэффициенты первого столбца таблицы Рауса были положительными. Если это
не выполняется, то система неустойчива.
Таблица Рауса
|
K i |
1 |
2 |
4 |
5 |
|
|
1 |
a5 |
a3 |
a1 |
0 |
0 |
|
2 |
a4 |
a2 |
a0 |
0 |
0 |
|
3 |
С3,1 |
С3,2 |
0 |
0 |
0 |
|
4 |
С4,1 |
С4,2 |
0 |
0 |
0 |
|
5 |
С5,1 |
С5,2 |
0 |
0 |
0 |
|
6 |
С6,1 |
0 |
0 |
0 |
0 |
Таблица Рауса
|
k i |
1 |
2 |
3 |
4 |
5 |
|
1 |
1 |
0.4949 |
0.02061 |
0 |
0 |
|
2 |
0.8686 |
0.1585 |
0.0009749 |
0 |
0 |
|
3 |
0.3124224 |
0.0032054 |
0 |
0 |
0 |
|
4 |
0.1495883 |
0.00001 |
0 |
0 |
|
|
5 |
0.0031845 |
0 |
0 |
0 |
0 |
|
6 |
0.00001 |
0 |
0 |
0 |
0 |
Коэффициенты первого столбца таблицы Рауса положительны.
Система устойчива
Критерий Михайлова - один из способов судить об устойчивости замкнутой системы управления по амплитудно-фазовой частотной характеристике её разомкнутого состояния. Является одним из частотных критериев устойчивости. С помощью этого критерия оценить устойчивость весьма просто, без необходимости вычисления полюсов передаточной функции замкнутой системы.
Для того чтобы замкнутая система автоматического регулирования была устойчива, необходимо и достаточно, чтобы годограф характеристического многочлена замкнутой системы (годограф Михайлова) начинался на положительной части действительной оси и проходил последовательно в положительном направлении, не попадая в начало координат, n квадрантов комплексной плоскости (здесь n - степень характеристического уравнения системы).
Передаточная функция САР записывается в виде:
,
где
- полином числителя,
-
полином знаменателя.
применив к уравнению преобразование Фурье, получим уравнение комплексного
вектора,
A(jw) = аn(jw)n + an-1(jw)n-1…
a1(jw) + a0 = x(w)
+ jy(w),
вершина которого при изменении частоты w от 0 до ¥ опишет некоторую кривую - годограф Михайлова.
Таким образом, исходными данными являются коэффициент характеристического
уравнения, степень характеристического уравнения, начальное значение частоты,
шаг частоты, конечное значение частоты.
Рисунок
1.3 - Годограф Михайлова в 1-2 квадрантах
Рисунок
1.4 - Годограф Михайлова в 1-3 квадрантах
Рисунок
1.5 - Годограф Михайлова в 1-4 квадрантах
Рисунок
1.6 - Годограф Михайлова в 3-5 квадрантах
Рисунок
1.7 - Годограф Михайлова в 5 квадранте
Годограф начинается на вещественной оси проходит 4 квадранта и в 5м
уходит в бесконечность.
Для
устойчивости замкнутой системы необходимо и достаточно чтобы амплитудно-фазовая
характеристика устойчивой разомкнутой системы при изменении
от 0 до
не
охватывала точку с координатами {-1, j0}.
К передаточной функции системы
применим преобразование Фурье:
;
Избавимся от комплексности в знаменателе, выделим действительную и мнимую части, построим кривую в MathCAD
Строим АФХ в MathCAD.
Рисунок
1.8 - АФХ
Годограф не охватывает точку (-1; j0). Система устойчива.
Пусть передаточная функция САР записывается в виде:
,
где
- полином числителя
-
полином знаменателя.
Корни
уравнения
должны быть либо отрицательными действительными
величинами, либо комплексными величинами с отрицательными действительными
частями. Из этих представлений вытекает следующий фундаментальный критерий
устойчивости любых линейных систем:
«Система устойчива, если действительные части всех корней характеристического уравнения отрицательны.»
Найдём корни в MathCAD:
;
;
;
;
;
Рисунок
1.9 - Расположение корней уравнения на комплексной плоскости