Материал: Динамический расчёт кривошипно-шатунного механизма двигателя

Внимание! Если размещение файла нарушает Ваши авторские права, то обязательно сообщите нам

 (1.50)

 (1.51)

Для построения политропы сжатия из точки с проводим горизонтальную линию до пересечения с вертикальной осью. Из полученной точки под углом 45о проводим прямую линию до пересечения с лучом ОМ, а из полученной точки пересечения - горизонтальную линию. Затем из точки с опускаем перпендикуляр к горизонтальной оси до пересечения с лучом ОК. Из полученной точки проводят прямую линию под углом 45о к вертикали до пересечения с горизонтальной осью, а из этой точки восстанавливаем перпендикуляр к горизонтальной оси до пересечения с ранее проведённой горизонтальной линией. Полученная точка принадлежит политропе сжатия. Последующие точки политропы сжатия находим аналогичным построением, но за начальную берём точку, полученную на предыдущем этапе.

Полученные точки соединяем плавной кривой, образующей политропу сжатия индикаторной диаграммы.

Построение политропы расширения производим аналогично построению политропы сжатия.

Из точки zпроводим горизонтальную линию до пересечения с вертикальной осью, из точки их пересечения под углом 45о к вертикали проводим прямую линию до пересечения с лучом ON, а из этой точки проводим горизонтальную линию до пересечения с продолжением вертикальной линии, полученной при нахождении аналогичной точки политропы сжатия. В месте пересечения этих линий получаем точку, принадлежащую политропе расширения.

Подобным образом строим следующие точки политропы расширения, выбирая каждый раз за начальную точку последнюю, полученную при предыдущем построении. Затем все точки соединяем плавной кривой, образующей политропу расширения.

После построения политроп сжатия и расширения производим скругление индикаторной диаграммы с учётом предварения открытия выпускного клапана, опережения зажигания и скорости нарастания давления.

Для этой цели под горизонтальной осью проводим на пути поршня S, как на диаметре, полуокружность радиусом S/2. Из центра полуокружности  в сторону нижней мёртвой точки откладываем отрезок :

 (1.52)

где - радиус кривошипа;

 - отношение радиуса кривошипа к длине шатуна.


Из точки O1 под углом  (угол опережения открытия выпускного клапана) проводим луч O1B1. Полученную точку B1, соответствующую открытию выпускного клапана, переносим на политропу расширения.

Луч O1D проводим под углом, соответствующим углу опережения зажигания , а точку D переносим на политропу сжатия. Луч O1F получаем поворотом по часовой стрелке относительно точки O1 луча O1D на угол задержки воспламенения . Точку F переносим на политропу сжатия. Положение точки  (действительное давление в конце такта сжатия) определяют как , а положение точки  (действительное максимальное давление цикла) определяется по. Точка  располагается посередине между точками bиa. Затем проводим плавную линию  изменения кривых сжатия и сгорания в связи с углом опережения зажигания и линию  - в связи с предварением открытия выпускного клапана. Далее проводим линии впуска и выпуска, соединяя их в точке r. В результате построений получаем действительную индикаторную диаграмму.

2. РАСЧЁТ И ПОСТРОЕНИЕ ВНЕШНЕЙ СКОРОСТНОЙ ХАРАКТЕРИСТИКИ ДВИГАТЕЛЯ

Внешней скоростной характеристикой двигателя называется зависимость основных параметров двигателя (эффективная мощностьэффективный крутящий момент , часовой расход топлива , удельный эффективный расход топлива , коэффициент наполнения ) от частоты вращения коленчатого вала двигателя при полностью открытой дроссельной заслонке (бензиновый двигатель) или полностью выдвинутой рейке топливного насоса на максимальную подачу топлива (дизельный двигатель).

Для проектируемого двигателя при построении внешней скоростной характеристики угловую скорость  вращения коленчатого вала принимаем в диапазоне  с учётом того, что  - номинальная частота вращения коленчатого вала двигателя.

 (2.1)

Основные параметры двигателя в зависимости от угловой скорости  вращения коленчатого вала определяем по эмпирическим формулам.

Текущее значение эффективной мощности , кВт, равно:

 (2.2)

где a, в, с - коэффициенты корректирования.

Для бензиновых двигателей принимаем а = в = с = 1.

Полученные значения мощностей сводим в таблицу 1.

Текущее значение эффективного крутящего момента , кН.м, равно:

 (2.3)

Полученные значения  также записываем в таблицу 1.

Текущее значение часового расхода топлива, кг/ч, равно:

 (2.4)

Текущее значение удельного эффективного расхода топлива , г/(кВт.ч), для бензинового двигателя определяем по формуле:

 (2.5)

Полученные значения часового и удельного эффективного расхода топлива записываем в таблицу 1.

Таблица 1

Внешняя скоростная характеристика






129.7835.960,277255.89,201






194.6856.270,289237.9113.39






259.5776.890,296225.1217.31






324.4796.890,298217.4521.07






389.36115.340,296214.8924.78






454.25131.300.289217.4628.55






519.14143.850,277225.1432.38






584.04152.060,260237.9436.18






648.931550,238255.8639.66






713.82151.730,212278.8942.32






778,72141,330,181307,0543,39







По полученной скоростной характеристике определяем коэффициент приспособляемости двигателя, равный отношению максимального эффективного моментам  к моменту при максимальной мощности :

 (2.6)

тепловой динамический двигатель поршень кривошип

3. ДИНАМИЧЕСКИЙ РАСЧЁТ КРИВОШИПНО-ШАТУННОГО МЕХАНИЗМА ДВИГАТЕЛЯ

.1 Определение силы давления газов на поршень

Силы газов, действующие на площадь поршня, для упрощения заменяем одной силой , направленной вдоль оси цилиндра и приложенной к оси поршневого пальца (рис.1).

Рисунок 1 - Схема действия газовых и инерционных сил в кривошипно-шатунном механизме

Силу  определяем через каждые 300 поворота коленчатого вала в диапазоне от 00 до 7200 по действительной развёрнутой индикаторной диаграмме. Строим развёрнутую диаграмму.

При этом ось абсцисс φ должна располагаться на уровне линии p0свёрнутой диаграммы.

Перестроение индикаторной диаграммы осуществляем по методу Брикса: под свёрнутой диаграммой строим вспомогательную полуокружность и определяем центр Брикса:

 (3.1)

где  - радиус кривошипа коленчатого вала;

 - отношение радиуса кривошипа к длине шатуна.

Из центра , от левой половины основания полуокружности под требуемыми углами φ откладываются вспомогательные лучи, а из центра Брикса  проводятся линии, параллельные этим лучам, до пересечения с полуокружностью. Из найденных таким образом точек проводятся вертикали, которые, пересекая диаграмму на участке, соответствующем требуемому такту двигателя, определяют положения поршня, соответствующие заданным углам φ.

Значения давлений в этих точках переносятся на вертикали соответствующих углов φ развёрнутой диаграммы.

Сила давления газов рана:

 (3.2)

где  - площадь поршня;

Величины  снимаем с развёрнутой диаграммы и заносим в таблицу 2. Значение сил  рассчитываем и также заносим в таблицу 2.

3.2 Приведение масс частей кривошипно-шатунного механизма

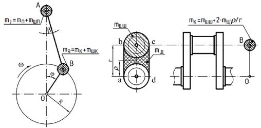
Для упрощения динамического расчёта действительный КШМ заменяется эквивалентной системой сосредоточенных масс, которая состоит из массы , совершающей возвратно-поступательное движение и сосредоточенной в точке А (рис.2), и массы , совершающей вращательное движение и сосредоточенной в точке В.

Сосредоточенные массы , кг и , кг определяются по формулам:

 (3.3)

Масса поршневой группы:

 (3.4)

где - конструктивная масса поршневой группы.

Рисунок 2 - Схемы системы сосредоточенных масс, динамически эквивалентной кривошипно-шатунному механизму

Масса шатуна:

 (3.5)

где - конструктивная масса шатуна.

Часть массы шатунной группы, сосредоточенной в точке А:

 (3.7)

Часть массы шатунной шейки, сосредоточенной в точке В (на оси кривошипа):

 (3.8)

Часть массы кривошипа, сосредоточенная в точке В:

 (3.9)

где - неуравновешенные части одного колена вала без противовесов.

Тогда


.3 Расчёт сил инерции

Силы инерции, действующие в КШМ, в соответствии с характером движения приведённых масс подразделяются на силы инерции поступательно движущихся масс  и центробежные силы инерции вращающихся масс . Значение силы , Н, определяем по формуле:

 (3.10)

где  - ускорение поршня.

Значение силы , Н, определяем по формуле:

 (3.11)

Для рядного двигателя центробежная сила инерции  является результирующей двух сил:

силы инерции вращающихся масс шатуна:

 (3.12)

силы инерции вращающихся масс кривошипа:

 (3.13)

Силы инерции возвратно-поступательно движущихся масс  действуют по оси цилиндра и как силы давления газов, являются положительными, если направлены к оси коленчатого вала.

Центробежная сила инерции  действует по радиусу кривошипа и направлена от оси коленчатого вала.

Расчёт сил  проводим для требуемых углов положения кривошипа, полученные данные заносим в таблицу 2.

Таблица 2

Динамический расчёт КШМ






Мм

МПа




0

0.15

0.01

0,01

-3.573

-3.563

30

-0.45

-0.0297

-0.0297

-2.809

-2.839

60

-0.48

-0.032

-0.032

-1.007

-1.039

90

-0.5

-0.033

-0.033

0.779

0.746

120

-0.35

-0.023

-0.023

1.786

1.763

150

-0.18

-0.012

-0.012

2.027

2.015

180

-0.1

-0.066

-0.066

2.010

1.944

210

-0.1

-0,066

-0.066

2.027

1.961

240

-0.21

0.014

0.014

1.789

1.803

270

-0.08

0.005

0.005

0.788

0.793

300

3.39

0.224

0.224

-0.995

330

12.55

0.83

0.83

-2.800

-1.970

360

36.03

2.38

2.38

-3.573

-1.193

375

100.91

6.66

6.66

-3.449

3.211

390

55.96

3.69

3.69

-2.818

0.872

420

21.49

1.42

1.42

-1.019

0.401

450

11.57

0.66

0,66

0.771

1.434

480

7.14

0.47

0,47

1.782

1.252

510

5.02

0.33

0,33

2.027

1.357

540

2.8

0.18

0,18

2.010

2.191

570

0,74

0.48

0,48

2.027

2.507

600

0,11

0.07

0,07

1.792

1.862

630

0,11

0.07

0,07

0.797

0.867

660

0,18

0.012

0,012

-0.983

-0.971

690

0,2

0.013

0,013

-2.791

-2.778

720

0,2

0.013

0,013

-3.573

-3.560