5. Монтаж системы измерения температуры.
5.1. Установка прибора 2ТРМ0.
5.1.1. Подготовить на щите управления место для установки прибора.
5.1.2. Установить прибор на щите управления, используя для его крепления монтажные элементы, входящие в комплект поставки.
5.1.3. Вставить прибор в специально подготовленное отверстие на лицевой панели щита.
5.1.4. Вставить фиксаторы из комплекта поставки в отверстия на боковых стенках прибора.
5.1.5. С усилием завернуть винты М4х35 из комплекта поставки в отверстиях каждого фиксатора так, чтобы прибор был плотно прижат к лицевой панели щита.
5.2. Монтаж термометров сопротивления.
5.2.1. Установить в объекте контроля термометр сопротивления в соответствии с рекомендациями, приведенными в методических указаниях к лабораторной работе № 1.
5.2.2. Подключить к термометру сопротивления соединительный медный кабель, концы которого перед подключением следует тщательно зачистить. Сечение жил кабеля должно быть не более 1 мм2, а количество жил – не менее трех. Длина линии – не более 100 м. При прокладке кабеля выделить линию связи, соединяющую прибор с датчиком в самостоятельную трассу, располагая ее отдельно от цепей питания.
5.3. Подключение термометра сопротивления.
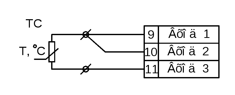
5.3.1. В соответствии со схемой подключения, приведенной на рис. 5, подключить к прибору линию связи «прибор-датчик».

Рис. 5. Схема подключения термометра сопротивления
В данном случае используется трехпроводная схема подключения термометра сопротивления. К одному из его выводов подсоединяются две жилы, а третья подключается к другому выводу. Такая схема позволяет скомпенсировать сопротивление соединительных проводов (жил кабеля). При этом необходимо соблюдать условия равенства сопротивлений всех трех проводов (жил кабеля).
5.4. Подключение прибора.
5.4.1.Подключить прибор к сетевому фидеру 220 В, 50 Гц. Подключение производится к контактам 1, 2 клеммной колодки прибора.
5.4.2. Подать питание и выставить коды датчиков в соответствии с указаниями, приведенными в РЭ. После подачи напряжения питания прибор переходит в режим «РАБОТА». При исправности датчика и линии связи на цифровом индикаторе отобразится текущее значение измеряемой температуры.
6. Испытание системы измерения температуры.
6.1. Исходя из конкретных условий определить рабочий диапазон измерения температуры в объекте управления.
6.2. Определить контрольные точки (25, 50, 75, 100 % от диапазона измерения).
6.3. Плавно изменяя температуру среды последовательно установить ее на значениях, определяемых контрольными точками. Температуру контролировать образцовым местным термометром.
6.4. Зафиксировать в таблице показания образцового местного термометра и 2ТРМ0.
6.5. Рассчитать абсолютную погрешность измерения температуры по формуле:
= (tп – tо), С,
где tп – значение температуры, измеренное прибором 2ТРМ0; tо – значение температуры, измеренное местным образцовым термометром.
6.6. Оценить полученные значения абсолютной погрешности измерения температуры с точки зрения требований, предъявляемых к точности контроля температуры среды для данного объекта.
1. Каминский М. Л., Каминский В. М. Монтаж приборов и средств автоматизации. – М.: Высш. шк., 2005. – 345 с.
2. 2ТРМ0. Измеритель микропроцессорный двухканальный. Руководство по эксплуатации. – М.: ООО «Производственное объе-динение "ОВЕН"», 2005. – 61 с.
3. Измерители-регуляторы микропроцессорные ТРМ1, 2ТРМ0, 2ТРМ1, ТРМ10, ТРМ12. Методика поверки КУВФ.421210.002 МП. – М.: ООО «Производственное объединение "ОВЕН"», 2005. – 17 с.
|
Температура рабочего конца, °С |
Термо-ЭДС, мВ |
Температура рабочего конца, °С |
Температура рабочего конца, °С |
Термо-ЭДС, мВ |
Температура рабочего конца, °С |
Температура рабочего конца, °С |
Термо-ЭДС, мВ |
|||||||
|
Преобразователь типа ТВР, характеристика преобразователя ВР(А)-1 (диапазон температур: от 0 до 2500 °С) |
||||||||||||||
|
0 |
0,000 |
700 |
11,283 |
1350 |
21,284 |
2000 |
29,181 |
|||||||
|
100 |
1,337 |
750 |
12,112 |
1400 |
21,971 |
2050 |
29,693 |
|||||||
|
150 |
2,086 |
800 |
12,933 |
1450 |
22,645 |
2100 |
30,189 |
|||||||
|
200 |
2,871 |
850 |
13,746 |
1500 |
23,306 |
2150 |
30,576 |
|||||||
|
250 |
3,682 |
900 |
14,549 |
1550 |
23,953 |
2200 |
31,138 |
|||||||
|
300 |
4,512 |
950 |
15,342 |
1600 |
24,588 |
2250 |
31,589 |
|||||||
|
350 |
5,354 |
1000 |
16,125 |
1650 |
25,209 |
2300 |
32,024 |
|||||||
|
400 |
6,203 |
1050 |
16,898 |
1700 |
25,816 |
2350 |
32,445 |
|||||||
|
450 |
7,055 |
1100 |
17,659 |
1750 |
26,411 |
2400 |
32,853 |
|||||||
|
500 |
7,908 |
1150 |
18,409 |
1800 |
26,992 |
2450 |
33,250 |
|||||||
|
550 |
8,758 |
1200 |
19,146 |
1850 |
27,560 |
2500 |
33,638 |
|||||||
|
600 |
9,605 |
1250 |
19,872 |
1900 |
28,114 |
– |
– |
|||||||
|
650 |
10,448 |
1300 |
20,584 |
1950 |
28,655 |
– |
– |
|||||||
|
Преобразователь типа ТВР, характеристика преобразователя ВР(А)-2 (диапазон температур: от 0 до 1800 °С) |
||||||||||||||
|
0 |
0,000 |
500 |
7,996 |
1000 |
16,287 |
1500 |
23,509 |
|||||||
|
50 |
0,630 |
550 |
8,853 |
1050 |
17,065 |
1550 |
24,165 |
|||||||
|
100 |
1,337 |
600 |
9,706 |
1100 |
17,831 |
1600 |
24,808 |
|||||||
|
150 |
2,100 |
650 |
10,554 |
1150 |
18,585 |
1650 |
25,437 |
|||||||
|
200 |
2,901 |
700 |
11,397 |
1200 |
19,326 |
1700 |
26,052 |
|||||||
|
250 |
3,728 |
750 |
12,234 |
1250 |
20,054 |
1750 |
26,649 |
|||||||
|
300 |
4,570 |
800 |
13,063 |
1300 |
20,769 |
1800 |
27,226 |
|||||||
|
350 |
5,422 |
850 |
13,884 |
1350 |
21,427 |
– |
– |
|||||||
|
400 |
6,279 |
900 |
14,695 |
1400 |
22,163 |
– |
– |
|||||||
|
450 |
7,138 |
950 |
15,497 |
1450 |
22,842 |
– |
– |
|||||||
Продолжение прил.
|
Температура рабочего конца, °С |
Термо-ЭДС, мВ |
Температура рабочего конца, °С |
Температура рабочего конца, °С |
Термо-ЭДС, мВ |
Температура рабочего конца, °С |
Температура рабочего конца, °С |
Термо-ЭДС, мВ |
|||||||||||||||||||
|
Преобразователь типа ТВР, характеристика преобразователя ВР(А)-3 (диапазон температур: от 0 до 1800 °С) |
||||||||||||||||||||||||||
|
0 |
0,000 |
450 |
6,984 |
900 |
14,410 |
1350 |
21,095 |
|||||||||||||||||||
|
50 |
0,625 |
500 |
7,826 |
950 |
15,199 |
1400 |
21,776 |
|||||||||||||||||||
|
100 |
1,318 |
550 |
8,667 |
1000 |
15,978 |
1500 |
23,101 |
|||||||||||||||||||
|
150 |
2,062 |
600 |
9,505 |
1050 |
16,745 |
1550 |
23,745 |
|||||||||||||||||||
|
200 |
2,842 |
650 |
10,339 |
1100 |
17,501 |
1600 |
24,377 |
|||||||||||||||||||
|
250 |
3,647 |
700 |
11,167 |
1150 |
18,245 |
1650 |
24,996 |
|||||||||||||||||||
|
300 |
4,469 |
750 |
11,990 |
1200 |
18,976 |
1700 |
25,601 |
|||||||||||||||||||
|
350 |
5,302 |
800 |
12,805 |
1250 |
19,695 |
1750 |
26,192 |
|||||||||||||||||||
|
Преобразователь типа ТПР, характеристика преобразователя ВР(А)-3 (диапазон температур: от 0 до 1800 °С) |
||||||||||||||||||||||||||
|
–200 |
–6,153 |
–120 |
–4,313 |
–40 |
–1,622 |
40 |
1,783 |
|||||||||||||||||||
|
–190 |
–5,975 |
–110 |
–4,020 |
–30 |
–1,232 |
50 |
2,253 |
|||||||||||||||||||
|
–180 |
–5,781 |
–100 |
–3,715 |
–20 |
–0,832 |
60 |
2,731 |
|||||||||||||||||||
|
–170 |
–5,572 |
–90 |
–3,396 |
–10 |
–0,421 |
70 |
3,215 |
|||||||||||||||||||
|
–160 |
–5,349 |
–80 |
–3,065 |
0 |
0,000 |
80 |
3,709 |
|||||||||||||||||||
|
–150 |
–5,111 |
–70 |
–2,722 |
10 |
0,431 |
90 |
4,211 |
|||||||||||||||||||
|
–140 |
–4,859 |
–60 |
–2,367 |
20 |
0,872 |
100 |
4,721 |
|||||||||||||||||||
|
–130 |
–4,593 |
–50 |
–2,000 |
30 |
1,323 |
– |
– |
|||||||||||||||||||
|
Преобразователь типа ТПР, характеристика преобразователя ПР(В) (диапазон температур: от 300 до 1800 °С) |
||||||||||||||||||||||||||
|
300 |
0,431 |
700 |
2,430 |
1150 |
6,273 |
1550 |
10,674 |
|||||||||||||||||||
|
350 |
0.596 |
750 |
2,782 |
1200 |
6.783 |
1600 |
11,257 |
|||||||||||||||||||
|
400 |
0,786 |
800 |
3,154 |
1250 |
7,308 |
1650 |
11,842 |
|||||||||||||||||||
|
450 |
1,002 |
850 |
3,546 |
1300 |
7,845 |
1700 |
12,426 |
|||||||||||||||||||
|
500 |
1,241 |
900 |
3,957 |
1350 |
8,393 |
1750 |
13,008 |
|||||||||||||||||||
|
550 |
1,505 |
1000 |
4,833 |
1400 |
8,952 |
1800 |
13,585 |
|||||||||||||||||||
|
600 |
1,791 |
1050 |
5,297 |
1450 |
9,519 |
– |
– |
|||||||||||||||||||
|
650 |
2,100 |
1100 |
5,777 |
1500 |
10,094 |
– |
– |
|||||||||||||||||||
Продолжение прил.
|
Температура рабочего конца, °С |
Термо-ЭДС, мВ |
Температура рабочего конца, °С |
Температура рабочего конца, °С |
Термо-ЭДС, мВ |
Температура рабочего конца, °С |
Температура рабочего конца, °С |
Термо-ЭДС, мВ |
|||||||||||||
|
Преобразователь типа ТМК, характеристика преобразователя МК(М) (диапазон температур: от –200 до +100 °С) |
||||||||||||||||||||
|
–200 |
–6,153 |
–120 |
–4,313 |
–40 |
-1,622 |
40 |
1,783 |
|||||||||||||
|
–190 |
–5,975 |
–110 |
–4,020 |
–30 |
-1,232 |
50 |
2,253 |
|||||||||||||
|
–180 |
–5,781 |
–100 |
–3,715 |
–20 |
-0,832 |
60 |
2,731 |
|||||||||||||
|
–170 |
–5,572 |
–90 |
–3,396 |
–10 |
-0,421 |
70 |
3,215 |
|||||||||||||
|
–160 |
–5,349 |
–80 |
–3,065 |
0 |
0,000 |
80 |
3,709 |
|||||||||||||
|
–150 |
–5,111 |
–70 |
–2,722 |
10 |
0,431 |
90 |
4,211 |
|||||||||||||
|
–140 |
–4,859 |
–60 |
–2,367 |
20 |
0,872 |
100 |
4,721 |
|||||||||||||
|
–130 |
–4,593 |
–50 |
–2,000 |
30 |
1,323 |
– |
– |
|||||||||||||
|
Преобразователь типа ТПП, характеристика преобразователя ПП(S) (диапазон температур: от –0 до 1600 °С)
|
||||||||||||||||||||
|
0 |
0,000 |
450 |
3,743 |
700 |
6,274 |
925 |
8,729 |
|||||||||||||
|
50 |
0,299 |
500 |
4,234 |
725 |
6,539 |
950 |
9,012 |
|||||||||||||
|
100 |
0,645 |
525 |
4,482 |
750 |
6,805 |
975 |
9,298 |
|||||||||||||
|
150 |
1,029 |
550 |
4,732 |
775 |
7,074 |
1000 |
9,585 |
|||||||||||||
|
200 |
1,440 |
575 |
4,984 |
800 |
7,345 |
1025 |
9,874 |
|||||||||||||
|
250 |
1,873 |
600 |
5,237 |
825 |
7,618 |
1050 |
10,165 |
|||||||||||||
|
300 |
2,323 |
625 |
5,493 |
850 |
7,892 |
1075 |
10,459 |
|||||||||||||
|
350 |
2,786 |
650 |
5,751 |
875 |
8,169 |
1100 |
10,754 |
|||||||||||||
|
1150 |
11,348 |
1275 |
12,852 |
1400 |
14,368 |
1525 |
15,877 |
|||||||||||||
|
1175 |
11,647 |
1300 |
13,155 |
1425 |
14,671 |
1550 |
16,176 |
|||||||||||||
|
1200 |
11,947 |
1325 |
13,458 |
1450 |
14,473 |
1575 |
16,474 |
|||||||||||||
|
1225 |
12,248 |
1375 |
13,761 |
1475 |
15,275 |
1600 |
16,771 |
|||||||||||||
|
Преобразователь типа ТХА, характеристика преобразователя ХА(К) (диапазон температур: от –200 до +1300 °С) |
||||||||||||||||||||
|
–200 |
–5,892 |
500 |
20,640 |
780 |
32,455 |
1060 |
43,585 |
|||||||||||||
|
–200 |
–5,892 |
500 |
20,640 |
780 |
32,455 |
1060 |
43,585 |
|||||||||||||
|
–150 |
–4,914 |
520 |
21,493 |
800 |
33,277 |
1080 |
44,349 |
|||||||||||||
|
–100 |
–3,553 |
540 |
22,346 |
820 |
34,095 |
1100 |
45,108 |
|||||||||||||
|
–50 |
–1,889 |
560 |
23,198 |
840 |
34,909 |
1120 |
45,863 |
|||||||||||||
Продолжение прил.
|
Температура рабочего конца, °С |
Термо-ЭДС, мВ |
Темпе-ратура рабочего конца, °С |
Темпе- ратура рабочего конца, °С |
Термо-ЭДС, мВ |
Темпе-ратура рабочего конца, °С |
Температура рабочего конца, °С |
Термо-ЭДС, мВ |
|
|
0 |
0,000 |
580 |
24,050 |
860 |
35,718 |
1140 |
46,612 |
|
|
50 |
2,022 |
600 |
24,902 |
880 |
36,524 |
1160 |
47,356 |
|
|
100 |
4,095 |
620 |
25,751 |
900 |
37,325 |
1180 |
48,095 |
|
|
150 |
6,136 |
640 |
26,599 |
920 |
38,122 |
1200 |
48,828 |
|
|
200 |
8,137 |
660 |
27,445 |
940 |
38,915 |
1220 |
49,555 |
|
|
250 |
10,151 |
680 |
28,288 |
960 |
39,703 |
1240 |
50,276 |
|
|
300 |
12,207 |
700 |
29,128 |
980 |
40,488 |
1260 |
50,990 |
|
|
350 |
14,292 |
720 |
29,965 |
1000 |
41,269 |
1280 |
51.697 |
|
|
400 |
16,395 |
740 |
30,799 |
1020 |
42,045 |
1300 |
52.398 |
|
|
450 |
18,513 |
760 |
31,626 |
1040 |
42,817 |
– |
– |
|
|
Преобразователь типа ТХК, характеристика преобразователя ХК(L) (диапазон температур: от –200 до +800 °С) |
||||||||
|
–200 |
–9,488 |
60 |
3,989 |
320 |
24,518 |
580 |
47,339 |
|
|
–190 |
–9,202 |
70 |
4,689 |
330 |
25,380 |
590 |
48,216 |
|
|
–180 |
–8,894 |
80 |
5,398 |
340 |
26,244 |
600 |
49,094 |
|
|
–170 |
–8,502 |
90 |
6,116 |
350 |
27,111 |
610 |
49,971 |
|
|
–160 |
–8,207 |
100 |
6,842 |
360 |
27,981 |
620 |
50,847 |
|
|
–150 |
–7,831 |
110 |
7,576 |
380 |
28,853 |
630 |
51,724 |
|
|
–140 |
–7,433 |
120 |
8,318 |
390 |
30,604 |
640 |
52,600 |
|
|
–130 |
–7,014 |
130 |
9,069 |
400 |
31,482 |
650 |
53,477 |
|
|
–120 |
–6,575 |
140 |
9,826 |
410 |
32,361 |
660 |
54,353 |
|
|
–110 |
–6,117 |
150 |
10,591 |
420 |
33,241 |
670 |
55,229 |
|
|
–90 |
–5,146 |
160 |
11,363 |
430 |
34,122 |
680 |
56,106 |
|
|
–80 |
–4,634 |
170 |
12,142 |
440 |
35,004 |
690 |
56,981 |
|
|
–70 |
–4,106 |
180 |
12,928 |
450 |
35,886 |
700 |
57,857 |
|
|
–60 |
–3,502 |
190 |
13,720 |
460 |
36,769 |
710 |
58,732 |
|
|
–50 |
–3,003 |
200 |
14,519 |
470 |
37,652 |
720 |
59,606 |
|
|
–40 |
–2,429 |
210 |
15,323 |
480 |
38,534 |
730 |
60,478 |
|
|
–30 |
–1,841 |
220 |
16,134 |
490 |
39,417 |
740 |
61,348 |
|
|
–20 |
–1,240 |
230 |
16,950 |
500 |
40,299 |
750 |
62,215 |
|
|
–10 |
–0,626 |
240 |
17,772 |
510 |
41,181 |
760 |
63,079 |
|