Целью работы является изучение правил монтажа и наладки системы измерения температуры с термоэлектрическими преоб-разователями (термопарами).
Перед началом монтажа системы измерения температуры с термоэлектрическим преобразователем необходимо провести внеш-ний осмотр и проконтролировать фазировку термопреобразователя (термопары). При внешнем осмотре проверяют отсутствие видимых повреждений защитной арматуры и зажимов термопреобразователя.
Полярность термоэлектродов может быть определена с помощью контрольного прибора (милливольтметра, переносного потенциометра). При соединении «плюса» контрольного прибора с «плюсом» термопары стрелка контрольного прибора отклоняется вправо.
С учетом того, что у всех термоэлектрических преобразова-телей промышленного производства должен маркироваться поло-жительный термоэлектрод, следует проверить соответствие марки-ровки и действительной полярности электродов.
Следующая операция – проверка сопротивления электрической изоляции между термоэлектродами и металлической частью защитной арматуры с помощью тестера (омметра). При низком сопро-тивлении изоляции следует проверить изоляцию испытательным напряжением с помощью мегомметра на 500 В. Электрическая изоляция должна выдерживать это напряжение в течение минуты при одних и тех же параметрах температуры и влажности окружающей среды.
По окончании этих операций установить термопреобразователь в объект контроля по правилам, рассмотренным выше.
Подключить к термопреобразователю термоэлектродный (ком-пенсационный) провод. Термоэлектродный провод должен быть подключен к зажимам в головке преобразователя в соответствии с по-лярностью жил.
После указанных операций следует закрыть крышку на головке преобразователя, проверить наличие уплотнительной прокладки, сальника на вводе провода в головку.
Термоэлектродный провод проложить в коробе или в защитной трубе. Сопротивление линии связи и термоэлектрического преоб-разователя милливольтметров Rвн должно иметь определенное зна-чение (5 или 15 Ом), указанное на шкале прибора. Допустимое от-клонение сопротивления катушки должно быть не более +0,1 Rвн. Сопротивление линии связи и преобразователя измеряется мостом постоянного тока типа МО-62 или универсальным прибором типа Р4833 и подгоняется до нужного значения с помощью манганиновой катушки.
После перечисленных операций наладка термоэлектрического преобразователя и линии связи считается законченной.
При проведении предмонтажной проверки потенциометр или милливольтметр должен быть приведен в нормальное рабочее состояние.
При проверке соединение образцового прибора с поверяемым осуществляется медными или термоэлектродными проводами с уче-том требуемого внешнего сопротивления.
После прогрева потенциометра или милливольтметра при любом значении задаваемого напряжения в диапазоне измерения необходимо оценить реакцию приборов на изменение входного сигнала.
Убедившись в том, что приборы правильно реагируют на из-менение входного сигнала, необходимо приступить к проверке основной погрешности.
На рис. 3 показана схема поверки потенциометра при наличии манганиновой катушки.

Рис. 3. Схема поверки потенциометра
Поверяемый и образцовый приборы соединяются медными проводами. Сопротивление R устанавливают таким, чтобы оно совместно с выходным сопротивлением образцового прибора было равно 0,8–1,0 наибольшего значения сопротивления термоэлектри-ческого термометра, включая сопротивление линии связи.
Поверку потенциометра производят на оцифрованных точках в соответствии с температурой свободных концов. При использовании данной схемы температура свободных концов приводится к температуре 30 °С (это определяется номинальными значениями сопротивлений катушек). Тогда по ГОСТ 3044-84 для любой проверяемой оцифрованной отметки шкалы при температуре свободных концов 30 °С выбираются соответствующие значения термоЭДС, мВ (см. приложение).
Например, для оцифрованной точки 300 °С потенциометра градуировки ХА значение термоЭДС при температуре свободных концов 30 °С равно 11,004 мВ.
При выборе образцового потенциометра для определения основной погрешности поверяемого потенциометра следует помнить, что их допускаемые погрешности должны соответствовать условию:
.
Основная погрешность определяется не менее, чем на пяти отметках шкалы, включая начальную и конечную отметку.
Путем увеличения напряжения на образцовом потенциометре необходимо стрелку поверяемого потенциометра последовательно установить на оцифрованных отметках шкалы, соответствующих 0, 20, 40…100 % диапазона измерения прибора, а затем в обратном направлении.
Показания образцового прибора в том и другом случае необходимо записать в табл. 1. В ту же таблицу записываются дей-ствительные значения ЭДС, соответствующие данной температуре, которые определяются из градуировочных таблиц (см. приложение).
Таблица 1
|
ТермоЭДС стандартной термопары |
Показания образцового прибора |
Вариация, % |
Основная погрешность, % |
||
|
°С |
мВ |
Прямой ход, мВ |
Обратный ход, мВ |
||
|
|
|
|
|
|
|
После измерений рассчитывают основную погрешность по формуле:
=
,
где – основная погрешность, %; E – значение ЭДС, соответствующее проверяемой точке по градуировочной таблице, мВ; Eо – показания образцового прибора, мВ; Ек и Ен – значение ЭДС, соответствующее концу и началу шкалы проверяемого прибора, мВ.
Вариация прибора определяется по формуле:
В =
,
где В – вариация прибора, %; Епр и Еоб – показания образцового прибора при прямом и обратном подходе к проверяемой точке.
Результаты вычислений также записываются в табл. 1.
Прибор считается исправным, если наибольшая основная погрешность меньше класса точности прибора. Предел допускаемого значения вариации не должен превышать абсолютного значения предела допускаемого значения основной погрешности.
Если основная погрешность показаний потенциометра превышает допускаемое значение, то необходимо провести юстировку.
Юстировка включает в себя совокупность операций по доведению погрешностей приборов до значений, соответствующих техническим требованиям.
При юстировке вместо манганиновых спиралей катушек измерительной схемы, которые служат для изменения показаний в начале и конце шкалы, следует подключить образцовые магазины сопротивлений МСР-63 с учетом сопротивления соединительных проводов.
Целью работы является изучение правил монтажа и наладки системы измерения температуры с термопреобразователями сопротивления, работающими совместно с микропроцессорным двухканальным измерителем 2ТРМО с универсальными измерительными входами.
Перед началом выполнения работы необходимо ознакомиться с правилами монтажа прибора (в зависимости от его исполнения) и подготовки его к работе, изложенными в руководстве по эксплуатации (РЭ).
В данной лабораторной работе предусматривается использование прибора конструктивного исполнения «Щ» (щитового крепления), работающего совместно с первичными преобразователями типа ТС.
Перед началом монтажа системы необходимо выполнить пред-монтажную поверку прибора.
При проведении поверки должны выполняться следующие операции:
1) внешний осмотр;
2) проверка электрического сопротивления изоляции;
3) опробование;
4) определение основной приведенной погрешности.
При проведении поверки прибора должны использоваться мегомметр М4100/3 (U=500B) и магазин сопротивлений Р4831.
Подготовка к поверке:
– подготовить к работе поверяемый прибор в соответствии с указаниями, изложенными в РЭ на 2ТРМО.
– подготовить к работе средства поверки.
Проведение поверки
1.Внешний осмотр.
1.1. Прибор должен быть чистым и не иметь механических повреждений на корпусе и лицевой панели.
1.2. Прибор не должен иметь механических повреждений входных и выходных клеммных соединителей.
1.3. На приборе должна быть необходимая маркировка.
2. Проверка электрического сопротивления изоляции
2.1. На время испытаний контакты с 10 по 14 соединить между собой перемычками.
2.2. При помощи мегомметра М4100/3 последовательно подать испытательное напряжение 500В на следующие точки его приложения:
контакт 1 и контакт 3, 11, 15;
контакт 3 и контакт 11, 15;
контакт 11 и контакт 15;
корпус и контакт 1, 3, 11, 15.
2.3. Измеренные значения занести в таблицу. Прибор считается выдержавшим испытание, если измеренное сопротивление изоляции для любой из приведенных пар точек не менее 20 МОм
3. Опробование
3.1. Прибор подключить к питающему напряжению сети в соответствии с указаниями РЭ и перевести его в режим «Программирование».
3.2. В соответствии с указаниями РЭ проверить во всех каналах заданные значения параметров коррекции измеряемых величин «Сдвиг характеристики» и «Наклон характеристики» и установить их равными соответственно «000,0» и «1,000».
3.3. В соответствии с указаниями РЭ отключить во всех каналах цифровые фильтры, установив в параметрах «Постоянная времени фильтра» и «Полоса пропускания фильтра» нулевые значения.
4. Определение основной приведенной погрешности прибора при работе с термопреобразователями сопротивления.
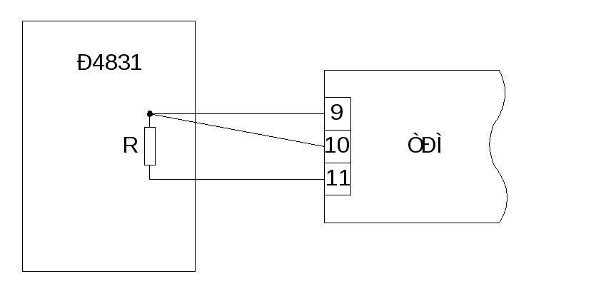
4.1. К входу поверяемого канала прибора вместо термопреоб-разователя сопротивления подключить магазин сопротивлений Р4831. Подключение магазина к прибору производить с помощью трехпроводной линии по схеме подключения (рис. 4). При этом сопротивления соединительных проводов должны быть равными и не превышать 15 Ом.

Рис. 4. Схема подключения
4.2. Последовательно устанавливать на магазине сопротивлений Р4831 величины сопротивлений соответствующие значениям выходного сигнала в контрольных точках, приведенных в табл. 2.
Зафиксировать по установившимся показаниям цифрового индикатора прибора измеренную прибором температуру для каждой точки.
4.4. Рассчитать для каждой контрольной точки основную приведенную погрешность по формуле:
=
![]()
На одном магазине нужно установить сопротивление, соответствующее начальной отметке, а на другом – сопротивление, соответствующее конечной отметке шкалы, и, поочередно изменяя сопротивление на магазинах, добиться совпадения крайних отметок шкалы.
По сумме сопротивлений (сопротивление на магазине и сопро-тивление соединительных проводов от магазина до измерительной схемы) с помощью универсального прибора типа Р4833 или моста постоянного тока МО-62, необходимо подогнать сопротивление спиралей до этого значения с точностью 0,01 Ом.
После окончания юстировки необходимо повторно проверить правильность показаний потенциометра по оцифрованным отметкам.
Перед подключением линии связи к измерительному прибору необходимо измерить термоЭДС на термоэлектродных проводах у прибора (с помощью переносного потенциометра ПП-63).
После измерения термоЭДС в полученное значение напряжения вводится поправка на температуру свободных концов термоэлектродного провода в месте замера. Поправка (в милливольтах) суммируется с показанием переносного потенциометра, если температура окружающей среды положительная, и вычитается, если отрицательная.
Значение температуры окружающей среды контролируется стеклянным лабораторным термометром.
Пользуясь приложением, для соответствующей градуировки термоэлектродов находят действительное значение температуры в месте установки термоэлектрического преобразователя.
Затем линию связи следует подключить к потенциометру и сопоставить информацию о значении измеряемого параметра по местному ртутному термометру с показаниями потенциометра.
где – основная приведенная погрешность; Тизм – измеренное прибором значение температуры в заданной контрольной точке, °С; Тнсх – значение температуры в заданной контрольной точке по НСХ термопреобразователя, °С; Тнорм – нормирующее значение, равное разности максимальной и минимальной температур диапазона измеряемых прибором температур, °С.
4.5.Результаты занести в таблицу. Результат считать положительным, если в каждой контрольной точке 0,5 %
|
|
Таблица 2 |
||||||
|
Тип датчика (НСХ) |
Контрольные точки, % от диапазона измерения |
||||||
|
0 |
5 |
25 |
50 |
75 |
95 |
100 |
|
|
Модификации ТРМ в исполнении «ТС» |
|||||||
|
ТСМ (Cu 50) W100=1,4260
ТСМ (50М) W100=1,4280
ТСП (Pt 50) W100=1,3850
ТСП (50П) W100=1,3910
ТСМ (Cu 100) W100=1,4260
ТСМ (100М) W100=1,4280
ТСП (Pt 100) W100=1,3850
ТСП (100П) W100=1,3910 |
Ом (°С) |
Ом (°С) |
Ом (°С) |
Ом (°С) |
Ом (°С) |
Ом (°С) |
Ом (°С) |
|
39,345 (–50,0)
39,225 (–50,0)
9.475 (–199,0)
8,840 (–199,0)
78,690 (–50,0)
78,450 (–50,0)
18,950 (–199,0)
17,680 (–199,0) |
42,010 (–37,5)
41,932 (–37,5)
18.610 (–156,0)
18,120 (–156,0)
84,230 –37,0)
84,080 (–37,0)
37,220 (–156,0)
36,240 (–156,0) |
52,662 (12,5)
52,673 (12,5)
52.633 (13,5)
52,675 (13,5)
105,325 (12,5)
105,345 (12,5)
105,265 (13,5)
105,350 (13,5) |
65,980 (75,0)
66,040 (75,0)
92.505 (225,0)
93,180 (225,0)
131,960 (75,0)
132,080 (75,0)
185,010 (225,0)
186,360 (225,0) |
79,297 (137,5)
79,408 (137,5)
129,965 (437,5)
131,248 (437,5)
158,595 (137,5)
158,815 (137,5)
259,930 (437,5)
262,495 (437,5) |
89,952 (187,5)
90,103 (187,5)
158,060 (607,5)
159,748 (607,5)
179,905 (187,5)
180,205 (187,5)
316,120 (607,5)
319,495 (607,5) |
92,615 (200,0)
92,775 (200,0)
164,820 (650,0)
166,615 (650,0)
185,230 (200,0)
185,550 (200,0)
329,640 (650,0)
333,230 (650,0) |
|