Курсовая работа
Цифровое реле
сопротивления с круговой характеристикой срабатывания
1. Текст задания
Вариант 31
Цифровое реле сопротивления с круговой характеристикой срабатывания.
Процессор - К1816ВЕ31 (X8031).
Внешнее ОЗУ:
объем - 16К, организация БИС 4Кх8, начальный адрес 4000Н.
Внешнее ПЗУ:
объем - 24К, организация БИС 4Кх8, начальный адрес 8000Н.
Последовательный интерфейс - ТП - 20 mA.
Управление, индикация и сигнализация:
Светодиоды сигнализации - 4 шт.;
Сегментные индикаторы - 3 шт.;
Выходные реле - 2 шт.;
Кнопки управления - 3 шт.;
Клавиатура 4х4.
Аналоговые входы:
АЦП - AD7892;
Мультиплексор - КР590КН6;
Количество аналоговых входов - 2;
Активные полосовые фильтры - 2.
Дискретные входы - 2 (=64В, Iуст=3,25мА)
Подробное описание внешнее ПЗУ.
реле светодиодный сопротивление трансформатор
МП К1816ВЕ31 использует гарвардскую архитектуру, в которой имеет место быть независимость пространств памяти программ и данных. Объем каждого поля может быть до 64Кб. К1816ВЕ31 включает в себя внутреннюю память данных 128б. Мы же будем использовать только внешнюю память.
ПЗУ выполняет функции внешней памяти программ СSEG. Для нашего варианта предусмотрено применение БИС ПЗУ с организацией 4Кx8 и объемом СSEG 24Кб: следовательно, вся память разместиться в восьми корпусах. Наш выбор будет осуществляться схемой дешифрации.
ОЗУ выполняет функции внешней памяти данных XSEG. По заданию предусмотрено применение БИС ОЗУ с организацией 4Кx8 и объемом XSEG 16Кб. Следовательно, вся память разместиться в четырех корпусах, а выбор так же будет осуществляться схемой дешифрации.
Карта памяти будет иметь следующий вид:
XSEG
БИС
Адреса (НЕХ)
Адреса (BIN)
0000H…3FFFFH
0000
000000000000 … 0011 111111111111
RAM
1
4000H … 4FFFH
0100
000000000000 … 0100 111111111111
RAM
2
5000H … 5FFFH
0101
000000000000 … 0101 111111111111
RAM
3
6000H … 6FFFH
0110
000000000000 … 0110 111111111111
RAM
4
7000H … 7FFFH
0111
000000000000 … 0111 111111111111
8000H … FFFFH
1000
000000000000 … 1111 111111111111
ВВ55
0000H
0000
000000000000
ИР22
1000H
0001
000000000000
AD7892
2000H
0010
000000000000
CSEG
БИС
Адреса (НЕХ)
Адреса (BIN)
0000H … 7FFFH
0000
000000000000 … 0111 111111111111
EEPROM
1
8000H … 8FFFH
1000
000000000000 … 1000 111111111111
EEPROM
2
9000H … 9FFFH
1001
000000000000 … 1001 111111111111
EEPROM
3
A000H … AFFFH
1010
000000000000 … 1010 111111111111
EEPROM
4
B000H
… BFFFH
1011
000000000000 … 1011 111111111111
EEPROM
5
C000H
… CFFFH
1100
000000000000 … 1100 111111111111
EEPROM
6
D000H
… DFFFH
1101
000000000000 … 1101 111111111111
EEPROM
7
E000H
… EFFFH
1110
000000000000 … 1110 111111111111
EEPROM
8
F000H
… FFFFH
1111
000000000000 … 1111 111111111111
АП5 (1)
E000H
1110
111111111111
АП5 (2)
FFFFH
1111
111111111111
Центральным процессором в данной МП системе (МПС) служит
однокристальный микроконтроллер (ОМК) К1816ВЕ31.
К входам ОМК XTAL1 и XTAL2 подключается кварцевый резонатор Z.
Для обеспечения заданной длительности сигнала RST служит блок «Схема
сброса», состоящей из RC-цепочки и инвертора.
Для обмена информацией между МПС по последовательному каналу
к входам RxD и TxD подключена схема «ТП-20мА».
Порт P2 используется для передачи старшего байта адреса
при обращении к внешней памяти. Младший байт адреса передается по порту P0. В связи с тем, что в K1816BE31 используется
совмещенная шина адреса / данных, адрес защелкивается в регистре по стробу ALE. В качестве защелки
используется восьмиразрядный регистр с параллельным входом и третьим состоянием
выходов КР1554ИР23. По стробу сигнала ALE подаваемого на вход С,
он защелкивает адрес, т.к. OE постоянно замкнут на землю.
Для разделения пространства XSEG ОЗУ и выбора
соответствующей БИС ОЗУ и разделения пространства CSEG ПЗУ и выбора
соответствующей БИС ПЗУ, а также для выбора БИС КР580ВВ55, АЦП, регистра
КР1554ИР23, используется три дешифратора КР1554ИД7.
Программируемый контролер КР580ВВ55 используется для
сопряжения МП с клавиатурой и дисплеем на основе семисегментных светодиодных
индикаторов.
Входные трансформаторы на аналоговых входах служат для
гальванической развязки и понижения входного напряжения до уровня, приемлемой
МПС.
Полосовые фильтры предназначены для селекции сигнала частотой
50Гц и гашения высших гармонических составляющих. Фильтр представляет собой
операционный усилитель с многоконтурной обратной связью.
БИС КР1554ИР22 - регистр, предназначен для управления
выходными реле и светодиодами сигнализации.
Блоки дискретных входов предназначены для приема дискретных
входных сигналов и передачи их на порт С БИС КР580ВВ55.
Клавиатура 4×4 предназначена для ввода
информации в МП.
Мультиплексор (MUX) предназначен для пропускания на вход АЦП того
сигнала, адрес которого выставлен на адресных входах. Далее АЦП этот сигнал
преобразует в двоичный код, который с выходов АЦП поступает на шину данных.
Так как шина адреса и шина данных совмещены, для отделения
шины адреса служит регистр DD2, который по стробу сигнала ALE фиксирует адрес.
Дешифрирует адрес дешифраторы DD5 и DD6. На адресных входах дешифратора будет двоичный
код БИС, а на выходе - на соответствующем выводе сигнал примет низкий уровень и
соответствующая БИС будет выбрана (сигналы CS0…CS7). Одновременно с этим,
на адресных входах БИС памяти будет двоичный адрес ЯП, к которой производиться
обращение.
При чтении данных из ОЗУ сигнал При чтении данных из ПЗУ сигнал Клавиатура 4х4, а также 3 семисегментных индикатора
подключаются к контроллеру КР580ВВ55. Контроллер освобождает МП от задачи
постоянного сканирования клавиатуры.
Строки и столбцы матрицы клавиатуры подключены к порту PС ВВ55-го. Порты PС7-4 работают в режиме вывода,
РС3-0 в режиме ввода. На линиях PС4…РС6 последовательно
появляются нули, которыми последовательно заземляются строки матрицы.
Если ни одна из клавиш не нажата, то на порт РС3-0
выводится соответствующий код. Если нажата клавиша, то вычисляется код
представляющий код ASCII данной клавиши.
Записывается и считывается информация с шины через канал данных по
управляющим сигналам Реле и светодиоды индикации подключаются через регистр КР1554ИР23.
Светодиоды подключается непосредственно к выходам регистра через
токоограничивающие резисторы.
Реле, в свою очередь, работают от напряжения +12В, поэтому, для их
связи с регистром применены транзисторные ключи. Информация в регистр должна
записываться по низкому уровню сигналов Дискретные входы и кнопки управления подключены к порту P1 МП. Происходит
считывание двоичного кода, который соответствует входным сигналам от дискретных
входов и кнопок управления на шину данных МПС.
Выходные реле и светодиоды сигнализации подключаются к шине данных
МПС через регистр DD23 КР1554ИР22. Светодиоды подключается к
выходам регистра через токоограничивающие резисторы, а реле - через
транзисторные ключи. При выборе регистра DD23,
который осуществляется по сигналам УГО ОМК 31 представлено на рис. 4.1. Назначения выводов
приведены в таблице 4.1.1, основные характеристики в таблице 4.1.2.
Рис. 4.1-УГО К1816ВЕ31
Таблица 4.1.1 Назначение выводов
Номер вывода
Наименование
Обозначение
1-8
Порт 1
P1
(0-7)
9
Сброс
Резервное питание
ОЗУ
RST
10
Последовательные
данные ПРМ
Порт 3.0
RxD/P3.0
11
Последовательные
данные ПРД
Порт 3.1
TxD/P3.1
12
Прерывание 0
Порт 3.2
INT0/P3.2
13
Прерывание 1
Порт 3.3
INT1/P3.3
14
Таймер/счетчик
0
Порт 3.4
T0/P3.4
15
Таймер/счетчик
1
Порт 3.5
T1/P3.5
16
Запись
Порт 3.6
WR/P3.6
17
Чтение
Порт 3.7
RD/P3.7
18-19
Подключение
кварцевого резонатора
XTAL1,
XTAL2
20
Общий вывод
GND
21-28
Адрес (8-15)
P2
(0-7)
29
Разрешение
программной памяти
PSEN
30
Разрешение
фиксации адреса
ALE
31
Разрешение работы
с внешней памятью
EA
32-39
Адрес/данные
(0-7)
P0
(0-7)
40
Питание
Ucc
Таблица 4.1.2 Основные параметры
БИС
К1816ВЕ31
0,8
3
2,4
0,45
500
Высокоскоростной маломощный 12 битный АЦП с однополярным
питанием + 5 В. Прибор содержит устройство выборки-хранения, быстродействующий
1,47 мкс. АЦП, 2.5В источник опорного напряжения (ИОН) и высокоскоростной
интерфейс с возможностью изменения формата - параллельным или последовательным.
Прибор, в зависимости от модификации, имеет входной динамический диапазон ± 5 В
или ±10 В (AD7892-1), от 0 В до 2,5 В, от 0 В до 5 В (AD7892-2) или ± 2,5 В
(AD7892-3). Наличие защиты аналоговых входов от перенапряжения дает возможность
выдерживать без повреждения входных цепей приборам AD7892-1 и AD7892-3 входные
сигналы с динамическим диапазоном ± 17 В и ± 7 В соответственно.
Рис. 4.2 УГО AD7892-1
Имеется возможность выбора формата интерфейса связи -
параллельный 12 разрядный или последовательный. Стандартные входные сигналы
управления и малое время доступа к данным позволяет организовать простой и
надежный интерфейс с современными микроконтроллерами.
AD7892 изготовлен по новой комбинированной технологии LC2MOS
компании Analog Devices, которая позволяет объединить в одном
изделии высокую точность биполярной технологии с малым потреблением КМОП
технологии. Прибор выпускается в 24 выводных широких пластиковых или
герметичных DIP или 24 выводных SOIC корпусах.
Таблица 4.2.1 Назначение Выводов
Номер вывода
Наименование
Обозначение
1
Питание
Ucc
2
Режим засыпания
STENDBY
3,4
Входы
VIN(2,1)
5
Внутренний
источник опорного питания
REF
OUT/REF IN
6
Аналоговая
земля
AGND
7
Формат
интерфейса связи
MODE
8-13
Выходы (11-6)
DB
(11-6)
14
Цифровая земля
DGND
15-20
Выходы (5-0)
DB
(5-0)
21
Чтение
RD
22
Выбор БИС
CS
23
Конец преобразования
(end of convention)
EOC
24
Начало
преобразования (convention start)
CONVST
УГО представлено на рис. 4.3, назначения выводов, таблица истинности,
основные параметры приведены в таблицах 4.3.1, 4.3.2, 4.3.3 соответственно.
Рис. 4.3 УГО ИР23
Таблица 4.3.1 Назначение выводов БИС
Обозначение
Выводы
Описание
D0-D7
3,4,7,8,13,14,17,18
Вход данных.
Q0-Q7
2,5,6,9,12,15,16,19
Выход данных.
EZ
1
Вход разрешения
выхода.
L
11
Вход сигнала
«защелки»
Vcc
20
Питание +5В
GND
10
Общий.
Таблица 4.3.2 Таблица режимов работы
Вход С
Вход OE
Вид операции
Q0-Q7
H
L
Запись
D0-D7
L
L
Хранение
Q0-Q7
X
H
Выход запрещен
Z-состояние
Таблица 4.3.3 Основные параметры
БИС
КР1554ИР22
-24
24
4,4
0,32
50
4,5
0,1
-0,1
Представляет собой дешифратор демультиплексор из 3 в 8. УГО приведено
на рис. 4.4. Назначение выводов и режимы работы определены в соответствующих
таблицах 4.4.1, 4.4.2.
Рис. 4.4 УГО КР1554ИД7
Таблица 4.4.1 Назначение выводов микросхемы
Обозначение
Выводы
Описание
1,2,4
1,2,3
Адресные входы.
0-7
7,9,10-15
E1
4
Вход выбора
микросхемы 1.
E2
5
Вход выбора
микросхемы 2.
E3
6
Вход выбора
микросхемы 3.
Vcc
20
Питание +5В
GND
10
Общий.
Таблица 4.4.2 Таблица режимов работы
Входы
Выходы
E1
E2
E3
1
2
4
0
1
2
3
4
5
6
7
H
X
X
X
X
X
H H
H
H
H
H
H
X
H
X
X
X
X
H
H
H
H
H
H
H
H
X
X
L
X
X
X
H
H
H
H
H
H
H
H
L
L
H
L
L
L
L
H
H
H
H
H
H
H
L
L
H
H
L
L
H
L
H
H
H
H
H
H
L
L
H
L
H
L
H
H
L
H
H
H
H
H
L
L
H
H
H
L
H
H
H
L
H
H
H
H
L
L
H
L
L
H
H
H
H
H
L
H
H
H
L
L
H
H
L
H
H
H
H
H
H
L
H
H
L
L
H
L
H
H
H
H
H
H
H
H
L
H
L
L
H
H
H
H
H
H
H
H
H
H
H
L
Мультиплексор - это устройство, которое передает на выход тот
сигнал с одного из 8 входов, адрес которого выставлен на адресных входах.
Напряжение питания Рис. 4.5 УГО КР590КН6
Таблица 4.5.1 Назначение выводов
Номера выводов
Назначение
Обозначение
1
Вход логический
20
A
2
Вход разрешения
выхода
Еn
3
Минус
напряжения питания
E-
4-7
Аналоговые
входы
I0…I3
8
Выход
аналоговый
OUT
9-12
Аналоговые
входы
I7…I4
13
Плюс напряжения
питания
E+
14
Общий вывод
GND
15,16
Вход логический
22, 21
С, В
Таблица 4.5.2 Таблица истинности
Логические
входы
Открытые каналы
C
B
A
En
L
L
L
H
I0
L
L
H
H
I1
L
H
L
H
I2
L
H
H
H
I3
H
L
L
H
I4
H
L
H
H
I5
H
H
L
H
I6
H
H
H
H
I7
X
X
X
L
-
Объем ОЗУ 16К значит, имеем 4 корпуса микросхем 4Кх8. Битовая
раскладка 16-и разрядного адреса выглядит следующим образом:
Разряд
A 15
A 14
A 13
A 12
A 11
A 10
A 9
A 8
A 7
A 6
A 5
A 4
A 3
A 2
A 1
A 0
Бит
0
К
К
К
X
X
X
X
X
X
X
X
X
X
X
X
на адресные
входы дешифратора
На адресные
входы ОЗУ
Где значения битов К - номер корпуса БИС (1, 2, 3, 4, 5, 6,
7, 8). X
- любое (определяет адрес ячейки памяти).
Объем ПЗУ 24К значит, имеем 8 корпусов микросхем 4Кх8.
Битовая раскладка 16-и разрядного адреса выглядит следующим образом:
Разряд
A 15
A 14
A 13
A 12
A 11
A 10
A 9
A 8
A 7
A 6
A 5
A 4
A 3
A 2
A 1
A 0
Бит
1
К
К
K
X
X
X
X
X
X
X
X
X
X
X
X
на адресные
входы дешифратора
На адресные
входы ПЗУ
Где значения битов К - номер корпуса БИС (1, 2,3 или 4).X - любое (определяет
адрес ячейки памяти).
Для выбора БИС 580ВВ55 воспользуемся вторым ИД7, на адресные
входы которого подадим сигналы A12, A13, А14. Будем использовать
0-й выход 2-го ИД7, тогда битовая раскладка выглядит следующим образом:
Разряд
15
14
13
12
11
10
9
8
7
6
5
4
3
2
1
0
Бит
0
0
0
0
0
0
0
0
0
0
0
0
0
0
0
0
Базовый адрес ВВ55 будет равен 0000Н.
Для выбора БИС ИР23 сделаем так же, как и в случае с ВВ55.
Только воспользуемся 1-м выходом. Тогда битовая раскладка будет выглядеть
следующим образом:
Разряд
15
14
13
12 10
9
8
7
6
5
4
3
2
1
0
Бит
0
0
0
1
0
0
0
0
0
0
0
0
0
0
0
0
Базовый адрес ИР23, будет равен 1000Н.
Для выбора БИС AD7892 сделаем так же, как и в случае с ВВ55.
Только воспользуемся 2-м выходом. Тогда битовая раскладка будет выглядеть
следующим образом:
Разряд1514131211109876543210
Бит
0
0
1
0
0
0
0
0
0
0
0
0
0
0
0
0
Базовый адрес AD7892 будет равен 2000Н.
Шинный формирователь КР1554АП6
Шинный формирователь КР1554АП6 является восьмиканальным
двунаправленным формирователем с тремя состояниями на выходе. Напряжение
питания +5В. Рис. 4.8 УГО КР1554АП6
Таблица 4.8.1 Назначение выводов
Номера выводов
Назначение
Обозначение
1
Вход управления
информации
С
2-9
Вход/выход A (0-7)
DA
(0-7)
10
Общий вывод
GND
11-18
Вход/выход B (7-0)
DB
(7-0)
19
Разрешение
выходов
OE
20
Питание
Ucc
Таблица 4.8.2 Таблица истинности
Логические
входы
Операция
С
OE
L
L
B→A
H
L
A→B
L
H
Z
H
H
Z
Таблица 4.8.3 Основные параметры
БИС
КР1554АП6
-24
24
4,4
0,32
50
4,5
0,1
-0,1
Шинный формирователь КР1533АП5
Микросхемы представляют собой два четырёхканальных
формирователя с тремя состояниями на выходах с инверсным управлением. УГО
приведено на рис. 4.8, а назначения выводов, режимы работы и основные параметры
в соответствующих таблицах 4.8.1, 4.8.2 и 4.8.3.
Рис. 4.8 УГО КР1554АП6
Таблица 4.8.1 Назначение выводов
Номера выводов
Назначение
Обозначение
1,19
входы разр-ия
снятия состояния высокого импеданса
OE1,
OT2
2-9
Вход/выход A (0-7)
DA
(0-7)
10
Общий вывод
GND
11-18
Вход/выход B (7-0)
Q
(7-0)
20
Питание
Ucc
Таблица 4.8.2 Таблица истинности
Логические
входы
Операция
OE1
OE2
L
L
D→Q
L
H
Z
L
H
Z
H
H
Z
Таблица 4.8.3 Основные параметры
БИС
КР1533АП5
-24
24
4,4
0,32
50
4,5
0,1
-0,1
Микросхема представляет собой программируемый параллельный
интерфейс. Применяется в качестве элемента ввода вывода общего назначения,
сопрягающего различные типы периферийных устройств с магистралью данных систем
обработки информации. Обмен информацией осуществляется через 8-разрядный
двунаправленной трех стабильный канал данных (D). Для связи с
периферийными устройствами используется 24 линии ввода (вывода),
сгруппированные в 3 8 - разрядных канала (ВА, ВВ, ВС), направление передачи
информации и режим работы которых определяется программным способом. Содержат
1600 интегральных элементов.
Программируемый адаптер КР580ВВ55 осуществляет параллельный
обмен данными с помощью управляющих сигналов или без них как в режиме
программного управления, так и по прерываниям. Определение и переопределение
режима работы выполняется программно с помощью специальных команд
инициализации, записываемых в регистр управляющего слова.
УГО представлено на рисунке 4.9. Назначения выводов, основные
параметры приведены в таблицах 4.9.1 и 4.9.2.
Рис. 4.9 УГО КР580ВВ55
Таблица 4.9.1 Назначение выводов
Номер вывода
Назначение
Обозначение
1-8
Входы/выходы
D
(0-7)
9-16
Порт A
PA
(0-7)
17
Чтение данных
из портов
RD
18
Запись данных в
порты
WR
19
Выбор БИС
CS
20
Общий вывод
GND
21-28
Порт C
PC
(0-7)
29-36
Порт B
PB
(0-7)
37
Выбор
внутреннего регистра (МР)
A0
38
Выбор
внутреннего регистра (СР)
A1
39
Сброс
RST
40
Питание
Ucc
Таблица 4.9.2 Основные параметры
БИС
КР580ВВ55
-0,2
1,7
2,4
0,45
190
10
БИС К573РФ41 - ПЗУ(Flash) с организацией 4Кх8.
Требует источник оперативного питания в диапазоне от 2,7В до 3,6В и имеет время
доступа 200 нс. Имеет температурный диапазон работы от -40 до +85°С. Емкость
адресного входа 4пФ. УГО приведено на рис. 4.10, а назначения выводов таблице
4.10.1.
Рис. 4.10 УГО К573РФ41
Таблица 4.7.1 Назначения выводов
Обозначение
выводов
Назначение
выводов
A0…A11
Адресные входы
D0…D7
Входы данных
CS
(chip select)
Вход выбора БИС
OE
(output enable)
Разрешение
выходов
Ucc
Питание
GND
Общий вывод
БИС К537РУ17 - ОЗУ с организацией 4Кх8. Требует источник
оперативного питания 5В и имеет время доступа от 15 до 100 нс. Выпускается в
корпусах CERDIP28, PDIP28, SOJ28. Напряжение питания +5В. Емкость
адресного входа 8пФ. УГО приведено на рис. 4.11, а назначения выводов таблице
4.11.1.
Рис. 4.11 УГО К537РУ17
Таблица 4.11.1 Назначения выводов
Обозначение
выводовНазначение выводов
A0…A12
Адресные входы
D0…D7
Входы данных
CS
(chip select)
Вход выбора БИС
OE
(output enable)
Разрешение
выходов
R/W
Чтение/запись
6. Принципиальная схема устройства
К входам ОМК XTAL1 и XTAL2 подключается кварцевый резонатор Z обеспечивающий стабильную
частоту работы.
Для обеспечения заданной длительности сигнала RST служит блок «Схема
сброса», состоящей из RC-цепочки и инвертора. При нажатии кнопки SB13 на инвертор поступает
низкий уровень напряжения, он на выходе формирует лог «1», которая поступает на
вход.
Для обмена информацией между МПС по последовательному каналу
к входам RxD и TxD подключена схема «токовая петля» через развязывающие оптроны.
Порт P2 используется для передачи старшего байта адреса
при обращении к внешней памяти. Младший байт адреса передается по порту P0. В связи с тем, что в K1816BE31 используется
совмещенная шина адреса / данных, адрес защелкивается в регистре по стробу ALE. В качестве защелки
используется восьмиразрядный регистр с параллельным входом и третьим состоянием
выходов КР1554ИР23. По стробу сигнала ALE подаваемого на вход С,
он защелкивает адрес, т.к. OE постоянно замкнут на землю.
Для разделения пространства XSEG ОЗУ и выбора
соответствующей БИС ОЗУ, а также для выбора БИС КР580ВВ55, АЦП и регистра
КР1554ИР22, используется два дешифратора КР1554ИД7.
Программируемый контролер КР580ВВ55 используется для
сопряжения МП с клавиатурой и дисплеем на основе сегментных индикаторов.
Шинный драйвер КР1554АП6 служит для формирования шины данных.
Три семисегментных индикатора работают в динамическом режиме,
зажигаясь поочередно с большой частотой. Глаз не успевает следить за быстрыми
переключениями и расценивает это как постоянное свечение. Для переключения
индикаторов применены транзисторные ключи в коллекторной цепи анодов
индикатора. Поочередно подавая сигнал «0» на базу транзисторов VT3-VT5 (КТ501) можно поочередно
включать индикаторы.
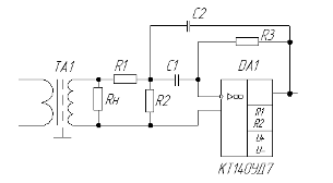
Входные трансформаторы на аналоговых входах служат для
гальванической развязки и понижения входного напряжения до уровня, приемлемой
МПС. Полосовые фильтры предназначены для селекции сигнала частотой 50Гц и
гашения высших гармонических составляющих. Фильтр представляет собой
операционный усилитель с многоконтурной обратной связью. Выходы ПФ подключены
ко входам мультиплексора. Мультиплексор (MUX) предназначен для
пропускания на выход того сигнала, адрес которого выставлен на адресных входах A, B, C, для этого входа он
«прозрачный».
Сигнал с мультиплексора поступает на АЦП. АЦП этот сигнал
преобразует в двоичный код, который с выходов АЦП поступает через два шинных
формирователя КР1533 АП5 на шину данных. Преобразование начинается по подаче
«0» на вход CONVST - начало преобразования. По окончании АЦП выдает «0» на
выходе EOC - конец преобразования, который поступает на вход INT0 МП - запрос на
прерывание.
Таким образом с мы будем поочередно считывать сигналы фазных
напряжений и токов. С помощью программы МП будет определять сопротивление, и
сравнивать его с уставкой. При наличии короткого замыкания на линии подаются
соответствующие сигналы индикации и отключения на светодиоды и выходные реле.
Реле и светодиоды индикации подключаются через регистр
КР1554ИР22. Светодиоды подключается непосредственно к выходам регистра через
токоограничивающие резисторы. При подаче «0» на выход, через диод начинает
протекать ток, который его зажигает.
Реле, в свою очередь, работают от напряжения +12В, поэтому,
для их связи с регистром применены транзисторные ключи. При подаче «1» на базу
транзистора, через катушку реле в коллекторной цепи течет ток и реле замыкает
свои контакты. Диоды VD1 и VD2 защищают БК-й переход транзисторов VT1 и VT2 от перенапряжений при
коммутации реле.
Информация в регистр должна записываться по низкому уровню
сигналов Клавиатура 4×4
предназначена для ввода информации в МП. Клавиатура 4х4 подключается к
контроллеру КР580ВВ55. Контроллер освобождает МП от задачи постоянного
сканирования клавиатуры и поддержания изображения на дисплее.
Строки и столбцы матрицы клавиатуры подключены к порту PС ВВ55-го. Процесс ввода с клавиатуры совмещен с процессом вывода
изображения на индикаторы. На линиях PС0…РС3
последовательно появляются нули, которыми последовательно заземляются строки
матрицы.
Если ни одна из клавиш не нажата, то на порт РС выводится
соответствующий код и продолжается вывод на дисплей. Если нажата к.л. клавиша,
то вычисляется код представляющий код ASCII
данной клавиши.
Записывается и считывается информация с шины через канал данных по
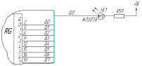
управляющим сигналам Блоки дискретных входов предназначены для приема дискретных
входных сигналов и передачи их на порт С БИС КР580ВВ55. Для этого
применяется схема (рис. 10.2) с оптронной развязкой. Сигнал уровня 220В
поступает через резистор в цепь светодиода оптрона. Светодиод открывает
транзистор оптрона и на выходе устанавливается «0».
Так как шина адреса и шина данных совмещены, для отделения шины
адреса служит регистр DD4, который по стробу сигнала ALE фиксирует адрес. Дешифрирует адрес
дешифраторы DD7 и DD8. На адресных входах дешифратора будет
двоичный код БИС, а на выходе - на соответствующем выводе сигнал примет низкий
уровень и соответствующая БИС будет выбрана (сигналы CS0…CS6). Одновременно с этим, на адресных входах БИС памяти будет
двоичный адрес ЯП к которой производиться обращение.
При чтении данных из ОЗУ сигнал При чтении данных из ПЗУ сигнал Вся память ПЗУ состоит из 8-и БИС. Объем 24К, ПО 4К каждая
микросхема. Так как шина адреса и шина данных совмещены, для отделения шины
адреса служит регистр DD4, который по стробу сигнала ALE фиксирует адрес. Дешифрирует адрес
дешифраторы DD7 и DD8. На адресных входах дешифратора будет двоичный код БИС, а на
выходе - на соответствующем выводе сигнал примет низкий уровень и
соответствующая БИС будет выбрана (сигналы CS0…CS7). Одновременно с этим, на адресных входах БИС памяти будет
двоичный адрес ЯП к которой производиться обращение. При чтении данных из ПЗУ
сигнал К573РФ41 низковольтная малопотребляемая EEPROM (electrically
erasable and programmable read only memory). Производится по КМОП технологии.
Потребляет не более 30 мВт. Потребляемый ток по цепям питания в режиме хранения
50мкА. Выпускается в различных типоисполнениях корпусов.
К573РФ41 имеет дополнительные свойства которые гарантируют высокое
качество и производительность устройства. Прибор использует внутреннюю
коррекцию ошибки для увеличения длительности и повышения надежности хранения
данных.
Когда сигналы Запись данных в ПЗУ очень похожа на запись в статические ОЗУ.
Низкий уровень сигнала на входах -й вывод это открытый Защита от записи: Защита от записи производится следующими путями:
· значением питающего напряжения - если питание
ниже 1,8В, то функция записи подавляется;
· задержкой питания - после достижения 2В на
входе Ucc микросхема автоматически отключается на 10 мс перед следующим
байтом записи;
· подавление записи высоким уровнем сигналов Назначения выводов
Обозначение
выводов
Назначение
выводов
A0…A12
Адресные входы
D0…D7
Входы данных
CS
(chip select)
Вход выбора БИС
OE
(output enable)
Разрешение
выходов
Ucc
Питание
GND
Общий вывод
RDY/BUSY
Готовность БИС
WE
Разрешение
записи
8. Описание дискретных входов
Дискретные входы подключены к порту P1. Резисторы ограничивают
входной ток для светодиодов транзисторных оптронов. Транзисторные оптроны
используются в качестве гальванической развязки внутренних цепей МПС от
внешних. При подаче дискретного сигнала транзистор оптрона открывается и на
входы порта P1
подается сигнал логического «0». Используется транзисторный оптрон серии AOT128А.
Напряжение на
входах
Напряжение
питания
Прямой ток на
светодиоде оптрона
Прямое падение
напряжение на светодиоде оптрона
Напряжение
насыщения коллектор-эмиттер при Рис. 7.1 Дискретный вход
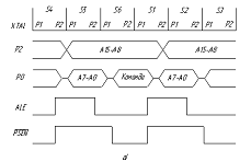
Временные диаграммы чтения ПЗУ, чтения ОЗУ и записи в ОЗУ
приведены на рисунках 8.1 (а, б, в) соответственно.
Рис. 8.1 Временные диаграммы обращения к внешней памяти:
а - чтение из ПЗУ; б - чтение из ОЗУ; в-запись в ОЗУ.
Устройство управления ОМК31 на основе сигналов ГТИ формирует
машинный цикл фиксированной длительности, который равен 12 периодам тактовой
частоты OSC ГТИ. Машинный цикл делится на шесть состояний S1-S6, причем каждое состоит
из двух тактов P1 и P2.
Выполнение любой команды начинается с чтения кода операции из
ПЗУ. С этой целью ОМК31 вырабатывает в состояниях S1P2-S2P1 и S4P2-S5P1 сигнал ALE. Если команда содержится
во внешней памяти программ CSEG, то вырабатывается также сигнал PSEN. При обращении к внешней
памяти всегда используется 16-разрядный адрес. Старший байт адреса выводится
через порт P2,
а младший - через порт P0, причем через этот порт выводится также код команды.
Разделение адреса и кода команды производится во времени с помощью
стробирующего сигнала ALE, по заднему фронту (1/0) которого младший байт
адреса записывается во внешний регистр DD4. Старший байт адреса
запоминается в фиксаторе порта P2 и сохраняется неизменным в течение цикла обращения к
внешней CSEG. Выборка команды происходит из БИС ПЗУ DD9-DD12, выбираемые
дешифратором DD7, причем выборка стробируется сигналом PSEN, подаваемым на вход OE разрешения выходов БИС
ПЗУ. Чтение команды выполняется по заднему фронту (0/1) строба PSEN - фаза S1P1-S4P1.
При обращении к внешней ОЗУ адрес выводится через порт P0 (младший байт) и порт P2 (старший байт) ОМК31.
Чтение или запись данных производится через порт P0, т.е. порт P0 используется как шина
адреса / данных. Чтение данных из XSEG стробируется сигналом RD, запись - WR.
Рис. 8.1 Временные диаграммы работы микросхем К573РФ41 и
К537РУ17:
а - чтение из ПЗУ; б - чтение из ОЗУ; в-запись в ОЗУ.
Roff - выходное сопротивление
при третьем состоянии (высокоомный уровень),
А - значение текущего адреса (уровень логической 1
или логического 0).
tA - время доступа адреса;
tCS - время действия сигнала
выбора БИС;
tDIS - время восстановления
исходного сигнала;
tCY - время цикла чтения
(записи);
tH - время захвата данных;
tSU - время установки
адреса;
tv -
10. Расчет нагрузочных способностей БИС
Расчет нагрузочных способностей БИС ведется по двум
параметрам: по току и по емкости. Для того чтобы БИС не были перегружены
необходимо, чтобы ток на выходе БИС был больше суммы входных токов микросхем, к
которым подключен наш вывод. Так же и с емкостью: емкость на выходе БИС больше
суммы емкостей по входам микросхем, к которым подключен наш вывод.
Рассчитаем нагрузочную способность портов ЦП и регистров
КР1554ИР22 на основании данных помещённых в таблицу.
Микросхема мкА мА мА пФ пФ пФ КР1554АП6
0,1
0,1
24
24
50
4,5
КР1554ИР22
0,1
0,1 24
50
4,5
КР1554ИД7
0,1
0,1
24
24
50
4,5
КР1554АН2
0,1
0,1
24
24
50
4,5
КР580ВВ55
0,4
22
100
10
10
10
10
К537РУ17
8
10
1
1
К573РФ41
8
10
1
1
К1816BE31
0,8
3
100
10
Рассчитаем нагрузочную способность порта P0 ЦП:
По ёмкости:
Необходимо чтобы выполнялось условие: По току:
Необходимо чтобы выполнялось условие: Рассчитаем нагрузочную способность порта P2 ЦП:
По ёмкости:
Необходимо чтобы выполнялось условие: По току:
Необходимо чтобы выполнялось условие: Рассчитаем на нагрузочную способность шинного формирователя
КР1554АП6.
По емкости:
Необходимо чтобы выполнялось условие По току:
Необходимо чтобы выполнялось условие Рассчитаем на нагрузочную способность буферного регистра
КР1554ИР22, так как его выходы нагружены не одинаково расчет будем вести по
наиболее нагруженной линии. В данном случае это линия A0.
По емкости:
Необходимо чтобы выполнялось условие По току:
Необходимо чтобы выполнялось условие Все порты микроконтроллера и регистры нагрузку выдерживают.
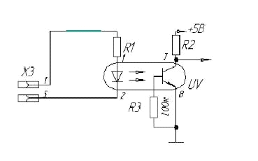
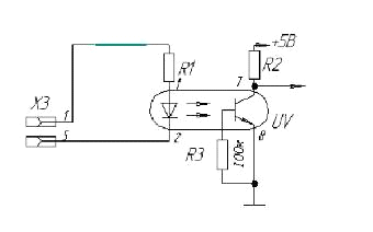
Светодиоды сигнализации подключаются к выходам регистра ИР22
через токоограничивающие резисторы. Светодиоды применили типа АЛ307А с красным
светом свечения, резистор С2-33Н:
Рис. 10.1 Схема включения светодиодов
Основные характеристики АЛ307А:
Прямой ток - 10мА;
Прямое падение напряжения не более 2В;
Максимальное обратное напряжение - 2В;
Предельный максимальный ток - 20мА.
Определим сопротивление резистора:
В нашем выходном каскаде мы применим реле RM84, транзистор КТ315А,
резистор С2-33Н, диод 1N4148. Реле включается в коллекторную цепь транзистора
включенного по схеме с общим эмиттером. База подключается к выходу регистра
ИР22.
Характеристики реле RM84
Транзистор КТ315А
Определим ток коллектора, он определяется исходя из номинального
тока реле:
Принимаем: Определим мощность, выделяющуюся в коллекторной нагрузке:
Рис. 10.2 Схема семисегментного индикатора
Выберем в качестве семисегментного индикатора индикатор цифровой
серии АЛС324Б
Исходные данные:
Прямой ток на сегменте индикатора Найдём общий ток необходимый для загорания одновременно всех
восьми сегментов цифрового индикатора:
Т.к. семисегментный индикатор является коллекторной нагрузкой
транзистора VT, а током базы является выходной ток
микросхемы КР1554ЛН2, найдём необходимый коэффициент передачи транзистора:
Данным условиям полностью удовлетворяет транзистор серии КТ501В
Максимальный ток коллектора Найдём номинал резистора R9,
исходя из условия насыщения транзистора, включенного по схеме с общим
эмиттером:
Учитывая, что Выберем наиболее близкое значение сопротивления из стандартного
ряда E24
R9=1.6кОм
Определим номиналы токоограничивающих сопротивлений R1…R8
Выберем наиболее близкое значение сопротивления из стандартного
ряда E24
R1=68 Ом.
Сброс осуществляется путем подачи на вход RST сигнала «1». Для
гарантированного сброса этот сигнал должен удерживаться на входе, по меньшей
мере, 2 машинных цикла (МЦ). Если сброс выполняется автоматически при включении
питания, сигнал должен удерживаться в состоянии «1» достаточного для запуска
ГТИ плюс еще минимум 2 МЦ. Время запуска ГТИ зависит от частоты, и для частоты
11,059МГц составляет в среднем 1 мс.
где
R - резистор в схеме сброса;
С -
конденсатор в схеме сброса;
Принимаем С=0,01мкФ, тогда:
Этим мы обеспечиваем гарантированный сброс процессора.
Рис. 10.3 Дискретный вход
Схема приема дискретных сигналов амплитудой 64В включает в
себя транзисторную оптопару АОТ128А и токоограничивающие резисторы С2-33Н. БЭ
переход оптрона шунтирует резистор 100кОм (по рекомендации завода
изготовителя), тем самым, закрывая транзистор.
Резистор коллекторной нагрузки выбирается исходя из
максимального тока коллектора, который равен 5мА, следовательно, номинал
составляет1кОм.
Характеристики АОТ128А:
Прямое падение напряжение на диоде - 1,6В;
Прямой ток - 3,25мА;
Максимальный входной прямой ток - 40мА;
Найдем значение номинала резистора на входе:
Принимаем Аналоговые входы нашего ЦВ представляют собой трансформаторы
тока и напряжения к вторичной обмотке которых подключены активные полосовые
фильтры 2-го порядка (СФ), предназначенные для выделения 50-герцовых
составляющих и подавление сигналов высших гармоник. Выходы СФ через мультиплексор
подключены к АЦП, предназначенному для преобразования сигналов напряжения и
тока в двоичный код. С АЦП данные подаются в МП, который их обрабатывает.
Рис. 10.4 Схема аналогового входа
Исходные данные:
Определим сечение провода первичной обмотки:
Диаметр провода первичной обмотки определяется по формуле:
Округляем получившиеся значения до ближайших стандартных из ряда
Уточняем сечение жилы провода первичной обмотки:
Значение технологического диаметра провода принимаем Находим коэффициенты a1, a2, a3 из выражений:
Задаемся различными типоисполнениями сердечников и выбираем то
типоисполнение, для которого Определим число витков первичной обмотки по формуле:
Определим сечение провода вторичной обмотки по формуле
Отсюда:
Уточняем сечение:
Определим площадь обмоточного окна занимаемого1-й обмоткой:
Определим число витков 2-й обмотки по формуле:
Сопротивление нагрузки:
Далее уточняем полученные значения с учетом того, что
рассчитанному диаметру провода соответствует коэффициент заполнения: Определим сечение провода вторичной обмотки по формуле
Отсюда:
Уточняем сечение:
Определим площадь обмоточного окна занимаемого1-й обмоткой:
Определим число витков 2-й обмотки по формуле:
Сопротивление нагрузки:
Так как полученный диаметр провода больше Сперва определимся с исходными данными:
Выберем ПТН по условию обеспечения точности Обмоточный провод будем использовать марки ПЭВ-2.
Определим сечение провода первичной и вторичной обмоток:
Диаметр провода первичной и вторичной обмоток определяется по
формуле:
Округляем получившиеся значения до ближайших стандартных из ряда
Те же параметры для вторичной обмотки:
Находим значение параметра По получившемуся параметру выбираем типоисполнение сердечника ШЛ10×16 [Л4, П1.2].
Находим число витков первичной обмотки:
Выбираем Определим параметры:
а так же
где ρ - удельное
электрическое сопротивление меди;
т.к. Подбираем из таблицы приложения 1 такое типоисполнение с
минимальными габаритами, при котором данный критерий выполняется. В данном
случае критерий выполняется для сердечника ШЛ10×20.
Переопределяем число витков первичной обмотки:
Выбираем Определим площадь обмоточного окна занимаемого вторичной обмоткой.
Она определяется по формуле:
Определим площадь поперечного сечения провода обмотки:
Определим полную площадь обмоточного окна:
Принимаем Так как мы поменяли провод, то необходимо уточнить параметры:
Следовательно, принимаем окончательно Оценим погрешность ПТН по модулю используя соотношение:
Значения средних длин витков 1-й и 2-й обмоток могут быть найдены
по следующим формулам: Амплитудная погрешность:
Следовательно, требования выполняются.
Возьмем в качестве активного ПФ 2-го порядка селективный
фильтр(СФ). Нам необходимо чтобы наш СФ был прозрачным для сигнала частоты
50Гц, следовательно Передаточная функция для нашего СФ имеет вид:
Параметры Зададимся значениями емкостей конденсаторов Решая систему уравнений, найдем все сопротивления:
Выберем соответствующие номиналы резисторов из ряда Е24:
Из-за отличия расчетных значений сопротивлений от номиналов
резисторов, параметры фильтра изменяются и они равны:
Построим АЧХ и ФЧХ:
АЧХ и ФЧХ фильтра приведены на рисунке ниже:
Рис. 10.5 Графики АЧХ и ФЧХ СФ
1. Буткевич
Г. Задачник по электрическим аппаратам. - М.: Высшая школа, 1977
2. Шнеерсон
Э. Проектирование трансформаторных преобразователей тока и напряжения устройств
автоматики. - Чебоксары: ЧГУ, 1989
. Шнеерсон
Э. Полупроводниковые реле сопротивления. - М.: Энергия, 1975
. Шнеерсон
Э. Линейные преобразователи аналоговых сигналов в электрических аппаратах автоматики.
- Чебоксары: ЧГУ, 1990
. Шнеерсон
Э. Нелинейные преобразователи аналоговых сигналов в электрических аппаратах
автоматики. - Чебоксары: ЧГУ, 1989 . Никитин
А.А. Микропроцессорные реле: Конспект лекций. Чебоксары: Учебный центр «Лидер»,
2002
3.
Функциональная схема МП системы
Описание МП системы
Работа МП К1816ВЕ31 с памятью
, который подается на вход OE (разрешение выходов), будет иметь низкий уровень, а
- высокий. При записи данных в ОЗУ сигнал
, напротив, будет иметь низкий уровень.
(строб чтения команды из внешней памяти программ), который
подается на вход OE будет иметь низкий уровень.
Работа МП с клавиатурой и индикацией.
и
. Выбор БИС КР580ВВ55 производиться по низкому уровню сигала
и
, а регистр ИР22 сохраняет информацию при
высоком уровне на входе С.
Работа с дискретными входами и кнопками управления.
Работа со светодиодными индикаторами и выходными реле.
и
, в нем защелкивается двоичный шести
разрядный код, поступающий по шине данных от МП. Каждый разряд этого кода
соответствует реле либо светодиодному единичному индикатору, поэтому их
состояние зависит от значения кода.
4.
Условно графическое обозначение
К1816ВЕ31
, мА
, мА
, В
, В
, пФ
АЦП AD7892
Регистр КР1554ИР23
, мА
, мА
, В
, В
, пФ
, пФ
, мкА
, мкА
Дешифратор КР1554ИД7
Мультиплексор КР590КН6
,
. Емкость управляющего входа 7пФ, аналогового входа 10 пФ,
аналогового выхода 20пФ. Максимальное управляющее напряжение низкого уровня
0,8В. Максимальное управляющее напряжение высокого уровня 16,5В. Максимальный
коммутируемый ток 20мА. УГО приведено на рис. 4.5, а назначения выводов и
режимы работы в соответствующих таблицах.
5.
Синтез схем дешифрации адресов
Дешифрация БИС ОЗУ
Дешифрация БИС ПЗУ
Дешифрация БИС 580ВВ55
Дешифрация БИС 1554ИР23
Дешифрация БИС AD7892
,
. УГО приведено на рис. 4.8, а назначения выводов, режимы работы и
основные параметры в соответствующих таблицах 4.8.1, 4.8.2 и 4.8.3.
, мА
, мА
, В
, В
, пФ
, пФ
, мкА
, мкА
, мА
, мА
, В
, В
, пФ
, пФ
, мкА
, мкА
Программируемый адаптер КР580ВВ55
, мА
, мА
, В
, В
, пФ
, пФ
ПЗУ К573РФ41
ОЗУ К537РУ17
и
, а регистр ИР22 сохраняет информацию при высоком уровне на входе С.
Поэтому, применена схема 2ИЛИ, если на входе два лог 0.
и
. Выбор БИС КР580ВВ55 производиться по низкому уровню сигнала
.
, который подается на вход
(разрешение выходов), будет иметь низкий уровень, а
- высокий. При записи данных в ОЗУ сигнал
, напротив, будет иметь низкий уровень.
, который подается на вход
будет иметь низкий уровень.
7.
Описание внешней памяти программ
, который подается на вход
будет иметь низкий уровень.
и
имеют уровень лог нуля и сигнал на
имеет уровень лог единицы, то данные
ячейки памяти, адрес которой выставлен на адресных входах, передаются на
выходы. Когда сигналы
и
имеют уровень лог единицы то выходы находятся в состоянии
высокого импеданса. Это предусмотрено для более гибкого управления подключенными
шинами.
или
вместе с высоким на
инициируют байт записи. Адрес ячейки
защелкивается по фронту 1/0 сигнала
(или
); новые данные фиксируются по 0/1-фронту.
Перед записью микросхема выполняет само-отчистку.
выход, который может использоваться для определения конца цикла
записи.
1/0 фронтом определяет конец цикла
записи.
и
.
![]()
9.
Временные диаграммы


мкА
мкА
мкА
![]()
500пФ
![]()
80мкА
![]()
100пФ
![]()
80мкА
11.
Расчет элементов схемы
Светодиоды сигнализации
по ряду Е24.
Выходные контактные реле
- номинальный ток реле;
- номинальное напряжение реле;
- сопротивление обмотки реле;
- номинальное потребление мощности;
- статический коэффициент передачи тока в схеме с общим
эмиттером;
- напряжение насыщения БЭ перехода транзистора;
напряжение логической единицы на выходе ИР23;
из ряда Е24.
, что не ниже номинальной мощности.
Семисегментные индикаторы
, прямое падение напряжения на сегменте индикатора
, выходное напряжение низкого уровня
выходов микросхемы КР1554ЛН2
, выходной ток низкого уровня выходов микросхемы КР1554ЛН2
.
, максимальное напряжение эмиттер-коллектор
, статический коэффициент передачи тока
, напряжение насыщения база-эмиттер
, напряжение насыщения коллектор-эмиттер
.
и
, где
- напряжение источника питания +5В, получим:
Схема сброса
;
- постоянная времени RC -
цепочки, которая равна времени гарантированного сброса ОМК;
Дискретные входы
по ряду Е24.
Аналоговые входы
Расчет входных трансформаторов тока
- коэффициент трансформации;
Тл - индукция в сердечнике;
- напряженность поля;
- максимальный ток;
- допустимый длительный ток;
- плотность тока;
- магнитная проницаемость материала сердечника;
(
) - угловая погрешность;
;
;
;
;
;
- диаметр провода с изоляцией;
- коэффициент заполнения катушки проводом.
;
, которому соответствует
, который предварительно и принимаем при
расчетах, имея ввиду, что при диаметре большем данного мы создаем некоторый
запас в габаритах из-за большого коэффициента заполнения при большем диаметре.
Принимаем:
. Для нашего случая это - ШЛ 8×8.
- толщина поперечного сечения сердечника;
- ширина поперечного сечения сердечника;
- площадь поперечного сечения сердечника;
- длина магнитной силовой линии;
- средняя длина витка обмотки;
- ширина обмоточного окна;
- высота обмоточного окна.
.
.
.
.
.
.
.
.
, то возможность его применения определяем
из допустимой плотности тока, по выражению:
, что значительно меньше
Расчет входных трансформаторов напряжения
- коэффициент трансформации;
ВА - выходная мощность;
Тл - индукция в сердечнике;
- напряженность поля;
- максимальное напряжение;
- допустимое длительное напряжение;
- плотность тока;
- магнитная проницаемость материала сердечника;
- коэффициент, характеризующий соотношение между входной и
выходной мощностями;
.
;
;
;
;
;
;
.
;
- диаметр провода с изоляцией;
- коэффициент заполнения катушки проводом.
;
;
.
по следующему выражению:
()
- толщина поперечного сечения сердечника
- ширина поперечного сечения сердечника
- площадь поперечного сечения сердечника
- длина магнитной силовой линии
- средняя длина витка обмотки
;
.
![]()
то расчет на минимальные габариты не обеспечивает заданную
точность и необходим выбор ПТН по следующему критерию:
- критерий обеспечения заданной точности.
, а
;
- толщина поперечного сечения сердечника;
- ширина поперечного сечения сердечника;
- площадь поперечного сечения сердечника;
- длина магнитной силовой линии;
- средняя длина витка обмотки;
- ширина обмоточного окна;
- высота обмоточного окна.
;
.
;
;
.
;
- площадь обмоточного окна занимаемого первичной обмоткой
- площадь поперечного сечения провода;
,
- диаметр и коэффициент заполнения катушки проводом
соответственно.
,
.
;
- расчетный коэффициент трансформации;
- реальный коэффициент трансформации;
- активное сопротивление приведенной первичной обмотки;
- индуктивное сопротивление намагничивания;
,
- ширина обмоточного окна 1-й и 2-й катушки соответственно;
Расчет активных полосовых фильтров
. Амплитуда выходного сигнала равна
. Коэффициент затухания для фильтра
Баттерворта 2-го порядка
.
;
,
,
определяются из системы:
;
;
;
,
,
;
,
,
.
;
;
;
Список
литературы