Выходное напряжение U прямо пропорционально изменению от температуры транзистора (рисунок 2.44).

Рис. 2.44. Зависимость напряжения от температуры для прямосмещенного p-n перехода, снятая при постоянном токе
Например, для кремниевого перехода, работающего при токе 10 мкА, температурная чувствительность равна 2,3 мВ/°С. Для схемы на рисунке 2.43 рекомендуется работать при токе 100 мкА. Тогда при Е = 5 В и U ≈ 0,6 В сопротивление R = 44 кОм. Благодаря простоте и низкой стоимости транзисторные ЧЭ получили довольно широкое применение. Такие ЧЭ методом диффузии формируются на мембранах кремниевых датчиков давления для компенсации температурной зависимости пьезоэлектрических ЧЭ.
50. Простой Дроссельный электромагнитный ЧЭ
51. Дифференциальный дроссельный ЧЭ
53.Магнитоупрогий ЧЭ для измерения силы
54.Индукционный ЧЭ
Электромагнитные чувствительные элементы
Общим для всех электромагнитных ЧЭ является наличие катушки и магнитопровода. Схема простого дроссельного электромагнитного ЧЭ приведена на рисунке 2.26.

Рис. 2.26. Электромагнитный ЧЭ
Магнитная цепь ЧЭ с катушкой 2 содержит ферромагнитную часть, включающую магнитопровод 1 и подвижный сердечник 3, и воздушный зазор. Индуктивность катушки 2 определяется формулой
,
где N – число витков в катушке 2, ZM – магнитное сопротивление.
,
где RM – активная составляющая магнитного сопротивления, XM – реактивная составляющая магнитного сопротивления.
,
где lM и l0 – длина силовых линий в магнитопроводе и воздухе соответственно, SM и S0 – площадь поперечного сечения магнитопровода и воздушного зазора соответственно, μ0 – магнитная проницаемость воздушного зазора, μ – относительная магнитная проницаемость магнитопровода.
,
где P – потери в магнитопроводе на частоте ω, обусловленные вихревыми токами и гистерезисом, Ф – магнитный поток в магнитопроводе.
Из приведенных формул следует, что индуктивность можно изменять, воздействуя на длину l0 или площадь поперечного сечения S0 воздушного участка 4 магнитной цепи, а также на магнитную проницаемость μ или на потери в магнитопроводе.
Простой дроссельный ЧЭ на рисунке 2.26 характеризуется изменением индуктивности ΔL катушки при перемещении ΔX подвижного сердечника 3 или повороте Δα подвижного сердечника 3 относительно неподвижного магнитопровода 1. Однако функция преобразования такого ЧЭ нелинейна, близка к гиперболической. Существенное уменьшение нелинейности достигается при дифференциальном включении двух одинаковых катушек, изображенных на рисунке 2.27, при котором перемещение сердечника 3 вызывает увеличение индуктивности одной катушки и уменьшение индуктивности в другой.

Рис. 2.27. Дифференциальная дроссельная система ЧЭ
Дифференциальный дроссельный ЧЭ отличается вдвое большей чувствительностью и уменьшением нелинейности функции преобразования.
Для электромагнитного дроссельного ЧЭ типичные значения на частоте 5 кГц: индуктивности L ≈ 5 мГн, реактивного сопротивления XM ≈ 150 Ом, активного сопротивления RM ≈ 20÷200 Ом. Рабочее перемещение ΔX ≈ 0,01÷10 мм.
Чувствительные элементы, преобразующие перемещение ΔX подвижного сердечника 3 в изменение индуктивности ΔL, называют индуктивными.
Индуктивный ЧЭ с подвижным ферромагнитным сердечником плунжерного типа изображен на рисунке 2.28.

Рис. 2.28. Дифференциальный ЧЭ плунжерного типа
Катушки 2 и 3 размещены на пластмассовом каркасе 4. Внутри катушек 2 и 3, включенных дифференциально (встречно), перемещаются плунжер 1 из ферромагнитного материала. Перемещение ΔX плунжера вызывает изменение индуктивностей катушек. Данный ЧЭ имеет разомкнутую магнитную цепь, поэтому его чувствительность ниже по сравнению с дроссельным. Кроме того, между катушками 2 и 3 имеет место взаимная индуктивность, что также влияет на чувствительность. Взаимную связь катушек можно существенно уменьшить, располагая катушки на Е-образном ферромагнитном магнитопроводе. Основное преимущество ЧЭ плунжерного типа состоит в возможности измерения перемещений ΔX до нескольких десятков мм.
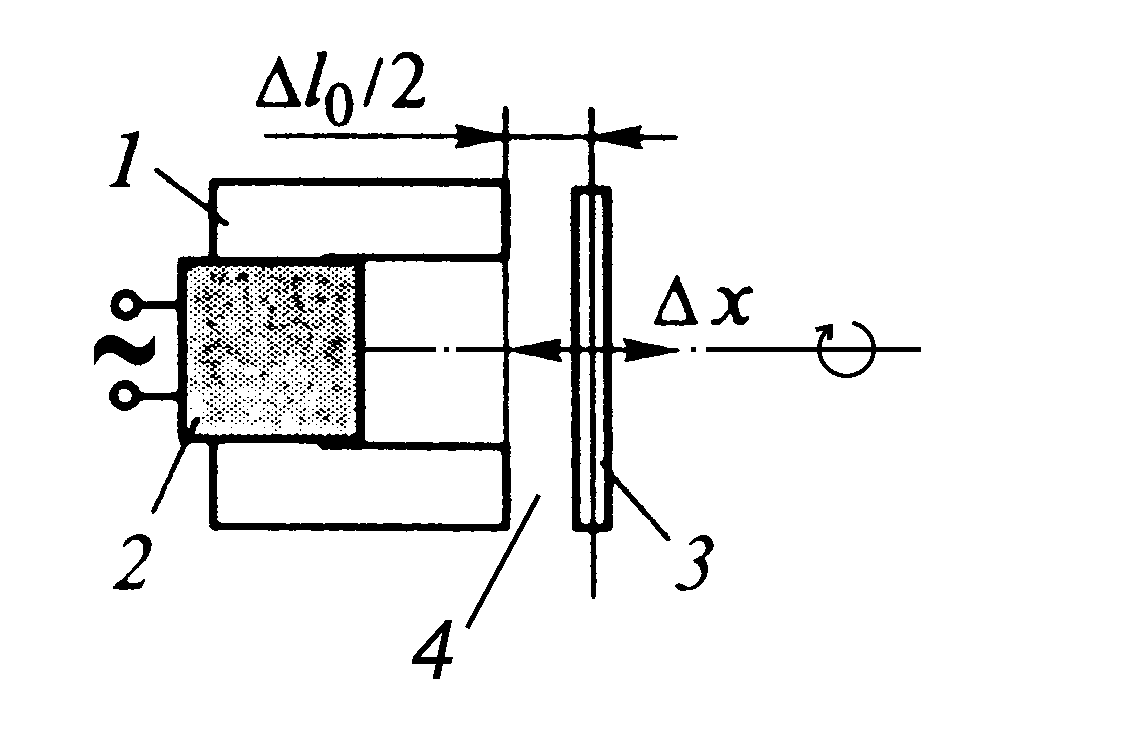
На рисунке 2.29 показан ЧЭ токовихревого типа, в котором изменение индуктивности катушки происходит вследствие изменения расстояния от нее до проводящего тела.

Рис. 2.29. Токовихревой ЧЭ
Измерение расстояния Х между быстровращающимся диском 2 из немагнитного материала и катушкой 1, питаемой переменным током, основано на использовании размагничивающего влияния вихревых токов, генерируемых магнитным потоком катушки в диске 2, на величину индуктивностей катушки. Токовихревые ЧЭ используются при построении датчиков для бесконтактного контроля линейных размеров, толщины покрытий, обнаружения трений, царапин и других дефектов. При этом важно, что магнитное поле проникает через немагнитные материалы до измеряемого объекта.
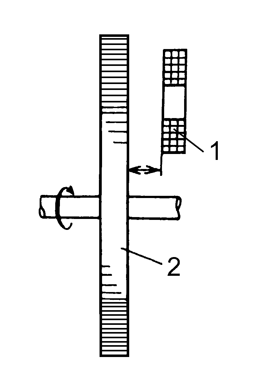
Работа магнитоупругого ЧЭ, показанного на рисунке 2.30, основана на изменении магнитной проницаемости μ ферромагнитного магнитопровода в зависимости от возникающего в нем механического напряжения.

Рис. 2.30. Магнитоупругий ЧЭ для измерения силы F
Магнитопровод 1 из магнитострикционного материала образует замкнутую цепь. Катушка 2 размещена в окне магнитопровода. Катушка питается переменным током, величина которого выбирается из условия обеспечения заданной магнитной проницаемости μ. Воздействие механического напряжения на петлю гистерезиса магнитопровода, выполненного из материала с отрицательной магнитострикцией (никель), показана на рисунке 2.31.

Рис. 2.31. Части гистерезисных петель для механически нагруженного никеля
Кривые показывают, что при возрастании напряжения σ уменьшается остаточная индукция B, а следовательно и μ. Изменение магнитной проницаемости Δμ/μ для различных материалов составляет 0,5÷3 %. При этом индуктивность L = N2 / RM = N2 · S/l · μ = K · μ, т.е. пропорциональна μ. Магнитоупругие ЧЭ используются при изготовлении датчиков для измерения силовых факторов и обеспечивают большую мощность выходного сигнала.
Как отмечалось ранее при рассмотрении дифференциального ЧЭ плунжерного типа с двумя катушками (рисунок 2.28), между катушками имеет место взаимная индуктивность, которая может быть выражена формулой:
,
где N1 и N2 – число витков катушек.
Чувствительные элементы, преобразующие измеряемую величину X в уменьшение взаимоиндуктивности M, принято называть трансформаторными. Схема трансформаторного ЧЭ показана на рисунке 2.32.

Рис. 2.32. Схема дифференциального трансформаторного ЧЭ плунжерного типа
Катушки размещены в ферромагнитном цилиндре 1 (магнитный экран). Вторичные обмотки включены встречно для того, чтобы получить нулевой сигнал на выходе при ΔX = 0. Плунжер 2 обеспечивает связь катушек через магнитный поток, который создается первичной обмоткой (катушкой). Величина взаимной индуктивности определяется величиной ΔX перемещения плунжера 2 (ферритовый сердечник). При нейтральном (симметричном) положении плунжера 2 (ΔX = 0) напряжение на выходе равно нулю. Смещение ΔX плунжера относительно нейтрального положения приводит к появлению выходного сигнала.
Закон электромагнитной индукции Фарадея лежит в основе функционирования индукционных ЧЭ и констатирует, что ЭДС, индуцированная в катушке, имеющей N витков, равна
,
где Ф – магнитный поток, сцепленный в катушке. Формула показывает, что напряжение e может быть получено либо за счет движения источника магнитного поля (магнит, катушка), либо изменением тока в катушке, либо изменением ориентации источника магнитного поля по отношению к катушке. На рисунке 2.33 показан индукционный ЧЭ, где напряжение e получается за счет движения катушки.

Рис. 2.33. Индукционный ЧЭ генераторного типа
Цилиндрическая катушка 1 перемещается в кольцевом зазоре магнитопровода 2. Цилиндрический постоянный магнит 3 создает в кольцевом зазоре постоянное радиальное магнитное поле. Катушка при перемещении пересекает линии магнитного поля, и в ней возникает напряжение, пропорциональное скорости перемещения. Индукционные ЧЭ используются при изготовлении датчиков скорости линейных и угловых перемещений и ускорений (виброметры, акселерометры).
Гальваномагнитные эффекты – Холла и магнитно-резистивный – имеют широкие возможности применения для обнаружения магнитных полей и определения положения и перемещения объектов.
Эффектом Холла называется явление, связанное с возникновение поперечной разности потенциалов в пластине, помещенное в магнитное поле, если в продольном направлении этой пластины протекает электрический ток. Схема Холловского ЧЭ приведена на рисунке 2.34.

Рис. 2.34. Пластина Холла
Внешнее магнитное поле имеет магнитную индукцию B, в продольном направлении пластины протекает ток I, на боковые стороны пластины нанесены электроды, с которых снимают напряжение Холла Uх. При движении электронов q внутри пластины, помещенное в магнитное поле В, возникает отклоняющая сила F, смещающая электроны к краю пластины. При этом одна из сторон становится более отрицательно заряженной, чем другая. Поэтому возникает поперечная разность потенциалов – напряжение Холла, знак и амплитуда Uх зависят как от величины, так и от направления магнитного и электрического полей:
![]()
где RX – эффективная толщина полупроводникового слоя, I – ток, B · sinα – составляющая индукции внешнего магнитного поля, перпендикулярная плоскости пластины. Самым распространенными материалами для изготовления пластины Холла являются полупроводниковые структуры на базе GaAs, InAs, InSb и др. Для них Rx ≈ 105 см3/Кл. Если I = const, α = const, то
ΔUx = Sx·ΔB,
где Sx = Rx · I / h – чувствительность элемента Холла.
Возникновение Ux является малоинерционным процессом, поэтому в диапазоне средних и высоких частот ЧЭ Холла можно считать практически безынерционным.
В зависимости от кристаллической структуры материала пластины заряды могут быть отрицательными, либо положительными, что определяет полярность Ux.
Магнитно-резистивный эффект – изменение сопротивление полупроводника или металла в магнитном поле. Схема пермаллоевого ЧЭ приведена на рисунке 2.35

Рис. 2.35. Пермаллоевый ЧЭ
Пермаллоевая пленка изменяет свое сопротивление в зависимости от взаимной ориентации тока I и внешнего магнитного поля B. Магнитное поле B поворачивает вектор намагниченности M пленки на угол β. При этом сопротивление пленки R = R0 + ΔR · cos2β,
где R0 – исходное сопротивление пленки при отсутствии магнитного поля, ΔR – приращение сопротивления пленки при действии внешнего магнитного поля.
Чувствительность пермаллоевых ЧЭ примерно в 200 раз выше чувствительности
Пьезоэлектрические ЧЭ генераторного типа основаны на использовании прямого пьезоэлектрического эффекта, заключающегося в появлении электрических зарядов на поверхности некоторых кристаллов под влиянием механических напряжений. Пьезоэлектрическими свойствами обладают кварц, сегнетова соль, турмалин, ниобат лития, пьезокерамики: титанат бария, титанат свинца, цирконат свинца и др.
Физическая природа пьезоэффекта показана на рисунке 2.36 на примере кварца.

Рис. 2.36 Кристаллическая ячейка пьезоэлектрика и пьезоэлектрический ЧЭ
Кристаллическая ячейка содержит атомы Si и кислорода O2. В ячейке можно выделить три оси: X – электрическая ось; Y – механическая ось; Z – оптическая ось.
В исходном состоянии без приложения механических напряжений (рисунок 2.36, а) ячейка электрически нейтральна.
Если вдоль оси X приложена внешняя сила Fx, кристаллическая решетка деформируется (рисунок 2.36, б), происходит перераспределение зарядов и на поверхностях А и Б кристалла появляются поляризационные заряды. Это явление называется продольным пьезоэффектом.
При положении силы Fy вдоль оси Y (рисунок 2.36, в) на поверхностях А и Б кристалла появляются поляризационные заряды противоположных знаков. Это явление называется поперечным пьезоэффектом
При приложении силы вдоль оси Z или гидростатическом сжатии кристалла поляризационные заряды не образуются.
Поляризационный заряд пропорционален силе, приложенной, например, вдоль оси X:
,
где d – коэффициент пропорциональности, пьезомодуль, Кл/Н.
Для сбора электрических зарядов к кристаллу прикрепляют электроды (рисунок 2.36, г). Такой ЧЭ напоминает конденсатор, в котором в качестве диэлектрика выступает сам кристалл – генератор зарядов. Напряжение на обкладках ЧЭ зависит от расстояния между ними и изменяется при любых вариациях последнего. Это обстоятельство позволяет использовать пьезоэлектрические ЧЭ в датчиках силы, давления, вибрации. Пьезоэлектрические ЧЭ являются знакочувствительными, т.е. знак заряда изменяется при замене сжатия на растяжение.
Однако пьезоэлектрический эффект не применим для стационарных и медленно изменяющихся внешних механических напряжений, поскольку вследствие ограниченной величины сопротивления изоляции ЧЭ заряд постепенно стекает с поверхностей А и Б кристалла.
57.Емкостные ЧЭ