Омическое сопротивление проводника, обладающего длиной l, площадью сечения q и удельным сопротивлением материала , определяется по известной формуле
R = l/q,
Как видно, изменение сопротивления может быть вызвано изменением удельного сопротивления, длины или площади сечения проводника. Все три возможности используют в конструкциях чувствительных элементов.
52.Резистивный ЧЭ для измерения влажности
Резистивные ЧЭ относятся к пассивным и преобразуют внешние воздействия в изменение сопротивления, определяемого по формуле:
,
где ρ, l, S – удельное электросопротивление, длина и сечение проводника соответственно.
Удельное сопротивление ρ зависит от изменения температуры:
,
где ρ0 – удельное сопротивление при эталонной температуре (обычно 25 ˚C).
Для построения резистивных датчиков температуры используются термисторы, платиновые и медные чувствительные элементы.
При механическом напряжении металлической нити ее сопротивление изменяется, т.к. при удлинении нити её площадь поперечного сечения уменьшается при постоянном объеме. Это свойство называется тензоэффектом.
Отношение
называется тензочувствительностью,
которая показывает, насколько относительное
изменение сопротивления превосходит
его относительную деформацию.
Использование тензоэлементов в датчиках основано на законе Гука:
,
где σ, Е – напряжение и модуль Юнга соответственно.
После преобразования получим:
,
где К – постоянный коэффициент.
Удельное сопротивление резисторов, выполненных из гигроскопичных материалов, зависит от количества влаги, поглощаемой им. Такие резисторы называют гигристорами и они используются в датчиках влажности.
При попадании на поверхность материала света изменяется удельное сопротивление материала. Это свойство называется фотоэффектом. Явление фотоэффекта используется в фоторезисторах, используемых в оптических датчиках.
Чувствительные элементы подразделяются на реостатные с большим изменением сопротивления и тензорезисторы с малым изменением сопротивления.
Реостатные ЧЭ преобразуют перемещение датчика, связанного с измеряемым объектом, в сопротивление R. Схема реостатного ЧЭ показана на рисунке 2.23.

Рис. 2.23. Реостатный проволочный ЧЭ с переменной высотой каркаса
На каркас 1 из изоляционного материала намотана с равномерным шагом проволока 2. Изоляция проволоки на верхней грани каркаса зачищается, и по металлу проволоки скользит щетка 3. Добавочная щетка 5 скользит по токосъемному кольцу 4. Обе щетки изолированы от приводного валика 6.
Реостатные преобразователи выполняются как с проводом, намотанным на каркас, так и реохордного типа. Чаще всего применяют провода из манганина, константана или фехраля. В очень ответственных случаях, когда требования к износостойкости контактной поверхности особенно высоки или когда контактные давления очень малы, применяют провод из сплава платины с иридием (90% Pt + 10% Ir). Добавка иридия к платине увеличивает твердость и прочность последней, повышает кислотоупорность, антикоррозийность и износостойкость. Удельное сопротивление этого сплава равно ρ = 0,23 мкОм·м. Платиноиридиевый провод выпускается весь малых диаметров (до 0,03 мм), что позволяет выполнять высокоомные (до нескольких тысяч омов) преобразователи массой всего 10-12 г и габаритов порядка 1 х 2 см. Хорошими параметрами обладают также преобразователи из проводов, изготовленных из сплавов платины с палладием, рубидием, рутением, осмием.
Провод реостата должен быть покрыт либо эмалью, либо слоем окислов, изолирующих соседние витки друг от друга.
Движок (щетка) выполняется либо из 2-3 проволок, изготовленных из сплава платины с иридием или из платины с бериллием, либо в виде пластинчатых щеток из серебра или фосфористой бронзы. В случае проволочных щеток контактное усилие должно быть порядка 0,003–0,005 Н, а в случае пластинчатых 0,05–0,1 Н. Контактная поверхность намотанного провода полируется, ширина контактной поверхности движка должна быть равна двум-трем диаметрам провода.
При работе реостатного преобразователя в условиях вибраций применяют щетки из проволок различной длины (от точки крепления до точки контактов) или из пластин с двумя-тремя надрезами. Этим обеспечивается разная собственная частота вибраций отдельных частей щетки.
Каркас реостатного преобразователя обычно выполняется из текстолита или пластмассы, применяются также каркасы из алюминия, покрытого или изоляционным лаком, или оксидной пленкой толщиной до 10 мкм, обладающей достаточно хорошими изоляционными свойствами. Алюминиевый каркас, сохраняя стабильность геометрических размеров, позволяет также за счет лучшей теплопроводности повысить плотность тока в обмотке и, следовательно, увеличить чувствительность преобразователя. Формы каркасов очень разнообразны: они могут быть в виде плоской или цилиндрической пластины, плоского или цилиндрического кольца, плоского сегмента и т.д.
Индуктивное и емкостное сопротивления реостатных преобразователей весьма малы, и их можно не принимать во внимание до частот порядка нескольких десятков тысяч герц.
В ряде случаев применяются функциональные реостатные преобразователи с нелинейным распределением сопротивления вдоль каркаса. Последнее достигается, например, изменением высоты каркаса, шунтированием части линейного реостата постоянными сопротивлениями, применением намотки с переменными шагом, намотки отдельных участков каркаса проводами разного диаметра или проводами с разными удельными сопротивлениями.
При работе реостатного ЧЭ возникает контактный шум, вызванный нестабильностью контактного сопротивления, который растет вследствие износа, загрязнения и окисления дорожки и щетки.
Реостатные ЧЭ характеризуются сопротивлением R = 0,2 ÷ 0220 кОм, мощностью P = 0,5 ÷ 0,2 Вт, погрешностью δ = (0,01 ÷ 0,3) %.
Применяются реостатные ЧЭ в датчиках положения и перемещения.
Тензорезисторы преобразуют механическую деформацию в малое изменение сопротивления. Внешний вид тензорезисторов показан на рисунке 2.24.

Рис. 2.24. Проволочный и фольговый тензорезисторы
На тонкую бумагу или пленку 1 наклеивается тензочувствительная проволока диаметром около 0,025 мм. К концам проволоки присоединяются выводные проводники 3. Сверху наносят слой лака 4.
Такой тензорезистор, будучи прикрепленным к тензодетали 5, воспринимает деформации её поверхностного слоя.
Разновидность тензорезисторов – фольговые – представляют собой травленую фольгу толщиной 0,005-0,025 мм с выводами 7.
Применяются также пленочные и полупроводниковые тензорезисторы. При изготовлении фольговых и пленочных тензорезисторов можно предусмотреть любой рисунок. Наилучшими эксплуатационными характеристиками обладают фольговые тензорезисторы, имеющие малую поперечную чувствительность и хорошую температурную стабильность. Полупроводниковые тензорезисторы при очень большой тензочувствительности (около 100) обладают нелинейной функцией преобразования и высокой температурной чувствительностью.
Сравнительная характеристика тензорезисторных ЧЭ дана в таблице 2.2.
|
Модель |
Тип |
Относитель-ная дефор-мация Δl/l в % |
Тензо- чувстви-тельность S |
Рабочий ток I, мА |
Размеры, мм |
|
|
Длина |
Ширина |
|||||
|
КТД-2А (Россия) |
Полупроводниковый |
0,1 |
100 |
10 |
2 |
0,7 |
|
КТЭ-7Б (Россия) |
>> |
0,1 |
100 |
10 |
7 |
0,7 |
|
КФ-5, ФКПА (Россия) |
Фольговый |
0,2 |
3 |
30 |
11 |
5 |
|
LG11 0,6/120 (Германия) |
>> |
0,5 |
2 |
12 |
5 |
3 |
|
Вт 356 (Россия) |
Проволочный |
0,6 |
2 |
50 |
15 |
10 |
Широкое применение тензорезисторов объясняется малой массой и размерами, простотой изготовления и низкой стоимостью, линейностью преобразования, практической безынерционностью.
Гигристоры преобразуют изменение влажности в изменение сопротивления. Внешний вид гигристора и его функция преобразования показаны на рисунке 2.25.

Рис. 2.25. Гигристор для датчиков влажности
Типовой гигристор состоит из подложки, на которую методом трафаретной печати нанесены два встречно-штыревых электрода, покрытые гигроскопичным электропроводным полупроводниковым гелем. Гель, как правило, состоит из гидроксиэтилцеллюлозы, нонилфенилполиэтиленгликольэфира и других органических веществ с не менее экзотичными названиями с добавлениями углеродного порошка. Этот гель тщательно перемешивается до образования однородной массы. Другой тип гигристоров изготавливается из пленки хлорида лития (LiCl) и связующего вещества. Подложка погружается в гель с контролируемой скоростью до тех пор, пока не заполнит всё пространство между электродами. Подложка с нанесенным покрытием подвергается термоотверждению, проводимому при определенной температуре и влажности.
Зависимость сопротивления гигристора от влажности имеет нелинейный характер.
Электрическое сопротивление металлов и большинства сплавов зависит от температуры, поэтому на их основе разработаны чувствительные элементы для измерения температуры. На рисунке 2.38 показан резистивный ЧЭ температуры.

Рис. 2.38. Резистивный ЧЭ температуры
Тонкая металлическая проволока или лента 1 наматывается на каркас 2 из керамики, слюды, кварца, стекла или пластмассы. Для изготовления резистивных ЧЭ применяют платину, медь или никель. Для большинства практических целей и в узких диапазонах изменения температуры можно считать зависимость сопротивления проволоки 1 от температуры линейной:
,
где Rt – сопротивление проволоки при температуре t, R0 – сопротивление при 0 °С, α – температурный коэффициент сопротивления (ТКС).
Резистивные ЧЭ выполняются также напылением металлического слоя на изолирующую подложку, обычно керамическую или стеклянную. Платина чаще всего применяется в термометрах сопротивления из-за её высокой стабильности и линейности изменения сопротивления с температурой. Платиновые ЧЭ используются для измерения температуры от -260 до +1100 °С. Медь используется, в основном, для измерения низких температур в диапазоне от -50 до +200 °С. Никель используется в недорогих датчиках для измерения в диапазоне от -50 до +250 °С, однако широко не применяется из-за нестабильной и нелинейной функции преобразования.
Резистивные ЧЭ, изготовленные из керамических полупроводников, называются термисторами. Термисторы имеют большое значение либо положительного, либо отрицательного ТКС и бывают в форме диска, трубки, шарика, пластины или тонкого слоя, нанесенного на керамическую подложку. Термисторы обладают нелинейной зависимостью сопротивления от температуры, что позволяет использовать их лишь в узком диапазоне температур. Высокая чувствительность, малые размеры, низкая стоимость позволяет использовать термисторы в различных датчиках для измерения температуры от -100 до +300 °С.
Для сравнения ни рисунке 2.39 приведены температурные зависимости сопротивления термистора и медного ЧЭ.

Рис. 2.39. Функция преобразования медного ЧЭ и термистора
Кривая 2 соответствует термистору, а кривая 1 – медному резистивному ЧЭ.
Термоэлектрический ЧЭ основан на термоэлектрическом эффекте и представляет собой цепь из двух разнородных проводников или полупроводников. На рисунке 2.40 представлена цепь, содержащая два разных проводника A и B.

Рис. 2.40. Схема термоэлектрического ЧЭ
Места
соединений проводников 1 и 2 называются
спаями. Если температуры спаев t
и t0
не равны, то в цепи протекает ток. При
размыкании цепи на ее концах может быть
измерена термоЭДС. При небольшой разницы
температур t
и t0
термоЭДС
можно считать пропорциональной разности
температур:
,
где k
- чувствительность термопарного
соединения. ТермоЭДС зависит от природы
проводников и температуры спаев. В
измерительной технике термоэлектрические
ЧЭ обычно называют термопарами. Спай,
погруженный в объект измерения
температуры, называют рабочим спаем
(концом), а спай вне объекта называют
свободным спаем (концом). Схема измерения
термоЭДС показана на рисунке 2.41.

Рис. 2.41. Схема включения измерительного прибора в цепь термоэлектрического ЧЭ
Рабочей спай 1 погружен в объект с температурой t, а два свободных спая 2 и 3 подключены проводом C к измерительному прибору 3. Температура свободных спаев t0. Измерение температуры t возможно лишь при достаточно точно известной температуре t0. Создаваемая термопарами ЭДС сравнительно невелика: она не превышает 8 мВ на каждые 100 °С и обычно превышает 70 мВ.
Несмотря на то, что любые два проводника создают в паре между собой термоЭДС, лишь ограниченное число термоэлектродов используется для создания термоэлектрических ЧЭ.
К материалам термоэлектродов предъявляется ряд требований: однозначная и близкая к линейной зависимость термоЭДС от температуры, жаростойкость и механическая прочность с целью измерения высоких температур; химическая инертность; термоэлектрическая однородность материала проводника по длине, что позволяет восстанавливать рабочий спай без переградуировки, а также менять глубину его погружения; технологичность изготовления с целью получения взаимозаменяемых по термоэлектрическим свойствам материалов: дешевизна и, наконец, наиболее существенное – стабильность и воспроизводимость термоэлектрических свойств, что позволяет создать стандартные градуировки. Ни один из существующих в настоящее время материалов не удовлетворяет полностью всем требованиям. Экспериментальным путем были подобраны пары металлов, которые в наибольшей степени подходят для измерения температуры, обладая высокой чувствительностью, временной стабильностью, устойчивостью к воздействию внешней среды. Это, например, пары металлов хромель-аллюмель, медь-константан, железо-константан, платина-платина/родий, рений- вольфрам. Каждый тип подходит для решения определенных задач. На рисунке 2.42 показаны термоЭДС для стандартных термопар в широком температурном диапазоне.

Рис. 2.42. Зависимость термоЭДС стандартных термопар от температуры
Тип Т: Сu и константан. Устойчивы к коррозии. При работе на воздухе в агрессивной среде используется до 370 °С из-за окисления медного элемента.
Тип J: Fe и константан. Работают в вакууме, в инертных, окислительных и восстановительных средах при температурах до 500 °С. При температурах свыше 540 0С начинается процесс окисления железного элемента.
Тип Е: Хромель и константан. Температурный диапазон -200..900 °С. Работают в окислительных и инертных средах.
Тип К: Хромель-аллюмель. Работают в окислительной и инертной средах в диапазоне -200..1300 °С. Наиболее распространенный тип благодаря высокой чувствительности и стабильности.
Тип R и S: Платина-платина/родий. Работают в окислительной, нейтральной средах и в вакууме.
Современные технологии позволяют изготавливать тонкопленочные термопары на основе соединения двух пленочных разновидных металлов толщиной порядка 5 мкм. Тонкая плоская термопара образует плотный тепловой контакт с поверхностью измеряемого объекта.
При использовании в интегрированных датчиках пары материалов наносят на поверхность полупроводниковых подложек. Поскольку кремний обладает высокой чувствительностью термопарного соединения, на его основе изготавливают высокочувствительные термоэлектрические ЧЭ.
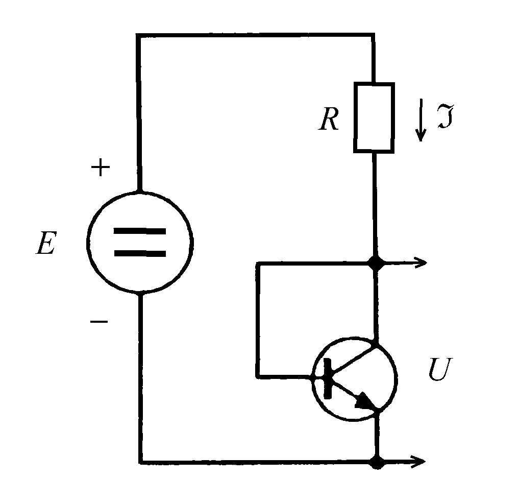
Характеристики полупроводникового р-n перехода в диодах и биполярных транзисторах сильно зависит от температуры. Это свойство используется при изготовлении полупроводниковых ЧЭ на основе p-n перехода. На рисунке 2.43 показана схема ЧЭ на основе прямосмещенного p-n переходе транзистора.

Рис. 2.43. ЧЭ на основе прямосмещенного p-n перехода