Материал: Цех по производству ребристых плит

Внимание! Если размещение файла нарушает Ваши авторские права, то обязательно сообщите нам

.2.10 Окна

В здании принято остекление с деревянными переплётами

ОК-2 ПГОС - 12.30 СТБ 939-93

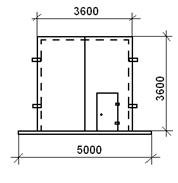
1.2.11 Ворота и двери

Для пропуска средств напольного транспорта в наружных стенах промышленного здания устроены ворота. В проектном здании приняты ворота размером 3,6х3,6 м. По конструктивному решению ворота распашные с неметаллическими полотнами. В полотнах ворот предусмотрены калитки для пропуска людей. В здании предусмотрена отмостка из асфальтобетона шириной 1 м и i=3° Для въезда транспорта в цех предусмотрен пандус размером 5 х 2 м и уклоном 1:10. Ворота подобраны по серии ТУ36-1965-66

ВП-1-С-кдп-Рп-лк-36-36 СТБ 1394-2003


1.2.12 Наружная и внутренняя отделка

Таблица 6

Ведомость отделки помещений

Наименование или номер помещения

Вид отделки элементов интерьера

Прим


Колонны

S, м2

Стены

S, м2



Известковая побелка

605,8

Штукатурка кирпичных стен

148,45





Известковая побелка

11326





Затирка

3235



С наружной стороны стены покрыты фактурным слоем цементно-песчаного раствора М100, толщиной 20 мм., который был выполнен в заводских условиях.

2. Спецификация сборных железобетонных изделий и конструкций

Таблица 7

Спецификация сборных железобетонных изделий и конструкций

Поз

Обозначение

Наименование

Кол.

Масса ед., т

Прим

Фундаменты

Ф-1

Серия КЭ-01-52

БФ 18.15.18-3АІV Н

33

4,3


Ф-2


ФБМ 18.20.18-3АІV Н

3

9,1


Ф-3


БФ 18.15.18-3АІV Н

6

4,3

ФБ-1

Серия 1.415.1-2

3БФ 51

22

1,4


ФБ-2


3БФ 43

12

1,3


Колонны

К-1

Серия КЭ-01-49

К7.2-2АІV

30

2,6


К-2


К7.2-2АІV

9

2,7


К-3


КФ7,3-2АІV

12

1,8


Стропильные и подстропильные фермы

СФ

Серия 1.463-3

5ФСБ24-14 АІІІВ

30

18,2


ПСФ


1ФСП12-ЭК7

6

11,3


Стеновые панели

1

Серия 1.432-14

ПНС 60.18.3,0-6.Л

192

4,12


2


ПНС 635.18.30

24

4,45


3


ПНС 30.18.3,0-6.Л

36

2,06


4


ПНС 15.18.3,0-6 Л

16

1,03


Плиты покрытия

П-1

Серия

ПКР 60.30.30

180

2,65


П-2


ПКР 60.30.30

28

1,68



Для зенитно-точечного фонаря

3. Антикоррозионная защита

Современные методы борьбы с коррозией предусматривают комплекс мероприятий на всех стадиях производства, применения и эксплуатации металлических изделий.

Для защиты металлических конструкций применяют следующие методы защиты от коррозии.

Механическая защита предусматривает изоляцию деталей подверженных коррозии от внешней среды. На строительной площадке и на заводе для предохранения армокаркасов предусматривают защитный слой бетона. Существует также способ металлизации, когда детали покрывают тонким слоем другого металла путем электролиза, либо погружают деталь в ванну с другим расплавленным металлом.

В заводских условиях для элементов проектируемого здания используем легирование. Легирование - это введение в металл легирующих добавок, которые повышают коррозионную стойкость сплава. Так, введение меди и хрома (менее 1%) повышает сопротивление, стали коррозии. Высокой стойкостью к коррозии обладают высоколегированные нержавеющие стали, которые содержат до 20% различных легирующих добавок.

При эксплуатации используем лакокрасочные покрытия, которые позволяют получить на поверхности конструкций плотную пленку, которая изолирует металл от воздействия окружающей среды. Металлические поверхности окрашивают синтетическими эмалями, лаками, цветными нитроэмалями, красками на основе растительных масел и др. Перед нанесением любого вида покрытия поверхность металла очищают от ржавчины, окалины и обезжиривают.

4. Охрана окружающей среды

В городах стран СНГ сконцентрировано более 75% основных фондов народного хозяйства и сосредоточена основная часть промышленных предприятий. Промышленные территории занимают в отдельных случаях до 40-50% городских территорий.

Во избежание воздействия вредных выделений промышленных предприятий на селитебной территории города и на другие предприятия следует соблюдать необходимые санитарные разрывы и создавать озеленённые санитарно-защитные зоны. В зависимости от выделения вредностей и условий тенологическ5ого процесса, а также с учётом проведения мероприятий по очистке выбросов в атмосферу промышленные предприятия в соответствии с СН 245-71 делят на пять классов, соответственно которым устанавливаются размеры санитарно-защитных зон.

Специфика организации санитарно-защитных зон в сложившихся городах определяется, с одной стороны, градостроительными условиями размещения промышленного предприятия, с другой - историческими особенностями планировки и застройки самих городов. Первый фактор определяет в основном конфигурацию и площадь территории санитарно-защитных зон, второй - функциональное содержание территории, отчуждаемых под защитные зоны.

Литература


1. П.Г. Буга «Гражданские, промышленные и сельскохозяйственные здания» Москва «Высшая школа» 1987 г.

2.      Е.Г. Кутухтин «Конструкции промышленных и сельскохозяйственных зданий».

.        И.А. Шерешевский «Конструкции промышленных зданий и сооружений», Москва,2005г

.        ГОСТ 21.501-93 «Правила выполнения архитектурно строительных чертежей».

.        ГОСТ 21.100-93 «Основные требования к рабочей документации».

.        ГОСТ 21.101-93 «Основные требования к рабочей документации»

.        ГОСТ Методические рекомендации по оформлению и составлению пояснительной записки для курсовой работы

.        ГОСТ 21.501-93 «Правила выполнения архитектурно-строительных рабочих чертежей»

.        СНБ 1.03.02-96 «Состав порядок разработки и согласование проектной документации в строительстве»

.        СНиП 2.09.01-85 «Производственные здания».

.        СНиП 201.01-82 «Строительная климатология и геофизика».

.        Каталог сборных ж/б изделий и конструкций для промышленного строительства.