Министерство образования Республики Беларусь
Учреждение образования
Светлогорский государственный индустриальный колледж
Специальность 2-70 02 01
«Промышленное и гражданское строительство»
КУРСОВАЯ РАБОТА
по дисциплине: «Гражданские и промышленные здания»
Тема:
Цех по производству ребристых плит
Разработал Коропенко С.В.
Группа ЗС-15-10
г. Светлогорск, 2012 г.
Содержание
Ведомость документов
Введение
. Промышленные здания
.1 Характеристика здания
.1.1 Объемно-планировочное решение здания и ТЭП к нему
.2 Конструктивные решения здания
.2.1 Фундаменты
.2.2 Фундаментные балки
.2.3 Колонны
.2.4 Стропильные и подстропильные фермы
.2.5 Стены
.2.6 Покрытие (кровля)
1.2.7 Фонари
1.2.8 Деформационные швы и связи
.2.9 Полы
.2.10 Окна
.2.11 Ворота и двери
.2.12 Наружная и внутренняя отделка
. Спецификация сборных железобетонных изделий и конструкций
. Антикоррозионные мероприятия
. Охрана окружающей среды
Литература
Ведомость документов
|
Обозначение |
Наименование |
Прим. |
|
|
Задание на курсовую работу. Пояснительная записка к КР |
|
|
КР 2-70 02 01.04.15.10-АС |
Фасад 1-15; план на отметке 0,000; продольный разрез 1-1; поперечный разрез 2-2; узлы и детали |
Лист 1 |
|
КР 2-70 02 01.04.15.10-АС |
Схема расположения колонн, подкрановых балок, стропильных и подстропильных ферм; фундаментов и фундаментных балок; плит покрытия; план крыши; узлы |
Лист 2 |
Введение
Задачи, решаемые белорусскими строителями - ускорение социально-экономического развития страны, неразрывно связаны с совершенствованием строительства и строительной техники. Введение новых типов сборных конструкций и эффективной технологии, их монтажа позволяет обеспечить рост производства в строительстве. В 2006 году темп роста производства продукции промышленности строительных материалов в целом по стране достиг 114%, при прогнозе на год 109,5-111%. Увеличен выпуск таких строительных материалов, как цемент (110,9%), стеновые строительные материалы (119,7%), сухие строительные смеси (125,6%), сантехнические керамические изделия (130,9%). Все это обеспечило необходимые условия для ритмичной работы строительных организаций.
Внедряются новые прогрессивные методы организации труда и строительства. Совершенствуются формы и методы управления капитальным строительством. Производительность труда работников, занятых на строительно-монтажных работах и в подсобных производствах, в январе-ноябре 2006 года по сравнению с аналогичным периодом 2005 года возросла на 9,7%.
Промышленные предприятия делят на отрасли производства, которые являются составной частью народного хозяйства. Они состоят из промышленных зданий и сооружений, которые предназначены для осуществления производственно-технологических процессов, прямо или косвенно связанных с выпуском определенного вида продукции. Независимо от отрасли промышленности, здания подразделяют на: основание, подсобно производственные, складские, энергетические, транспортные и вспомогательные. Здания должны удовлетворять следующим основным требованиям: функциональным, техническим, архитектурно-художественным, экономическим, противопожарным и индустриальным
Проектируемое здание «Цех по производству ребристых плит» расположено на территории свободной от застройки. Район строительства - город Могилёв, относится ко второму климатическому району. Температура наиболее холодных суток - 31°С, с обеспеченностью 0,92; наиболее холодной пятидневки - 26°С, с обеспеченностью 0,92. Глубина промерзания грунтов - 130 см. Уровень грунтовых вод - ниже подошвы фундамента. Грунты - суглинок. Грунтовые воды - не агрессивные. Снеговая нагрузка - 0,8 кПа, ветровая нагрузка - 0,23 кПа.
По огнестойкости здание относится к I степени, по долговечности - II степень.
1. Промышленные здания
.1 Характеристика здания
.1.1 Объемно-планировочное решение здания и ТЭП к нему
По конфигурации цех имеет прямоугольную форму с размерами в осях А-В-48,00 м; 1-14-78,00 м. Шаг средних колонн - 12 м. Шаг крайних колонн - 6 м. Количество шагов - 13. Ширина пролета - 24 м. Количество пролетов - 2. В здании предусмотрен подвесной кран грузоподъемностью - 0,25 т. Высота до низа несущей конструкции покрытия - 7,20 м. Высота здания 12,60м.
Здание образованно продольными и поперечными рамами. Продольные рамы состоят из колонн, подстропильных ферм и связей. Поперечные - из колонн, стропильных ферм. Пространственная жесткость промышленного здания обеспечивается совместной работой продольных и поперечных рам, а так же устройством вертикальных и горизонтальных связей. В качестве вертикальных связей приняты крестовые и портальные связи, установленные между колоннами. Функцию горизонтальных связей выполняют железобетонные ребристые плиты покрытия, соединенные с несущими конструкциями покрытия и с замоноличенными стыками между плитами
Несущей конструкцией покрытия является ферма безраскосная.
В проектируемом здании приняты стеновые панели из легких бетонов толщиной 300 мм, покрытые с наружной стороны фактурным слоем цементно-песчаного раствора толщиной 20мм.
Запроектирован фундамент столбчатый стаканного типа. По верху фундамента под самонесущие стены предусмотрены фундаментные балки таврового сечения.
Остекление с деревянными переплётами.
Предусмотрены зенитно-точечные фонари. В здании приняты распашные ворота с неметаллическими полотнами размером 3,6 х 3,6 м.
Технико-экономические показатели объемно планировочного и конструктивного решения:
. Площадь застройки = 4030 м ²
2. Строительный объем = 50778 м ³
3. Полезная площадь = 3744м ²
4. Рабочая площадь = 3596,5 м ²
К1 = S раб. / S пол. = 0,96
К2 = V стр. / S раб. = 14,12
.2 Конструктивные решения здания
.2.1 Фундаменты
Заливка стаканов после устройства колонн производится бетоном марки 200 на мелком гравии.
Фундаменты подобраны по серии КЭ-01-52
Фундамент под колонну сечением
400х400 мм
Ф-1 БФ 18.15.18-3АІV Н СТБ 1076-97
Размеры сечения подколонника 900х900 мм
Размеры стакана: глубина 800 мм
в плане по низу 500х500 мм
по верху 550 х 550 мм
а х в = 1800 х 1500 мм
С 8/10 (Мб 100)
Vб = 1,8 м
m = 2,3 т
H = 1800 мм
Фундамент под колонны в
деформационных швах
Ф-3 БФ 18.15.18-3АІV Н СТБ 1076-97
Размеры сечения подколонника 900х900 мм
Размеры стакана: глубина 800 мм
в плане по низу 500х500 мм
по верху 550 х 550 мм
а х в = 1800 х1500мм
С 8/10 (Мб 100)
Vб = 1,8 м
m = 2,3 т
H = 1800 мм
Ф-2 ФБМ 18.20.18-3АІV Н СТБ 1076-97
Размеры сечения подколонника 900 х 1400 мм
Размеры стакана: глубина 800 мм
в плане по низу 500х500 мм
по верху 550 х 550 мм
а х в = 2800 х 2400 мм
С 8/10 (Мб 100)
Vб = 4,3 м
m = 9,1 т
H =
1800 мм
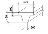
1.2.2 Фундаментные балки
В проектируемом здании под самонесущие стены приняты фундаментные балки таврового сечения, которые опираются на бетонные столбики (приливы). По верху фундаментных балок предусмотрена горизонтальная гидроизоляция из двух слоев изола. У торцов зданий и у температурных швов применяют укороченные балки. Под балку принята подсыпка из крупнозернистого песка. Фундаментные балки защищают пол от продувания в случае просадки отмостки. Крепление фундаментных балок между собой осуществляется за счёт устройства монолитных участков на самом фундаменте.
Фундаментные балки подобраны по серии 1.415.1-2
Расчетная длинна балок:
Lб=L-2(вк/2)-2аз
Lб=6000-2(1200/2)-2х10=4780 мм;
Lб=6000-2(1200/2)-2х10 - 500 =4280 мм.
Имея расчетную длину балок, подбираем их по каталогу.
ФБ-1 3БФ 51 ГОСТ 28737-90
L = 4760 мм
Vб= 0,57 м 3
С 12/15 (Мб 200)
m = 1,4 т
ФБ-2 3БФ 43 ГОСТ 28737-90
L = 4300 мм
Vб= 0,51 м 3
С 12/15 (Мб 200)
m = 1,3 т
.2.3 Колонны
В проектируемом здании приняты колонны квадратного сечения, Колонна крайнего ряда имеет сечение 400×400, а колонны среднего ряда сечение 600×600 мм. Шаг колонн крайнего ряда 6 м, а колонн среднего ряда 12 м. Колонна среднего ряда ниже на 600 мм, чем колонна крайнего ряда. Они устанавливаются в стакан фундамента и замоноличиваются мелкозернистым бетоном М 200. Железобетонные фахверковые колонны сечением 400х400мм, устанавливаются в торцах здания для крепления стеновых панелей.
Колонны армируются сварными или вязаными каркасами. Закладные элементы, заанкеренные в бетон или приваренные, имеются во всех колоннах в местах опирания стропильных конструкций, в крайних колоннах - на уровне швов стеновых панелей, в связевых колоннах - в местах примыкания продольных связей. Низ колонны имеет борозды для жесткого сцепления с бетоном. Колонны подобраны по серии КЭ-01-49
Смотреть узел №1 лист 1.
конструктивный здание железобетонный плита
К-1 К7.2-2АІV СТБ 1178-99 К-2 К7.2-2АІV СТБ 1178-99
H=8100 мм H=8100 мм
А=400 мм А=400 мм
В=500мм В=500мм
V=0,63 м 3 V=0,72 м 3
С 20/25 (М300) С 20/25 (М300)
m=2,6 т m=2,7 т
К-3 КФ84 -2АІV СТБ 1178-99
А=400 мм
В=500мм
V=0,65 м 3
С 12/15 (М200); m=1,8 т
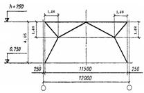
1.2.4 Стропильные и подстропильные фермы
В здании предусмотрены железобетонные безраскосные стропильные фермы длиной 24 м, равной ширине пролета. Они представляют собой составные стержневые конструкции с круговым очертанием верхнего пояса.
Стропильная ферма является несущей конструкцией покрытия, на нее опираются плиты покрытия. Для крепления плит покрытия на верхнем поясе ферм предусмотрены закладные детали с шагом 3 м, в зависимости от ширины плит покрытия. Фермы крепят к колоннам каркаса сваркой закладных деталей и анкерными болтами. Так как шаг стропильных ферм 6 м и шаг колонн среднего ряда 12 м, в здании предусмотрены подстропильные фермы.
Подстропильные фермы перекрывают 12-метровые шаги колонн и образуют промежуточные опоры для расположенных с 6-метровым шагом стропильных конструкций.
Стропильные фермы подобраны по серии 1.463-3
Безраскосная ферма
ФБС 24-14АІІІ В=23940 мм=3300 мм=280 мм=7,3 м3
С 30/37 (Мб500)
т=18,2 т
Подстропильная ферма
ФСП12-3К7=11960 мм=2225 мм=550 мм=4,5 м3
С 40/50 (Мб600)
т=11,3 т
.2.5 Стены
В проектируемом здании приняты стеновые панели из легких бетонов толщиной
300 мм, покрытые с наружной стороны фактурным слоем цементно-песчаного раствора
М100, толщиной 20 мм. Горизонтальные и вертикальные швы заполняются гернитом, а
с наружной стороны дополнительно мастикой - типа УМС - 50. Крепление стеновых
панелей к колонам каркаса осуществляют с помощью сварки закладных деталей и
металлическими стержнями. Стеновые панели подобраны по серии 1.432-14 выпуск I. Смотреть узел №4 лист 2
ПНС 60.18.3,0-6.Л
L = 5980 мм
B = 300 мм
H = 1785 мм
С20/25 (Mб 300)
V = 0,21 м3
m = 4,12 т
ПНС 635.18.30
L = 6350 мм
B = 300 мм
H = 1750 мм
С20/25 (Mб 300)
V = 2,93 м3
m = 4,45 т
ПНС 30.18.3,0-6.Л
L = 2980 мм
B = 300 ммH = 1785 мм
С20/25 (Mб 300)
V = 1,45 м3
m = 2,06 т
ПНС 15.18.3,0-6 Л
L = 1480 мм; B = 300 мм; H = 1785 мм
С20/25 (Mб 300)
V = 0,82 м3
m = 1,03 т
.2.6 Плиты покрытия
В качестве покрытия в здании приняты железобетонные ребристые плиты покрытия размером 3х6 м с утеплителем из минераловатных плит марки ПС 200, толщиной 100 мм и двухслойной кровли.
Кровля в здании рулонная, состоит из двух слоев биполикрина марки К-СТ-БЭ-К/ПП-4,5.
Крепление плит покрытий осуществляется с помощью сварки закладных деталей
расположенных на стропильной ферме через 3 м. Швы заделывают мелкозернистым
бетоном марки М200.
П-1 ПКР 60.30.30 СТБ 1383-2003= 5970 мм; B = 2980 мм; H = 300 мм
С 20/25 (Mб 300)б = 1,07 м 3= 2,65 т
П-2 ПКР 60.30.30 СТБ 1383-2003
L = 5970 мм; B = 2980 мм; H = 300 мм
С 20/25 (Mб 300)
Vб = 0,91 м 3
m = 2,00 т
В здании предусмотрен внутренний организованный водоотвод, состоящий из водоприемных воронок, водосточных труб, собирающих и отводящих воду в ливневую канализацию.
Привязка воронок к координационным осям:
Количество воронок

1.2.7 Фонари
Для обеспечения верхнего освещения производственных площадей в здании предусмотрены зенитно-точечные фонари. Они состоят из стального стакана трапециевидного сечения, установленного над отверстием в покрытии; деревянной опорной рамы, заведённой в верхнюю часть стакана, и светопроницаемого ограждения в виде двухслойных куполов или сводов. Теплоизоляционные свойства покрытия сохраняются за счёт герметизированной воздушной прослойки, расположенной между оболочками из оргстекла.
Водоотвод
с фонарей запроектирован наружный. В местах стекающей с фонаря воды, для защиты
покрытия, предусмотрена гравийная засыпка по мастике. Фонари подобраны по серии
1.464-10
1.2.8 Деформационные швы и связи
Во избежание появления в стенах здания трещин от неравномерной осадки здания или от возникающих усилий в элементах каркаса при температурных и других воздействий, устраивают деформационные швы. В проектируемом здании предусмотрены температурные швы. Температурные швы образованы двумя рядами колонн. Их устраивают в местах примыкания температурных блоков и разделяют здание до обреза фундамента.
В
середине каждого блока устраивают вертикальные связи между колоннами. В данном
здании при шаге колонн 12 м устраивают портальные связи, а при шаге колонн 6 м
- крестовые, которые приваривают к закладным частям колонн с помощью косынок.

Портальные
связи
Крестовые связи
.2.9
Полы
Таблица 4
Экспликация полов
|
Тип пола |
Схема пола или тип пола по серии |
Данные элементов пола (наименование, толщина, основание и др.), мм |
Площадь, м2 |
|
1 |
2 |
3 |
4 |
|
Бетонный |
|
2890,56 |
|
|
|
|
2. Бетонная подготовка h =100 мм |
|
|
|
|
3. Уплотненный грунт |
|