Материал: Бетоносмесительная машина СБ-10В

Внимание! Если размещение файла нарушает Ваши авторские права, то обязательно сообщите нам

Бетоносмесительная машина СБ-10В

СОДЕРЖАНИЕ

Введение

Обоснование и выбор машины

Описание конструкции и работы машины

Расчет производительности

Расчет мощности

Расчет кинематической схемы привода

Техническое обслуживание

Техника безопасности

Заключение

Библиографический список


ВВЕДЕНИЕ

Бетоны и строительные растворы представляют собой искусственные материалы, получаемые из смеси, состоящей из вяжущих веществ (цемента, извести) и заполнителей (щебня, гравия и песка).

В результате химической реакции между вяжущими веществами и водой образуется цементный (известковый) камень, заполняющий пространство между щебнем и песком. В качестве заполнителей широко применяют и легкие материалы: шлак, пемза, керамзит.

Приготовление бетонной смеси или строительного раствора заключается в том, чтобы путем механического перемешивания из различных компонентов получить однородную смесь с равномерным распределением отдельных зерен и обволакиванием их вяжущим веществом.

Для приготовления бетонных и растворных смесей применяют смесительные машины различной конструкции, основным узлом которых является смесительный барабан (чаша) определенной вместимости.

ОБОСНОВАНИЕ И ВЫБОР МАШИНЫ

Бетон и строительные растворы представляют собой искусственные каменные материалы, получаемые в результате затвердевания смеси, состоящий из вяжущих веществ, воды и заполнителей (щебня, гравия и песка). В качестве вяжущего вещества в бетонах применяют цемент, а в растворах - цемент или известь (или то и другое вместе). Вяжущие вещества и вода составляют активную часть бетона или раствора. В результате химической реакции между ними образуется цементный или известковый камень, прочно сцепляющийся с заполнителями. Заполнители (инертная часть) образуют жесткий скелет и в химических реакциях не участвуют. Приготовление бетонной смеси или строительного раствора заключается в том, чтобы путем механического перемешивания из различных компонентов получить однородную смесь с равномерным распределением отдельных зерен и обволакиванием их вяжущим веществом. Качество смеси определяется точностью дозировки компонентов и равномерностью их распределения между собой по всему объему смеси. Для равномерного распределения компонентов смеси между собой в общем объеме замеса частицам материала сообщаются траектории движения с наибольшей возможностью их пересечения. Смешивание компонентов в однородную смесь является достаточно сложным технологическим процессом, который зависит от состава смеси, ее физико-механических свойств, времени смешивания и конструкции смешивающего устройства. Для приготовления бетонных и растворных смесей применяют смесительные машины, основным узлом которых является смесительный барабан (чаша) определенной вместимости. Процесс приготовления смесей состоит из ряда последовательно выполняемых операций: загрузки в смесительную машину отдозированных компонентов -вяжущих и заполнителей, перемешивания компонентов с добавлением определенной дозы воды и выгрузки из машины готовой смеси бетона или раствора.[5]

Смесительные машины классифицируются:

По назначению - на бетоносмесители для приготовления бетонных смесей и растворосмесители для приготовления растворных смесей (строительных растворов);

По способу перемешивания материалов в смесительном барабане с перемешиванием при свободном падении материалов (гравитационные) и с принудительным перемешиванием;

По характеру работы - периодического (цикличного) и непрерывного действия;

По форме смесительного барабана -- с грушевидным, двухконусным, чашевидным и корытообразным с лопастными горизонтальными валами;

По способу установки - на передвижные и стационарные.

По характеру работы различаются смесительные машины периодического (цикличного) и непрерывного действия. В смесителях цикличного действия (рис.1) перемешивание компонентов и выдача готовой смеси осуществляется отдельными порциями. Каждая новая порция компонентов бетона или раствора может быть загружена в смеситель лишь после того, как из него будет выгружен готовый замес. Смесители цикличного действия обычно применяют при частой смене марок бетонных смесей или растворов. В них можно регулировать продолжительность смешивания.[9]

В смесителях непрерывного действия (рис.2) загрузка компонентов, их перемешивание и выдача готовой смеси осуществляется одновременно и непрерывно. Отдозированные компоненты непрерывным потоком поступают в смеситель и смешиваются лопастями при продвижении от загрузочного отверстия к разгрузочному. Готовая смесь непрерывно поступает в транспортные средства. Смесители непрерывного действия наиболее целесообразно применять для приготовления больших объемов бетонной или растворной смеси одной марки.[5]

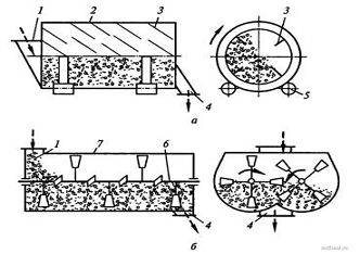
Рис.1. Принципиальные схемы смесителей цикличного действия (стрелками указано направление движения материалов): а - гравитационных (барабанных); б - принудительного действия с вертикально расположенными смесительными валами (тарельчатых); в - принудительного действия с горизонтально расположенными смесительными валами (лотковых) - вверху одновальные, внизу двухвальные; 1 -положение смешивания; ll - положение разгрузки; 1- барабан (корпус); 2 - лопасти; 3 - смесь; 4,6 - разгрузочное и загрузочное отверстия; 5 - центральный стакан.

Рис.2. Принципиальные схемы смесителей непрерывного действия: а - гравитационные; б - принудительного действия; 1 - загрузочное отверстие; 2- барабан; 3 - лопасти; 4 - разгрузочное отверстие; 5 - опорные ролики; 6 - лопастной вал; 7 - корпус; ? - направление вращения барабана или смесительного механизма; - ? - направление движения материалов.

Главным параметром смесительных машин цикличного действия является объем готового замеса (л), выданный за один цикл работы, а смесителей непрерывного действия - объем готовой продукции (, выдаваемой машиной за 1 час работы.[6]

По принципу смешивания компонентов различают со смешиванием при свободном падении материалов - гравитационные с принудительным смешиванием (принудительного действия). В смесители принудительного действия орбиты составляющих имеют вынужденный характер, в гравитационных - свободный. Гравитационный смеситель вращается относительно горизонтальной или наклонной (под углом до  оси барабана с лопастями на внутренней поверхности (рис. 1, а; 2, а). Лопасти непрерывно подхватывают и поднимают компоненты смеси на определенную высоту, при достижении которой они свободно падают потоком с лопастей под действием силы тяжести; смешивание происходит в результате столкновения падающих потоков компонентов. Во избежание возникновения центробежных сил, препятствующих свободной циркуляции смеси внутри барабана, частота его вращения обычно не превышает 0,3…0,4 . В смесителях с принудительным смешиванием компоненты смеси принудительно перемешиваются в неподвижном барабане или чаще горизонтальными, наклонными или вертикальными лопастными валами или лопастным ротором, вращающимися внутри смесительной емкости. Смесители с горизонтальными смесительными валами называют лотковыми (рис. 1, в), с вертикальными валами - тарельчатыми (рис.1, б).[9]

Рассмотрим смесительные машины гравитационного действия СБ-103 и СБ-10В.

Бетоносмеситель СБ-103 входит в комплект оборудования бетонных заводов и установок и бетоносмесительных цехов заводов железобетонных изделий. Бетоносмеситель состоит из рамы, опорных стоек, смесительного барабана, траверсы, привода вращения барабана и пневмоцилиндра для опрокидывания барабана. [1]

Рисунок 1.1- Бетоносмеситель СБ-103

Бетоносмеситель СБ-10В входит в комплект оборудования бетонных заводов и установок и бетоносмесительных цехов заводов железобетонных изделий состоит из рамы со стойками, траверсы с опорными и поддерживающими роликами, загрузочного устройства, зубчатого венца, пневмопривода, смесительного барабана, привода и электрооборудования. Смесительный барабан соединен в середине обечайкой, к которой приварен зубчатый венец. Внутри барабан снабжен футеровкой из износостойкой стали. [1]

Рисунок 1.2- Бетоносмеситель СБ-10В

Рассмотрим сравнительные характеристики обоих машин. Данные приведены в таблице 1.1.

Показатели

СБ-103

СБ-10В

Объем готового замеса, л

2000

800

Вместимость по загрузке, л

3000

1200

Число циклов приготовления бетонной смеси цикл/час

20

20

Наибольшая крупность заполнителя, мм

120

120

Частота вращения барабана,

0,21

0,283

Мощность двигателя вращения барабана, кВт

22

13

Механизм опрокидывания барабана

Пневматический

Гидравлический

Угол наклона барабана, град: при загрузке и смешивание при выгрузке

 15 55

 15 55

Габаритные размеры, мм длина ширина высота масса, кг

 2500 4100 3300 7200

 3200 2600 2530 3850


ОПИСАНИЕ КОНСТРУКЦИИ И РАБОТЫ МАШИНЫ

Гравитационные беносмесители различной конструкции широко применяются для изготовления бетонных и растворных смесей. Преимуществом гравитационных смесителей является простота конструкции и кинематической схемы, возможность работы на смесях с наибольшей крупностью заполнителей (до 120 ... 150 мм), незначительное изнашивание рабочих органов, малая энергоемкость, простота в обслуживании и эксплуатации и низкая себестоимость приготовления смеси. Оптимальное время смешения в таких смесителях составляет 60 ... 90 с, а полный цикл, включая загрузку, смешение, выгрузку и возврат барабана в исходное положение, - 90 ... 150 с.[1]

Бетоносмеситель СБ-10В состоит из рамы со стойками, траверсы с опорными и поддерживающими роликами, загрузочного устройства, зубчатого венца, пневмопрривода, смесительного барабана, привода и электрооборудования. Смесительный барабан соединен в середине обечайкой, к которой приварен зубчатый венец. Внутри барабана снабжен футеровкой из износостойкой стали.

Рисунок 2.1 - Беносмеситель СБ-10В

-электрооборудование; 2,4 - левая и правая стойки; 3 - траверса; 5 -пневмопривод; 6 - рама; 7 - редуктор; 8-смесительный барабан; 9 - ограждение; 10 - загрузочное устройство

Смесительный барабан представляет собой металлическую емкость в виде двух конусов, соединенных цилиндрической обечайкой, внутренняя поверхность которой снабжена футеровкой из сменных листов из износостойкой стали. В барабане на кронштейнах закреплены три передние и три задние лопасти. К цилиндрической обечайке барабана с внешней стороны на прокладках приварен зубчатый венец и к торцу переднего конуса фланец.[1]

Рисунок 2.2 - Смесительный барабан

- крышка; 2,6 - задняя и передняя лопасти; 3 - футеровка; 4 - зубчатый венец; 5 - корпус; 7 - фланец; 8 - кронштейн

Траверса представляет собой сварную конструкцию коробчатого сечения, выполненную в виде полукольца с цапфами на концах. Цапфы с подшипниками закреплены на стойках и служат для поворота смесительного барабана. На траверсе смонтированы опорные и поддерживающие ролики, обеспечивающие вращение и удержание барабана при разгрузке. На наружной стенке левой стойки установлен пневмопривод. На правой стойке находится выводная коробка и два конечных выключателя крайних положений барабана. Опорный ролик, вращающийся в подшипниках, установлен на эксцентриковой оси, позволяющей регулировать положение роликов для нормального зацепления шестерни и зубчатого венца при монтаже и изнашивании роликов. Оси установлены на двух опорах и крепятся к стойке траверсы болтами. Поддерживающие ролики также смонтированы в подшипниках на эксцентриковых осях, позволяющие регулировать зазор между коническими поверхностями зубчатого венца и ролика. Для смещения ролика в осевом направлении предусмотрены регулировочные шайбы.[1]

Пневмокинематическая схема беносмесителя СБ-10В показана на рис.2.3. Включает в себя механический привод вращения барабана и пневматический привод опрокидывания его при разгрузке готовой смеси, возврата и фиксации его в рабочем положении. Электромеханический привод вращения барабана состоит из электродвигателя, соединенного муфтой с зубчатой двухступенчатой передачей, шестерни и зубчатого венца. В пневматический привод опрокидывания барабана входят запорный вентиль, влагомаслоотделитель, воздухораспределитель и пневмоцилиндр, связанный с рычагом опрокидывания барабана (поворота траверсы).[7]

Рисунок 2.3 - Пневмокинематическая схема бетоносмесителя СБ-10В.

- зубчатые колеса; 2 - подшипники качения; 3 - влагомаслоотделитель; 4 - вентиль; 5 - маслораспределитель; 6 - воздухораспределитель; 7 - пневмоцилиндр; 8 - электродвигатель.

В гравитационном смесители СБ-10В все компоненты смеси поступают в смесительный барабан через загрузочное устройство. Перемешивание компонентов в гравитационном смесители СБ-10В происходит в барабане, где исходные компоненты смеси поднимаются во вращающемся барабане, на внутренней поверхности которого жестко закреплены лопасти, и затем под действием силы тяжести падают вниз. Процесс повторяется несколько раз, благодаря чему получается смесь, однородная по составу. После прекращения перемешивания готовая смесь выгружается при наклоне барабана в результате поворота траверсы гидроцилиндром и вращением барабана в определенном направление для эффективной выгрузки готовой смеси из барабан. [2]

РАСЧЕТ ПРОИЗВОДИТЕЛЬНОСТИ

Годовая производительность бетоносмесителя равна 59000 м3. Работа цеха не связана с осуществлением непрерывного процесса, поэтому мы выбрали следующий режим работы цеха: приняли число рабочих суток в году равными 365 за вычетом выходных и праздничных дней при одно сменной работе. Следовательно, число рабочих суток равно 260 при односменной 8-часовом рабочем дне.

Расчет производственной программы цеха был произведен исходя из принятого режима работы цеха и заданной программой предприятия. Результаты расчетов сведены в таблице 3.1.

Таблица 3.1 - Производственная программа Бетоносмеситель

Наименование продукта

Единица измерения

Программа выпуска в



год

сутки

смену

час

Бетон

59000

226,92

226,92

16


Принятая нами бетоносмесительная машина СБ-10В является машиной периодического действия. Для таких машин производительность определяется по формуле:

П=)/1000 (3.1)

где - вместимость смесителя по загрузке, л;

- число замесов в час;

- коэффициент выхода бетонной смеси;

- коэффициент использования смесителя по времени.

Расчет произведен по формуле (3.1):

П.=(1200*20*0,6*0,85)/1000=12,24 м3/ч.

РАСЧЕТ МОЩНОСТИ

Частота вращения барабана гравитационного бетоносмесителя ()

 (4.1)

где R - внутренний радиус цилиндрической части смесительного барабана, м

Исходя из этой формулы можно определить внутренний радиус цилиндрической части смесительного барабана так, как нам известно, частота вращения барабана.

= (0.25….0.35)/ n (4.2)

Используя формулу ( 4.2 ), получим:

===1,029 м

Внутренний диаметр (м) цилиндрической части барабана

= (1, 65….1, 75)* (4.3)

где - вместимость смесителя по загрузке,

Используя формулу (4.3),получим:

=1, 70*=1, 70*1, 06265857= 1, 8065 м

Исходя из этого можно определить внутренний радиус цилиндрической части барабана

=D/2 (4.4)

Используя формулу (4.4), получим:=1.8065/2=0.90325 м

Мощность N(кВт) электродвигателя привода вращения барабана расходуется на подъем материала во вращающемся барабане () и на преодоление сопротивления от трения в опорных механизмах барабана() .

 определяется из условия, что число циркуляций смеси за один оборот барабана равно двум:

=(2,2**R*n)/1000, (4.5)

где 2,2- переводной коэффициент от упрощений исходных выражений;

 - сила тяжести бетонной смеси, Н;- внутренний радиус цилиндрической части барабана, м;- частота вращения барабана

=(*ρ*g*)/1000 (4.6)

где  - вместимость смесителя по загрузке, л;

ρ - плотность бетонной смеси, кг/; для легких бетонов 500….1800; для облегченных бетонов 1800….2200; для тяжелых бетонов 2200….2500;- ускорение силы тяжести, м/;

 - коэффициент выхода бетонной смеси, 0,65….0,70.

Используя формулу (4.6), получим:

=(1200*2400*0,98*0,6)/1000=1693,44 Н

Используя формулу (4.5), получим:

=(2,2*1693,44*1,11209*0,283)/1000=11,725 кВт


=(()*f**ɯ)/1000 (4.7)

где f - коэффициент трения, приведенный к валу подшипника опорного устройства, 0,01….0,015;

 - радиус цапфы опорноговала, м, (0,06….0,08)*R.

=(1,5….1,6)*V (4.8)

где V - вместимость смесителя по загрузке,

Используя формулу (4.8), получим:

=(1,5….1,6)*1200=1860 кН=1860000 Н

Используя формулу (4.7), получим:

=((1693,44+1860000)*0,012*0,072*1,77)/1000=2,84 кВт

Мощность (кВт) электродвигателя привода вращения барабана

= (+)/n, (4.9)

где n - КПД привода, n = 0,75….0,85.

Используя формулу (4.9), получим= (11,725+2, 84)/0, 80=18,211 кВт

Исходя из рассчитанной мощности двигателя, равной 18,211 кВт подбираем двигатель с мощностью 22 кВт.

РАСЧЕТ КИНЕМАТИЧЕСКОЙ СХЕМЫ ПРИВОДА

Кинематическая схема привода бетоносмесителя определяется по данным частот вращения барабана и выбранного электродвигателя и передаточных отношений механизмов.

=….n, (5.1)

где  - общее передаточное отношение привода …., - передаточные отношения отдельных механизмов привода;

, n - частота вращения соответственно электродвигателя и барабана, .

В данной схеме формула (5.1) будет представлена следующим видом:

,     (5.2)

где i0 - общее передаточное отношение;

iред - передаточное число редуктора,равное 31,50;

iпары - передаточное число .

Определим n, используя следующую формулу:

= (ɯ*30)/ᴨ=(1,77*30)/3,14=16,91  (5.3)

Используя формулу (5.1) получим:

=1500/16,91=88,70

Используя формулу (5.2),можно найти передаточное число :

=/

=88,70/31,50 = 2,81

Находим диаметр шестерни:

=/ (5.4)

где  - диаметр барабана;

 - передаточное число.

Используя формулу (5.4) получим:

=1,8065/2,80=0,6451

Подбираем редуктор цилиндрический горизонтальный трехступенчатый вида РМ 650 (рисунок 5.2) и закрытый двигатель серии АОТ2 (рисунок 5.3)

Рисунок 5.2 - Редуктор типа РМ-650

Рисунок 5.3- двигатель серии АОТ2

Типоразмер

Мощность, кВТ

Частота вращения, м-1

КПД, %

АОТ2-72-4

22

1460

1,7

1,0

2,0

90,5


ТЕХНИКА ОБСЛУЖИВАНИЯ

Эксплуатация бетоносмесительных машин следует проводить в соответствии с рекомендациями. Руководства по эксплуатации бетоносмесительных машин.

Периодичность цикла технического обслуживания и ремонта формующего оборудования рекомендуется принимать по таблице 6.1.

Таблица 6.1 - Периодичность технического обслуживания и ремонта

Оборудование

Периодичность технического обслуживания и ремонта, ч


технического обслуживания

текущего ремонта

среднего ремонта

капитального ремонта

Машины для приготовления бетонных и растворных смесей

1000

1500

5500


Эксплуатация машин и оборудования состоит из подготовки их к работе, управления работой, проверки технического состояния, об­служивания и устранения мелких неисправностей в соответствии с инструкцией по эксплуатации, обычно составляемой заводом-изготовителем на основании требований ЕСКД. Выполнение правил и требо­ваний инструкции обеспечивает нормальную работу машины. В ин­струкции, в частности, приводятся общие сведения о машине, указа­ния о ее подготовке к пуску, регулировании и управлении ею, правила обслуживания и устранения неисправностей. Кроме того, указывают­ся меры безопасности.[3]

К эксплуатации и обслуживанию машин и оборудования допускают­ся только специально обученные и подготовленные работники, полу­чившие соответствующие удостоверения. Эти работники должны, кроме того, пройти инструктаж и сдать экзамены по охране труда. В обязанности операторов или другого обслуживающего персонала вхо­дит подготовка машин к работе управление ими и контроль за работой их узлов, своевременное обслуживание: периодическая заправка, смазка, регулировка, очистка, подтяжка крепежных соединений и устранение мелких неисправностей. Оператор отвечает за сохранность и исправность машины и обязан соблюдать меры безопасности.[8]

Техническое обслуживание (ТО) должно обеспечить надежность, долговечность и безопасность эксплуатации машин и обслуживания. Техническое обслуживание регламентируется требованиями Инструк­ции СН 207-68, в которой установлены порядок организации работ ТО, их планирования и учета, нормативы периодичности, трудоемкос­ти и продолжительности для разных категорий строительных машин и оборудования.[4]

ТО состоит из обязательного ежесменного и периодического обслу­живания, выполняемого после отработки машиной определенного (нор­мативного) количества часов независимо от ее технического состояния. ТО выполняется обычно персоналом, который работает на машине, или централизованно - на специальных пунктах и станциях, осна­щенных высокоэффективным оборудованием и имеющих свой пер­сонал.

В процессе эксплуатации бетоносмесительных уста­новок также следует учитывать тяжелые условия работы оборудова­ния и приборов. В частности, сырьевые материалы могут иметь повы­шенную влажность или поступать в виде смерзшихся комков, что мо­жет нарушить работу транспортирующих механизмов, дозаторов и смесителей. При заполнении технологических бункеров нельзя их пе­реполнять и смешивать разные материалы. Особенно тщательно надо следить за работой дозаторов, так как попадание абразивной пыли, остатков материалов, воды и бетона на приборы автоматики вызывает большие погрешности или даже сбои в дозировании составляющих бетонов.[7]

Основные технологические машины - смесители - обычно рабо­тают в этих тяжелых условиях с большой интенсивностью. Для их на­дежной работы надо обеспечить систематическую смазку трущихся узлов, не допуская произвольной замены смазки. Например, примене­ние для подшипников качения среднеплавкого солидола вместо туго­плавкой смазки приводит к выплавлению и вытеканию смазки и быст­рому выходу из строя подшипников. Очень важно систематически очи­щать и промывать водой бетоносмесители, а также разгрузочные лотки и расходные бункеры от остатков бетона, который в противном случае затвердевает, что увеличивает потребляемую мощность и умень­шает полезную емкость смесителей. Надо, кроме того, своевременно заменять изношенные лопатки и лопасти смесителей.[4]

Особое внимание необходимо уделять состоянию электрических цепей и аппаратуры, так как они работают во влажной среде. Рабочие посты должны быть установлены на электроизоляторах.[5]

Состояние электрооборудования и линий заземления должно проверяться перед началом каждой смены.

При его проектировании и монтаже следует особое внимание обратить на выполнение рабочих постов ремонтных площадок трапов, чтобы полностью исключалась возможность падения персонала с высоты и в движущиеся шламовые бассейны и контакта с движущимися частями машин.[6]

При неудовлетворительном уходе за машиной, в частности, при плохой очистке ее барабана в ощутимых пределах уменьшается полезный объем барабана, что снижает производительность, а также повышает расход энергии, так как приходится вращать дополнительные массы. Поэтому в процессе работы через каждые 2 ч и в конце смены нужно промывать барабаны смесителей водой, а гравитационные бетоносмесители водой со щебнем. В конце смены необходимо промывать машины в целом водой из шланга. При мойке машин их электродвигатели должны быть отключены от сети.[8]

ТЕХНИКА БЕЗОПАСНОСТИ

Изготовление бетонных растворов должно производиться с соблюдением мер, обеспечивающих безопасность производственного оборудования и производственных процессов, при создании эффективных средств защиты рабочих в соответствии с требованиями:

ГОСТ 12.1.004-91 «ССБТ. Пожарная безопасность. Общие требования».

ГОСТ 12.1.005-88 «ССБТ. Воздух рабочей зоны. Общие санитарно- гигиенические требования».

ГОСТ 12.1.010-76 «ССБТ. Взрывоопасность. Общие требования».

ГОСТ 12.1.013-78 «ССТБ. Строительство. Электробезопасность. Общие требования».

ГОСТ 12.2.003-91 «ССБТ. Оборудование производственное. Общие требования безопасности».

ГОСТ 12.3.002-75 «ССБТ. Процессы производственные. Общие требования безопасности».

Правила транспортирования и хранения».

Соблюдать указания по технике безопасности.

Перед допуском к выполнению работ все работающие должны пройти инструктаж по технике безопасности.

Рабочие места, проходы и площадки и проезды не должны быть загромождены.

Опасные зоны должны быть ограждены и снабжены световой и звуковой сигнализацией.

На машине или в зоне её работы должны быть вывешены инструкции предупредительные надписи, знаки и плакаты по технике безопасности.

Необходимо, чтобы вокруг бетононасоса был проход шириной не менее 1 м. Движущиеся части машин должны быть в местах возможного доступа к ним.[3]

Запрещается работать на машинах с неисправностями или снятыми ограждениями на движущихся частях. При работе в тёмное или ночное время суток рабочее место или машина должны быть освещены . Электросеть должна иметь хорошую изоляцию. Корпус электродвигателей и машин с электрическим приводом должен быть заземлён

При выполнении транспортных операций необходимо соблюдать правила строповки и перемещения груза в рабочей зоне по ГОСТ 12.3.009-76.[5]

ЗАКЛЮЧЕНИЕ

В результате проделанной работы для производства бетонных растворов была выбрана бетоносмесительная машина СБ-10В благодаря своим конструктивным особенностям, габаритным размерам машины, а также низкой цене по сравнению с другими машинами данного класса. Были произведены следующие расчеты:

Производительность бетоносмесительной машины равна 16 м3/ч, что соответствует программе выпуска бетонных расворов в час согласно принятому режиму работы цеха;

мощность электродвигателя равна 22 кВт;

к данной машине подходит редуктор цилиндрический горизонтальный трехступенчатый вида РМ - 650 и электродвигатель серии АОТ2.

бетоносмесительная машина производительность мощность

БИБЛИОГРАФИЧЕСКИЙ СПИСОК

Борщевский А.А., Ильин А.С. Механическое оборудование для производства строительных материалов и изделий. М.: Высш. шк., 1987.

Бауман В.А., Клаушанцев Б.В., Мартынов В.Д. Механическое оборудование предприятий строительных материалов, изделий и конструкций. М.: Машиностроение, 1984

Лоскутов Ю.А., Шнейдеров А.М., Ямнов О.В. Ремонт оборудования в промышленности строительных материалов. М.: Стройиздат, 1989

Эсплуатация и ремонт оборудования предприятий строительной индустрии / Под общей ред. Гологорского Е.Г. - М.: Стройиздат, 1983

Электронный ресурс:<http://stroy-technics.ru/article/betonosmesiteli-dlya-prigotovleniya-rastvora->

Электронный ресурс: <http://nashaucheba.ru/v58251->

Электронный ресурс:<http://www.vevivi.ru/best/Gravitatsionnyi-betonosmesitel-ref133073.html->

Электронный ресурс:<http://www.bestreferat.ru/referat-278933.html->

Электронный ресурс:http://remoskop.ru/betonosmesitel-gravitacionnogo-tipa.html#1- <http://remoskop.ru/betonosmesitel-gravitacionnogo-tipa.html>


Не нашли материал для своей работы?
Поможем написать уникальную работу Без плагиата!