Материал: Бегущая строка с матричным индикатором

Внимание! Если размещение файла нарушает Ваши авторские права, то обязательно сообщите нам

Бегущая строка с матричным индикатором

КАЗАНСКИЙ НАЦИОНАЛЬНЫЙ ИССЛЕДОВАТЕЛЬСКИЙ ТЕХНИЧЕСКИЙ УНИВЕРСИТЕТ им. А. Н. Туполева











Эскизный проект

по дисциплине: «Современная элементная база РЭС»

на тему: «Бегущая строка с матричным индикатором»

Выполнил Неволин Р.В.

Группа 5671

Руководитель Сухараев А.А.







Казань 2016

АННОТАЦИЯ

В эскизной работе рассмотрен процесс проектирования прибора на базе микроконтроллера. Рассмотрены основные типы микроконтроллеров, а также работа матричного индикатора HCMS-2000. В ходе работы рассчитаны все элементы, разработан чертеж печатной платы и перечень элементов. В устройстве был применен последовательный интерфейс обмена данными.

1. Введение

В рамках данной эскизной работы мне было предложено разработать устройство вывода информации в виде бегущей строки на матричный индикатор. Устройство необходимо выполнить на базе микроконтроллера.

Применение МК можно разделить на два этапа: первый - программирование, когда пользователь разрабатывает программу и прошивает ее непосредственно в кристалл, и второй - согласование спроектированных исполнительных устройств с МК. В данной эскизной работе, безусловно, сначала необходимо разработать структурную схему устройства, затем определиться с элементами, входящими в схему, разработать принципиальную схему и рассчитать номиналы. Затем будет составлен алгоритм работы программы. По разработанной электрической схеме изготавливается конструкторская документация на печатную плату.

Такой подход позволит быстро и качественно спроектировать РЭС на базе микроконтроллера.


2. Анализ устройства


Схема данного устройства должна принимать информацию по последовательному интерфейсу и выдавать её в виде бегущей строки на 16 светодиодных матриц размером 5∙7. С такой задачей может справиться любой современный микроконтроллер. Выбираем для этой цели микроконтроллер intel 80С51. Подробнее о причинах выбора именно этого МК написано в разделе ПЗ «Выбор микроконтроллера».

Для уменьшения и увеличения скорости перемещения бегущей строки в устройстве будут применены две кнопки типа DTS-32 (TC-0121). Для питания контроллера используется маломощный трансформатор и диодный мост RS601. Амплитуда напряжения, подаваемого на плату, должна составлять 6-7В.

В качестве индикаторов выберем матричные индикаторы HCMS-2000, аналоги наших ИПВ70А-4/5Х7К.

Индикаторы питаются от сети +5В, имеют 4 матрицы 5∙7 светодиодов каждая. В индикатор встроен сдвиговый регистр на 28 бит, который хранит логические уровни, подающиеся через драйвер постоянного тока на строки матрицы: 1..7 биты определяют состояние уровней на соответственно 1..7 строках 4 матрицы индикатора, 8..14 биты - на 1..7 строках третьей матрицы и т.д. Для простоты будем считать, что нам нужно выводить в каждый момент времени лишь один столбец из всех матриц всех индикаторов. Для этого в соответствующую область сдвигового регистра соответствующего индикатора (выше они указаны) мы должны поместить один из пяти байтов символа. Точнее, не целый байт, а лишь первые 7 его младших бит. Остальные биты всех сдвиговых регистров (их четыре) зануляем. Далее нам необходимо открыть транзистор соответствующего столбца, и нужные точки (для которых в сдвиговом регистре записаны единицы) загорятся.

Алгоритм работы программы описан в соответствующем разделе ПЗ.

Последовательный порт будет работать в асинхронном 8-ми битовом режиме. Передаются (через TXD) или принимаются (через RXD) 10 бит: старт-бит (логический 0), 8 бит данных (младшим разрядом вперед) и стоп-бит (логическая 1). При приеме, стоп-бит поступает в бит RB8 регистра SCON. Скорость передачи в этом режиме переменная: для управления скоростью передачи можно использовать таймер Т2.


3. Разработка структурной схемы прибора

микроконтроллер индикатор интерфейс матричный

Основным структурным звеном прибора является микроконтроллер. По последовательному порту он получает информацию от устройства ввода. Обработав ее и просканировав кнопки, он должен вывести информацию на индикаторы. Структурная схема прибора следующая:












4. Выбор микроконтроллера


Для данного прибора выберем микроконтроллер Intel 80C51. Этот микроконтроллер имеет классическую гарвардскую архитектуру, то есть данные и команды хранятся и обрабатываются в нем раздельно.

Микроконтроллер Intel 80C51 имеет следующие характеристики:

Состоит из процессорного ядра (CPU), ОЗУ, ПЗУ, последовательного порта, параллельного порта, логики управления прерываниями, таймера и др.

Шина данных - 8-ми битная. Возможность обработки 8 бит данных за одну операцию.

Шина адреса - 16 битная.

Встроенное ОЗУ - 128 байт.

Встроенное ПЗУ - 4 КБ.

Четыре порта ввода/вывода: один двунаправленный и три квазидвунаправленных.

Последовательный интерфейс UART (Универсальный асинхронный приёмопередатчик).

Два 16-битных таймера.

Два уровня приоритета прерываний.

Энергосберегающий режим.

Микроконтроллер производится в корпусе dip40.

Наш микроконтроллер Intel 80C51 построен по CISC-концепции.

Она характеризуется следующим набором свойств:

нефиксированное значение длины команды;

арифметические действия кодируются в одной команде;

небольшое число регистров, каждый из которых выполняет строго определённую функцию.

Эта концепция удобна для программирования микроконтроллера, но она неэффективна с точки зрения производительности. В 90-х годах появились RISC контроллеры, которые используют сокращенный набор команд одинаковой длины. Но они не совсем удобны для программиста и достаточно дороги. Например, это микроконтроллеры Atmel AVR. В нашем простом устройстве вполне достаточно микроконтроллера Intel 80C51.

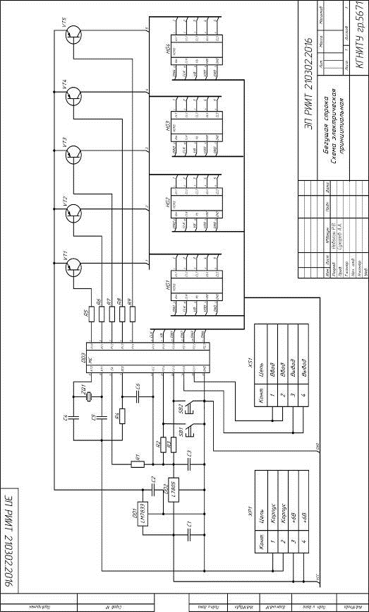
5. Разработка принципиальной схемы. Расчет режимов элементов


К микроконтроллеру 80С51 через последовательный порт (ножки 3.0 и 3.1) подключено устройство ввода и проверки через разъем.

К ножкам VDD и GND через стабилизатор DD2 L7805 подключаем питание. Максимальный ток через стабилизатор L7805 1,5А. Емкости С1 и С3 берем из документации на стабилизатор: С1=0,33мкФ, С3=0,1мкФ. Выбираем конденсаторы КМ5-Н90 напряжением 50В. Конденсатор С2 выбираем по документации на стабилизатор LM7833: С2=0,1 мкФ.

Кнопки SB1, SB2 выбираем типа DTS-32 (TC-0121). Резисторы R2, R3 рассчитываем из условия тока логической единицы I”1” = 0,1 мА:

(5.1)

Мощность через резистор определим как

(5.2)

Выбираем R2, R3 - МЛТ резисторы мощностью 0,125Вт.

Рассчитаем резисторы R5…R9 и транзисторы VT1..VT5.

Максимальный ток через столбец индикатора

        (5.3)

Уровень логической единицы для 80С51 равен 3,2В, логического нуля = 1,4В.

Индикаторы анодами подключены к столбцу, и ток течет от транзистора к индикатору. Используем маломощный pnp транзисторы 2SA1150 фирмы TOSHIBA. Он характеризуется большим коэффициентом усиления по току (h21Э=100…320). Рассеиваемая коллектором мощность 300мВт.

На эмиттер транзистора приходит стабилизированное напряжение +3,3В. Принимаем ток коллектора равным току эмиттера. Напряжение база-эмиттер при токе коллектора 384 мА равно 0,75В (см. рисунок 5.1).

Рисунок 5.1 - зависимость тока коллектора от напряжения база-эмиттер
для 2SA1150

Активным является нулевой логический уровень 1,4В. Напряжение на резисторах R5..R9 найдем как

(5.4)

Ток через базы транзистора найдем через коэффициент передачи тока (рисунок 5.2):

Рисунок 5.2

При токе коллектора 384 мА получаем

    (5.5)

Ток базы:

(5.6)

Сопротивление резисторов:

      (5.7)

Выбираем R5..R9 = 383 Ом по ряду Е48.

Индикаторы, как уже говорилось, выбираем марки HCMS-2000.

Схема работы индикатора HCMS-2000 показана на рисунке 5.3.

Рисунок 5.3 - Внутреннее устройство индикатора HCMS-2000

Сдвиговые регистры включены последовательно; параллельные выходы всех 28 разрядов регистров соединены через усилители токов с 28 входами соответствующих строк, т. е. каждой из 28 строк соответствует разряд регистра и усилитель выходного тока.

На выводах «Гашение» (VB), «Синхронизация» (CLOCK), «Ввод данных» (DIN), «Вывод данных» предусмотрены буферные каскады, что обеспечивает совместимость индикатора с ТТЛ-схемами.

Адресация любого светодиода каждой из четырех матриц производится путем введения логической 1 в соответствующий разряд сдвигового регистра (СР) и подачи напряжения на вывод соответствующего столбца; при этом светодиод будет светиться при наличии логической 1 на входе гашения. Сигнал на входе гашения воздействует одновременно на каждый из формирователей тока схемы управления. Запись информации в СР осуществляется синхронно по отрицательному фронту импульса синхронизации (сигнал синхронизации от внешнего генератора подается на все разряды СР одновременно).

Подавая на вход гашения импульсы различной скважности, можно регулировать силы света СИД (широтно-импульсная модуляция). Использование последовательного ввода и вывода информации позволяет индикаторы типа HCMS-2000 (ИПВ70А-4/5Х7К) применять для набора в строку, с этой целью выход каждого индикатора соединяют со входом последующего индикатора.

Частоту микроконтроллера стабилизируем, используя кварцевый резонатор 4 МГц. Конденсаторы С4 и С5 возьмем КМ5-П33 ёмкостью 30пФ и напряжением 50В. Они используются для более стабильного запуска.

Для подачи тока на транзисторы VT1..VT5 в целях предотвращения помех по питанию будет использоваться отдельный стабилизатор LM7833 на 3,3В с максимальным током 1А. Конденсатор С2 выбирается исходя из документации: С2=0,1мкФ.

Резистор R4 и конденсатор C6 используются для сброса микроконтроллера. Сброс должен происходить при каждом запуске. Он происходит при подаче единичного уровня на вход RESET микроконтроллера в течение нескольких десятков периодов тактового генератора. Чтобы сброс произошел, емкость конденсатора С6 должна быть несколько микрофарад. Кода подается питание, конденсатор разряжен и в процессе его зарядки на вход RESET подана логическая единица. Затем сигнал на входе сброса падает.

Возьмем ёмкость С6 = 4,7 мкФ, R4 = 100кОм.

Резистор R1 подключается ко входу ЕА микроконтроллера. Если на этот вход подана единица, то микроконтроллер работает с памятью программ, расположенной на кристалле.

Ток через R1 порядка 0,1мА. Падение напряжения на R1:

(5.8)

  (5.9)

6. Разработка алгоритма программы


.1 Блок-схема основной программы






































6.2 Подпрограмма сканирования кнопок и изменения начала отсчета таймера



















.3 Подпрограмма обработки прерывания






Описание алгоритма

) С последовательного порта МК загружаем 16 однобайтных символов в ячейки 32…47 ОЗУ.

) Каждому символу соответствует 5-байтный код этого символа из ПЗУ.

) Происходит загрузка кодов имеющихся символов из ПЗУ в ОЗУ последовательно.

) Выводим символы на экран в режиме динамической индикации; после каждого вывода строчки сканируем кнопки и меняем начало отсчета таймера.

) При возникновении прерывания от таймера циклически переставляем ячейки 48…127.

Заключение

В ходе выполнения работы было разработано устройство, считывающее данные по последовательному порту и выводящее символы на экран в виде бегущей строки. Устройство может быть использовано как составная часть настольных часов для вывода текущего времени, даты. Прибор может быть подключен к ПК, а также использоваться для вывода информации от любого устройства, поддерживающего последовательный протокол передачи данных.

Список использованной литературы


1) А.В. Фрунзе Микроконтроллеры? Это же просто! Том 1, «ИД СКИМЕН», 2002;

) Н.Н.Васерин, Н.К.Дадерко, Г.А.Прокофьев Применение полупроводниковых индикаторов - М, «Энергоатомиздат», 1991;

3) Technical Data CMOS 5x7 Alphanumeric Displays HCMS-200X Series.

) #"891796.files/image013.gif">