Материал: Автоматизированная разработка технической документации по эксплуатации и ремонту компонентов визира оптического устройства

Внимание! Если размещение файла нарушает Ваши авторские права, то обязательно сообщите нам

Рассчитываемдеталь «червяк» используя модуль Simulation. Данный модуль предназначается для того, чтобы рассчитать напряженно-деформированное состояние пластинчатых, стержневых, твердотельных и оболочечных конструкций, а также чтобы рассчитатьих произвольные комбинации. Вышеупомянутый модуль Simulation создан таким образом, что собирая все различные конструкции из перечисленных выше макроэлементов можно их рассчитать. По характеру и местоположению внешние нагрузки как и условия закрепления могут быть произвольны.

С помощью данного модуля можнорешить такие задачи, как:

особенности типов анализа;

линейный динамический подразделяется на три подтипа: гармонический, случайные колебания и модальный;

нелинейный динамический;

нелинейный при учете геометрической и физической нелинейности;

для тел и оболочек в нелинейном анализе: гиперупругие, вязкоупругие, пластические и с эффектом памяти своей формы;

в нелинейном статическом анализе используютсяте же материалы, а так же материалы со свойством ползучесть. Модель пластических деформаций и модель больших перемещений поддерживается;

коэффициентдемпфирования можно определить в линейных динамических моделях;

для статической моделидополнением является динамическая модель, со свойствами: скорость, перемещение, ускорение, гармонические нагрузки и спектр возбуждения.

Тип анализа определяет условие модели демпфирования: рэлеевское или модальное.

Соединители виртуальные:

оболочки как тела соединяются болтами с предварительным натяжением;

конечно бесконечно жесткие штифты;

распределенные и сосредоточенные пружины, включающие в себя и такие, как пружины с предварительным натягом;

подшипники роликового и шарикового типов;

точки прикрепления при контактной сварке;

связь граней (жесткая);

твердый стержень.

Сети:

криволинейные оболочки, для каждого слоя которых назначен угол армирования, а так же плоские многослойные анизотропные оболочки;

панели из трех слоев.

Следствие:

становятся доступными параметры динамических эффектов, такие как ускорение, скорость, характеристики спектра;

исходя из значения времени, становится доступным значительное большинство результатов;

кривую отклика возможно получить для многих типов;

возможность анимировать динамический эффект.

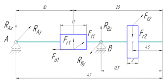
Изображение вала с подшипниками и зубчатым колесом показано на рисунке 28.

Рисунок 28 - Червячный вал

Деформации перемещения вала учитываются при выборе типа расчетной опоры. Они достаточно малы, поэтому при допуске к конструкции опоры хотя бы малого поворота, можно считать данную конструкцию подвижной или шарнирной.

Рассмотреть вал можно как балку с одной шарнирно-неподвижной опорой и одной шарнирно-подвижной или же - с двумя шарнирно - подвижными.

Подшипники 1000093 ГОСТ 8338-75, на которые опирается червяк в нашем механизме на расчетной схеме заменим на опоры шарнирно-подвижные.

Шарнирно-неподвижными опорами показываются подшипники, которые воспринимают исключительнорадиальные нагрузки.

Ниже на рисунке 29 изображена схема нагружения вала.

Рисунок 29 - Кинематическая схема червяка

Через шестерню цилиндрической прямозубой передачи от электродвигателя под названием ДПМ - 20 -Н1 - 08Т ОСТ 160.515.022 - 76 передается вращательное движение. Осевой силы Fa не будет в зацеплении потому, что передача прямозубая.

Электродвигатель имеет следующие характеристики:

. Номинальный вращающий момент равен: T = 1,94 (мНм).

. Вал вращается с частотой: n = 4600 (об/мин.).

. Мощность равна: P = 0,91(Вт).

В червячной передаче движение осуществляется с помощью принципа наклонной плоскости или винтовой пары.

Передаваемые вращающие моменты определим по формулам:

) Исходяиз формулы (3.1) найдем вращающий момент, передаваемый цилиндрическим колесом:


) Передаваемый червяком найдем с помощью формулы (3.2):


Частоту вращения можно вычислить по формуле (3.3):


гдеUц. п.- возьмем передаточное число цилиндрической передачи.

Тогда частоту вращения n2определим:

Определяем мощность червяка P2 по формуле (3.4):


где ηц. п. - коэффициент полезного действия цилиндрической передачи.

Исходя из этого можем найти T2:

Сила в червячных зацеплениях:

Силы взаимодействий колеса и червяка - Fn принимаем сосредоточенных и приложенных к полюсам зацеплений по нормалям к рабочим поверхностям витков. Их задаем с помощью трех взаимно перпендикулярных составляющих: Fr, Fa, Ft.

Силы, которые действуют при зацеплении колеса с валом показаны на рисунке 30.

Рисунок 30 - Сечение червяка в осевой плоскости

) В цилиндрических передачах:

Окружные силы рассчитываем согласно формуле (3.5):


Радиальные силы находим исходя из формулы (3.6):


) В червячных передачах:

Осевые силы находим согласно формуле (3.7):


Окружные силы находим согласно формуле (3.8):


Радиальные силы рассчитываем согласно формуле (3.9):


Вычисляем величину нормальных сил Fn согласно формуле (3.10):


Момент изгиба возникает в месте, где контактируют колесо и червяк. Его рассчитываем согласно формуле (3.11):


Приступив к расчетам, мы заранее выясняем небезопасные сечения вала, подлежащие расчетам. В таком случае учитываем характер изгибающих эпюр, крутящих моментов, а так же место нахождения напряжений и структурная форма вала.

Далее, с помощью среды SolidWorksSimulation проводим расчеты и анализ НДС вала.

D - модель нашего червячного вала приведена на рисунке 31.

Рисунок 31 - 3D - модель червячного вала

Маленькие вырезы создаются на витках червячного вала. Они являются концентраторами напряжений.

Между тремя витками, находящимися по соседству, распределяемнормальную силу Fn так, что половина данной силыприходится на середину, а крайние соседние витки - по 25%.

Заменим радиальные подшипники при расчете жесткой заделкой. Силы, поданные на вал, показаны на рисунке 32.

Рисунок 32 - Вал с приложенными нагрузками и закреплением

Сетка элементов, создаваемая для расчета нашего вала, показана на рисунке 33.

Рисунок 33 - Сетка конечных элементов

Диаграмма напряжений и распределение стандартных усилий показаны на рисунке 34.

Рисунок 34 - Вал и эпюра нормальных напряжений

Определяем давление, которое было приложено к виткам, используя формулу (3.12):


На витках существуют вырезы, S - их площадь.= 0,1741 (Н/мм2);= 0,145 (Н/мм2);= 0,166 (Н/мм2).

Эпюра перемещений изображена на рисунке 35.

Рисунок 35 - Вал и эпюра перемещений

Из диаграммы нормальных усилий можно вывести, что напряжение в месте зацепления червяка с валом не значительные. А из диаграммы перемещений выводим, что витки перемещаются так же не значительно.

Рассчитывая с помощью метода имитационного моделирования детали «вал», мы получили приближенные результаты: запас прочности детали соответствует необходимым значениям.

4. РАЗРАБОТКА ТЕХНОЛОГИЧЕСКОГО ПРОЦЕССА ИЗГОТОВЛЕНИЯ ДЕТАЛИ ВИЗИРА

Промышленное развитие изготовления, его результативность икачественность зависят в основном от степени научно-технического прогресса, внедрения новых станков, машин, иного оборудования, а так же внедрения инновационных методов техническо-экономического анализа.

В характеристику индустриального машиностроительного развития входитне только постоянное улучшение разработки технологического процесса, но и совершенствование конструкций машинных механизмов. Выполнение работы в точно поставленные сроки всегда было важным аспектом процесса изготовления деталей. При этом необходимо использовать максимально производительное оборудование, чтобы выполнить работу, минимизируя затраты.Качество работы изделий, их экономика и эксплуатациязависит во многом от вида выбранной технологии.

4.1 Описание, назначение и конструкция детали

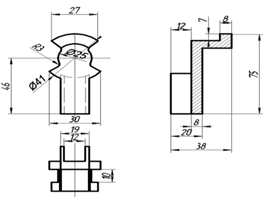
Рассмотрим корпусную деталь «оправа», масса которой равна 0,02 кг. Материалом для ее изготовления служит сплав алюминия Д16ГОСТ4784-97.

Химический состав материала Д16 показан в таблице 1.

Таблица 1 - Химический состав материала Д16 в %

Si

Fe

Al

Ti

Cr

Mn

Mg

Cu

Zn

-

Примеси

До 0,5

До 0,5

90,9- 94,7

До 0,15

До 0,1

0,3-0,9

3,8-4,9

1,2-1,8

До 0,25

Ti+Zr<0,2

Прочие; каждая 0,05; всего 0,15


Материал положительно ведет себя в диапазоне температур от 120 до 270°C, но при температурах выше 400 его не рекомендуется использовать вовсе. При увеличении температуры до 90 °C возможно формирование межкристаллических коррозий, что ограничивает возможность его применения.

В таблице 2 приведены физический свойства Д16.

Таблица 2 - Физические свойства материалов

E×10- 5

R×10 9

T

Λ

α ×10 6

C

ρ

МПа

Ом·м

Град

Вт/(м·град)

1/Град

Дж/(кг·град)

кг/м3

0.72

-

20

-

-

-

2770

-

-

100

130

22.9

0.922

-


Заготовки из сплава Д16Т обладают высокой прочностью и твердостью, но уступают заготовкам из материала ВД95Т1 в состоянии особой твердости после закалки и искусственного старения. Однако материал ВД95 под напряжением подвержен коррозии, поэтому применить все свойства данного материала не всегда бывает возможно.

Механические свойства сплава Д16 сведены в таблице 3.

Таблица 3 - Механические свойства материала Д16

Сортамент

σв

δ5

σT

Размер

Термообработка

-

МПа

%

МПа

Мм

-

Трубы, ГОСТ 18482-79

390-420

10-12

255-275

-

-

Пруток, ГОСТ 21488-97

390-410

8-10

275-295

Ç 8 - 300

Закалка и старение

Пруток, ГОСТ 21488-97

245

12

120

-

-

Пруток, повышенной пластичности, ГОСТ 51834-2001

410

12

265

-

Закалка и старение

Пруток высокой прочностиГОСТ 51834

450-470

8-10

325-345

-

Закалка и старение

Сортамент

σв

δ5

σT

Размер

Термообработка

-

МПа

%

МПа

мм

-

Профили, ГОСТ 8617-81

412

10

284

10 - 150

Закалка и искусственное старение

Лента отожженая, ГОСТ 13726-97

235

10

-

-

-

Плита, ГОСТ 17232-99

345-420

3-7

245-275

-

Закалка и старение

Профили отожженая, ГОСТ 8617-81

245

12

-

-

-


Большая часть дюралей поддается к коррозии больше нежели прочие сплавы алюминия. Согласно данной причине изделия из дюралей плакируют 2-4% слоем технического алюминия, или покрывают лаком. Но нужно принимать во внимание случай работы деталей из дюралей при высоком температурном режиме, в большинстве случаев предпочтительнее плакировка и анодирование, то что и влияет на выбор листовой продукции. Помимо этого Д16Т слабо поддается сварке и способен свариваться только лишь точеной сваркой, по этой причине в большинстве случаев фиксируется с помощью заклепок и других разъемных и неразъемных соединений.

4.2 Технологический контроль чертежа детали

Общее понимание о конструкции детали «Оправа» представляется технологическим контролем чертежа. В нем предоставлены размеры, имеющиеся допуски и шероховатости, нужные для изготовления деталей.

Выполняя технологические переходы можно обеспечить получение точных размеров и шероховатостей:

При сверлении 1,8Н12 добиваемся шероховатости Ra 3,2;

При сверлении и нарезании резьбы в отверстии согласно размерам М14х0,5-6Н глубины 8 мм и диаметра М2 глубины 3,5 мм - шероховатость Ra 3,2

Технические требования, указанные на чертеже:

обработкой за один установ от одной базы можно обеспечить допуск радиального сечения;

центровкой и следующим сверлением отверстий можно обеспечить допуск оси перпендикулярности;

микрометромсценойделения0,01ммлинейныеразмерыпо14

квалитету точности;

твердомером контролируем твердость;

шероховатость контролируем при помощи профилометра.

4.3 Анализ технологичности конструкции детали

Совокупностью параметров конструкции изделия называется технологичность конструкции изделия.

Комплекс обрабатывания конструкции на технологичность включает в себя: снижение затрат, уменьшение времени, используемого на изготовление, повышение производительности труда. Существует два вида оценки технологичности: количественная и качественная оценка. Количественная выражена числом и применяется для характеристик, значительно влияющих на технологичность. Качественная, в свою очередь, применяется на всех этапах проектирования в качестве подготовительной.

Полное понимание конструкции называется технологическим контролем чертежа. С помощью отливки получаем заготовку для детали «оправа». В ходе обработки деталь включает в себя технологические базы, которые весьма надежны. Анализируя деталь можно определить, что она: неустойчивая, жесткая; возможна обработка поверхности универсальными инструментами. Деталь является технологичной.

По следующим параметрам можно произвести оценку технологичности

) Коэффициент точности определяем согласно формуле (4.1):


По формуле (4.2) определяем Tср- среднее значение точности детали;


где ni- количество поверхностей каждого квалитета

Коэффициент точности  определим согласно формуле (4.3):


) Согласно формуле (4.4) определим коэффициент шероховатости:


По формуле (4.5) определяем параметр шероховатости Бcр;


где ni - некоторое количество поверхностей с приведенной шероховатостью.

4.4 Определение типа производства

Годовая программа повыпуску деталей равна: NВ=500(шт).

Согласно формуле (4.6) рассчитываем годовую программу запуска деталей в производство:


где k1 - коэффициент, который характеризует технологический брак- коэффициент , характеризующий незавершенное производство

шт.

Возьмем за  шт.

По формуле (4.7) рассчитаем такт производства:


где Fд -расчетный фонд работы ();

По формуле (4.8) рассчитываем действительный производственный такт:


где  - коэффициент, обозначающий загрузку оборудования, ();

Производственный тип определяем по таблице 4:

Таблица 4 - Определение типа производства

Тип производства

Годовая программа выпускаNВ, шт.


тяжелые,

средние, 10кг < m< 100кг

легкие,

Единичное

до 5

до 10

до 100

Мелкосерийное

5…100

10…200

100…500

Серийное

100…300

200…500

500…5000

Крупносерийное

300…1000

500…5000

5000…50000

Массовое

>1000

>5000

>50000


Согласно данным годового выпуска и массе детали определяем тип производства как крупносерийный со следующими характеристиками:

выпускаемые изделия имеют узкую номенклатуру;

выпуск изделий с большой годовой программой;

рабочие характеризуются квалификацией;

применяется специальное оборудование и инструментарий, который снижает до минимума гибкость производства.

4.5 Выбор заготовки

Сутью литья по выплавленным моделям является использование керамических форм, которые получаются из разовых моделей, при использовании формовочных смесей. Изначально выжиганием удаляется из формы модель. Её нагревают, вследствие этого удаляются остатки и упрочняется форма.

Основные операции.

Модели или звенья производятся в прессе разъемной формы.Температура плавления материалов, из которых создается модель, получается низкой.Готовые модели или их звенья собирают в блоки. Блок модели погружается в емкость с формовочной смесью - суспензией для форм оболочек.

Образуется небольшой слой суспензии на поверхностях моделей. Упрочняется и увеличивается его толщина путем нанесения зернистого огнеупорного материала. Для получения требуемого защитного слоя операция повторяется несколько раз.

Эскиз заготовки с размерами представлен на рисунке 36.

Рисунок 36-Эскиз заготовки

4.6 Расчет припусков на обработку

Значения припусков на обработку приведены в таблице 5.

Таблица 5 - Расчет припусков по на обработку поверхности 12-0.210

Технологические переходы обработки поверхности

Элементы припуска, мкм

Расчетный припуск zmin,мкм

Расчетный диаметр, dр, мм

Допуск δ,мкм

Предельный размер, мм

Предельное значение припуска, мкм






dmin

dmax


Rz

T

r

e








Заготовка

150

880

-

-

13,19

1400

13,19

14,59

-

-

-

Черновое фрезерование

50

50

44

-

1250

11,94

250

11,94

12,20

1250

1500

Чистовое фрезерование

30

30

4,4

-

150

11,79

62

11,79

11,85

150

212

Итого,

-

-

-

-

-

-

-

-

-

1400

1712


В процессе обработки детали типа диска, с прижимом к торцу по наружномуконтуру, по формуле (4.9) находим сумму значений отклонений в пространстве:


где ρкор-значение пространственного отклонения из-за коробления, мкм, рассчитываем по формуле (4.10);

где ρсм = δв - допуск на диаметр базовой поверхности при закреплении, мкм


где - удельная кривизна заготовок на 1,5 мм длины, мкм;- длина базовой поверхности детали, мм;

Подставим, получим суммарное значение пространственных отклонений, мкм:

тогда:

Остаточное пространственное отклонение по формуле (4.11):


где коэффициент уточнения формы.

После предварительного фрезерования рассчитываем формулу (4.12):


После чистового фрезерования по формуле (4.13):


Расчет минимальных значений припусков производим, пользуясь основной формулой (4.14):


где соответственно высота неровностей и глубина дефектного поверхностного слоя на предшествующем технологическом переходе, мкм;

суммарное значение пространственных отклонений для элементарной поверхности на предшествующем переходе, мкм.

Минимальный припуск:

под предварительное фрезерование:  мкм;

под чистовое фрезерование: мкм;

Графу «Расчетный размер» заполняем, начиная с конечного (чертежного размера) путем последовательного прибавления расчетного минимального припуска каждого технологического перехода.

Значения допусков каждого технологического перехода и заготовки принимаем по таблицам в соответствии с квалитетом, используемого метода обработки.

Наименьший предельный размер определяем округлением расчетных размеров в сторону увеличения их значений. Округление проводим до того знака десятичной дроби, с каким дан допуск на размер для каждого перехода.

Наибольшие предельные размеры определяем добавлением допусков к округленным наименьшим предельным размерам.

Максимальные предельные припусков  равны разности наибольших предельных размеров, а минимальные значения  соответственно разности наименьших предельных размеров предшествующего и выполняемого переходов.

Общие припуски  и  определяем, суммируя промежуточныеприпуски.

Общий номинальный припуск определяем с учетом несимметричного расположения поля допуска заготовки , рассчитываетсяон по формуле (4.15):


Нижнее отклонение размера заготовки  находим по ГОСТ 7505-74

Н = 500 мкм

Номинальный размер заготовки по формуле (4.16):


4.7 Выбор оборудования

Для обработки данной детали подойдет станок фрезерно-сверлильный CW-1000 HECKERT

Станок фрезерно-сверлильный с ЧПУ CW-1000 HECKERT предназначен для комплексной обработки с четырех сторон призматических деталей с габаритами по 780х880х1160 мм. Специфическая компоновка станка и системы управления гарантирует экономически выгодно использовать обрабатывающий центр в единичном, мелко - и среднесерийном производстве при высокой производительности и точности обработки.

Текст управляющей команды для данного станка приведен в приложении 3.

Для предварительной обработки подойдетгоризонтально- фрезерный станок 6Р82Г.

4.8Расчет режимов резания, нормирование операций

Сверление отверстияÇ:

Глубина резания рассчитывается по формуле (4.17):


Подача:

Скорость резания по формуле(4.18):


где Kv- коэффициент, учитывающий фактические условия резания;- поправочный коэффициент, учитывающий влияние физико-механических свойств обрабатываемого материала;- коэффициент, характеризующий группу стали по обрабатываемости;- коэффициент, учитывающий инструментальный материал;-коэффициент, учитывающий глубину сверления.

В данном случае  рассчитывается по формуле (4.19):



Количество оборотов шпинделя считаем по формуле (4.21):


Крутящий момент считаем по формуле (4.22):


где Kp = Kmp -коэффициент, учитывающий условия обработки;

В нашем случае Kp находится по формуле (4.23):


Осевая сила, Poпо формуле (4.24):


Мощность резания, кВт,по формуле (4.25):


Основное время, мин, находится по формуле (4.26):


гдеL = l+l1+l2 - расчетная длина рабочего хода инструмента, мм; - величина перебега инструмента,мм; число проходов инструмента.- величина врезания инструмента, мм. Находится по формуле (4.27):


;

Для остальных переходов назначаем режимы резания по источнику [4].

Т находится по формуле (4.28):

Т=Т1+Т2+Т3+Т4+Т5,(4.28)

где Т1- быстрый подвод, мин;

Т2 - врезание, мин;

Т3 - рабочий ход, мин;

Т4 - опускание на длину режущей части;

Т5 - выход на быстром отводе, мин.

Т=0,43+0,38+0,21+0,18+0,42 мин;

где Тв=0,4мин

Тп.з определяется по формуле (4.29):

Тп.з= Тп.з.А+ Тп.з.Б+Тп.з.В = 8+0+7 = 15 мин,(4.29)

Тштнаходим по формуле (4.30):

Тшт= (ТО+ ТВ)(1 + (aОбс+ aОтд.Л)÷100)=(1,62+0,4)(1+(3,5+4)÷100)) =1,88 мин,(4.30)

Тш-к находим по формуле (4.31):

Тш-к =15/600+0,43+(Ту.с.+Тз.о.+Туп+Тиз)=1+0,0434+0,0574+0,106=0,79(4.31)

Результаты определения Тш-к записываем в таблицу 14.

Таблица 6 - Таблица технических норм времени по операциям, мин

Номер и наименование операции

То

Тв

Топ

Тоб

Тот

Тшт

Тп-з

Тш-к





Ттех

Торг





1.Фрезерная

1,599

0,14

2,099

0,1599

0,21

0,05

2,0189

30

2,16

2.Сверлильная

0,42

0,4

0,574

0,0434

0,0574

0,106

1,88

15

0,79

Итого

2,95


5. УПРАВЛЯЮЩАЯ ПРОГРАММА

Управляющая программа - это очередность команд на языке программирования, которые обеспечивают заданное функционирование рабочих органов станка. Закрепляют эти команды в программных носителях.

Отличительной характерной чертой ЧПУ считается, что информация о траектории передвижения инструмента, скорости резания, подачи и других команд задается в виде цифр. В конкретной очередности на программном носителе (перфокарта, перфолента, магнитная лента и др.).

Управляющая программа (УП) - это записанная на программном носителе в закодированном цифровом виде маршрутное операционная технология на конкретную деталь с указанием траекторий движения инструмента. Изготовление УП (менее, трудоемкое и более дешевое, чем изготовление кулачков шаблонов, копиров и чертежей) сводится к написанию маршрутно-операционной технологии, расчетам траекторий перемещения инструментов и записи на программный носитель; большую часть этой работы можно автоматизировать. Управляющая программа приведена в приложении 1.

Фрагмент управляющей программы

%

O1398(22-.NCF)

(PARTSPROGRAMMED: 1)

(FIRST TOOL NOT IN SPINDLE)G17G21G40G80G94T1M6

(OPERATION 1:)

(TOOL 2: 2. DIA.)

(CS#5 -.)G54S2412M3G90G0X-9.506Y-14.094B0.C180.G43Z40.H2M8Z44.G81G98X-9.506Y-14.094Z23.5R64.F1688.39G80G0Z64.

(OPERATION 15:)

(TOOL 2: 2. DIA.)

(CS#5 -.)G90G0X-9.506Y-14.094B0.C180.Z44.G81G98X-9.506Y-14.094Z23.5R64.F1688.39G80G0Z64.

(OPERATION 16:)

(TOOL 2: 2. DIA.)

(CS#5 -.)G90G0X-9.506Y-14.094B0.C180.Z44.G81G98X-9.506Y-14.094Z23.5R64.F1688.39G80G0Z64.

(OPERATION 17:)

(TOOL 2: 2. DIA.)

(CS#5 -.)G90G0X-9.506Y-14.094B0.C180.Z44.G81G98X-9.506Y-14.094Z23.5R64.F1688.39

N107G80G0Z64.M9

ЗАКЛЮЧЕНИЕ

визир сборка модель

В представленной выпускной квалификационной работе было разработано руководство по эксплуатации и ремонту компонентов визира оптического устройства.

В ходе выполнения работы по разработке технического руководства был проведен следующий комплекс мероприятий:

Рассчитаны и проанализированы нагрузки, действующие на червячный вал.

Проведено имитационное исследование напряженно-деформированного состояния детали «червяк».

Разработана технология изготовления детали «оправа».

Спроектирован участок по производству данной детали.

Разработано автоматизированное руководство по эксплуатации и ремонту компонентов визира.

Конструкторская часть состоит из описания конструкции и принципа работы визира, разработки трехмерных моделей и чертежей компонентов механизма, а также создания разнесенных сборок и каталогов.

В технологической части составлен маршрут обработки, подобраны режущие инструменты, рассчитаны режимы резания, выбраны станочные и инструментальные приспособления, средства измерения и контроля размеров при изготовлении детали «оправа». При выборе режущего инструмента предпочтение отдавалось режущему инструменту из твердого сплава.

В разделе имитационное моделирование был выполнен расчет сил в опасном сечении червячного вала и его анализ на прочность с помощью системы автоматизированного расчета и проектирования- «Solid Works Simulation».

СПИСОК ИСПОЛЬЗОВАННЫХ ИСТОЧНИКОВ

1.      Шкарин, Б. А. Основы систем автоматизированного проектирования машиностроительных конструкций и технологических процессов: учебное пособие / Б. А. Шкарин. - Вологда: ВоГУ, 2011. - 127 с.

.        Детали машин. Методические указания по выполнению расчетно-графических заданий, контрольных работ, курсовых и дипломных проектов. Расчёт и конструирование клиноременных передач.- Вологда. - 2006. - 20с.

.        Обработка металлов резанием. Справочник технолога / А.А. Панов, В.В. Аникин, Н.Г. Бойм и [др.]. - Москва: Машиностроение, 1988. - 736 с.

.        Дунаев, П.Ф. Конструирование узлов и деталей машин: учеб. пособие для машиностроит. спец. вузов. - 4-е изд., перераб. и доп./ Дунаев П.Ф., Леликов О.П. - Москва: Высшая школа, 1985 - 416 с.

.        Марочник сталей и сплавов / под ред. Ю. Г. Драгунова; А. С. Зубченко. - 4-е изд., перераб. и доп. - Москва: Машиностроение, 2015. - 1201 с.

.        Режущий инструмент. Учебник. Изд. 4-е переработанное и дополненное / Д.В.Кожевников, В.А.Гречишников, С.В.Кирсанов [и др.] - Москва: Машиностроение, 2014. - 520 с.

.        Новиков, Ю.В. Охрана окружающей среды: учебное пособие для учащихся техникумов / Ю. В. Новиков. - Москва: Высш. шк., 1987. - 287 с.

.        ГОСТ 2.610 - 2006. Единая система конструкторской документации. Правила выполнения эксплуатационных документов. - Введ. 01.09.2006. - М.: Стандартинформ, 2006. - 35 с.

.        СН 245 - 71. Санитарные нормы проектирования промышленных предприятий: утв. Госстроем СССР 05.11.1971 - Введ. 01.04.1972. - М.: ФГУП ЦПП, 2004. - 42 с.

ПРИЛОЖЕНИЕ

Текст управляющей программы

Управляющаяпрограмма.

%(22-.NCF)

(PARTS PROGRAMMED: 1)

(FIRST TOOL NOT IN SPINDLE)G17G21G40G80G94T1M6

(OPERATION 1:)

(TOOL 2: 2. DIA.)

(CS#5 -.)G54S2412M3G90G0X-9.506Y-14.094B0.C180.G43Z40.H2M8Z44.G81G98X-9.506Y-14.094Z23.5R64.F1688.39G80G0Z64.

(OPERATION 15:)

(TOOL 2: 2. DIA.)

(CS#5 -.)G90G0X-9.506Y-14.094B0.C180.Z44.G81G98X-9.506Y-14.094Z23.5R64.F1688.39G80G0Z64.

(OPERATION 16:)

(TOOL 2: 2. DIA.)

(CS#5 -.)G90G0X-9.506Y-14.094B0.C180.Z44.G81G98X-9.506Y-14.094Z23.5R64.F1688.39G80G0Z64.

(OPERATION 17:)

(TOOL 2: 2. DIA.)

(CS#5 -.)G90G0X-9.506Y-14.094B0.C180.Z44.G81G98X-9.506Y-14.094Z23.5R64.F1688.39G80G0Z64.M9G91G28Z0.G90G0X0.Y0.M5M1G17G40G80G94T5M6

(OPERATION 18:)

(TOOL 5: 3.2 DIA.)

(CS#5 -.)G54S2412M3G90G0X-9.506Y-14.094B0.C180.G43Z40.H5M8Z44.G81G98X-9.506Y-14.094Z14.R64.F1688.39G80G0Z64.M9G91G28Z0.G90G0X0.Y0.M5M1G17G40G80G94T4M6

(OPERATION 19:)

(TOOL 4: 2. DIA.)

(CS#5 -.)G54S2412M3G90G0X-9.506Y-14.094B0.C180.G43Z40.H4M8Z44.G81G98X-9.506Y-14.094Z14.R64.F1688.39G80G0Z64.M9G91G28Z0.G90G0X0.Y0.M5M1G17G40G80G94T5M6

(OPERATION 20:)

(TOOL 5: 3.2 DIA.)

(CS#5 -.)G54S2412M3G90G0X-9.506Y-14.094B0.C180.G43Z40.H5M8Z44.G81G98X-9.506Y-14.094Z14.R64.F1688.39G80G0Z64.M9G91G28Z0.G90G0X0.Y0.M5M1G17G40G80G94T3M6

(OPERATION 21:)

(TOOL 3: 1.8 DIA.)

(CS#5 -.)G54S2412M3G90G0X-9.506Y-14.094B0.C180.G43Z40.H3M8Z44.G81G98X-9.506Y-14.094Z14.R64.F1688.39G80G0Z64.M9G91G28Z0.G90G0X0.Y0.M5M1G17G40G80G94T7M6

(OPERATION 22:)

(TOOL 7: 6. DIA.)

(CS#5 -.)G54S500M3G90G0X-27.577Y.707B0.C180.G43Z40.H7M8Z64.G1Z23.5F80.G41X-15.556Y-15.556D7G3X15.556I15.556J15.556F90.G40G1X27.577Y.707G0Z64.M9G91G28Z0.G90G0X0.Y0.M5M1G17G40G80G94T2M6

(OPERATION 23:)

(TOOL 2: 2. DIA.)

(CS#8 -.)G54S2412M3G90G0X-312.236Y38.B90.C180.G43Z40.H2M8Z-290.236G81G98X-312.236Y38.Z-310.736R-270.236F1688.39G80G0Z-270.236

(OPERATION 24:)

(TOOL 2: 2. DIA.)

(CS#8 -.)G90G0X-312.236Y38.B90.C180.Z-290.236G81G98X-312.236Y38.Z-310.736R-270.236F1688.39G80G0Z-270.236M9G91G28Z0.G90G0X0.Y0.M5G91G28Y0.B0.C0.G90M30

%