Материал: Автоматизация управления асинхронным электроприводом с инверторным преобразователем частоты для подъемной установки

Внимание! Если размещение файла нарушает Ваши авторские права, то обязательно сообщите нам

Автоматизация управления асинхронным электроприводом с инверторным преобразователем частоты для подъемной установки














Курсовая работа

Автоматизация управления асинхронным электроприводом с инверторным преобразователем частоты для подъемной установки

1. Основные требования к созданию автоматических систем частотного регулирования асинхронного двигателя (АД)

К системам управления асинхронными частотно-регулируемыми электроприводами промышленного назначения, исследованию которых посвящено большое число работ, предъявляется ряд общих требований:

–  близкое к нормированному качество электромеханических процессов (под нормированными понимаются стандартные электромеханические процессы, присущие современным электроприводам постоянного тока с подчиненным регулированием координат);

–       рабочий диапазон регулирования скорости двигателя, как правило, не более чем 1 : 20 вниз и 1,2 : 1 - вверх от номинальной скорости;

–       быстродействующее регулирование динамичных приводов (работающих с частотными режимами пуска, торможения, реверса, наброса и сброса нагрузки);

–       экономичное регулирование нединамичных приводов (приводы насосов, вентиляторов);

–       отсутствие датчиков внутри и на валу электродвигателя.

Формирование близких к нормированным электромеханических процессов такого сложного и нелинейного объекта автоматического регулирования, каким является асинхронный частотно-регулируемый электропривод, представляет собой непростую техническую задачу. Необходимость же этого требования обусловлена сложными динамическими режимами машин циклического действия.

Рабочий диапазон регулирования скорости равный 1 : 20 - вниз и 1,2 : 1 - вверх от номинальной скорости, удовлетворяет на практике подавляющему большинству общепромышленных электроприводов, работающих в различных отраслях промышленности. Дальнейшее расширение диапазона частот низких значений скорости ограничено неравномерностью вращения ротора двигателя из-за воздействия фактической несинусоидальности формы выходных напряжений (токов) инверторных преобразователей частоты (ПЧ) на электромагнитный момент двигателя. Ограничение верхних значений скорости обусловлено условиями механической прочности подшипниковых узлов и электрических обмоток двигателя.

Требование отсутствия датчиков внутри или на валу электродвигателя определяется стремлением облегчить проектантам и службам эксплуатации задачу практического создания и внедрения регулируемого асинхронного электропривода и, особенно, упростить замену нерегулируемого привода частотно-регулируемым. При этом использование серийных асинхронных короткозамкнутых электродвигателей (без дополнительной установки вращающихся узлов на валу или датчиков внутри машины) существенно повышает эксплуатационную надежность в условиях работы в запыленной, агрессивной и взрывоопасной среде.

Исходя из рассмотренных требований к регулированию, используются следующие подходы к построению автоматических систем частотного регулирования (АСЧР) асинхронным электроприводом:

–  применение векторного или квазивекторного управления;

–       использование косвенных способов регулирования и измерения параметров режима электропривода;

–       применение эффективных (оптимальных) способов частотного управления;

–       упрощение технической реализации АСЧР.

Векторное и квазивекторное управление являются базовыми принципами получения нормированных (или близких к нормированным) электромеханических процессов асинхронного привода.

Косвенные способы регулирования и измерения параметров режима электропривода (электромагнитного момента, потокосцепления, ЭДС двигателя и др.) служат для исключения установки датчиков внутри или на валу двигателя. Кроме этого, использование данных способов является эффективным техническим приемом получения «гладких» по форме сигналов обратных связей (необходимых для функционирования аналоговых автоматических регуляторов) о средних значениях параметров режима электропривода.

На основе известных эффективных способов частотного управления: при постоянстве магнитного потокосцепления двигателя (для скоростей равной или ниже номинальной) или при постоянстве статорного напряжения или ЭДС двигателя (для скоростей выше номинальной) - в асинхронных электроприводах создается высокое быстродействие и повышенная перегрузочная способность по моменту при хороших энергетических показателях.

При современном состоянии аппаратной базы средств управления упрощение технической реализации АСЧР определяется, главным образом, уменьшением в ней количества автоматических регуляторов сложных вычислителей и информационных датчиков непосредственно измерения, связанных с потенциалом силовой части непосредственно.

Сложность структуры системы управления частотно-регулируемыми электроприводами, нелинейности звеньев не позволяют получить адекватную математическую модель для построения системы управления. Поэтому для такой системы целесообразно использовать фаззи-управление, требующее для построения регуляторов минимальное количество информации о координатах и параметрах системы.

квазивекторный электропривод асинхронный двигатель

2. Векторное управление частотно-регулируемым асинхронным электроприводом

Наиболее совершенной системой управления частотно-регулируемым асинхронным электроприводом является векторное управление. Алгоритм функционирования устройства векторной ориентации, с помощью которого осуществляется векторное управление параметрами асинхронного двигателя, включает ряд вычислительных операций.

По фазным значениям статорных напряжений , ,  и токов , ,  в датчике ЭДС вычисляются фазные ЭДС ротора , , :

                                 (1)

где ,  - индуктивности рассеяния статора и ротора;  - коэффициент связи ротора.

При помощи специального звена преобразования определяются проекции ,  обобщенного вектора ЭДС ротора Е на оси неподвижной ортогональной системы координат «a» - «b», связанной с магнитной осью фазы А обмотки статора асинхронного электродвигателя.

Векторным анализатором вычисляются значения амплитуды Е и фазового угла  обобщенного вектора ЭДС ротора  из выражения:


Фазовый угол  и угловая частота вращения  обобщенного вектора потокосцепления ротора  АД (равная частоте статора двигателя) находятся из формул:

                                                                          (2)

Сигналы задания: амплитуды  обобщенного вектора статорного тока , амплитуды  и фазового угла  обобщенного вектора  основных гармонических составляющих статорного тока двигателя, определяются из выражений:

                                                         (3)

где  - сигналы задания намагничивающей и активной составляющей обобщенного вектора  статорного тока соответственно.

На входах регулятора фазы (РФ) сравниваются сигналы задания  и обратной связи  по модулю потокосцепления ротора двигателя, рассчитываемые из выражений:

                                                                                       (4)

Структурная схема регулятора фазы РФ для электропривода с автономным инвертором тока (АИТ) показана на рис. 1, где блоком И обозначено интегральное звено. Интегрального типа регулятор фазы РФ, обеспечивая астатическое регулирование входных сигналов: , формирует на своем выходе корректирующий по фазе сигнал . Указанный сигнал равен значению эквивалентного фазового сдвига основной гармоники статорного тока (рис. 2) относительно ее заданного значения, наступающего от воздействия угла коммутации инвертора. В результате указанного функционирования регулятора фазы РФ в устройстве векторной ориентации компенсируется внутреннее возмущение по углу коммутации инвертора, а заданное значение фазового угла  обобщенного вектора основных гармонических составляющих статорного тока находится в виде:

.                                                                                  (5)

В соответствии с заданным значением фазового угла  обобщенного вектора основных гармоник статорного тока система управления инвертором СУИ формирует управляющие импульсы.


На рис. 2 приведена векторная диаграмма асинхронного электропривода с АИТ, иллюстрирующая описанное выше векторное регулирование статорного тока двигателя. Из-за несинусоидальности формы выходных токов АИТ происходит дискретное движение обобщенного вектора статорного тока АД (показанное для соседних межкоммутационных интервалов векторами  и ). При этом основными гармоническими составляющими статорных токов создаются заданные регулируемые значения намагничивающей  и активной  составляющих статорного тока электродвигателя (проекций обобщенного вектора статорного тока на оси вращающейся ортогональной координатной системы «х - у», связанной осью «х» с обобщенным вектором потокосцепления ротора  АД).

3. Квазивекторное управление частотно-регулируемым асинхронным электроприводом

Главное отличие квазивекторного принципа регулирования от векторного состоит в способе (алгоритме) построения автоматических структур частотного регулирования АД. Таким характерным внешним отличием структур автоматического регулирования с квазивекторным управлением является отсутствие в них (по сравнению с векторным управлением) специфических устройств для обработки информации о векторных параметрах режима: координатных преобразователей, векторных и тригонометрических анализаторов, фазовращающих и фазосдвигающих устройств. Приставка «квази» в термине «квазивекторного» управления (введенного в для обозначения данного вида построения структур регулирования) означает создание такими автоматическими структурами регулирования непременного условия - нормированного (близкого к нормированному) качества электромеханических процессов асинхронных электроприводов, приближающегося к векторному управлению.

Благодаря своей значительной простоте технической реализации (по сравнению с системами векторного управления) квазивекторное управление находит наибольшее применение в практике создания АСЧР асинхронных электроприводов широкого промышленного назначения.

Указанная техническая простота данного управления объясняется отсутствием необходимости контроля и вычисления фазовых углов регулируемых векторных электромагнитных параметров режима (потокосцепления, ЭДС, статорных токов и напряжения) АД, что позволяет сократить количество применяемых информационных датчиков электропривода и исключает сложные алгоритмы и устройства векторных вычислений при реализации АСЧР.

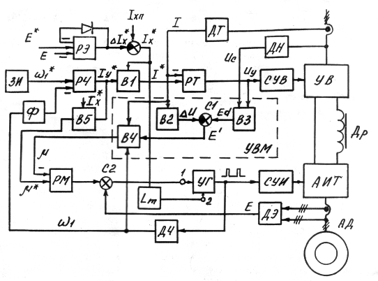
На рис. 3 приведена функциональная схема автоматической системы с квазивекторным регулированием асинхронного электропривода с АИТ, реализующая двухзонное управление электродвигателем. Автоматическая система частотного регулирования выполнена в соответствии с принципами подчиненного регулирования координат и содержит внутренние контуры регулирования: модуля I обобщенного вектора статорного тока (с регулятором тока РТ) и электромагнитного момента m (с регулятором момента РМ), а также внешние контуры регулирования: частоты статора  (с регулятором частоты РЧ) и ЭДС двигателя (с регулятором ЭДС РЭ). Заданное значение  модуля вектора статорного тока находится вычислителем В1 (через заданные значения намагничивающей  и активной  составляющих обобщенного вектора  основных гармонических составляющих статорного тока) из первых двух формул системы (3). С помощью датчика частоты ДЧ (например, выполненного на основе дискретно-аналогового преобразователя) определяется сигнал , пропорциональный частоте статора двигателя.

Рис. 3. Функциональная схема квазивекторного регулирования электропривода с АИТ

Посредством датчика ЭДС ДЭ, функционирующего на основе алгоритма вычисления фазных ЭДС из формул (4.1) и последующего их выпрямления, находится значение Е модуля вектора ЭДС ротора двигателя. С помощью вычислителя В5 определяется заданное значение  электромагнитного момента АД:

,                                                                         (6)

где  и Т - индуктивность намагничивания и электромагнитная постоянная времени электродвигателя.

Для вычисления значения электромагнитного момента m двигателя служит узел вычисления момента УВМ, состоящий из вычислителей В2 - В4, датчика напряжения ДН питающей сети и сумматора С1. Вычислителем В2 определяется падение напряжения  на активных сопротивлениях и индуктивностях в главной цепи электропривода:

,                                                              (7)

где ;;

 - активные сопротивления выпрямителя, сглаживающего дросселя, инвертора, статора и ротора двигателя соответственно;