Материал: Аппаратура процессов разделения гомогенных и гетерогенных систем

Внимание! Если размещение файла нарушает Ваши авторские права, то обязательно сообщите нам

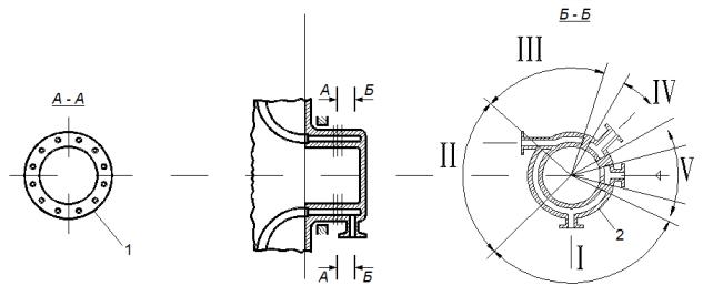
Рис. 63. Схема устройства распределительной головки:

1 – подвижный диск; 2 – неподвижный диск; I – зона фильтрации; II – зона просушки; III – зона промывки и просушки осадка; IV – зона отдувки осадка; V – зона очистки ткани

Среди достоинств барабанного вакуум фильтра, помимо непрерывности работы, необходимо отметить простоту обслуживания, возможность фильтрования суспензий с высоким содержанием твёрдой фазы, хорошие условия для промывки осадка.

К недостаткам фильтра относятся сравнительно небольшая удельная поверхность фильтрования, сложность герметизации распределительной головки, необходимость перемешивания суспензии в корыте, невозможность фильтрования суспензий, образующих рыхлые осадки, сразу отваливающиеся от фильтровальной ткани.

Дисковый фильтр

Попыткой увеличить поверхность фильтрования является дисковый ваку- ум-фильтр (рис. 64, 65), во многом аналогичный барабанному. Фильтровальная ткань в этом фильтре расположена на поверхности дисков, насаженных на горизонтальный вращающийся полый вал. Диски примерно наполовину погружены в корыто с суспензией. Фильтрат под действием вакуума проходит внутрь дисков, а оттуда в полость вала. На одном конце вала находится распределительная головка (как и в барабанном фильтре), на другом – привод. Осадок, образовавшийся на поверхности ткани, удаляется с помощью ножей.

Расположение фильтровальной ткани на боковой поверхности дисков позволяет при тех же габаритных размерах, что и у барабанного фильтра, увеличить поверхность в несколько раз. Другим достоинством фильтра является

86

Рис. 64. Схема дискового вакуум-фильтра:

1 – привод; 2 – полый вал; 3 – диски с фильтрующими боковыми поверхностями; 4 – корыто для суспензии; 5 – распределительная головка

Рис. 65. Внешний вид дискового вакуум-фильтра

87

возможность замены вышедших из строя дисков. Недостатком дисковых фильтров являются трудность герметизации и сложность промывки осадка. Поэтому дисковые фильтры применяют в тех случаях, когда осадок не требует промывки.

Сравнительные характеристики фильтров

При выборе фильтров для разделения суспензий следует принимать во внимание технико-экономические показатели их работы, при определении которых необходимо учитывать размер частиц суспензии, её концентрацию, тип образующегося осадка, возможность и качество его промывки, непрерывность работы фильтра, перепад давления на фильтровальной перегородке и др.

 

 

 

 

 

Таблица 3

 

Сравнительные характеристики фильтров

 

 

 

 

 

 

 

 

Размер

 

Качество

 

 

 

 

фильтрования

 

 

Тип

частиц

Концентрация

 

Качество

фильтра

суспензии,

суспензии, г/л

(концентрация

Тип осадка

промывки

 

мкм

 

частиц в

 

 

 

 

фильтрате)

 

 

 

 

 

 

 

Закрытый

2–2500

20–800

хорошее

любые

отличное

нутч-фильтр

(до 60 мг/л)

 

 

кроме тик-

 

Пресс-

0,5–200

0,3–400

отличное

хорошее

фильтр

(до 40 мг/л)

сотропных

 

 

 

Ленточный

3–5000

50–650

удовлетв.

кроме

отличное

фильтр

(до 120 мг/л)

липких

 

 

 

Барабанный

1–300

10–400

удовлетв.

любые

удовлетв.

фильтр

(до 120 мг/л)

 

 

 

 

Дисковый

1–300

10–400

удовлетв.

любые

не удовлетв.

фильтр

(до 120 мг/л)

 

 

 

 

В табл. 3 приведены некоторые усреднённые характеристики фильтров.

2.2. Разделение газовых гетерогенных систем

Газовые гетерогенные системы делятся на две большие группы: механические и конденсированные, отличающиеся друг от друга главным образом размером частиц. Механические газовые системы, получаемые в процессах, где твёрдые или жидкие частицы механически распределяются в газовой фазе, имеют размеры частиц 5–50 мкм. Конденсированные газовые системы получаются при конденсации частиц из газа или при химическом взаимодействии двух газов. Размеры частиц в конденсированных газовых системах составляют

88

0,001–0,3 мкм. Указанные выше размеры частиц гетерогенных газовых систем являются в значительной мере условными. Следует указать, что частицы конденсированных систем могут объединяться в более крупные агрегаты. С другой стороны, при распыливающей сушке или обжиге сыпучих материалов часто образуются частицы, приближающиеся по размерам к конденсирвоанным.

Взвешенные частицы размером ниже 2 мкм находятся в так называемом броуновском движении, возникающем вследствие теплового движения молекул газовой среды, что значительно затрудняет их разделение. Частицы меньше 0,1 мкм практически уже не оседают под влиянием силы тяжести и могут находиться во взвешенном состоянии неограниченно долгое время.

Вхимической промышленности имеется много источников образования неоднородных газовых систем. Пыли образуются при дроблении твёрдых материалов, просеивании, смешивании и транспортировке сыпучих материалов и в других механических процессах. Дымы и туманы образуются в различных процессах, сопровождающихся конденсацией паров: при выпаривании жидкостей, сушке распылением и многих других. В процессах горения, при неполном сгорании часто образуются дымы. Примером образования дымов может также служить выпадение хлористого аммония в виде мельчайших твёрдых взвешенных частичек при смешении газообразного аммиака с хлороводородом. При конденсации паров иногда образуются туманы. Примером возникновения туманов является конденсация серной кислоты в виде мельчайших капелек, образующихся при взаимодействии серного ангидрида с влажным воздухом.

Впроизводственных процессах часто приходится проводить разделение газовых неоднородных систем для очистки газов от взвешенных в них твёрдых

ижидких частиц. Применяемые методы очистки могут быть разделены на следующие основные группы:

1. Механическая или сухая очистка, при которой осаждение частиц происходит под действием силы тяжести, инерции или центробежной силы.

2. Мокрая очистка путём пропускания газа через слой жидкости или орошения его жидкостью.

3. Фильтрование газов через пористые материалы, не пропускающие час-

тицы.

4. Электрическая очистка газов путём осаждения на электродах взвешенных в газе частиц в электрическом поле высокого напряжения.

89

Циклон

Аппараты для очистки газов от взвешенных частиц под действием силы тяжести, такие как пылеосадительные газоходы и пылеосадительные камеры, отличаются низкой степенью очистки (которая обычно не превышает 30–40 %). Причём частицы размером менее 5 мкм вообще не отделяются от газа в таких аппаратах. Помимо низкой эффективности эти пылеосадительные аппараты отличаются громоздкостью и поэтому в настоящее время практически не используются. Для увеличения скорости осаждения частиц и для более полной очистки используют действие центробежной силы, развиваемой газовым потоком в центробежных аппаратах – циклонах.

Внешний вид циклона показан на рис. 66, схема – на рис. 67. Циклон состоит из цилиндрического корпуса с коническим днищем. Запылённый газ вводится в корпус тангенциально через штуцер со скоростью 20–30 м/с. Благодаря тангенциальному вводу он приобретает вращательное движение вокруг трубы, расположенной по оси аппарата. Частицы пыли под действием центробежной силы отбрасываются к стенкам корпуса.

Вращающийся поток газа постепенно достигает нижней части аппарата, где попадает в центральную трубу. По центральной трубе газ движется вверх, сохраняя вращательное движение, и отводится через верхний штуцер. Большая часть частиц осаждается в корпусе аппарата, в центральной трубе происходит доочистка газа от мелких частиц, чему способствует меньший, по сравнению с корпусом, радиус трубы, и, как следствие, большая центробежная сила. Осевшая пыль скапливается на коническом днище аппарата и удаляется через нижний штуцер.

Рис. 66. Внешний вид циклона

90