Материал: Аналого-цифровой преобразователь на переключаемых конденсаторах

Внимание! Если размещение файла нарушает Ваши авторские права, то обязательно сообщите нам

Расчет по току I0 мах (ТТЛ) = 1.6 мА= 5В\1.6мА = 3.125 кОм

Выбираем [1] резистор: МЛТ- 0.5 - 3к ±5%

.2 Расчет элементов цифровой части сигма-дельта АЦП

Цифровая схема управления (рис 2.1) нужна для управления ключами, которые задают алгоритм работы сигма-дельта АЦП, а так же для своевременного снятия кода с выхода компаратора, подсчета битов и формирования двоичного 8-разрядного кода в смещенном виде.

Согласно алгоритму работы (п.2) составим таблицу истинности, которая будет отображать последовательность замыкания ключей.

Таблица 3.2.1

Номер такта

ai

A3

A2

A1

A0

S1

S2

S3

S4

S5

0(5-й)

x

0

0

0

0

0

0

0

0

0

1

x

0

0

0

1

1

0

0

1

0

2

x

0

0

1

0

0

0

1

0

1

3

1

1

0

1

1

0

0

1

1

0


0

0

0

1

1

0

1

0

1

0

4

1

1

1

0

0

0

1

0

0

1


0

0

1

0

0

0

1

0

1

где A0-A3 - независимые переменные-S5 - ключи, упр. логическим уровнем (1 - замкнут,0 - разомкнут)- выходной код компаратора, полученный в 2 такте

В 3-м такте выбирается одна из строк, в зависимости от ai, полученном во 2-м такте (4 такт - аналогично). После 4-го такта последовательность повторяется. Информационный бит снимается в начале 0-го(5-го) такта.

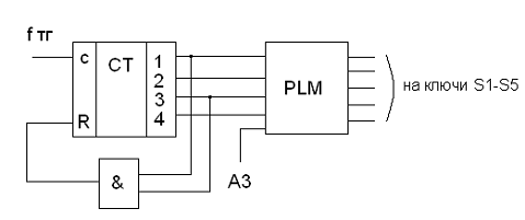
Реализовать такую таблицу истинности можно различными способами, например, с помощью 4-разрядого счетчика и программируемой логической матрицы (ПЛМ). Т.е. счетчик подсчитывает импульсы тактового генератора, и выходной код подается на ПЛМ, запрограммированную по таблице 3.2.2. Счетчик считает до 5-ти и сам себя обнуляет как показано на рис 3.2.1 через логический элемент 2И -

МС КМ555ЛИ1 (4 эл. 2И) из [5].

Рис. 3.2.1 Схема управления ключами

МС счетчика выбираем из [5]: КР1533ИЕ5 (Iпот = 13 мА)

МС ПЛМ выбираем из [4]: КР556РТ1 (Iпот = 180 мА).

ПЛМ прошивается согласно таблице 3.2.2.

Таблица 3.2.2

A15-A4

A3

A2

A1

A0

D0

D1

D2

D3

D4

D5-D7

0

0

0

0

0

0

0

0

0

0

0

0

0

0

0

1

1

0

0

1

0

0

0

0

0

1

0

0

0

1

0

1

0

0

1

0

1

1

0

0

1

1

0

0

0

0

0

1

1

0

1

0

1

0

0

0

1

1

0

0

0

1

0

0

1

0

0

0

1

0

0

0

0

1

0

1

0


Чтобы реализовать выбор одной из строк в 3 и 4 такте, в зависимости от кода компаратора в конце 2-го такта, необходимо организовать дополнительный сигнал, высокий уровень которого будет возникать во время 3 и 4 такта. Т.е нужно реализовать операцию деления fтг на 4, а после подать на ЛЭ 2И: на 1 вход - fтг\4, на 2 вход - ai.

Деление частоты на 4 сформируем с помощью 2-х D-триггеров, включенных по схеме T-триггеров как показано на рис.3.2.2. Триггеры выбираем из [4]: МС К555ТМ2 (2 D-триггера): Iпот = 8 мА.

Рис.3.2.2 Схема выбора строки в 3 и 4 такте

На рис.3.2.3 приведены диаграммы, поясняющие работу данной схемы.

Для снятия бита во время 5-го такта подаем на входы ЛЭ 2И -ai и Rсч.

Импульс на Rсч появляется как раз в 5 такте, во время обнуления счетчика.

Поток битов на выходе ЛЭ 2И, образованных в 5-м такте поступают и подсчитываются на 8 разрядном счетчике, собранном из 2-х 4-разрядных.

В качестве счетчиков выбираем МС К1533ИЕ5 [5].

Рис.3.2.3 Диаграммы напряжений, управляющих схемой

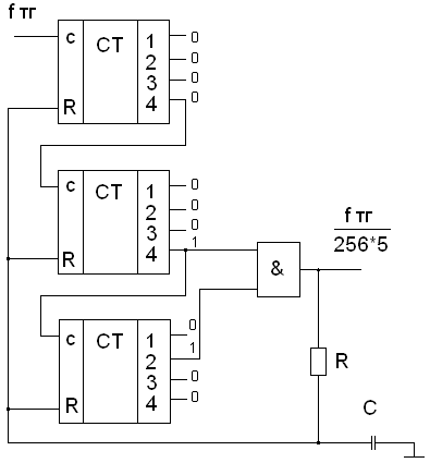
Итак, получаем, что выходной код АЦП на выходах счетчика формируется в 256*5 = 1280 такте ТГ. Следовательно, для сохранения кода в регистр сформируем сигнал разрешения на запись Сreg с f = fтг\1280 (рис.3.2.3).

Он же выведен отдельно для внешнего устройства для сигнализации об окончании преобразования (выход W):

- преобразование завершено

- идет преобразование

Сделаем это с помощью 3-х 4-разрядных счетчика и элемента 2И(рис.3.2.4).

Рис.3.2.4 Делитель частоты на 1280

= 0010 1000 00002

Высокий уровень на выходе 2И записывает код в регистр (К555ИР35 из [4]: пот = 27 мА) и обнуляет счетчики через цепь задержки, причем = T тг (10мкс).

Задаемся значением R = 470 Ом, тогда

 

Выбираем R и С из справочника [1]:: МЛТ- 0.5 - 470 ±5%: КМ - (М75) - 50 В - 21нФ  10%

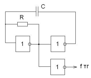
Так как все преобразования выполняются от тактового генератора, то нет необходимости строить стабильный генератор. Выбираем простой генератор прямоугольных импульсов с нестабильность частоты 30% и рассчитываем его на частоту генерации f тг = 100кГц. (рис.3.2.5).

Рис. 3.2.5 Генератор прямоугольных импульсов

Выбираем инверторы из справочника [5]: К155ЛН1 (6 инверторов)

Расчет R и C аналогичен приведенному выше.Выбираем те же значения [1]:: МЛТ- 0.5 - 470 ±5%: КМ - (М75) - 50 В - 21нФ  10%

Генератор соединен с остальной схемой через ключ, который замкнут при высоком уровне на управляющем входе ключа (вход Е):

- разрешение на преобразование

- преобразование запрещено

Т.к. АЦП является медленным, то для работы с быстрыми сигналами необходимо поставить на входе устройство выборки и хранения (УВХ).

Выбираем из справочника [3]: МС КР1100СК2 со следующими параметрами:хр = 10мкс при Схр = 1000пФ (1)пит = 12 Ва зд = 100..250 нсупр: р.выборки 2.4..7 В

р.хранения <1.5 Всм = 5..30 мВвх < 10 Впот = 6.5 мАуст = 0.4 - 0.8 мкс

Подсчитаем время Tхр, которое должен хранить конденсатор Cxp входное напряжение:хр = Tтг x 256 x 5 = 10мкс x 256 x 5 = 12800 мкс = 12.8 мс

Следовательно из (1) требуемая емкость хр = (12800мкс x 1000пФ)\10 мкс = 1280000 пФ = 1.28 мкФ

Выбираем С из справочника [1]: К50 - 35 - 40 В - 1.3мкФ  10%упр подается в момент обнуления 3-х счетчиков сигналом Сreg.

4.Расчет блока питания

Блок питания в общем случае содержит 5 каналов:

+5 В 5% - для цифровых ТТЛ МС (ЛЭ, счетчики, триггеры, ПЛМ) и Uоп

12 В 5% - для МС ключей, УВХ

15 В 5% - для МС ОУ, компаратора

Стабилизаторы рассчитываются на выходное напряжение и ток. При проектировании стабилизаторов необходимо определить средний ток потребления Iп и максимальный ток Iпмакс по каждому каналу путем суммирования токов всех нагрузок данного канала.

потр5 = 180 + 8 +13x6 + 8.8 + 33 + 27 = 334.8 мАпотр12 = 6.5 + 100 = 106.5 мАпотр15 = 6 + 140 = 146 мА

Т.е. рассчитываем источник питания на I = 0.6A.

Входное (выпрямленное) напряжение выбирают из условия:

в = Uвх = (Uвых+Uмин) ×(1+ Кн +Кп) (7.1)

где Кн =0,1- коэффициент нестабильности сети,

Кп = 0,05-коэффициент пульсаций,мин - минимальное напряжение на стабилизаторе.

в = Uвх =  (В)

Выбираем стабилизаторы на 15 В [6]: КР1180ЕН15, КР1179ЕН15

Рис. 6.1 Схема включения стабилизатора КР1180ЕН15 (+15 В)

Выбираем конденсаторы С1, С2 [1]:

С1: К50 - 40 - 63 В - 0.33 мкФ  10%;: К50 - 6 - 25 В - 1 мкФ  10%.

Рис. 6.2 Схема включения стабилизатора КР1179ЕН15 (-15 В).

Выбираем конденсаторы С1, С2, С3 [1]:

С1: К50 - 16 - 25 В - 30 мкФ  10%;: К53 - 16 - 32 В - 0.01 мкФ  10%;: К50 - 6 - 25 В - 10 мкФ  10%.

Выбираем стабилизаторы на 12 В [6]: КР1180ЕН12, КР1179ЕН12

Они подсоединяются к выходам стаб-в на 15 В ( Uвх = 12 + 2.5 = 14.5 В).

Рис. 6.3 Схема включения стабилизатора КР1180ЕН12 (+12 В)

Выбираем конденсаторы С1, С2 [1]:

С1: К50 - 40 - 63 В - 0.33 мкФ  10%;: К50 - 6 - 25 В - 1 мкФ  10%.

Рис. 6.4 Схема включения стабилизатора КР1179ЕН12 (-12 В).

Выбираем конденсаторы С1, С2, С3 [1]:

С1: К50 - 16 - 25 В - 30 мкФ  10%;: К53 - 16 - 32 В - 0.01 мкФ  10%;: К50 - 6 - 25 В - 10 мкФ  10%.

Выбираем стабилизатор на +5 В [7]:

Подключаем его к выходу стабилизатора на 12 В (Uвх = 5+2.5 = 7.5 В).

Но на стабилизаторе будет падать 12-5=7 В, следовательно рассеиваемая мощность Pст = Uст Iпотр5 = 7*0.35 =2.45 Вт < 10 Вт из Приложения.

Рис. 6.5 Схема включения стабилизатора 142ЕН5А (+5 В)

Выбираем конденсаторы С1, С2 [1]:

С1: К50 - 40 - 63 В - 0.33 мкФ  10%;: К50 - 6 - 25 В - 1 мкФ  10%.

Выберем выпрямитель, выполненный на блоках диодов, т.е. мостах (Рис.6.6).

 

Рис. 6.6 Схема выпрямителя

= 220 В U2 =  В=  Апр = 1 В

Требования к диодам:

 (A)

 (В)

Выбираем диоды [2]: КД226А 8 х шт.

Параметры выбранных диодов:пр.ср = 1.7 (А);обр.макс = 100 (В).

Рассчитаем емкость конденсаторов С3 и С4. Т.к. конденсаторы симметричны, то их емкости одинаковы.

р = 7 мс

  (мкФ)

Выбираем С3 и С4 [1]: K50 - 18 - 300 В - 560 мкФ+50%

Выбор трансформатора:

Действующие значения напряжений и токов вторичных обмоток трансформатора:

цифровой преобразователь конденсатор импульс

 (В)

 (А)  (Вт)

Выбираем трансформатор [1]: ТПП232

Параметры выбранного трансформатора:

Таблица 6.1

Мощность,  В А, тип и размер сердечника, мм

Ток первичной обмотки, А

 Напряжение вторичных обмоток, В

Допустимый ток вторичных  обмоток, А



11 - 12 13 - 14

15 - 16  17 - 18

19 - 20 21 -22


90 ШЛМ 20160.11 / 0.0615.04102.630.255