Материал: Аналого-цифровой преобразователь на переключаемых конденсаторах

Внимание! Если размещение файла нарушает Ваши авторские права, то обязательно сообщите нам

Аналого-цифровой преобразователь на переключаемых конденсаторах

МИНИСТЕРСТВО ОБРАЗОВАНИЯ РЕСПУБЛИКИ БЕЛАРУСЬ

УЧРЕЖДЕНИЕ ОБРАЗОВАНИЯ

ГОМЕЛЬСКИЙ ГОСУДАРСТВЕННЫЙ ТЕХНИЧЕСКИЙ УНИВЕРСИТЕТ ИМЕНИ П. О. СУХОГО

Факультет автоматизированных и информационных систем

Кафедра «Промышленная электроника»



РАСЧЕТНО-ПОЯСНИТЕЛЬНАЯ ЗАПИСКА

к курсовому проекту

по дисциплине «Микроэлектроника и микросхемотехника»

на тему:

«Аналого-цифровой преобразователь на переключаемых конденсаторах»


Исполнитель

студент гр. ПЭ-41

Пекурин А.В.

Руководитель ст. преподаватель

Захаренко Л.А.



Гомель 2015

Содержание

Введение

.Выбор типа АЦП на переключаемых конденсаторах

.Функциональная схема сигма-дельта АЦП

. Расчет элементов функциональной схемы

.1 Расчет элементов аналоговой части сигма-дельта АЦП

.2 Расчет элементов цифровой части сигма-дельта АЦП

.Расчет блока питания

.Расчет погрешностей работы схемы

Заключение

Список литературы

Приложение

Введение

Современные измерительные системы и схемы управления широко используют принцип цифрового преобразования сигналов. Цифровые устройства применяются везде, где требуется высокая точность и хорошая повторяемость преобразований, а результаты должны храниться в течение длительного времени, а также в тех случаях, когда алгоритм преобразования сложен или требуется высокая помехоустойчивость. Поскольку подавляющее большинство сигналов окружающего мира имеет аналоговую природу, сигналы, предназначенные для цифровой обработки, должны быть подвергнуты дискретизации, квантованию и кодированию. И обратно: если на выходе системы требуется получить аналоговый сигнал, то должна быть выполнена операция декодирования и, возможно, интерполяция. Подобные операции выполняются АЦП и ЦАП соответственно, которые могут быть построены на переключаемых конденсаторах.

Первые попытки создания безрезистивных преобразователей были предприняты в середине 1970-х годов. Эти схемы в каком-то смысле были предвестниками широкого распространения схем с переключаемыми конденсаторами, датируемого 1977 г., когда был изготовлен в интегральном исполнении фильтр с переключаемыми конденсаторами. Базовыми элементами для построения АЦП и ЦАП с использованием схемотехники переключаемых конденсаторов являются конденсаторы, матрицы конденсаторов, ключи, ОУ, источники опорного напряжения.

Для управления работой преобразователей на переключаемых конденсаторах применяют многофазные генераторы, сигналы которых могут иметь весьма сложный вид. Применение многофазных генераторов в АЦП обусловлено алгоритмом работы таких преобразователей. Некоторые фазы могут быть использованы для исключения различных паразитных эффектов. Например, МОП ОУ имеет достаточно большое напряжение смещения нуля и температурный дрейф. Поэтому рекомендовано применять схемы с переключаемыми конденсаторами с компенсацией дрейфа.

1. Выбор типа АЦП на переключаемых конденсаторах

Существует много различных типов АЦП на переключаемых конденсаторах (АЦП многотактного интегрирования, с автоматической коррекцией нуля, сигма-дельта АЦП и др.). АЦП многотактного интегрирования имеют ряд недостатков. Во-первых, нелинейность переходной статической характеристики операционного усилителя, на котором выполняют интегратор, заметным образом сказывается на интегральной нелинейности характеристики преобразования АЦП высокого разрешения. Для уменьшения влияния этого фактора АЦП изготавливают многотактными. Например, 13-разрядный AD7550 выполняет преобразование в четыре такта. Другим недостатком этих АЦП является то обстоятельство, что интегрирование входного сигнала занимает в цикле преобразования только приблизительно третью часть. Две трети цикла преобразователь не принимает входной сигнал. Это ухудшает помехоподавляющие свойства интегрирующего АЦП. В-третьих, АЦП многотактного интегрирования должен быть снабжен довольно большим количеством внешних резисторов и конденсаторов с высококачественным диэлектриком, что значительно увеличивает место, занимаемое преобразователем на плате и, как следствие, усиливает влияние помех.

Эти недостатки во многом устранены в конструкции сигма-дельта АЦП (в ранней литературе эти преобразователи назывались АЦП с уравновешиванием или балансом зарядов). Так же очень хорошо подходят для изготовления по современным технологиям высокой степени интеграции. В схемах такого типа аналоговая часть существенно менее сложна, чем цифровая. Для получения большой разрядности преобразования не требуется включения в состав схемы дополнительных элементов. Аналоговая часть преобразователя поддается реализации с помощью переключаемых конденсаторов.

Своим названием эти преобразователи обязаны наличием в них двух блоков: сумматора (обозначение операции - ∑) и интегратора (обозначение операции - ∆ ). Один из принципов, заложенных в такого рода преобразователях, позволяющий уменьшить погрешность, вносимую шумами, а следовательно увеличить разрешающую способность - это усреднение результатов измерения на большом интервале времени.

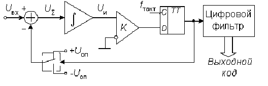
Основные узлы АЦП - это сигма-дельта модулятор и цифровой фильтр. Схема n-разрядного сигма-дельта модулятора первого порядка приведена на рис. 1. Работа этой схемы основана на вычитании из входного сигнала Uвх(t) величины сигнала на выходе ЦАП, полученной на предыдущем такте работы схемы. Полученная разность интегрируется, а затем преобразуется в код параллельным АЦП невысокой разрядности. Последовательность кодов поступает на цифровой фильтр нижних частот.

Рис.1.1. Структурная схема сигма-дельта модулятора

Порядок модулятора определяется численностью интеграторов и сумматоров в его схеме. Сигма-дельта модуляторы N-го порядка содержат N сумматоров и N интеграторов и обеспечивают большее соотношение сигнал/шум при той же частоте отсчетов, чем модуляторы первого порядка.

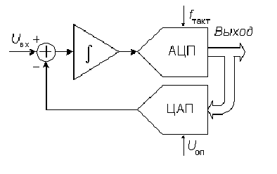
Рис.1.2. Сигма-дельта АЦП

Наиболее широко в составе ИМС используются однобитные сигма-дельта модуляторы, в которых в качестве АЦП используется компаратор, а в качестве ЦАП - аналоговый коммутатор. Принцип действия пояснен в табл. 1 на примере преобразования входного сигнала, равного 0,6 В, при Uоп=1 В. Пусть постоянная времени интегрирования интегратора численно равна периоду тактовых импульсов. В нулевом периоде выходное напряжение интегратора сбрасывается в нуль. На выходе ЦАП также устанавливается нулевое напряжение. Затем схема проходит через показанную в табл. 1 последовательность состояний.

Таблица 1.1

Uвх=0,6 В

Uвх=0 В

N такта

U∑, В

Uи, В

Uк, бит

UЦАП, В

N такта

U∑, В

Uи, В

Uк, бит

UЦАП, В

1

0,6

0,6

1

1

1

1

1

1

1

2

-0,4

0,2

1

1

2

-1

0

0

-1

3

-0,4

-0,2

0

-1

3

1

1

1

1

4

1,6

1,4

1

1

4

-1

0

0

-1

5

-0,4

1,0

1

1

5

1

1

1

1

6

-0,4

0,6

1

1

6

-1

0

0

-1

7

-0,4

0,2

1

1

7

1

1

1

1

8

-0,4

-0,2

0

-1

8

-1

0

0

-1

9

1,6

1,4

1

1

9

1

1

1

1

10

-0,4

1,0

1

1

10

-1

0

0

-1

11

-0,4

0,6

1

1

11

1

1

1

1

12

-0,4

0,2

1

1

12

-1

0

0

-1

13

-0,4

-0,2

0

-1

13

1

1

1

1

14

1,6

1,4

1

1

14

-1

0

0

-1

15

-0,4

1,0

1

1

15

1

1

1

1

16

-0,4

0,6

1

1

16

-1

0

0

-1


В тактовые периоды 2 и 7 состояния системы идентичны, так как при неизменном входном сигнале Uвх=0,6 В цикл работы занимает пять тактовых периодов. Усреднение выходного сигнала ЦАП за цикл действительно дает величину напряжения 0,6 В:

(1-1+1+1+1)/5=0,6.

Для формирования выходного кода такого преобразователя необходимо каким-либо образом преобразовать последовательность бит на выходе компаратора в виде унитарного кода в последовательный или параллельный двоичный позиционный код. В простейшем случае это можно сделать с помощью двоичного счетчика. Возьмем в нашем примере 4-разрядный счетчик. Подсчет бит на выходе компаратора за 16-титактный цикл дает число 13. Несложно увидеть, что при Uвх=1 В на выходе компаратора всегда будет единица, что дает за цикл число 16, т.е. переполнение счетчика. Напротив, при Uвх=-1 В на выходе компаратора всегда будет нуль, что дает равное нулю содержимое счетчика в конце цикла. В случае, если Uвх=0 то, как это видно из табл. 2, результат счета за цикл составит 810 или 10002. Это значит, что выходное число АЦП представляется в смещенном коде. В рассмотренном примере верхняя граница полной шкалы составит 11112 или +710, а нижняя - 00002 или -810. При Uвх=0,6 В, как это видно из левой половины табл. 2, содержимое счетчика составит 1310 в смещенном коде, что соответствует +5. Учитывая, что +8 соответствует Uвх=1 В, найдем

*1/8=0,625 > 0,6 В.

При использовании двоичного счетчика в качестве преобразователя потока битов, поступающих с выхода компаратора, необходимо выделять фиксированный цикл преобразования, длительность которого равна произведению Kсч fтакт. После его окончания должно производиться считывание результата, например, с помощью регистра-защелки и обнуление счетчика.

2. Функциональная схема сигма-дельта АЦП

Принципиальная схема сигма-дельта-модулятора приведена на рис. 3. Такая схема может входить в качестве составной части в сигма-дельта-АЦП. Схема модулятора состоит из интегратора на переключаемых конденсаторах, в котором исключено влияние паразитных емкостей, компаратора, а также цифровой схемы управления, которая вырабатывает четыре управляющие последовательности сигналов с одинаковыми фазовыми сдвигами. Период переключения Т' будет состоять из последовательных периодов интегрирования, которые будем обозначать символом IP. Поэтому напряжение на выходе интегратора можно записать в виде V0(i,j), где i - период интегрирования, а j - номер фазы управляющих сигналов (j=1, 2, 3, 4).

Работа схемы во время i-гo периода интегрирования происходит следующим образом. В фазе 1 ключи S1 и S4 замкнуты, в результате чего конденсатор bC1 заряжен до напряжения Ui. В фазе 2 замкнуты ключи S3 и S5, благодаря чему заряд с конденсатора bC1 будет перенесен на конденсатор С1. Напряжение на выходе интегратора определяется следующим образом:

(i,2) = U0 (i,1) + bUi

Обозначим состояние на выходе компаратора через at, причем

 

В фазе 3 замкнуты ключи S3 и S5, если ai=1, или S2 и S4,

Рис.2.1. Аналоговая часть сигма-дельта АЦП

если аi = -1. В фазе 4 будут замкнуты ключи S2 и S5, если аi=1, или S3 и S5, если аi = -1. Напряжение U0 тогда будет


где Uref - опорное напряжение.

Рассмотрим теперь последовательность, состоящую из периодов интегрирования IPi (1<i<p). Пусть перед началом первого периода напряжение U0 = 0, а напряжение Ui занесено в устройство выборки-хранения. Во время 1Рi компаратор будет сравнивать с нулем напряжение U0(1, 2) =bUi, откуда определяется состояние на выходе компаратора:


Во время IP2 с нулем будет сравниваться напряжение (2, 2) =b(2Ui - aiU ref), откуда получим


Наконец в фазе 1Рp с нулем будет сравниваться напряжение U0(p,2) что даст


Выходной код N1 получим с помощью счетчика в соответствии со следующим выражением:


Как видно из приведенных рассуждений, разрядность преобразователя зависит от количества периодов интегрирования. Например, для получения разрядности 8 бит необходимо осуществить р = 256 периодов интегрирования.

Итак, все сводиться к построению цифровой схемы управления ключами и схемы для своевременного снятия кода. Зададимся частотой генератора

тг = 100 кГц.

3. Расчет элементов функциональной схемы

.1 Расчет элементов аналоговой части сигма-дельта АЦП

Рис. 3.1.1 Аналоговая часть сигма-дельта АЦП

Выберем МС аналоговых ключей из [3]:

КР590КН2:отк = 100 Омвкл = 0.5 мксвх1 = 4.1-13.2 Ввх0 = 0 - 0.8 В

Uпит = 12 Вмакс.имп = 100 мА

В момент замыкания ключа по нему будет протекать максимальный ток:

 < Iмакс.имп

Рассчитаем необходимые емкости:

Т.к. конденсатор должен успевать заряжаться за время одного такта

= 1\fтг = 1\100кГц = 10 мкс, то T = (3-5)t, где t = 2RкСmax.

Следовательно,

Выбираем C1=C2 < Cmax из [1]: КМ - (М75) - 50 В - 430 нФ  10%

ОУ выбираем прецизионный для уменьшения влияния на Uвх [5]:

КР140УД25А:пит = см = 0.03 Ввх = 80 нА= 92дБвых = 1.7 В\мкспот = 140 мА

В качестве компаратора берем МС К554СА3 из [3]:

Параметры МС: пит = 15 Всм = 3мВвх = 1мкАпотр = 6 мА

Выход МС с открытым коллектором, выбираем ограничительный резистор.