Материал: Анализ телефонной станции

Внимание! Если размещение файла нарушает Ваши авторские права, то обязательно сообщите нам

Анализ телефонной станции

Задание 1

Построить схему цифрового коммутационного поля для подключения N=2500 каналов при условии, что в информационной памяти содержится M=2048 ячейки.

Количество ИКМ трактов: N/32=2500/32=78.125≈79

Нужно соединить 10 канал 1-го тракта ИКМ и 3 канал последнего тракта ИКМ подключённого к коммутационному полю. Заполнить ячейки памяти.

Решение

Рис. 1. Схема цифрового коммутационного поля

Из тракта ИКМ приёма, информация записывается в ИФпр (интерфейс приема) и параллельно переносится в информационную память (ИПпр), к этому моменту в АПпр записан номер ячейки ИПпр, которую нужно открыть в момент времени, соответствующий номеру ячейки АПпр.

Интерфейс (ИФ) выполняет функции буфера на 1 цикл ИКМ, а также функцию последовательно - параллельного преобразования.

ИП, или речевая память, содержит столько ячеек, сколько каналов содержит подключаемые к ней тракты. И имеет разрядность 8 бит.

АПпр и АПпер, или правляющая память (адресное ЗУ, предназначена для управления процессом считывания из информационной памяти.

Пространственный коммутатор состоит из двух пар электронных ключей, которыми управляет АП1 и АП2.

Задание 2

. Изобразить структурную схему станции AXE-10 для подключения N=9000 абонентов, М=11000 соединительных линий. Представить развёрнутые схемы блоков абонентского модуля, коммутационных полей станции. Количество блоков коммутационного поля группового искания должно соответствовать количеству трактов ИКМ от абонентских концентратов.

. Изобразить разговорный тракт внутристанционного соединения между абонентом А - №1000 и абонентом Б - №5000, т.е. отметить блоки станции и линии между ними, участвующие в передаче сигналов разговорного тракта на этапе установления соединения «разговор». Указать два направления: приёма и передачи информации, учитывая направленность коммутационных полей при передачи информации. Также указать преобразование 2-хпроводного тракта в 4-хпроводный.

Рис. 2. Структурная схема станции AXE-10 для подключения 9000 абонентов, 11000 СЛ. Разговорный тракт внутристанционного соединения между абонентом №1000 и абонентом №5000.

Задание 3

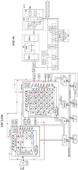
Изобразить разговорный тракт абонентов двух разных станций: АТСЭ-220 и АХЕ-10, описать по этапам процесс установления соединения, начало и отбой со стороны абонента АТСЭ-220.

При отображении разговорного тракта использовать максимально подробные схемы цифровых станций, привести подробную схему абонентского концентратора и всех коммутационных полей (БАИ и ГИ).


Рис. 3. Разговорный тракт абонентов двух разных станций: АТСЭ-220 и АХЕ-10

Система АТСЭ-220 является полностью электронной цифровой АТС и может работать как с аналоговыми, так и с цифровыми станциями.

Подключение абонента А к регистру

1.      Обнаружение вызова абонента А. Когда абонент А поднимает трубку, абонентский шлейф замыкается. Процессор абонентской сигнализации абонентского модуля АМ определяет замыкание шлейфа, воспринимает это как вызов и сообщает об этом блоку управления абонентской ступенью коммутации УУ БАИ (рис. 4).

Рис. 4. Обнаружение вызова абонента А

2.      Опробование разговорного временного канала между АМ и КП БАИ. Блок управления абонентской ступенью коммутации УУ БАИ опробует и занимает свободный разговорный временной канал между абонентским модулем АМ и абонентской ступенью коммутации КП БАИ.

3.      Опробование разговорного временного канала между КП БАИ и КП ГИ. Блок управления абонентской ступенью коммутации опробует и занимает с помощью маркёра свободный разговорный временной канал между абонентской ступенью коммутации КП БАИ и групповой ступенью коммутации КП ГИ. После того, как блок управления абонентской ступенью коммутации выполнит проключение в абонентской ступени коммутации, разговорное соединение АМ-КП БАИ-КП ГИ осуществлено.

Посылка сигнала «Ответ станции»

4.      Определение основных данных входящей линии. Блок управления абонентской ступенью коммутации УУ БАИ определяет с помощью центрального ЗУ основные данные входящей линии, опробованной и занятой согласно п. 3.

5.      Поиск основных абонентских данных. Блок управления абонентской ступенью коммутации отыскивает в центральном ЗУ основные данные абонента А (такими являются, например, списочный номер, категория абонента и право на тастатурный набор).

6.      Опробование связи сигнализации. Блок управления абонентской ступенью коммутации занимает с помощью блока регистров БРг услугу сигнализации. БРг занимает свободный блок обмена сообщениями ASS. Связь сигнализации используется для управления блоками многочастотной сигнализации БПТН и БМЧПП.

7.      Подключение блока приёмников тастатурного набора номера. Регистр опробует по команде блока управления абонентской ступенью коммутации УУ БАИ с помощью маркёра свободный блок приёмников тастатурного набора БПТН, который подключается между разговорным соединением, установленным согласно п. 2 и 3, и связью сигнализации согласно п. 6 (абонент А-АМ-КП БАИ-КП ГИ - БПТН-КП ГИ - БРг).

8.      Подключение сигнализации «Ответ станции». С помощью маркёра блока управления абонентской ступенью коммутации УУ БАИ подключает сигнал «Ответ станции», поступающий от генератора тональных сигналов ТГ, через групповую ступень коммутации КП ГИ к разговорному соединению, установленному согласно п. 2 и 3 (ТГ-КП ГИ - КП БАИ - АМ - абонент А).

9.      Подключение разговорного соединения внутри абонентского модуля. Блок управления абонентской ступенью коммутации УУ БАИ сообщает процессору абонентской сигнализации абонентского модуля АМ о том, что разговорное соединение необходимо осуществить внутри абонентского модуля. После этого абонент А получает от генератора тональных сигналов ТГ сигнал «Ответ станции». Блок приёмников тастатурного набора БПТН и блок УУ БАИ готовы к приёму тастатурного набора (рис. 5).

Рис. 5. Связь сигнализации между блоком регистров и блоком приёмников тастатурного набора.

Приём и анализ информации набора номера

10.    Приём первой цифры номера. Блок приёмников тастатурного набора БПТН распознаёт первую цифру, набранную абонента А, и сообщает её через регистр блоку управления абонентской ступенью коммутации УУ БАИ.

12.    Приём следующих цифр номера. Блок приёмников тастатурного набора БПТН принимает следующие цифры номера и сообщает их программе регистра блока УУ БАИ, которая анализирует набор в центральном ЗУ. Благодаря этому, определяются исходящее направление, соединительная линия и способ сигнализации, которыми в данном случае, в соответствии с исходными предположениями приёма, являются внешнее направление, соединительная линия ИКМ многочастотная сигнализация «2 и 6». На определение исходящего пучка влияет, кроме набора абонента Б, также категория абонента А или входящий пучок. С помощью маркёра регистр по команде блока УУ БАИ освобождает блок приёмников тастатурного набора путём разъединения соединения в групповой ступени коммутации КП ГИ.

Установление исходящего соединения на стадии межстанционной сигнализации

13.    Опробование соединительной линии. С помощью маркёра программа регистра блока УУ БАИ опробует свободную СЛ в пучке исходящего направления. Она занимает в блоке регистра БРг блок обмена сообщениями для исходящего соединения.

14.    Подключение блока БМЧПП. С помощью маркёра блок регистров БРг по команде блока УУ БАИ опробует и занимает свободный блок БМЧПП. Связь между УУ БАИ, БРг, блоком БМЧПП, оконечным станционным комплектом ОСК и соединительной линией является двухсторонней (ТГ→КП ГИ→передатчик БМЧПП→КП ГИ→ОСК→исходящая линия; входящая линия→ОСК→КП ГИ→приёмник БМЧПП→КП ГИ→БРг) (рис. 6).

Рис. 6. Подключение блока регистров и блока БМЧПП

15.    Занятие соединительной линии. Блок УУ БАИ посылает в блок линейной сигнализации БЛС запрос о занятии соединительной линии, опробованной согласно п. 13. Блок линейной сигнализации передаёт на АТС абонента Б линейный сигнал «Занятие» во временном канале сигнализации Т16. Блок линейной сигнализации принимает сигнал «Снятие контроля исходного состояния», переданный в обратном направлении временного канала, и сообщает об этом блоку УУ БАИ. На рис. 7 показано полупостоянное подключение БЛС к исходящему соединению.

Рис. 7. Полупостоянное подключение блока линейной сигнализации к исходящему соединению

16.    Обмен сигналами управления. Блок УУ БАИ передаёт информацию набора через блок регистров и блок БМЧПП и обменивается остальными сигналами управления с АТС абонента Б через соединительную линию, опробованную и занятую согласно п. 13 и 15.

17.    Данные о состоянии абонента Б. в конце многочастотной сигнализации передаётся пара сигналов, в которой регистр АТС абонента Б сообщает на основании состояния абонента Б о том, что соединение может быть осуществлено. Блок УУ БАИ готовится к запросу АОН в абонентской ступени коммутации КП БАИ.

18.    Освобождение блока БМЧПП. С помощью маркёра блок БРг по просьбе блока УУ БАИ освобождает блок БМЧПП, разъединяя подключения в групповой ступени коммутации КП ГИ.

19.    Подключение разговорного соединения внутри групповой ступени коммутации. С помощью маркёра блок УУ БАИ выполняет подключение разговорного соединения, опробованного и занятого согласно п. 2, 3, 13 и 15, в групповой ступени коммутации КП ГИ. После этого разговорное соединение абонент А - АМ - КП БАИ - КП ГИ - ОСК - соединительная линия готова и абонент А получат с АТС абонента Б сигнал контроля посылки вызова. Устройство запроса и приёма информации аппаратуры АОН (приёмник 500 Гц) подключено в групповой ступени коммутации к входящему из АТС абонента Б соединению (подготовка к возможному запросу).

20.    Освобождение регистра. Блок УУ БАИ освобождает регистр.

21.    Передача контрольных данных блоку линейной сигнализации. Блок УУ БАИ сообщает контрольные данные установленного исходящего соединения блоку линейной сигнализации.

Стадия разговора

22.    Сообщение ответа абонента Б. АТС абонента Б посылает в блок линейной сигнализации БЛС сигнал «Ответ абонента Б» или «Запрос АОН» во временном канале Т16. Блок линейной сигнализации сообщает об этом блоку УУ БАИ, который отключает разговорное соединение и подключает устройство запроса и приёма информации аппаратуры АОН и подготавливается к передаче информации АОН (рис. 8).

Рис. 8. Приём линейных сигналов «Ответ абонента Б» или «Запрос АОН»

23.   
 Начало разговора.
Когда ответ распознан, между абонентами А и Б устанавливается разговорное соединение и начинается учёт стоимости разговора. Аппаратура АОН освобождается. На рис. 3 показано прохождение разговорного соединения между АТСЭ-220 и DX-10.

24.    Окончание разговора. Когда абонент А кладёт трубку, абонентский шлейф размыкается. Процессор абонентской сигнализации абонентского модуля АМ распознаёт это событие и сообщает об этом далее в блок управления абонентской ступенью коммутации УУ БАИ. Учёт стоимости разговора прекращается.

25.    Разъединение разговорного соединения в групповой ступени коммутации. С помощью маркёра блок управления абонентской ступенью коммутации УУ БАИ разъединяет разговорное соединение в групповой ступени коммутации КП ГИ.

26.    Сообщение о разъединении. Блок управления абонентской ступенью коммутации УУ БАИ сообщает блоку линейной сигнализации БЛС о разъединении в том случае, если используется односторонняя система отбоя, как в данном случае.

27.    Посылка сигнала разъединения. Блок линейной сигнализации БЛС посылает на АТС абонента Б линейный сигнал «Разъединение» во временном канале Т16 и сообщает блоку управления абонентской ступенью коммутации УУ БАИ о том, что сигнал «Разъединение» послан.

28.    Разъединение разговорного соединения в абонентском модуле. Блок управления абонентской ступенью коммутации УУ БАИ сообщает процессору абонентской сигнализации абонентского модуля о том, что он должен освободить разговорное соединение, проходящее через абонентский модуль.

29.    Разъединение разговорного соединения между АМ и КП БАИ. Блок управления абонентской ступенью коммутации УУ БАИ разъединяет разговорное соединение между абонентским модулем АМ и абонентской ступенью коммутации КП БАИ.

30.    Разъединение разговорного соединения между КП БАИ и КП ГИ. С помощью маркёра блок управления абонентской ступенью коммутации УУ БАИ разъединяет разговорное соединение между абонентской КП БАИ и групповой КП ГИ ступенями коммутации.

31.    Запись учётной информации. После окончания разговора блок управления абонентской ступенью коммутации УУ БАИ посылает учётные и статистические данные разговоров в блок статистики БС.

32.    Освобождение соединительной линии. АТС абонента Б посылает в блок линейной сигнализации БЛС сигнал «Исходное состояние» во временном канале Т16. Блок линейной сигнализации сообщает об этом маркёру, который освобождает соединительную линию путём разъединения подключения в групповой ступени коммутации КП ГИ.

Обнаружение вызова на станции AXE-10

Подсистема СЛ и сигнализации отвечает за организацию потоков с различными типами сигнализации, предназначенных для связи с другими АТС.

Цифровые СЛ ИКМ - тракта включаются в комплект станционного окончания ЦК. Функциональный блок двухсторонней соединительной линии ВТ, управляет подключением соединительных линий и установление соединений. Подсистема сигнализации по общему каналу содержит функции для сигнализации, маршрутизации, контроля и корректировки сообщений ОКС №7. Сигнальные термины СТ-7 для сигнализации по ОКС №7 подключаются к групповому коммутатору БК через комплекты У Пр. устройство У Пр - мультиплексор с выходами 64 кбит/с, который стыкует сигнальный терминал СТ-7 с коммутационным полем БК.

Между БК и БАЛ может быть до 32 ИКМ - трактов. По одному из трактов от БК информация заходит в АМ на ВСЛ затем на временной коммутатор БВК, абонентский комплект АК, подключается аналоговая абонентская линия АЛ, где происходит аналого - цифровое преобразование сигнала.

Ответ абонента, разговор

При снятии абонентом Б трубки, изменяется состояние ТС в АК абонента Б, информация об этом передаётся в ЦП. Получив эту информацию, ЦП выдаёт команды в модуль расширенный групповой модуль Б на выключение сигналов «Посылка вызова» и «Контроль посылки вызова» и проключение в подсистемах подсистему абонентских блоков и БК разговорного тракта. Начинается тарификация соединения.

Отбой абонента А и выдача сигнала «Занято» абоненту Б

При отбое абонента А ЦП выдаёт команду на разрушение разговорного тракта в расширенный групповой модуль абонента А и БК, а также на включение зуммера «Занято» из ПТН абонента Б в блоке расширенный групповой модуль абонента Б через БАЛ и АК.