Материал: Анализ систем автоматизации на предприятии

Внимание! Если размещение файла нарушает Ваши авторские права, то обязательно сообщите нам

Анализ систем автоматизации на предприятии

Содержание

Введение

Характеристика объекта исследования.

Описание предметной области

Характеристика предмета исследования

Функции компании.

Должностные инструкции

Схема функциональной структуры.

Практическая часть.

Построение структурно-функциональной диаграммы функционирования предприятия “AS IS” (как есть)

Анализ существующей модели функционирования предприятия (“AS IS”) и выявление основных недостатков

Построение структурно-функциональной диаграммы функционирования предприятия «TO BE» (как будет) с учетом устранения выявленных недостатков основных бизнес-процессов предприятия

Заключение

Список используемой литературы

Введение


Цели курсовой проекта:

.        применение на практике знаний, полученных в процессе изучения курса «Проектирование ИС»;

.        получение практических навыков создания АИС.

.        изучение бизнес-процессов организации

.        Определение перечня целевых задач (функций) предприятия;

Задачи курсовой работы:

.        получение представлений о методах и средствах проектирования современных ИС;

.        приобретение навыков использования CASE-систем проектирования ИС;

.        развитие самостоятельности при разработке ИС на базе программного продукта AllFusion Process Modeler r7.

.        Анализ распределения функций по подразделениям и сотрудникам;

.        Определение перечня применяемых на предприятии средств автоматизации и используемое ПО.

.        Разработка ИС

Курсовая работа состоит из следующих частей:

Построение функциональной модели предметной области в программной среде AllFusion Process Modeler r7, что включает в себя 2 вида диаграмм:

.        диаграммы IDEF0;

.        диаграмма IDEF3.

В современных условиях динамично развивается рынок комплексных интегрированных систем автоматизации предприятий и учреждений самого различного профиля (финансовых, промышленных, офисных) и самых различных размеров с разнообразными схемами иерархии, начиная от малых предприятий численностью в несколько десятков человек и завершая крупными корпорациями численностью в десятки тысяч сотрудников. Такие системы предназначены для решения задач как предприятия в целом (управление финансовыми ресурсами, управление запасами, планирование и производство, сбыт и снабжение, техническое обслуживание и ремонт оборудования, управление персоналом и т.п.), так и уровня его производственных подразделений, цехов и участков.

Фактически проблема комплексной автоматизации стала актуальной для каждого предприятия. Уже не стоит вопрос “надо или не надо автоматизировать”, предприятия столкнулись с проблемой: каким образом это осуществить. Подобная переориентация предприятий объясняется следующими основными причинами:

·        повышением степени организационной и финансовой самостоятельности;

·        выходом на зарубежный рынок;

·        стремлением ряда западных компаний производить свои товары в России;

·        завершением периода “островковой” автоматизации;

·        возрастающей ориентацией предприятий на бизнес-процессы, т.е. деятельности, имеющие ценность для клиента;

·        появлением на рынке как зарубежных, так и отечественных систем автоматизации, опыта их внедрения и использования и др.

Главная особенность индустрии систем автоматизации различных предприятий и учреждений, характеризующихся широкой номенклатурой входных данных с различными (и нетривиальными) маршрутами их обработки, состоит в концентрации сложности на начальных этапах анализа требований и проектирования спецификаций системы при относительно невысокой сложности и трудоемкости последующих этапов. Фактически здесь и приходит понимание того, что будет делать будущая система и каким образом она будет работать, чтобы удовлетворить предъявленным к ней требованиям. А именно нечеткость и неполнота системных требований, нерешенные вопросы и ошибки, допущенные на этапах анализа и проектирования, порождают на последующих этапах трудные, часто неразрешимые проблемы и, в конечном счете, приводят к неуспеху всей работы в целом.

С другой стороны, не существует двух одинаковых организаций. Даже в таком учреждении как Сбербанк России на уровне его отделений и филиалов выявляются различия в применяемых технологиях. А следовательно, простое тиражирование даже очень хорошей системы управления предприятием никогда не устроит заказчика полностью, поскольку не может учесть его специфики. Более того, в данном случае возникает проблема выбора именно той системы, которая наиболее подходит для конкретного предприятия. А эта проблема осложняется еще и тем, что ключевые слова, характеризующие различные системы, практически одни и те же:

.        единая информационная среда предприятия;

.        режим реального времени;

.        независимость от законодательства;

.        интеграция с другими приложениями (в том числе с уже работающими на предприятии системами);

.        поэтапное внедрение и т.п.

Характеристика объекта исследования


Фирма ООО «ОргСервис» располагается на территории пушкинского района. Пушкинский район находится на северо-востоке Московской области, его административный центр - город Пушкино. Располагающийся на расстоянии от Москвы: 14 км от МКАД по железной дороге, 17 км от МКАД по Ярославскому шоссе, 30 км от центра Москвы - Красной площади. Граничит на юго-западе с Мытищинским районом, на северо-западе - с Дмитровским районом, на севере с Сергиево-Посадским районом, на юго-востоке - с г. Королёв, на северо-востоке - с г. Ивантеевка, Щёлковским районом. ООО «ОргСервис» удалено от административного центра на расстояние 2 км

Компания ООО “ОргСервис” занимается продажей и обслуживанием оргтехники.

Широкий ассортимент продукции требует применения современных компьютерных технологий для оптимизации и модернизации системы торговли.

Снижение выпуска продукции произошло за счёт снижения количества заказов на оргтехнику.

Описание предметной области


В данном отчёте я попытаюсь построить модель деятельности предприятия следующих видов:

модели “как есть”, представляющей собой "снимок" положения дел на предприятии (оргштатная структура, взаимодействия подразделений, принятые технологии, автоматизированные и неавтоматизированные бизнес-процессы и т.д.) на момент обследования и позволяющей понять, что делает и как функционирует данное предприятие с позиций системного анализа, а также на основе автоматической верификации выявить ряд ошибок и узких мест и сформулировать ряд предложений по улучшению ситуации;

модели “как должно быть”, интегрирующей перспективные предложения руководства и сотрудников предприятия, экспертов и системных аналитиков и позволяющей сформировать видение новых рациональных технологий работы предприятия.

На практике ознакомиться с ранее изученными теоретическими основами.

Задачи:

.        Получение практических навыков работы в сфере обслуживания оргтехники;

.        Изучение бизнес-процессов организации;

.        Определение перечня целевых задач (функций) предприятия;

.        Анализ распределения функций по подразделениям и сотрудникам;

.        Определение перечня применяемых на предприятии средств автоматизации и используемое ПО.

.        Разработка ИС.

Характеристика предмета исследования

структурный функциональный диаграмма модель

Функции компании.

Основными функциями компании являются:

)        Закупка товаров от поставщиков;

)        Продажа продукции клиентам;)    Розничным способом;)         Оптовым способом;

)        Обслуживание оргтехники;

Концепции, лежащие в основе деятельности компании - максимальное удовлетворение требований покупателей, профессионализм, поиск новых форм работы с покупателями.

Должностные инструкции


В основном бизнес-процессе задействованы:

)        Директор - В его обязанности входит: организация работы предприятия с целью получения максимальной прибыли при минимальных издержках; планирование и координирование работы всех отделов и подчиненных; своевременное предоставление отчетности о деятельности фирмы, поиск новых решений по оптимизации работы предприятия; обеспечение соблюдения трудового законодательства.

)        Менеджер - анализирует закупленный товар, его количество, и прогнозы потребления. Ведет поиск новых поставщиков. Проводит инвентаризацию, представляет компанию при формулировании политики закупок, занимается продажей товаров клиентам.

)        Инспектор по кадрам - приём на работу, оформление отпусков, обслуживание офисных работников канцелярскими принадлежностями.

)        Бухгалтер - выполняет работу по ведению бухгалтерского учета имущества, обязательств и хоз. операций. Бухгалтер осуществляет прием и контроль первичной документации по соответствующим участкам бух. учета и подготавливает их к счетной обработке. Управляет банковскими счетами, осуществляет своевременную оплату всех государственных отчислений (аренда, налоги, пенсионный фонд и т.д.)

)        Инженер - Системотехник - производит ремонт оргтехники в случае серьезной поломки.

Схема функциональной структуры


Функции управления:

1)      Организационный менеджмент;

2)      Закупочная логистика;

)        Бухгалтерия.

К основным функциям компании относятся:

)        Работа с поставщиками;

2)      Хранение продукции;

)        Обслуживание оргтехники;

)        Продажа оргтехники.

Функции обеспечения:

) Техническое обеспечение.

Практическая часть

Построение структурно-функциональной диаграммы функционирования предприятия “AS IS” (как есть)


Создана модель компании ООО «ОргСервис» AS-IS. Вот ее структура.

В результате обследования предприятия, построена функциональная модель существующей организации работы «как есть». Данная модель реализована с помощью CASE средства AllFusion Process Modeler r7. При создании модели была использована возможность построения смешанной модели, которая содержит одновременно диаграммы разных методологий IDEF0, IDEF3.


На данном рисунке отображена диаграмма А-0, на которой:

На входе:

.        Принимаются заказы клиентов

.        Осуществляется получение продукции от поставщиков

.        Принимаются заявления о приёме на работу.

Управление:

.        Информация о поставщиках

.        Правила и процедуры.

Механизм:

.        Персонал

На выходе:

.        Проданная оргтехника

.        Обслуженная оргтехника

.        Проданные комплектующие.


На данном рисунке отображена диаграмма А0, на которой показаны все главные функции компании, такие как “”Управление, ”Основные функции” и ”Функции обеспечения”.

Заявлениями о приёме на работу, заказами клиентов занимается “Управление”, также выходом являются: заявка на обслуживание, из “Управления” в “Основные функции”. Продукция от поставщиков поступает в “Основные функции”, а выходом являются проданная продукция. Также во все функции поступают правила и процедуры. В функции обеспечения поступает заявка на техническое обслуживание, таким образом выходом является техническое обеспечение. Результаты продаж и обслуживания выходят из “Основных функций” и входят в “Управление”.

Функции управления: Директор осуществляет функцию управления всей компанией в целом, контролирует работу сотрудников, инспектор по кадрам осуществляет приём на работу.

Основные функции: На данном этапе происходит вся основная деятельность компании.

Функции обеспечения: работники осуществляют техническое обеспечение для других работников.


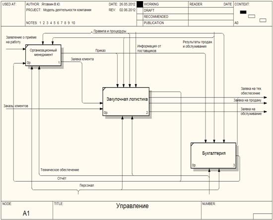
На данном рисунке отображена диаграмма А1, на которой отображены все функции управления. Результаты продаж и обслуживания, выходящие из верхнего уровня, входят во все функции данной диаграммы. Здесь необходимо отметить, что помимо механизма “Персонал”, появился ещё и “Отчёт”, входящий во все функции. “Организационный менеджмент” отдаёт приказы. Заявки на обслуживание и продажу выходят из “Закупочной логистики” и входят на верхнем уровне в “Основные функции”.


На данном рисунке отображена диаграмма А2, на которой отображены основные функции компании. На данном этапе осуществляется получение продукции от поставщиков, отгрузка их на склад. Со склада берутся необходимые комплектующие, далее производится обслуживание оргтехники или просто продажа этих комплектующих. Заявка на обслуживание приходит на склад.


На данном рисунке отображена диаграмма IDEF3 Scenario, имеющая название А2.3.1. Здесь показан процесс обслуживания некоего принтера. В начале обслуживания идёт процесс проверки состояния оргтехники, затем подготавливаются необходимые комплектующие. На следующем этапе клиент может выбрать, что лучше ему заменить. Далее, в обязательном этапе, собирается корпус принтера. В конце сценария, если того хочет клиент, ему выдается новый кабель питания и наклейки на принтер. На этом сценарий заканчивается.


На данном рисунке отображена FEO диаграмма, которая отображает отдельные детали диаграммы А0.


На данной диаграмме (Organization Chart Diagram) отображены все работники компании.


На данной диаграмме (Swim Lane Diagram) отображён процесс обслуживания принтера в аналитическом отделе.

Создана модель компании ООО «ОргСервис» TO-BE.

Анализ существующей модели функционирования предприятия (“AS IS”) и выявление основных недостатков


Модель ТО-ВЕ создается на основе анализа модели AS-IS. Анализ может проводиться как по формальным признакам (отсутствие выходов или управлений у работ, отсутствие обратных связей и т. д.), так и по неформальным - на основе знаний предметной области.

Детализация позволила выявить недостатки компании даже там, где функциональность, на первый взгляд, выглядит очевидной.

Реинжиниринг бизнес-процессов - перепроектирование бизнес-процессов для достижения коренных улучшений основных показателей деятельности предприятия. Реинжиниринг бизнес-процессов выполняется на основе интегрированных корпоративных информационных систем, которые обеспечивают поддержку управления деловыми процессами на всех уровнях.

Целью реинжиниринга бизнес-процессов является системная реорганизация материальных, финансовых и информационных потоков, направленная на упрощение организационной структуры, перераспределение и минимизацию использования различных ресурсов, сокращение сроков реализации потребностей клиентов, повышение качества их обслуживания.

Предложены изменения:

.        Ввести в эксплуатацию новую ИС, позволяющую вводить заказы в электронном виде.

.        Необходимо добавить новые должности «Маркетолог», «Специалист по рекламе».