![]()
Ом Узел
“0” - 2
![]()
Ом
Дерево
графа:
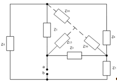
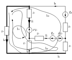
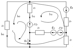
Рис. 4. Граф сложной электрической цепи
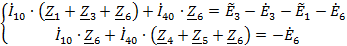
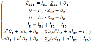
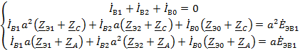
На основании законов Кирхгофа составим систему независимых алгебраических
уравнений относительно токов или напряжений ветвей.
1)
![]()
)
![]()
)![]()
I)![]()
II)![]()
III)![]()
Преобразуем
источники тока в эквивалентные источники ЭДС.
Рис. 5 Преобразованная схема
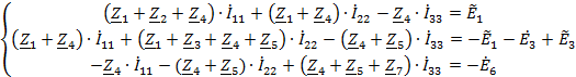
Составим,
с помощью матриц, систему уравнений подлежащую решения с целью определения
контурных токов.
Матрица
основных контуров:
1
4
5
2
3
6
1
-1
1
2
С =
1
-1
-1
1
3
1
1
1
6
Матрицы источников:
Матрица параметров Z:
Система уравнений:
Контурные токи:
Токи
в ветвях:
Рассчитаем токи в ветвях методом узловых напряжений.
Преобразуем источники ЭДС в эквивалентные источники тока
Рассчитаем
проводимости ветвей:
Преобразованная
схема
Рис.
6 Преобразованная схема
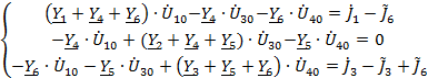
С
помощью матриц, составим систему уравнений, подлежащую решению с целью
определения узловых напряжений
Матрица
интенденции:
Матрицы
источников
Матрица
параметров Система
уравнений:
Узловые напряжения:
Напряжения
ветвей:
Токи
в ветвях
Результаты
расчетов токов двумя методами очень близки.
Определим
ток При
определении тока Рис.
7 Схема эквивалентного генератора
Тогда,
искомый ток Чтобы
найти Рис.8
Преобразованная схема
Токи
Для
определения Рис.
9 Преобразованная схема
Преобразуем
треугольник Искомый
ток
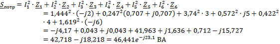
Составим баланс активных и реактивных мощностей
Строим топографическую диаграмму напряжений, сопряженную с векторной
диаграммой токов: приложение 2
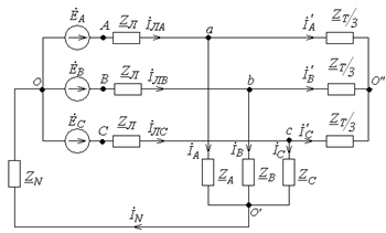
Схема
заданной трехфазной электрической цепи приведена на рис. 1.
Рис.10.
Схема, рассчитываемой трехфазной ЭЦ
Для упрощения расчета данной трехфазной цепи заменим треугольник нагрузки
эквивалентной звездой, где сопротивление плеча равно Рис. 11. Преобразованная схема
В полученной схеме вследствие ее симметрии нейтральные точки генератора и
нагрузки могут быть объединены и расчет целесообразно вести для одной фазы,
независимо от других, например, для фазы А.
Выделим фазу А:
Рис. 12. Расчетная схема для фазы A
Находим токи фазы А:
Токи
фаз В и С:
Токи
в фазах треугольника учетом того, что нагрузка симметричная, при указанных на
схеме условных положительных направлениях токов, находим из соотношений:
Мгновенные
токи:
На диаграмме сначала строим векторы всех токов. Примем потенциал узла «0»
равным нулю, тогда:
В данном случае ваттметры включены в фазы А и В по схеме двух ваттметров,
т.е. Р=РА+РВ.
Определяем показания каждого ваттметра
Проверим баланс активной мощности
Относительная
ошибка составляет менее 3% что подтверждает правильность расчета.
Определить
мгновенные токи Так
как нагрузка трехфазной цепи для первой и пятой гармоник является симметричной,
то порядок вычисления токов для каждой из этих гармоник аналогичен порядку
расчета симметричного режима.
Токи
по первой гармонике рассчитаны ранее.
Гармоника
При
расчете токов третьей гармоники необходимо учитывать то положение, что высшие
гармоники, порядок которых кратен трем, образуют систему нулевой
последовательности, т.е. Рис.13.
Расчетная схема третьей гармоники
Рассчитаем
сопротивления для третьей гармоники
Гармоника
Рис.
14. Расчетная схема для пятой гармоники.
Рассчитаем
сопротивления для пятой гармоники:
Находи
токи фазы А
Токи
фаз В и С
Токи в фазах треугольника:
Мгновенные
токи
Расчет входного ЭДС представляется в виде суммы:
Действующее
значение искомого ЭДС где
действующие значения гармонических составляющих ЭДС Рис.
15. Формы ЭДС при первой, третьей и пятой гармониках
Рис. 16. Форма результирующего, несинусоидального ЭДС
5.4
Анализ трехфазной цепи синусоидального тока методом симметричных составляющих ( Метод симметричных составляющих основан на том положении, что любая
несимметричная система токов или напряжений в трехфазной цепи может быть
представлена в виде суммы трех симметричных систем прямой, обратной и нулевой
последовательностей. Если в цепи существуют несимметричные участки, то,
используя принцип компенсации, эти участки заменяют несимметричными источниками
напряжений, которые затем представляют как сумму трех симметричных источников
различных составляющих. После такой замены вся цепь для каждой последовательности
становится симметричной и для неё разноимённые симметричные составляющие токов
и напряжений не зависят друг от друга. Следовательно, дальнейший расчет токов
можно вести относительно симметричных цепей отдельных последовательностей.
Принимая фазу В за основную, составляем расчетные схемы прямой, обратной
и нулевой последовательностей.
Рис.15. Эквивалентные схемы для а) Прямой, б) обратной, в) нулевой
последовательностей
Для каждой их схем составляем уравнения по второму закону Кирхгофа и три
дополнительных уравнения.
Преобразуем схемы различных последовательностей.
Рис.16. Преобразованные схемы для а) Прямой, б) обратной, в) нулевой
последовательностей.
Мгновенные значения токов:
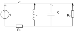
Найти
Рис.17.
Исходная схема
Расчет
переходного процесса при действии в электрической цепи постоянной ЭДС
Классический метод
Рассчитаем независимые начальные условия.
Учтем, что при действии в цепи источника постоянной ЭДС индуктивность L
Имеет нулевое сопротивление(закоротка), а емкость представляет разрыв.
Рис.
18. Схема на момент времени Таким
образом, имеем независимое начальные условия:
Рассчитаем
установившийся ток Рис.
19. Схема на момент t= Находим
корни характеристического уравнения.
Для
получения характеристического уравнения составим выражение входного
споротивления Рис.
20. Пассивная схема.
Запишем
выражение свободной составляющей тока Таким
образом, для тока Определим
зависимое начальное условие - значение Воспользуемся
послекомутационной схемой цепи при t=0
В
этой схеме индуктивность заменим некой ЭДС, Рис.
21. Схема на момент коммутации (t=0).
Определяем
постоянные интегрирования
Запишем
общий вид искомого решения и его производной
Подставим
в них t = 0
Окончательное
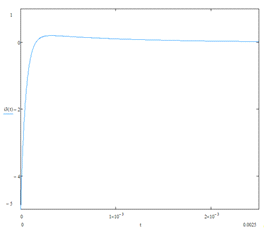
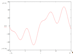
выражение для тока Строим
график
Форма
тока Рис.
22. Форма тока Итогами данной курсовой работы является:
· закрепление теоретических знаний и самостоятельное применение их к
анализу электрических цепей;
· выработка навыков и умений в выполнении типового анализа
цепей;
· знакомство с правилами оформления технической документации.
Следует отметить, что все расчеты были выполнены с достаточной точностью
и в пределах максимально допустимой погрешности, а так же были повторно
проверены в программных продуктах Multisim и MathCad.
электрический ток
реактивный мощность
1. Л.Р. Нейман, К.С. Демирчан - Теоретические основы
электротехники. Том 1. Санкт-Петербург: «Энергоиздат», 1981г.
2. Г.В. Зевеке, П.А. Ионкин, А.В. Нетушил, С.В. Страхов
- Основы теории цепей. Учебник для вузов. Изд. 4-е, переработанное. М.,
«Энергия», 1975г.
. Т.И. Атабеков - Теоретические основы
электроэнергетики. М.: «Энергия», 1978г.

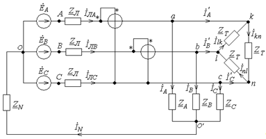
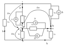
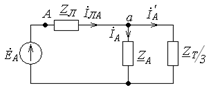
.2 Расчет
сложной электрической цепи методом узловых напряжений
![]()
![]()
![]()
![]()
A
![]()
A
![]()
A
![]()
A
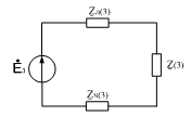
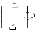
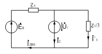
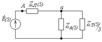
4.3 Расчет
сложной электрической цепи методом эквивалентного генератора
![]()
по теореме
об эквивалентном источнике напряжения.
![]()
всю
остальную цепь по отношению к этой ветви можно заменить эквивалентным
источником напряжения ![]()
c
внутренним сопротивлением ![]()
.
![]()
.
![]()
необходимо
разомкнуть ветвь с сопротивлением ![]()
и
вычислить напряжение ![]()
на ее
зажимах, при этом ![]()
.
![]()
найдем
методом контурных токов.
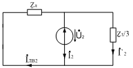
![]()
исключаем
все источники цепи и рассматриваем цепь как пассивный двухполюсник по отношению
к зажимам a-b
![]()
в
эквивалентную звезду
.4 Проверка
баланса активных реактивных мощностей.
4.5
Построение векторно-топографической диаграммы.
5. Расчет
трёхфазных электрических цепей.
.1 Исходные
данные
Ом,
Ом,
Ом,
Ом,
В,
В,
В.
.2 Расчет
симметричного режима трехфазной цепи
(рис. 2).
Ом
А
![]()
A
![]()
A
![]()
А
![]()
A
![]()
A
![]()
А
![]()
A
![]()
A
![]()
A
![]()
A
![]()
A
![]()
А
![]()
A
![]()
A
![]()
A
![]()
A
![]()
A
![]()
A
![]()
A
![]()
A
![]()
A
![]()
A
![]()
A
5.2.1
Построение векторно-топографической диаграммы
![]()
![]()
![]()
![]()
B
![]()
![]()
.2.2 Расчет
мощности в трехфазной цепи
![]()
![]()
5.3
Расчет симметричной трехфазной цепи при воздействии несинусоидальной ЭДС
![]()
при
воздействии несинусоидальной эдс
![]()
В
![]()
, В, то,
токи фаз А, В, С, также образуя нулевую последовательность, совпадают по фазе и
в нулевом проводе появляется ток утроенной частоты, равный их сумме ![]()
![]()
Ом
![]()
Ом
![]()
Ом
![]()
Ом

A
![]()
A
![]()
A
![]()
Ом
![]()
Ом
![]()
Ом
![]()
Ом

A
![]()
A
![]()
A
![]()
A
![]()
A
![]()
A
![]()
A
![]()
A
![]()
A
![]()
A
![]()
A
![]()
A
![]()
А
![]()
A
![]()
A
![]()
A
![]()
A
![]()
A
![]()
A
![]()
A
![]()
A
![]()
A
![]()
A
![]()
A
5.3.1 Расчет
входного ЭДС
при учете гармоник 1, 3, 5 вычисляется по формуле:
В,
равны:
В,
В,
В.
![]()
)
а)
б)
в)
а)
б)
в)
![]()
А
![]()
A
![]()
A
![]()
A
![]()
A
![]()
A
![]()
B
![]()
B
![]()
B
![]()
A
![]()
A
![]()
![]()
A
![]()
A
![]()
A
![]()
A
![]()
A
![]()
A
![]()
A
![]()
A
![]()
А
![]()
A
![]()
A
![]()
A
![]()
A
![]()
A
![]()
A
![]()
A
![]()
A
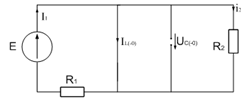
6. Расчет
переходного процесса в электрической цепи
.1 Исходные
данные
Ом,
мГн,
Ом,
мкФ,
В. ![]()
1/С
.2 Расчет
переходного процесса в электрической цепи
![]()
A
![]()
B
![]()
A
![]()
B
![]()
это ток,который
установится в ветви по завершении переходного процесса ![]()
![]()
![]()
по
отношению к разрыву ветви с емкостью и решим уравнение ![]()
.
Индуктивное сопротивление примем равным за ![]()
,
емкостное ![]()
![]()
![]()
![]()
имеем
![]()
![]()
имеем
![]()
и ![]()
![]()
направленным
навстречу току ![]()
Но т.к. ![]()
то вместо
источника ЭДС - провод
![]()
A
![]()
B
![]()
B/c
![]()
A
![]()
A/c
![]()
A/c
![]()
имеет
вид
![]()
A
при переходном процессе будет выглядеть следующим
образом:
при переходном процессе.
Заключение
Литература: