Материал: Анализ линейных электрических цепей в установившемся и переходном режимах

Внимание! Если размещение файла нарушает Ваши авторские права, то обязательно сообщите нам

Анализ линейных электрических цепей в установившемся и переходном режимах

Оглавление

1. Введение

. Задание на курсовую работу

. Расчет простейшей электрической цепи

.1 Схема для анализа. Исходные данные для простейшей электрической цепи

.2 Метод расчета простейшей электрической цепи

.3 Проверка баланса мощностей в простейшей цепи

.4 Построение векторно-топографической диаграммы

. Расчет сложной электрической цепи

.1 Схема для анализа. Исходные данные для сложной электрической цепи

.2 Расчет сложной электрической цепи методом контурных токов

.2 Расчет сложной электрической цепи методом узловых напряжений

.3 Расчет сложной электрической цепи методом эквивалентного генератора.

.4 Проверка баланса активных реактивных мощностей

.5 Построение векторно-топографической диаграммы

. Расчет трёхфазных электрических цепей

.1 Исходные данные

.2 Расчет симметричного режима трехфазной цепи

.2.1 Построение векторно-топографической диаграммы

.2.2 Расчет мощности в трехфазной цепи

.3 Расчет симметричной трехфазной цепи при воздействии несинусоидальной ЭДС

.3.1 Расчет входного ЭДС

.4 Анализ трехфазной цепи синусоидального тока методом симметричных составляющих

. Расчет переходного процесса в электрической цепи

.1 Исходные данные

.2 Расчет переходного процесса в электрической цепи

Заключение

Литература

1. Введение


Целью данной курсовой по разделу «Анализ линейных электрических цепей в установившемся и переходном режимах» работы является:

·  закрепление теоретических знаний и самостоятельное применение их к анализу электрических цепей;

·        выработка навыков и умений в выполнении типового анализа цепей;

·        знакомство с правилами оформления технической документации.

В данной курсовой работе применяются следующие методы расчета и понятия:

·  постоянные и переменные токи и напряжения;

·        амплитуда и фаза;

·        действующие и мгновенные значения токов и напряжений;

·        комплексный метод расчета в цепях переменного тока;

·        энергия и мощность в цепях переменного тока;

·        векторные и топографические диаграммы;

·        сложные и простые электрические цепи;

·        схема цепи и ее граф;

·        законы Кирхгофа;

·        методы решения сложных цепей и простых;

·        основные свойства и преобразования в электрических цепях;

·        принцип суперпозиций;

·        свойство взаимности;

·        основные свойства трехфазных цепей переменного тока;

·        метод несимметричных составляющих;

·        методы расчет электрических цепей при переходных процессах.

2. Задание на курсовую работу


. Анализ простейшей электрической цепи синусоидального тока

. Построить схему простейшей электрической цепи, используя кодировку ветвей в соответствии с вариантом.

3. Определить комплексные действующие значения токов по заданным действующим значениям ЭДС источников и параметрам элементов .

. Записать выражения мгновенных значений токов , ,  и построить их графики.

. Проверить баланс активных и реактивных мощностей.

. Построить векторную диаграмму токов и топографическую диаграмму напряжений в одной координатной системе.

. Определить по векторно-топографической диаграмме действующее значение напряжения  и сдвиг фаз между напряжениями  и .

. Для исходной схемы найти мгновенное значение напряжения , если ЭДС источника не задана, но известен ток .

. Анализ сложных (разветвлённых) электрических цепей

. По заданному графу и в соответствии с номером варианта работы построить схему цепи с числом узлов  и числом ветвей .

. На изображении графа заданной схемы выделить его дуги, назначенные ветвями дерева на схеме цепи, обозначить базисный узел.

. Сформировать основные топологические матрицы исследуемой электрической цепи. Составить с их помощью систему контурных уравнений.

. Решить полученную систему контурных уравнений и с помощью найденных контурных токов вычислить токи всех ветвей.

. Составить систему узловых уравнений. Решить ее и на основе найденных узловых напряжений вычислить токи ветвей. Полученные результаты сравнить с токами, найденными по методу контурных токов.

. В соответствии с индивидуальным заданием, для одной из ветвей найти ток по теореме об эквивалентном источнике напряжения (или эквивалентном источнике тока)

. На основании законов Кирхгофа составить систему независимых алгебраических уравнений относительно комплексов токов или напряжений ветвей.

. Проверить правильность решения задачи анализа цепи по выполнению баланса активных и реактивных мощностей.

. Построить векторную диаграмму токов ветвей и векторно-топографическую диаграмму напряжений. В последней показать узловые напряжения и напряжения всех ветвей схемы.

. В симметричной трёхфазной цепи определить все мгновенные токи при воздействии на цепь синусоидальной ЭДС.

. Построить векторно-топографическую диаграмму.

. Определить показания ваттметров.

. Проверить баланс активной мощности.

. Определить все мгновенные токи при воздействии несинусоидальной ЭДС.

. Построить график несинусоидальной ЭДС фазы А.

. Для трехфазной электрической цепи, на входе которой действует симметричная система ЭДС прямой последовательности определить токи для заданного варианта продольной или поперечной несимметрии методом симметричных составляющих.

. Для заданной цепи определить искомый параметр тока или напряжения при переходном процессе.

. Построить график искомой величины при переходном процессе.

3. Расчет простейшей электрической цепи

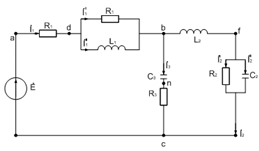
.1 Схема для анализа. Исходные данные для простейшей электрической цепи


Рис. 1. Схема простейшей электрической цепи

Исходные данные.

Em=10 B R1=2 Oм L1=0.8 мГн C2=159 мкФ

Ψe = -70O R2=2.5 Ом L2=0.99 мГн C3=265 мкФ

ƒ=200 Гц R3=1.5 Ом

Рис.2. Общий вид рассчитываемой схемы

.2 Метод расчета простейшей электрической цепи


Вычисляем реактивные сопротивления:

XL1=2πƒL1=2π2000.810-3=1 Ом

XL2=2πƒL2=2π2000.9910-3=1.244 Ом

XC2=

XC3=

Находим комплексные значения сопротивлений ветвей и всей цепи:

Z1=R1+

Z2=jXL2+

Z3=-jXC3+R3=-j3+1.5=3.354e-j63.4 Ом

Найдем сопротивление параллельных ветвей:

Z23=Z2Z3/(Z2+Z3)=2.015ej3.354e-j63.4/(2+j0.244+1.5-j3)=6.758e-j56.4/(3.5-j2756)=1.517e-j18.2=1.441-j0.474 Ом

Найдем полное сопротивление цепи:

Z23=Z1+Z23=2.4+j0.8+1.441-j0.474=3.841+j0.326=3.855ej4.9 Ом

Находим комплексные действующие значения токов:


Найдем комплексные действующие значения токов:





3.3 Проверка баланса мощностей в простейшей цепи.


Мощность источника

U


Мощность нагрузки


Относительная ошибка

.4 Построение векторно-топографической диаграммы


Выберем масштаб токов  , и напряжений - .

Полученная диаграмма приведена в приложении 1. По ней действующее значение напряжения , а сдвиг фаз между напряжениями  и  оказался равным 20°.

Находим мгновенное значение напряжения , если известен ток

4. Расчет сложной электрической цепи.

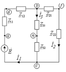
.1 Схема для анализа. Исходные данные для сложной электрической цепи


Рис.3. Схема сложной электрической цепи.

Исходные данные:

 Ом  В  А

 Ом  В  А

 Ом Связи 2,3,6

 Ом Ветвь “n” - 2