ВАРИАНТ
1
1.
Хим техн-ия класс: Ответ
1
( Орган. и неорган.)
2.
Производи-ть это: Ответ
2
( кол-во перераб. Продукта в един.
времени)
3.
В каком реак-ре создаёт. интесив.
перешивание конц-ия реагентов одинакова:
Ответ
3
( РИС-П )
4.
Если протекает обрат. экзо р-ия окис-ия
серного ангидрида. необходимо: Ответ
2
( отводить тепло)
5.
Для простой обратимой р-ии А>R
зав-ть X=f(Kp)
выражен:
Ответ 3
X*A=Kp/(Kp-1)
6.
Для опр-ия Кр при значен суммы тепм-ры
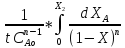
прим-ся эмпир ур-ие: Ответ
1 ( lgKp
= H/2,3RT
+ a1
lgT+a3T2+B2
)
7.
Степень
превращение – это: Ответ
3
(отношение кол-ва реагент, вступ. в р-ию
к его исх. кол-ву.)
8.
Мат. Баланс в диф. Форме для элемен V
р-ра выжар. ур: Ответ
D(d*Ca/Dx2)
+ d2CA/dy2
…) +rA
9.
Зав-ть скор-ти простой обратимой экзо
р-ии от темп-ры: Ответ
1
( проходит через макс.)
10.
Скор-ть
простой необрат. р-ии А>K
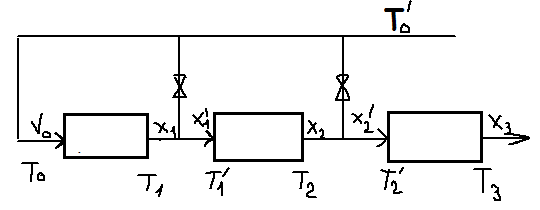
опис ур-ем:
Ответ
1
r=KoE^(E/RT)*Cn
11.
Селект-ть
– это: Ответ
1 (произ-ть
отнесен к какой либо величине харак.
размеры аппарата к его объёму
12.
Для увел. степени превращ в р-ии N2+3H2
>
2NH3
необходимо: Ответ
1
(повышать давление)
13.
Изм-ие энерги Гиббса можно опр-ть по
ур-ию G=H-TS
где H
это: Ответ
1. (тепловой
эффект р-ии)
14.
Мат.баланс в диф.форме показ общее сумму
конц-ии исх.в-в во времени объёме: Ответ
dCA/dτ
15.
Интенсивность опр-ся по формуле: Ответ
3
(U=B/Vr*t)
16.
На рис. зав-ть С=f(T)
график крестом:
Ответ
1.
(необратимый)
17.
Вероятность протекания р-ии опр величиной
G<0:
Ответ
3.
(слева направо)
18.
Степ.превращ. для необрат. р-ии опр-ся
по формуле: Ответ
4
(
Xa=(Nao-Na)/Nao
)
19.
Зав-ть
скор-ти р-ии протек. в газ.фазе от давления:
Ответ
2
(
r=k’pn
)
20.
Выход продукта для необрат р-ии равен:
Ответ 1 (
ФR=XA
)
21.
Для экзо р-ии равновесие. степ.превращ
при умен-ии темп-ры: Ответ
1
(увел-ся)
22.
На рис. представлена зав-ть С=f(T)
две полосы вправо, одна вниз сверху
вправо. Ответ
1
(паралл. р-ии)
23.
Для экзо р-ии, равновесие степ.превращ.
при увел. темп-ры: Ответ
3
(уменьшается)
24.
Выход продукта сложн. р-ии равен:
Ответ
4
( ФR
=XA*фК
)
25.
Изм-ие энергии Гиббса можно опр-ть по
ур-ию:
Ответ
3
( G=∑
(ni*Gi)K-∑(ni*Gi)п
)
26.
Для простой обрат. экдо р-ии при увелич
темп-ры Va:
Ответ
3
(увелич)
27.
Для простой обрат. эндо р-ии сумм. скор-ть
р-ии:
Ответ
3
( понижается )
28.
Для увелич Xa
в р-ии CO+H2O
= H2+CO2
необходимо: Ответ
3 (давление
не вляет)
29.
Для простой необрат.р-ии зав-ть Ха=f(T)
выраж:
Ответ
2
( S-образной
кривой)
30.
Написать ур-е матем.описания РИС-П:
Ответ
τ=CAoʃdXf/-ra
31.
При
эндо р-иях для прямой теплотвд вправо
необходимо. Ответ
3
(повыс темп-ру р-ии смеси на входе)
32.
При протек. каких р-ии размер реактора
имеет знач: Ответ
2
(простых р-ии)
33.
Ур-ие тепл баланса в диф форме, покажите
обведите. Ответ
pCp*(dT/dτ)
34.
Продолж-ть
одного цикла, проводим в переодич р-ре
опр ур-ем: Ответ
4 (τп=
τ+
τвсп)
35.
Для слож р-ии у кот. порядок основной
р-ии больше порядка побочной р-ии и
селек-ть умень с повыш. степ.превращ
поэтому выгодно применять: Ответ
3
( РИВ )
36.
Для какого реак-ра харак. что реакц.смесь
движ. только в одном направлении: Ответ
3
(РИВ)
37.
Ур-ие тепл.баланса в диф.форме. показ.
скорость подвода или отвода тепла в
хим.р-ии: Ответ
rAΔH
38.
Написать
ур-ие РИС-П для р-ии 1-го порядка:
Ответ
τ=
1/k*ln(1/1-XA)
39.
Ур-ие
РИВ-П в политро режиме:
Ответ
1
(
HdXA=C’pdT+(F’kT/BAo)dl
)
40.
Ур-ие мат.баланса в РИВ при нестационарном
режиме: Ответ
3 ( dCA/dτ=-w(dCA/dl+rA
)
41.
Ур-ие РИВ для р-ии 0-го порядка: Ответ
τ=САоXA/k
42.
В
каком р-ре наблюд.резкое изм-е конц-ии
исх.реагент при вх в р-р. мгновенно
смеш-ие: Ответ
1
(РИС-Н)
43.
Ур-ие
РИВ-П в адиаб.режиме:
Ответ
2
(
HXA=C’p(T-To)
44.
Для сложн. р-ии с увелич конц-ии исх.в-ва
CA
селек-ть увелич, выгодно прим-ть: Ответ
3
( РИВ )
45.
Написать
ур-ие мат.описания модели РИС-Н:
Ответ
τ=
(CAoXA)/-rA
46.
При
эндо р-иях прямая теплоотвода и S-образная
кривая будут: Ответ
1
( одну точку пересечения )
47.
Модель
РИС-Н для 1 порядка:
Ответ
τ
= ХA/(k•(1-XA)
48.
Ур-ие РИС-Н-П в адиб. режиме
Ответ
2
H*XA=C’p•(T-To)
49.
Ур-ие теп.баланса в диф.форма выраж.формулой
покаж. скорость отвода тепла молекул.
и конвект. теплопровд. реакц.смеси:
Ответ
λ(d2T/dx2+d2T/dy2+d2T/dx2)
50.
Ур-ие
К-РИВ Ответ
3 (τ/CAo)=dXA/-rA
51.
Ур-ие РИС-Н-И в изотерм.режиме:
Ответ
3 ( ΔHXA=FkT/BAo)
52.
Написать ур-ие РИВ, для n-го
порядка:
Ответ
τ
=
53.
Истинное
время пребыв.реаген. в реак-ре для
необрат. р-ии n-го
порядка для РИВ:
Ответ
5
τ=1/kCAon+1*ᶘ(1+CaXa)n-1/(1-Xa)n*dXa
54.
Ур-ие
РИС-П-П:
Ответ
7
(HdXA=C’pdT+(FkT/NAo)*dτ
55.
Для того чтоб перемес-ть S-образную
кривую влево, необходимо: Ответ
1
(увелич время пребыв.реаген)
56.
Каскад
реактаров вытеснения с промежуточным
теплообменом между горячей реакцией
и исходными реагкнтами. На подогрев
подается регулируемое кол-во исходных
реагентов. Это позволяет изменить в
необходимых пределах температуру смиеси
на входе в каждый реактор. В каждом
реакторе наблюдается адиабатический
разогрев, а в теплообменнике происходит
охлаждение реакционной смеси.
57. Технологический режим - это совокупность технологических параметров (P,T,C0реагентов и тд.) определяющих условия работы аппарата или системы аппаратов ( технологические схемы )
58. Перемещение материала изменение их формы и размеров , сжатие и расширение , смешение и разделение потоков-- это механические и гидромеханические процессы.
59. Концентрация реагирующих вещ-в оказывает сильное влияние на выход цельных продуктов. Описать влияние увеличения концентраций исх. реагентов --- При увелич. Конц. исходных продуктов ,т.е увеличен. конц. продуктов реакции . Для снижения конц. продуктов реакции их выводят из системы частично или полностью по мере накопления( за счет повышения конц. исх. реагентов ). Увеличить выход продуктов можно за счет сдвига равновесия. Обычно повышают конц. наиболее дешевого ком-та.
60. Химический процесс – это одна или несколько хим. р-ций сопровождаемых переноса теплоты , импульса оказывающие влияние друг на друга и на протекание хим. реакции.
61. Растворение, кристализация, сушка, дистиляция, ректификация и т.д – это массообменные процессы
62. Хим. производство – сов-ность процессов переработки сырья в нужные продукты с использванием химических превращений осуществ. в предназначеных для этого машинах и аппаратах.
63.
При
проведении экзотермической обратимой
реакции получен график X=f(T)
продолжите схему оформления процесса
и его описание :