Материал: Sb95751

Внимание! Если размещение файла нарушает Ваши авторские права, то обязательно сообщите нам

отрезке времени от 0 до τ, где τ – длительность импульса, практически униполярны.

Рис. 5.2

При замыкании полностью управляемого ключа К начинается разряд ОИЛВ на нагрузку. Если ключ остается замкнутым в течение отрезка времени t > τ, то к моменту времени t = τ практически вся энергия, запасенная в ОИЛВ, выделится в нагрузке, если она является согласованной (ρ = R). Форма импульса тока ОИЛВ незначительно отличается от формы импульса тока эквивалентных ОИЛ. На рис. 5.2 изображены кривые токов в нагрузке 5-звенной ОИЛ и ОИЛВ. Как видно из рисунка, импульсы тока ОИЛВ имеют несколько большую длительность по сравнению с импульсами ОИЛ, причем сколько-нибудь заметное различие в форме начинается с момента временя t = 1. Таким образом, введение вентилей в ОИЛ не влияет на фронт и вершину импульса. Срез импульса получается немного более пологим, но поскольку в генераторах прямоугольных импульсов тока регулируемой длительности с ОИЛВ обязательно наличие полностью управляемого ключа, предназначенного для регулирования длительности импульса, то длительность среза импульса будет определяться параметрами самого ключа и контура нагрузки. При регулировании длительности импульса полностью управляемый ключ S1 отключает ОИЛВ от нагрузки в момент времени t < τ. Энергия, оставшаяся в ОИЛВ и запасенная в электрическом поле емкостей С1 – Сn и поле индуктивностей L2 – Ln практически полностью сохранится, перераспределившись в энергию электрического поля емкостей ОИЛВ. На рис. 5.3 приведены кривые токов в индуктивностях, а на рис. 5.4 – напряжения на емкостях ОИЛВ при времени размыкания ключа t = τ/2.

21

Рис. 5.3

Таким образом, введение вентилей в ячейки ОИЛ позволяет плавно регулировать длительность импульса тока нагрузки при сохранении высокого значения КПД. По окончании переходного процесса в ОИЛВ в емкостях ячеек остается определенная доля энергии. Емкости при этом

заряжены до различных остаточных напряжений Uост, причем всегда

выполняется условие Uост1 > Uост2 > ... > Uостn.

РасчетпараметровэлементовОИЛВаналогиченрасчетупараметровОИЛ.

Задание к лабораторной работе

1. В схеме ОИЛ (τ = 1 мс, Rн = 1 Ом, n = 5) введите последовательно с нагрузкой ключ, управляемый по времени. Предварительно зарядите все

конденсаторы, используя режим Read и кнопку VID. Ключ замкнут в момент времени t = 0 ÷ τ/2. Постройте временные диаграммы:

-тока в нагрузке;

-токов в индуктивностях ячеек;

-напряжений на емкостях ячеек.

Рис. 5.4

22

2.Введите вентили в ОИЛ (см. рис. 5.1). Постройте для различных длительностей импульса тока нагрузки временные диаграммы:

- тока в нагрузке; -токов в индуктивностях ячеек;

- напряжений на емкостях ячеек.

3.Объясните полученные зависимости.

Лабораторная работа 6

ЭЛЕКТРОМАГНИТНЫЕ ПРОЦЕССЫ В ОДНОРОДНОЙ ИСКУССТВЕННОЙ ЛИНИИ С УПРАВЛЯЕМЫМИ КЛЮЧАМИ

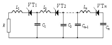
В ряде импульсных электротехнологий регулирование формы импульса позволяет повысить качество и производительность технологического процесса. Одним из способов создания генераторов импульсов тока регулируемой формы является введение ключей в ОИЛ. Электрическая схема генератора на основе ОИЛ с ключами (ОИЛК) изображена на рис. 6.1. Она обладает рядом достоинств по сравнению с другими схемными решениями. Основным преимуществом является неизменность режима согласования формирующего устройства с нагрузкой при изменении формы импульса в широких пределах.

Рис. 6.1

23

В случае, когда все отрезки линии заряжены до одинаковых значений напряжений, при коммутации ключей по волновому закону в нагрузке выделится прямоугольный импульс тока, ничем не отличающийся от импульса формируемого ОИЛК. Основное различие между ОИЛВ и ОИЛК состоит в том, что в ОИЛК емкости могут быть заряжены до напряжений различных уровней. Это позволяет решить более сложную задачу формирования импульсов регулируемой формы. В ОИЛК форма импульса тока в согласованной линейной активной нагрузке соответствует в определенном масштабе форме эпюра зарядного напряжения.

Для получения тока нагрузки заданной формы с помощью ОИЛК необходимо задаться формой зарядного напряжения емкостей ячеек. Для получения импульсов тока прямоугольной формы – обеспечить равный заряд

емкостей ячеек как U1 = U2 = …= Un. Для спадающих форм должно быть

U1 > U2 >…>Un, для нарастающих U1 < U2 <…< Un.

Для ОИЛК было получено уточненное значение моментов коммутаций ключей tk 0.93 k 1 2τnи . При этом ключ должен удерживаться

в открытом состоянии с момента включения и до окончания формирования импульса.

Рис. 6.2 Рис. 6.3

Все параметры ОИЛК рассчитываются так же, как и для обычной

ОИЛ; при этом τ 2.2 L0C0 .

На рис. 6.2 изображены различные варианты форм токов нагрузки, получаемые с помощью 5-звенной ОИЛК (прямоугольная – кривая 1,

24

линейно спадающая – кривая 2 и линейно нарастающая – кривая 3) а на рис. 6.3 – модулированный импульс тока нагрузки при увеличенном значении времени задержки tk .

Задание к лабораторной работе

1. Постройте принципиальную схему генератора на ОИЛК (рис. 6.1) с параметрами: τ = 1 мс, Rн = 1 Ом, n = 5, используя либо тиристоры и импульсные источники управляющего напряжения, либо T-ключи с диодами.

2. Постройте временные диаграммы тока в нагрузке при одинаковом уровне заряда ячеек:

-при одновременной коммутации ключей (tk 0);

-при коммутации ключей по закону tk 0.93(k 1) 2τnи .

3. Построите временные диаграммы токов в нагрузке при коммутации

ключей по закону

tk 0.93(k 1)

τи

и при одновременной коммутации

2n

 

 

 

ключей (tk 0):

 

 

 

-для линейно нарастающего уровня заряда ячеек;

-для линейно спадающего уровня заряда ячеек. 4. Объясните полученные зависимости.

Лабораторная работа 7 РЕЗОНАНСНЫЙ И РЕЗОНАНСНО-ДИОДНЫЙ РЕЖИМЫ ЗАРЯДА

ЕМКОСТНОГО НАКОПИТЕЛЯ.

Дифференциальное уравнение для эквивалентной схемы цепи заряда емкостного накопителя (рис. 7.1) будет следующим:

Ld 2i

 

rdi

 

i

 

dE

,

(7.1)

dt2

dt

C

dt

 

 

 

 

 

где L – индуктивность зарядного дросселя; i – мгновенный ток индуктив-

ности; r – активное сопротивление дросселя; E

 

 

r

 

 

 

L

 

 

напряжение источника питания.

 

 

 

 

 

 

 

i

 

 

 

 

 

 

 

 

 

 

 

 

 

 

Рассматривая случай полного разряда

E

 

 

 

 

 

 

 

 

 

 

 

 

 

 

 

 

 

 

 

 

 

 

 

 

 

Сн

емкостного накопителя на нагрузку и принимая во

 

 

 

 

 

 

 

 

 

 

 

 

 

 

 

 

 

 

 

 

внимание, что U(0) = 0, где U(0) – напряжение

 

 

 

 

 

 

 

 

 

 

 

 

 

 

 

Рис. 7.1

25