Материал: Sb95751

Внимание! Если размещение файла нарушает Ваши авторские права, то обязательно сообщите нам

Задание к лабораторной работе

1.Постройте принципиальную схему 5-звенного ФД 1-го рода в окне редактора схем (рис. 2.1).

2.ФД нагружен на линейную активную нагрузку R1 = 1 Ом.

Амплитуда импульса тока в нагрузке I = 500 А, длительность импульса 1 мс. Рассчитайте значения емкостей и индуктивностей ФД, определите напряжение источника питания.

3.Введите номинальные значения элементов схемы ФД согласно рассчитанным значениям. Постройте временные зависимости:

- токов в индуктивностях ФД (на одном графике); - напряжений на конденсаторах (на одном графике); - тока в нагрузке.

4.Постройте в окне редактора схем еще два ФД 1-го рода с тремя и четырьмя звеньями на основе уже существующей схемы. Постройте на одном графике временные диаграммы тока в нагрузке каждого ФД.

5.Внесите активное сопротивление ячейки Rя = 0.05 Ом. Постройте

временные диаграммы тока в нагрузке для ФД с потерями и без потерь (на одном графике).

6.Отключите нагрузку и замкните зажимы ФД накоротко. Постройте временные зависимости:

- токов в индуктивностях ФД; - напряжений на конденсаторах ФД.

7.В ФД без потерь постройте временные зависимости энергии,

выделяемой в нагрузке в течение импульса, для пяти случаев при R = , R = 0.5 , R = 0.75 , R=1.25 и R = 1.5 . Постройте график влияния рассогласования нагрузки на энергию, выделяемую в нагрузке.

8. Объясните полученные зависимости.

11

Лабораторная работа 3 ЭЛЕКТРОМАГНИТНЫЕ ПРОЦЕССЫ В ФОРМИРУЮЩЕМ

ДВУХПОЛЮСНИКЕ 2-го РОДА

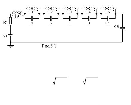
ФД 2-го рода представляет собой последовательное соединение накопительного конденсатора С0 и n параллельных LC-контуров (рис. 3.1).

Параметры цепи 2-го канонического вида должны удовлетворять равенствам:

C

τ

; Т

 

L C

 

; ρk L C

 

 

.

 

 

 

 

0

 

k

k

k

k

k

 

kπ

Умножив и разделив два последних равенства друг на друга, получим:

Ck 4τρ C20 const ; Lk kρτ2π2 .

Формально индуктивность L0 в ФД 2-го рода отсутствует. При практической реализации ее значение обусловливается требованиями, предъявляемыми к длительности фронта импульса. Таким образом, емкости всех колебательных контуров одинаковы, а их индуктивности уменьшаются с увеличением номера k контура. На рис. 3.2 изображена форма импульса тока

для ФД 2-го рода с пятью и тремя контурами при значении L0 = 0.025 Гн.

Значение L0 обычно подбирается опытным путем. На рис. 3.3 в качестве примера приведены временные зависимости трех импульсов тока нагрузки для различных значений корректирующей индуктивности, равных

0.5L5, L2 и 2L2 (кривые 1, 2 и 3 соответственно).

12

Рис. 3.2

Из рис. 3.3 видно, что с увеличением корректирующей индуктивности амплитуда первого выброса снижается, но при этом несколько увеличивается длительность самого импульса

.

Рис. 3.3

Недостатком этой схемы является то, что рабочие напряжения конденсаторов контуров различны, а это затрудняет процесс комплектации при практическом изготовлении генераторов.

Для примера рассчитаем 5-звенный ФД, предназначенный для формирования в активном сопротивлении R = 1 Ом импульса тока прямоугольной формы длительностью τ 1 с.

Значения емкостей: C0 12 0.5 Ф, Ck 14 0.25 Ф;

13

значения индуктивностей: L1 = 0.1 Гн, L2 = 0.025 Гн, L3 = 0.011 Гн, L4 = 0.0063

Гн, L5 = 0.004 Гн.

Рис. 3.4

На рис. 3.4 изображены кривые токов в индуктивностях ФД, а на рис. 3.5 – напряжений на конденсаторах

Задание к лабораторной работе.

1.Постройте принципиальную схему пятизвенного ФД 2-го рода в окне редактора схем (рис. 3.1).

2.ФД нагружен на линейную активную нагрузку Rн = 1 Ом. (Рис. 3.5)

Рис. 3.5

Амплитуда импульса тока в нагрузке I = 500 А, длительность импульса τ = 1 мс. Рассчитайте значения емкостей и индуктивностей схемы.

3. Введите номинальные значения элементов схемы ФД согласно рассчитанным значениям. Постройте временные диаграммы:

-токов индуктивностей (на одном графике);

-напряжений на конденсаторах (на одном графике);

-тока нагрузки.

14

4.Постройте в окне редактора схем два ФД 2-го рода с тремя и четырьмя звеньями на основе уже существующей схемы. Постройте на одном графике временные зависимости тока в нагрузке каждого ФД.

5.Внесите активное сопротивление ячейки Rн = 0.05 Ом. Постройте временные зависимости тока в нагрузке для ФД с потерями и без потерь (на одном графике).

6.В ФД без потерь постройте временные зависимости энергии, выделяемой в нагрузке в течение импульса, для пяти случаев при R = ρ, R = 0.5ρ, R = 0.75ρ, R = 1.5ρ, R = 1.25ρ. Постройте график влияния

рассогласования нагрузки на энергию, выделяемую в нагрузке (Wн/Wc – по

оси у, Rн /ρ – по оси x).

7. Объясните полученные зависимости.

Лабораторная работа 4 ИССЛЕДОВАНИЕ ПРОЦЕССОВ В ОДНОРОДНОЙ

ИСКУССТВЕННОЙ ЛИНИИ

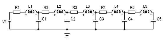
Однородная искусственная линия (ОИЛ) с потерями изображена на рис. 4.1. Существенным преимуществом ОИЛ, по сравнению с другими ФД, является равенство друг другу значений индуктивностей и емкостей ячеек, что существенно облегчает изготовление таких линий.

Рис. 4.1

Переходная характеристика для тока любой индуктивности (так же известна переходная характеристика для напряжения на любой емкости) позволяет получить временные зависимости токов индуктивностей (напряжений емкостей) в аналитическом виде только для случая короткого замыкания линии и имеет вид

15